KE-1070_KE-1080-Rev03 - 第133页
- 128 - REF.NO NOTE PART NO D E S C R I P T I O N 品 名 Qty 1 400- 02244 BANK F R CABLE ASM バンク FB ケーブル組 1 2 400-02243 BANK FL CABLE ASM バンク FL ケーブル組 1 3 400-01951 BANK/FPI-F PCB ASM. BANK / FPI − F 基板組 1 4 400-02088 BANK …

- 127 -
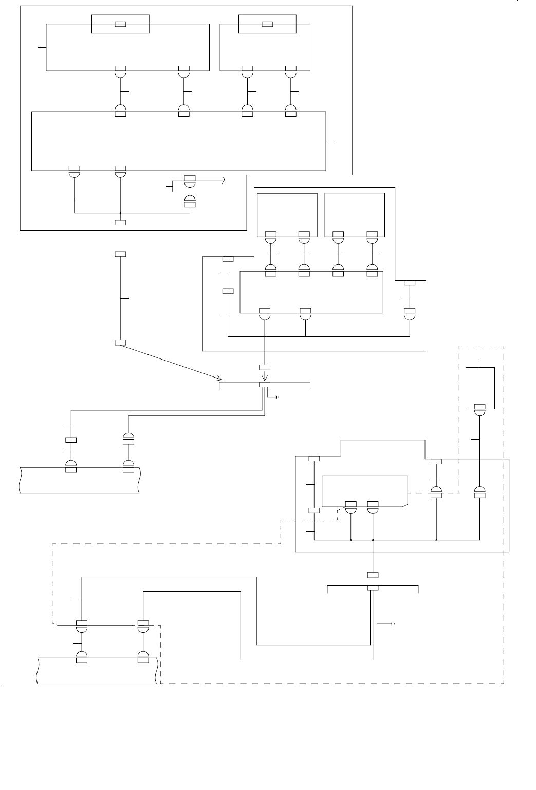
64.SYSTEM DIAGRAM (7)
SYSTEM DIAGRAM(7)
CH2R
CN1F
1-5D
FEEDER
(FR)
FEEDER
(FR)
FEEDER
(RR)
FEEDER
(RL)
ONLY KE-1070/80ONLY KE-1070/80
CN2LS4-2
CN521F
I/O CONTROL
PCB(3/5)
CN1
15-1D
15-1D
I/O CONTROL
PCB
CN3LS4-3
CN1 CN521R
(R3-2)
LED PCB
CN1CN541
(R3-1)
LED PCB
CN1CN551
CN2
(1/2)
CN502
(R2-2)
LED PCB
CN1CN561
(R2-1)
LED PCB
CN1CN571
CN503
(F1-1)
LED PCB
CN1
CN541
(F1-2)
LED PCB
CN1
CN551
CN2
(1/2)
CN502
(F2-1)
LED PCB
CN1
CN561
(F2-2)
LED PCB
CN1
CN571
CN3
(1/2)
CN503
IS E
F11E
CN04SL
CN4SR
CN4SL
CN4SCH4CH4ISS
CN03ML
CN3MR
CN3ML
CN3MCH3CH3ISR
CONNECTOR BRACKET
(OVERALL REPLACEMENT
TABLE R)
CH2CH2ISM
CH1
CH1 IS F
CONNECTOR BRACKET
(OVERALL REPLACEMENT
TABLE F)
BASE-FEEDER
PCB(3/4)
BANK/FPI
-R PCB.
BASE
FEEDER
PCB(2/4)
BANK/FPI
-F PCB.
IS WIRING
14-4C
HUB
BOX(2/3)
CN506F
CN3
BK-FL
BK-FR
CN7
CN5
CN501F
CN507F
7-4A
7-4A
LS3-4F CN4F
CN4R
LS3-4R
CN1
CN501R
BK-RL
BK-RR
CN507R
CN506R
CN4R
CN7
6-1B
13-1B
7-1C
13-1B
SIGNAL LIGHT
CN483
LS3-2
CN2
CN6
CN6
7-2B
LS3-6
LS3-6
10-3B
CN11
COVER
MTC I/F(L)
COVER
CN11
MTC I/F
(L)
12
3
5
7
4
6
89
10
12
11
14 15
13
16
17
18
19
21
22
23
34
24 25
26 31
3228 29 33
3027
20

- 128 -
REF.NO NOTE PART NO D E S C R I P T I O N
品 名
Qty
1 400-02244 BANK FR CABLE ASM
バンク FB ケーブル組
1
2 400-02243 BANK FL CABLE ASM
バンク FL ケーブル組
1
3 400-01951 BANK/FPI-F PCB ASM.
BANK / FPI − F 基板組
1
4 400-02088 BANK F CABKE ASM
バンク F ケーブル組
1
5 400-01941 BASE FEEDER PCB ASM.
ベースフィード基板組
1
6 400-02089 BANK R CABKE ASM
バンク R ケーブル組
1
7 400-01949 BANK/FPI-R PCB ASSY
BANK / FPI − R 基板組
1
8 400-02245 BANK RL CABLE ASM
バンク RL ケーブル組
1
9 400-02246 BANK RR CABLE ASM
バンク RR ケーブル組
1
10 400-02250 FPI LED CABLE ASM B
FPI LED ケーブル組 B
1
11 E8626-729-0A0 FPI LED BOARD ASM.
FPI LED 基板組
1
12 400-02249 FPI LED CABLE ASM A
FPI LED ケーブル組 A
1
13 400-02087 FPI F CABLE ASM
FPI F ケーブル組
1
14 400-02250 FPI LED CABLE ASM B
FPI LED ケーブル組 B
1
15 400-02249 FPI LED CABLE ASM A
FPI LED ケーブル組 A
1
16 400-02086 FPI R CABLE ASM
FPI R ケーブル組
1
17 400-03265 SIGNAL TOWER ASM
シグナルタワー組
1
18 400-02090 SIGNAL LIGHT CABLE ASM
シグナルライトケーブル組
1
19 400-02052 BASE MTC CABLE ASM
ベース MTC ケーブル組
1
20 400-02104 MTC I/F(L) CABLE ASM
MTC I / F(L)ケーブル組
1
21 400-02052 BASE MTC CABLE ASM
ベース MTC ケーブル組
1
22 400-73745 RFID MTC I/F(L) CABLE ASM
RFID MTC I / F(L)ケーブル組
1
23 400-72912 HUB BOX
HUB ボックス
1
24 400-73742 RFID BANK F CONTROL BOX CABLE ASM
RFID バンク F コントロールボックスケーブル組
1
25 400-73743 RFID BANK R CONTROL BOX CABLE ASM
RFID バンク R コントロールボックスケーブル組
1
26 400-73751 RFID M BRANCH CONTROL BOX CABLE ASM
RFID M ブランチコントロールボックスケーブル組
1
27 KK-0000009-50 CONNECTOR
コネクタ
1
28 400-73749 RFID M BRANCH MTS I/F CABLE ASM
RFID M ブランチ MTS I / F ケーブル組
1
29 400-73746 RFID M BRANCH MTC I/F CABLE ASM
RFID M ブランチ MTC I / F ケーブル組
1
30 KK-0000009-50 CONNECTOR
コネクタ
1
31 400-73752 RFID S BRANCH CONTROL BOX CABLE ASM
RFID S ブランチコントロールボックスケーブル組
1
32 400-73750 RFID S BRANCH MTS I/F CABLE ASM
RFID S ブランチ MTS I / F ケーブル組
1
33 400-73748 RFID S BRANCH MTC I/F CABLE ASM
RFID S ブランチ MTC I / F ケーブル組
1
34 400-73740 RFID CONTROL BOX FG CABLE ASM
RFID コントロールボックス FG ケーブル組
1

- 129 -
65.SYSTEM DIAGRAM (8)
SYSTEM DIAGRAM(8)
IC FULL
8.5MM
PITCH 80
COJISCAN,
IS WIRING
IS ANT F/R
ANTENNA
ARRAY.
OLD-TYPE OVERALL
REPLACEMANT ADAPTER
IC FULL
6-1D
POWER
UNIT
(6/13)
CN025
CN020
CN00
CN01
8-2A
REALY
CONECTOR
COVER
CN04
CN04
F.G.
CN649
FEEDER I/F
PCB (F)
CN662
CN661
CN1
CN2
IC FULL
CN507
CN11
CN1F/1RCN1F/1R
CONNECTOR BRACKET(OVERALL
REPLACEMENT TABLE F)
POWER
UNIT
(7/13)
8-1B
CN025
REALY
CONECTOR
CN00
CN01
CN020
9-1A
COVER
CN04
CN04
F.G.
CN04
CN10
CN10
CN649
CN662
CN661
CN507
CN11
CN1
CN2
CONNECTOR BRACKET
(OVERALL REPLACEMENT TABLE F)
FEEDER I/F
PCB (F)
CN10-1
CN9-1
CN9-2
CN10-2
CN670-2
CN669-2
CN670-1
CN669-1
CN750
CN9
CN10
CN751
CN760
CN9
CN10
CN761
FEEDER BANK
PCB(FL)
FEEDER BANK
PCB(FR)
(OLD-TYPE OVERALL REPLACEMENT TABLE F)
FEEDER I/F PCB (F)
CN661
CN662
CN2
CN1
CN9-1 CN669-1
CN670-1
CN10-1
CN669-2
CN9-2
CN670-2
CN10-2
CONNECTOR
OVERALL REPLACEMENT
BRACKET
TABLE (OPTION)
CN649
FEEDER BANK
PCB(FL)
FEEDER BANK
PCB(FR)
CN750
CN9
CN10
CN751
CN760
CN9
CN10
CN761
1
3
4
5
6
7
8
9
10
11
12
13 14 15 16
17
19
18
20
21 22 24 25
23
2