KE-1070_KE-1080-Rev03 - 第137页
- 132 - REF.NO NOTE PART NO D E S C R I P T I O N 品 名 Qty 1 400-02315 BANK RLY CABLE ASM F バンクリレーケーブル組 F 1 2 400-73741 RFID BANK CABLE ASM RFID バンクケーブル組 1 3 400-73743 RFID BANK R CONTROL BOX CABLE ASM RFID バンク R コントロールボッ…

- 131 -
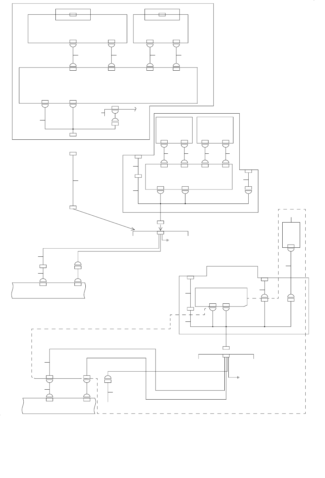
66.SYSTEM DIAGRAM (9)
SYSTEM DIAGRAM(9)
IC FULL
8.5MM
PITCH 80
COJISCAN,
RFID WIRING
IS ANT F/R
ANTENNA
ARRAY.
OLD-TYPE OVERALL
REPLACEMANT ADAPTER
IC FULL
8-2A
POWER
UNIT
(8/13)
CN026
CN021
CN02
CN03
9-2A
REALY
CONECTOR
COVER
CN04
CN04
F.G.
CN649
FEEDER I/F
PCB (F)
CN662
CN661
CN1
CN2
IC FULL
CN507
CN11
CN1F/1RCN1F/1R
CONNECTOR BRACKET(OVERALL
REPLACEMENT TABLE R)
POWER
UNIT
(9/13)
9-2B
CN026
REALY
CONECTOR
CN02
CN03
CN021
10-2A
COVER
CN04
CN04
F.G.
CN04
CN10
CN10
CN649
CN662
CN661
CN507
CN11
CN1
CN2
CONNECTOR BRACKET
(OVERALL REPLACEMENT TABLE R)
FEEDER I/F
PCB (F)
CN10-1
CN9-1
CN9-2
CN10-2
CN670-2
CN669-2
CN670-1
CN669-1
CN750
CN9
CN10
CN751
CN760
CN9
CN10
CN761
FEEDER BANK
PCB(RL)
FEEDER BANK
PCB(RR)
(OLD-TYPE OVERALL REPLACEMENT TABLE R)
FEEDER I/F PCB (F)
CN661
CN662
CN2
CN1
CN9-1 CN669-1
CN670-1
CN10-1
CN669-2
CN9-2
CN670-2
CN10-2
CONNECTOR
OVERALL REPLACEMENT
BRACKET
TABLE (OPTION)
CN649
FEEDER BANK
PCB(RL)
FEEDER BANK
PCB(FR)
CN750
CN9
CN10
CN751
CN760
CN9
CN10
CN761
1
2
4
5
6
7
8
9
10
11
12
13
14 15 16 17
18
20
19
21 22 23 24
012:5B
CN2R CN1F/2R
3

- 132 -
REF.NO NOTE PART NO D E S C R I P T I O N
品 名
Qty
1 400-02315 BANK RLY CABLE ASM F
バンクリレーケーブル組 F
1
2 400-73741 RFID BANK CABLE ASM
RFID バンクケーブル組
1
3 400-73743 RFID BANK R CONTROL BOX CABLE ASM
RFID バンク R コントロールボックス組
1
4 400-02315 BANK RLY CABLE ASM F
バンクリレーケーブル組 F
1
5 400-45436 BANK CABLE ASM
バンクケーブル組
1
6 400-73753 RFID BANK CABLE ASM
RFID バンクケーブル組
1
7 E9395-721-0A0 IC FULL RELAY CABLE 3 ASM.
IC FULL 中継ケ−ブル3組
1
8 E9532-729-0A0 CUTTER POWER SOURCE CABLE ASM.
カッタ電源ケ−ブル組
1
9 400-73754 ANTENNA ARRAY BANK FRRL CABLE ASM
アンテナアレイバンク FRRL ケーブル組
1
10 400-73665 ANTENNA ARRAY 8.5MM PITCH / 80 POSITION
アンテナアレイ 8.5 MM ピッチ/80ポジション
1
11 400-45437 BANK CABLE ADAPTER ASM
バンクケーブルアダプター組
1
12 E9530-729-0A0 BANK CABLE ASM.
バンクケ−ブル組
1
13 E9395-721-0A0 IC FULL RELAY CABLE 3 ASM.
IC FULL 中継ケ−ブル3組
1
14 E9378-721-0A0 FEEDER BANK CABLE 5 ASM
フィ−ダバンクケ−ブル5組
1
15 E9384-721-0A0 FEEDER BANK DC CABLE 5 ASM.
フィ−ダバンク DC ケ−ブル5組
1
16 E9379-721-0A0 FEEDER BANK CABLE 6 ASM.
フィ−ダバンクケ−ブル6組
1
17 E9385-721-0A0 FEEDER BANK DC CABLE 6 ASM.
フィ−ダバンク DC ケ−ブル6組
1
18 E9532-729-0A0 CUTTER POWER SOURCE CABLE ASM.
カッタ電源ケ−ブル組
1
19 E9388-725-0A0 FEEDER BANK RELAY CABLE 3 ASM.
フィ−ダバンク中継ケ−ブル3組
1
20 E9395-725-0A0 CONNECTOR BRACKET
コネクタブラケット
1
21 E9378-721-0A0 FEEDER BANK CABLE 5 ASM
フィ−ダバンクケ−ブル5組
1
22 E9384-721-0A0 FEEDER BANK DC CABLE 5 ASM.
フィ−ダバンク DC ケ−ブル5組
1
23 E9379-721-0A0 FEEDER BANK CABLE 6 ASM.
フィ−ダバンクケ−ブル6組
1
24 E9385-721-0A0 FEEDER BANK DC CABLE 6 ASM.
フィ−ダバンク DC ケ−ブル6組
1

- 133 -
67.SYSTEM DIAGRAM (10)
SYSTEM DIAGRAM(10)
AUTO WIDTH
ADJUSTMENT MOTOR
CAL
PCB
CARRY
PCB(1/2)
CENTER MOTOR(L)
BU UP MOTOR(L)
BU UP ENCODER(L)
CN656
CN657
CN658
CN659
CN660
CN028
CN672
CN28
CN2
CN655
9-2B
POWER UNIT
(10/14)
14-2B
5PHASE
DRIVER
CN671CN1
1-2D
FG
5PHASE
DRIVER(2/2)
1-2D
FG
5PHASE
DRIVER(2/2)
CN435
CN436
CN643
CN43
CN42
CN642
CN27CN627
CN630
CN30
CN28
CN628
CN36
CN33CN633
CN636
CN632
CN32
CN26
CN626
CN623
CN23
CN34
CN634
CN31
CN631
CN35
CN635
CN611
FG
11-3A
CN11
LS1-6
CN6
CN4
LS1-4
LS3-3
CN3
6-1B
12-2A
SAFETY PCB
ASM(3/4)
7-4B
CN1
LS3-1
BASE
FEEDER
PCB(4/4)
CN491
CN1
CN2
CN492
CAL S. V
CN669
CAL VACUUM
SENSOR
THERMAL
SENSOR
PCB
(BASE FRAME)
BANK
UP
SENSOR(F)
BANK
UP
SENSOR(R)
1234
5
6
7
8
16
17
15
910
11
12
18
19
13
20
14
21
22
23 24 25 26
27 28 33
31
30
29
32