KE-1070_KE-1080-Rev03 - 第143页
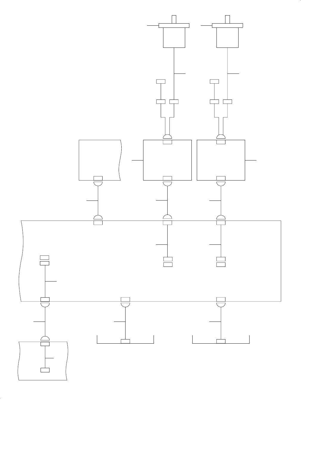
- 138 - REF.NO NOTE PART NO D E S C R I P T I O N 品 名 Qty 1 400-44847 XY RELAY CABLE3 ASM XY リレーケーブル3組 1 2 400-45444 XY-SAFETY I/F CABLE ASM XY − SAFE TY I / F ケーブ ル組 1 3 400-45268 SAFETY CABLE1 ASM セーフティケーブル1組 1 4 E9378…

- 137 -
69.SYSTEM DIAGRAM (12)
SYSTEM DIAGRAM(12)
13-2A
CN5
10-4B
11-4D
1-2B
1-2B
POWER-UNITCN9CN9
CN8CN8
COVER
POWER-UNIT
MOTOR2(R)
MOTOR1(L)
CN655R
CN656R
CN672RLS1-9LS1-9 CN671L CN2CN1
5PHASE DRIVER
CN655L
CN656L
CN672LLS1-8LS1-8 CN671L CN2CN1
SMEMA(R)
SMEMA(L)
COVER
CN03 CN1LS1-2
CN02 CN1LS1-1
5PHASE DRIVER
SAFTY PCB ASM(4/4)
CN5
CN14
XY RELAYPCB
ASM(4/5)
LS0-14LS0-14 LS1-5LS1-5
OPEARATION PCB
ASM(1/3)
CN704 CN4CN3 LS1-3
13-3A
24 5
3
8
9
10
15 16
13 14
67
11 12
1

- 138 -
REF.NO NOTE PART NO D E S C R I P T I O N
品 名
Qty
1 400-44847 XY RELAY CABLE3 ASM
XY リレーケーブル3組
1
2 400-45444 XY-SAFETY I/F CABLE ASM
XY − SAFETY I / F ケーブル組
1
3 400-45268 SAFETY CABLE1 ASM
セーフティケーブル1組
1
4 E9378-729-0A0 SMEMA CABLE (L) ASM.
スメマケ−ブル(L)組
1
5 400-02334 SMEMA CABLE (R) ASM
スメマケーブル(R)組
1
6 400-45269 SAFETY CABLE2 ASM
セーフティケーブル2組
1
7 400-45270 SAFETY CABLE3 ASM
セーフティケーブル2組
1
8 400-02202 SAFETY CABLE ASM
セーフティケーブル組
1
9 400-45445 PMDC L CABLE ASM
PMDC L ケーブル組
1
10 400-45446 PMDC R CABLE ASM
PMDC R ケーブル組
1
11 HM-0013200-00 MOTOR DRIVER
モータドライバ
1
12 HM-0013200-00 MOTOR DRIVER
モータドライバ
1
13 400-45449 I/O MOTOR L CABLE ASM
I / O モータ L ケーブル組
1
14 400-45450 I/O MOTOR R CABLE ASM
I / O モータ R ケーブル組
1
15 E9431-729-0A0 CENT MOTOR ASM.
CENT モ−タ組
1
16 E9431-729-0A0 CENT MOTOR ASM.
CENT モ−タ組
1

- 139 -
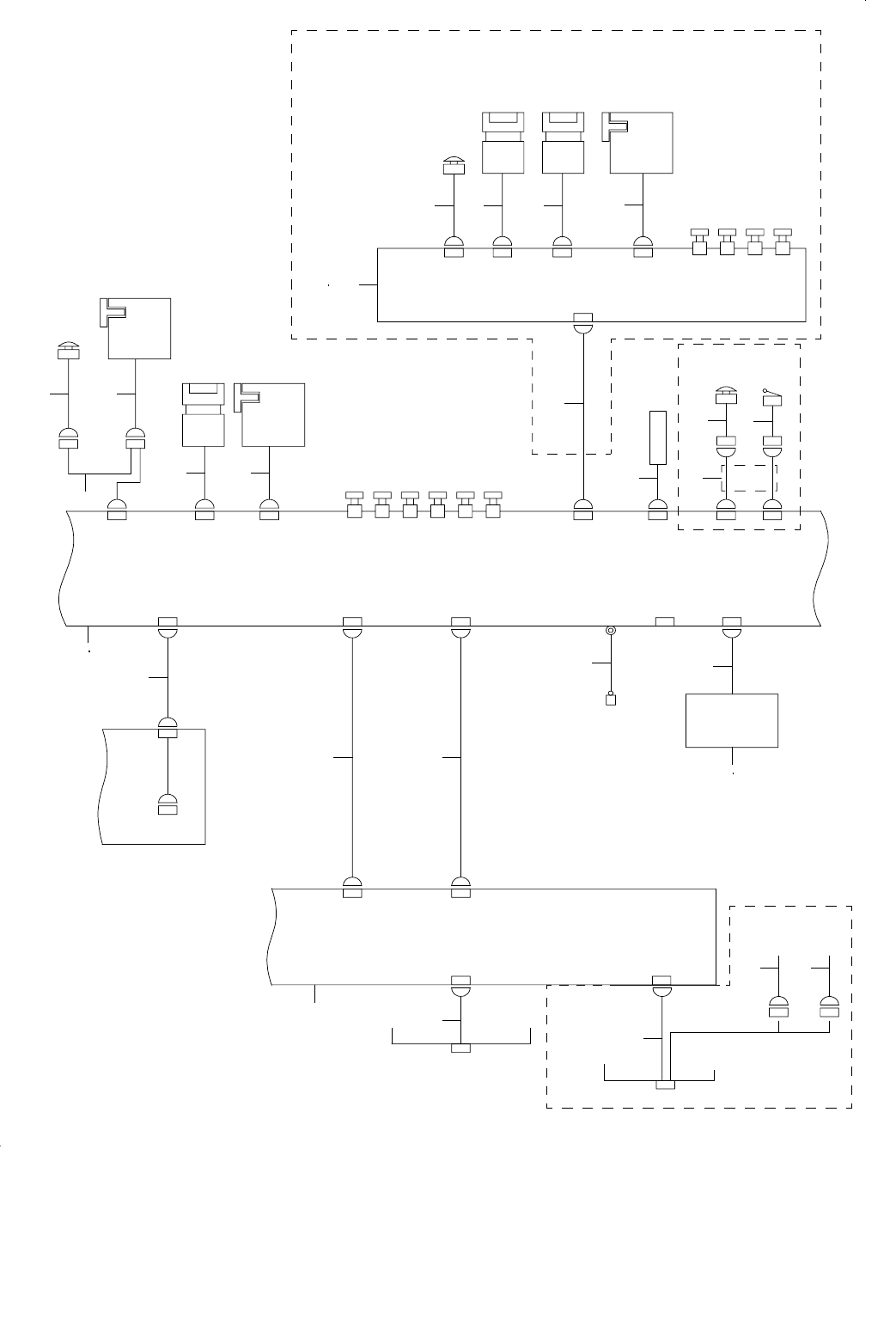
70.SYSTEM DIAGRAM (13)
SYSTEM DIAGRAM(13)
CN7
SFSW007
SFSW
705/928
SAFETY SW
(NON-STOP OPERATION)
FEEDER SW(F)
CN719
COVER OPEN SW(F)
CN7
EMG SW_FR
CN705
CN1
FEEDER SW(R)
(NON-STOP OPERATION)
EMG SW_RR
SW PCB
OPERATION
COVER OPEN SW(R)
KEY CHANGE SW
CN5 CN745
CN7CN7
START SW
STOP SW
SERVO FREE SW
CYCLE SW
CN2 CN742
SW6
SW5
SW10
SW9
CN6 CN746
CN16
CN16
12-1A
ONLY KE-1070C
ONLY KE-1070/80
CN25
COVER
OPEN
SW(R)
EMG SW_RR
CN747
CN742
CN708
CN706
CN8
LS0-16
CN2CN02
KEY CHANGE SW
CN18 CN718
IS WIRING
9-2C
9-2C
MTC I/F(R)
COVER
CN12
LS4-1
LS0-16
XY RELAY PCB(5/5)
MTC I/F(R)
CN6
CN19
LS4-6CN6
CN1LS4-1
SW9
SW10
SW5
SW6
SW1
SW2
12-3B
7-3C
I/O CONTROL
PCB(5/5)
COVER
LS4-4CN4 CN1CN701
CN741
CN7
CYCLE SW
SERVO FREE SW
STOP SW
START SW
ORIGIN SW
ON LINE SW
CN5
CN15CN715
CN3
CN11CN711
CN703
OPERATION
PCB(2/3)
HOD BOX
CN12
OPE-E1
16-4A
10
FG-TAP
FRONT
3
1
45
2
78
9
12
10
11
6
13
14
18 19
15
16 17
20
27
28
29
30
23 24 25
26
21
22
CN02M
CN02S
CN01M
CN01S