KE-1070_KE-1080-Rev03 - 第68页
- 63 - 32. PWB CONVEYOR COMPONENTS (7) 基板搬送関係 (7) 19 25 23 23 1 9 10 11 4 5 6 7 8 8 6 20 22 24 12 13 14 15 16 17 21 17 12 24 14 13 26 43 2 18 45 48 3 46 47 44

- 62 -
NOTE( 注記 ) #01....FOR 1070L,1070CL,1080L 1070 L,1070 CL,1080 L 用
#02....FOR 1070L,1070CL,1080L,1080E 1070 L,1070 CL,1080 L,1080 E 用
#03....FOR 1080E 1080 E 用
*INSTALLATION PSITION AND DIRECTION VARY IF THE PWB TRANSFER
REFERENCE IS DIFFERENT.
基板搬送基準が異なると取付位置、方向が変わります。
REF.NO NOTE PART NO D E S C R I P T I O N
品 名
Qty
1 400-00865 RAIL SUPPORT
レールサポート
1
2
#01
400-01067 RAIL SUPPORT(L)
レールサポート(L)
1
3 SL-6041092-TN SCREW
座金付き六角穴ボルト
2
4 SL-6051092-TN BOLT
座金付き六角穴ボルト
2
5 400-00868 MOTOR BRAKET C
モータブラケット C
1
6
#02
400-01009 MOTOR BRAKET C(L)
モータブラケット C(L)
1
7 400-00869 MOTOR ADJUST PLATE
モータアジャストプレート
1
8 E9431-729-0A0 CENT MOTOR ASM.
CENT モ−タ組
1
9 SL-6041242-TN BOLT
座金付き六角穴ボルト
4
10 400-00870 MOTOR PULLEY C
モータプーリ C
1
11 SM-8030602-TP SCREW M3X0.5 L=6
止めねじ M 3 X 0.5 L =6
3
12 SL-6051292-TN BOLT
座金付き六角穴ボルト
2
13 E9431-729-0A0 CENT MOTOR ASM.
CENT モ−タ組
2
14 SM-4054501-SC SCREW M5X0.8 L=45
なべ小ねじ M 5 X 0.8 L =45
8
15 WS-0510002-KN SPRING WASHER
ばね座金 5.1 X 9.2 X 1.3
8
16 400-30592 MOTOR BRACKET A
モータブラケット A
2
17 400-00870 MOTOR PULLEY C
モータプーリ C
2
18 SM-8030602-TP SCREW M3X0.5 L=6
止めねじ M 3 X 0.5 L =6
4
19
#02
400-46034 MOTOR BRACKET S(6)
モータブラケット S(6)
2
20 SL-6051092-TN BOLT
座金付き六角穴ボルト
8
21 SL-6051492-TN BOLT
座金付き六角穴ボルト
2
22 E2120-725-000 PUSHER PLATE
プッシャプレート
1
23
#02
E4055-725-000 PUSHER PLATE(E)
プレッシャープレート(E)
1
24 E2165-721-000 PUSHER SPACER
プッシャスペーサ
4
25 WP-0430801-SC WASHER 4.3X9X0.8
平座金 4.3 X 9 X 0.8
4
26 WS-0410002-KN SPRING WASHER
ばね座金 M 4
4
27 NM-6040001-SC NUT M4
六角ナット M 4
4
28 400-00885 Y_PUSHER_ASM
Y プッシャ組
5
29 PJ-0460525-01 ELBOW
バ−ブエルボ
1
30 PJ-0460590-05 CONNECTOR
バーブ継手
4
31 HX-0029400-00 FIXED BASE
固定ベース
1
32 BT-0400251-EA TUBE HOSE, BLUE
ウレタンホ−ス 青
0.3
33 HX-0034400-00 HARNESS PARTS
束線パーツ
3
34 SL-6030692-TN SCREW M3 L=6
座金付き六角穴ボルト M 3 L =6
3
35
#02
SL-6030692-TN SCREW M3 L=6
座金付き六角穴ボルト M 3 L =6
1
36
#02
SL-6031092-TN SCREW
座金付き六角穴ボルト
2
37 E2090-725-000 WEIGHT SENSOR BLOCK
ウェイトセンサブロック
1
38 SL-6031492-TN SCREW M3 L=14
座金付き六角穴ボルト M 3 L =14
2
39 400-00875 WAIT SENSOR BRACKET
ウェイトセンサブラケット
1
40 SL-6041092-TN SCREW
座金付き六角穴ボルト
2
41
#02
400-19162 WAIT SENSOR BRACKET A
ウェイトセンサブラケット A
1
42
#02
E4092-725-000 WEIGHT SENSOR BRACKET B(E)
ウェイトセンサブラケット B(E)
1
43 SL-6030592-TN SCREW M3 L=5
座金付き六角穴ボルト
2
44 400-00880 FIXED BELT
フィックスベルト
1
45 400-00881 ADJUST BELT CLAMP
アジャストベルトクランプ
1
46 SL-6030892-TN SCREW M3 L=8
座金付き六角穴ボルト M 3 L =8
2
47 400-00882 ADJUST BELT PLATE
アジャストベルトプレート
1
48
#02
400-01072 PIN ADJUST BELT(L)
ピンアジャストベルト(L)
1
49 400-00879 PIN ADJUST BELT
ピンアジャストベルト
1
50
#02
HD-0015200-20 SIDE VIEW UNIT
サイドビューユニット
1
51
#03
E4018-725-000 RAIL SUPPORT(E)
レールサポート(E)
1

- 63 -
32.PWB CONVEYOR COMPONENTS (7)
基板搬送関係 (7)
19
25
23
23
1
9
10
11
4
5
6
7
8
8
6
20
22
24
12
13
14
15
16
17
21
17
12
24
14
13
26
43
2
18
45
48
3
46
47
44

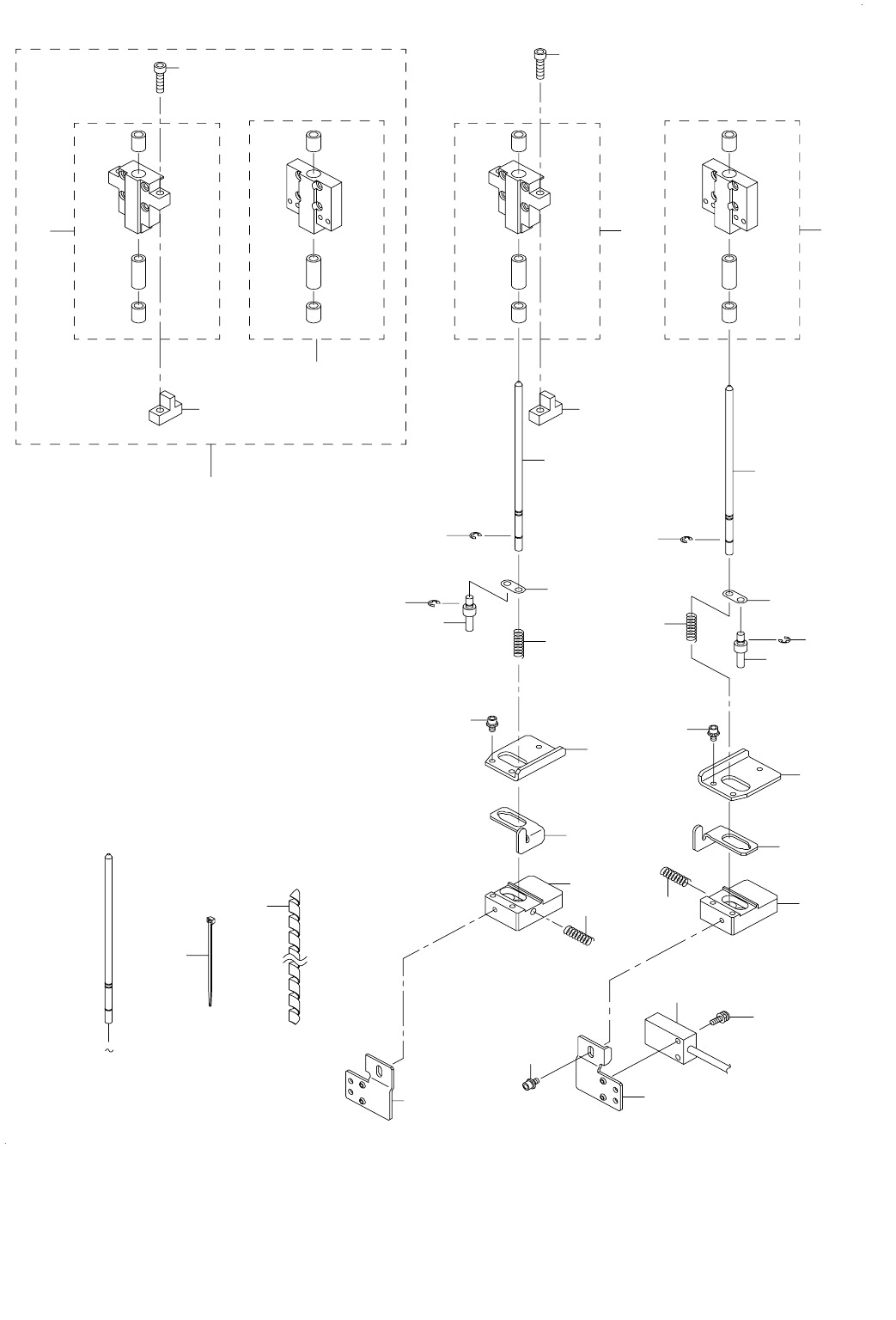
- 64 -
NOTE( 注記 ) #01....FOR FRONT ・ LEFT-RIGHT 手前・左右用
FOR REAR ・ RIGHT-LEFT 奥・右左用
#02....FOR FRONT ・ RIGHT-LEFT 手前・右左用
FOR REAR ・ LEFT-RIGHT 奥・左右用
#03....FOR 1070L,1070CL,1080L 1070 L,1070 CL,1080 L
(FRONT ・ RIGHT-LEFT) (手前・右左)用
*INSTALLATION POSITION AND DIRECTION VARY IF THE PWB TRANSFER
REFERENCE IS DIFFERENT.
基板搬送基準が異なると取付位置、方向が変わります。
REF.NO NOTE PART NO D E S C R I P T I O N
品 名
Qty
1
#02
E2147-721-000 SENSOR BRACKET L
センサブラケット L
1
2 400-00887 GUIDE_BLOCK_A_ASM.
ガイドブロック A 組
1
3 400-00889 GUIDE_BLOCK_B_ASM
ガイドブロック B 組
1
4 400-15791 DAMPER PLATE L
ダンパープレート L
1
5 400-15792 DAMPER PLATE R
ダンパープレート R
1
6 400-15793 LOCK SPRING
ロックスプリング
2
7 400-00895 DAMPER BLOCK R
ダンパブロック R
1
8 SL-6030892-TN SCREW M3 L=8
座金付き六角穴ボルト M 3 L =8
4
9 400-00891 STOPER SLIDE LEVER L
ストッパスライドレバー L
1
10 400-00897 STOPER SLIDE LEVER R
ストッパスライドレバー R
1
11 400-00892 DAMPER BLOCK L
ダンパブロック L
1
12 400-00978 DAMPER LOCK LINK
ダンパロックリンク
2
13 400-00950 DAMPER SPRING
ダンパスプリング
2
14 RE-0300000-K0 E-RING 3
E 形止め輪 3
6
15 EA-9500B00-00 CLIP CV-70S
結束バンド 60
5
16 HX-0031400-00 SPIRAL TABE
スパイラル チューブ
0.3
17 400-01081 CENTERING PIN 4.0
センタリングピン4.0
2
18 400-00877 GUIDE BLOCK CLAMP
ガイドブロッククランプ
1
19 SM-6041602-TN SCREW M4 X 16
六角穴ボルト M4X0.7 L =16
1
20 400-02122 T.PIN SENS ASM
ティーピンセンサ組
1
21 SL-6030692-TN SCREW M3 L=6
座金付き六角穴ボルト M 3 L =6
1
22 SL-4031091-SC SCREW M3 X 10
なべ小ねじセムス
2
23 RE-0300000-K0 E-RING 3
E 形止め輪 3
2
24 400-00896 DAMPER LOCK PIN
ダンパロックピン
2
25
#01
E2148-721-000 SENSOR BRACKET R
センサブラケット R
1
26 400-01087 CENTERING PIN 3.4
センタリングピン3.4
1
27 400-01086 CENTERING PIN 3.5
センタリングピン3.5
1
28 400-01088 CENTERING PIN 3.3
センタリングピン3.3
1
29 400-01089 CENTERING PIN 3.2
センタリングピン3.2
1
30 400-01090 CENTERING PIN 3.1
センタリングピン3.1
1
31 400-01091 CENTERING PIN 3.0
センタリングピン3.0
1
32 400-01092 CENTERING PIN 2.9
センタリングピン2.9
1
33 400-01093 CENTERING PIN 2.8
センタリングピン2.8
1
34 400-01094 CENTERING PIN 2.7
センタリングピン2.7
1
35 400-01095 CENTERING PIN 2.6
センタリングピン2.6
1
36 400-01096 CENTERING PIN 2.5
センタリングピン2.5
1
37 400-01097 CENTERING PIN 2.0
センタリングピン2.0
1
38 400-01098 CENTERING PIN 1.9
センタリングピン1.9
1
39 400-01099 CENTERING PIN 1.8
センタリングピン1.8
1
40 400-01082 CENTERING PIN 3.9
センタリングピン3.9
1
41 400-01083 CENTERING PIN 3.8
センタリングピン3.8
1
42 400-01084 CENTERING PIN 3.7
センタリングピン3.7
1
43 400-01085 CENTERING PIN 3.6
センタリングピン3.6
1
44
#03
400-62328 GUIDE BLOCK ST ASM
ガイドブロック ST 組
1
45 SM-6041602-TN SCREW M4 X 16
六角穴ボルト M4X0.7 L =16
(1)
46 400-00887 GUIDE_BLOCK_A_ASM
ガイドブロック A 組
(1)
47 400-00889 GUIDE BLOCK B ASM
ガイドブロック B 組
(1)
48 400-00877 GUIDE BLOCK CLAMP
ガイドブロッククランプ
(1)