YSM40-000_cwd_je.pdf - 第19页
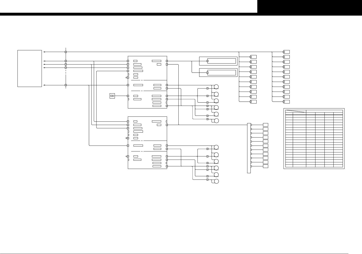
Confidential & Proprietary P A G E HEAD IO CN7,8 DO OUT HEAD PANEL MOUNT LAN HEAD HEAD POW CN3 P.SIG HEAD IO CN6 DO1 LAN DO OUT P.SIG DO1 CN7 DO CN6 S-POWER CN1 OPTION IF ETHER IN CN8A ETHER OUT CN8B CN3 DI1 CN2 VAC …

Confidential & Proprietary
PAGE
HEAD IO CN7,8
LAN
HEAD
HEAD POW CN3
HEAD IO CN6
HEAD POW CN1
DO OUT
HEAD PANEL MOUNT
P.SIG
DO1
P+48V
LAN
DO OUT J0505
P.SIG J0502
DO1 J0504
P+48V J0501
CN7 DO
CN6 S-POWER
CN1OPTION IF
ETHER INCN8A
ETHER OUTCN8B
CN5 DI2
CN3 DI1
CN2VAC
MOTOR 1 CN1MOTOR POW
MOTOR 2
CN1INC ENC 1
CN2INC ENC 2
CN3
CN4
BATTERYCN8
CN5
CN4
SER ENC1
SER ENC2
HEAD SERVO UNIT ASSY-1
HS1 CN1
HD1 CN1
HE1 CN2
HE1 CN4
HE1 CN1
HS1 CN2
MU HEAD FAN
CN5 FAN
FAN
J0513
J0517
HD1 CN5
HS1 CN6
HS1 CN7
HD1 CN4
HS CN5
J0516
SRV BOARD ASSY P071
DRV BOARD ASSY P072
ENC BOARD ASSY P073
FAN 42
CN7 DO
CN6 S-POWER
CN1OPTION IF
ETHER INCN8A
HEAD SERVO UNIT ASSY-2
ETHER OUTCN8B
CN5 DI2
CN3 DI1
CN2VAC
MOTOR 1 CN1MOTOR POW
MOTOR 2
CN1INC ENC 1
CN2INC ENC 2
CN3
CN4
BATTERYCN8
CN5
CN4
SER ENC1
SER ENC2
HD2 CN1
HE2 CN1
HE2 CN2
HE2 CN4
CN5 FAN
HE2 CN5
J0514
J0515
HD2 CN5
HS2 CN6
HS2 CN7
HD2 CN4
HS CN5
SRV BOARD ASSY P074
DRV BOARD ASSY P075
ENC BOARD ASSY P076
HS2 CN2
J0506
J0509
J0508
J0507
J0510
J0511
J0512
J0503
CN1 AIR MACS BOARD ASSY
CN1 AIR MACS BOARD ASSY
AIR MACS LEFT
AIR MACS RIGHT
Z1P
Z2P
Z3P
Z7P
Z8P
R1
□40 MAX 2000rpm
MAX 1.2m/s
Z8-AXIS 6W
MAX 1.2m/s
Z7-AXIS 6W
MAX 1.2m/s
Z3-AXIS 6W
MAX 1.2m/s
Z2-AXIS 6W
MAX 1.2m/s
Z1-AXIS 6W
M31
M32
M33
M37
M38
M41
MACS1
MACS2
P077
P078
ZML2
R1-AXIS 30W
R2-AXIS 30W
Z4P
Z5P
Z6P
Z9P
Z10P
R2
□40 MAX 2000rpm
Z10-AXIS 6W
MAX 1.2m/s
MAX 1.2m/s
Z9-AXIS 6W
MAX 1.2m/s
Z6-AXIS 6W
MAX 1.2m/s
Z5-AXIS 6W
MAX 1.2m/s
Z4-AXIS 6W
M34
M35
M36
M39
M40
M42
ZMR2
YV219
YV218YV217
YV216YV215
YV214YV213
YV212YV211
YV229
YV228YV227
YV226YV225
YV224YV223
YV222YV221
YV220
YV231
YV230
BLOW 1
BLOW 2
BLOW 3
BLOW 4
BLOW 5
BLOW 6
BLOW 7
BLOW 8
BLOW 9
BLOW 10 VAC 10
VAC 9
VAC 8
VAC 7
VAC 6
VAC 5
VAC 4
VAC 3
VAC 2
VAC 1
SHAFT
HEAD1 BLOW
HEAD10 BLOW
HEAD9 BLOW
HEAD8 BLOW
HEAD7 BLOW
HEAD6 BLOW
HEAD5 BLOW
HEAD4 BLOW
HEAD3 BLOW
HEAD2 BLOW HEAD2 VACUUM
HEAD3 VACUUM
HEAD4 VACUUM
HEAD5 VACUUM
HEAD6 VACUUM
HEAD7 VACUUM
HEAD8 VACUUM
HEAD9 VACUUM
HEAD10 VACUUM
HEAD1 VACUUM
SHAFT BLOW
1
2
3
4
5
6
7
8
9
10
11
12 N.C.
VAC PRE.
FLOW1
FLOW2
FLOW3
FLOW4
FLOW5
FLOW6
FLOW7
FLOW8
FLOW9
FLOW10
SQ211
SQ212
SQ213
SQ214
SQ215
SQ216
SQ217
SQ218
SQ219
SQ220
SQ221
AIR FLOW1 HEAD 1
AIR FLOW SENSOR
AIR FLOW SENSOR
AIR FLOW SENSOR
AIR FLOW SENSOR
AIR FLOW SENSOR
AIR FLOW SENSOR
AIR FLOW SENSOR
AIR FLOW SENSOR
AIR FLOW SENSOR
AIR FLOW SENSOR
HEAD 2
HEAD 3
HEAD 4
HEAD 5
HEAD 6
HEAD 7
HEAD 8
HEAD 9
HEAD 10
VACUUM
PRESSURE
YV219
YV217
YV215
YV213
YV211
YV229
YV227
YV225
YV223
YV221
YV218
YV216
YV214
YV212
YV228
YV226
YV224
YV222
YV220
YV230
YV231
HEAD1 BLOW
HEAD10 BLOW
HEAD9 BLOW
HEAD8 BLOW
HEAD7 BLOW
HEAD6 BLOW
HEAD5 BLOW
HEAD4 BLOW
HEAD3 BLOW
HEAD2 BLOW
HEAD2 VACUUM
HEAD3 VACUUM
HEAD4 VACUUM
HEAD5 VACUUM
HEAD6 VACUUM
HEAD7 VACUUM
HEAD8 VACUUM
HEAD9 VACUUM
HEAD10 VACUUM
HEAD1 VACUUM
SHAFT BLOW
Item nameItem No.
T1300700
T1300701
T1300702
T1300703
T1300704
T1300705
T1301700
T1301701
T1301702
T1301703
T1301704
T1302700
T1302701
T1302702
T1302703
T1302704
T1302705
T1303700
T1303701
T1303702
T1303703
HEAD A
T1304705
T1304704
T1304703
T1304702
T1304701
T1304700
T1305704
T1305703
T1305702
T1305701
T1305700
T1306705
T1306704
T1306703
T1306702
T1306701
T1306700
T1307703
T1307702
T1307701
T1307700
HEAD B
T1308705
T1308704
T1308703
T1308702
T1308701
T1308700
T1309704
T1309703
T1309702
T1309701
T1309700
T130A705
T130A704
T130A703
T130A702
T130A701
T130A700
T130B703
T130B702
T130B701
T130B700
HEAD C
T130C705
T130C704
T130C703
T130C702
T130C701
T130C700
T130D704
T130D703
T130D702
T130D701
T130D700
T130E705
T130E704
T130E703
T130E702
T130E701
T130E700
T130F703
T130F702
T130F701
T130F700
HEAD D
HEAD Position
The I/O Address table of MU HEAD
See Page 12,13
CC.V4
15
MU HEAD
YSM40-4

Confidential & Proprietary
PAGE
HEAD IO CN7,8
DO OUT
HEAD PANEL MOUNT
LAN
HEAD
HEAD POW CN3
P.SIG
HEAD IO CN6
DO1
LAN
DO OUT
P.SIG
DO1
CN7 DO
CN6 S-POWER
CN1OPTION IF
ETHER INCN8A
ETHER OUTCN8B
CN3 DI1
CN2VAC
J0555
J0554
J0552
SRV BOARD ASSY P081
HEAD SERVO UNIT ASSY
HEAD1 VACUUMYV242
HEAD1 BLOW
SHAFT1 BLOW
VAC 1
BLOW 1
YV241
YV243
SHAFT 1
BLOW 2
HEAD2 BLOW
HEAD2 VACUUM
SHAFT2 BLOW
VAC 2
YV244
YV245
YV246
SHAFT 2
CN1 AIR MACS BOARD ASSY
CN1 AIR MACS BOARD ASSY
AIR MACS LEFT
AIR MACS RIGHT
MACS1
MACS2
P084
P085
J0556
J0560
HS1 CN1
HS1 CN6
HS1 CN7
CN5DI2
HEAD POW CN1
P+48V P+48V
MOTOR 1 CN1MOTOR POW
MOTOR 2
CN1INC ENC 1
CN2INC ENC 2
CN3
CN4
BATTERYCN8
CN5
CN4
SER ENC1
SER ENC2
CN5 FAN
FAN
FL HEAD FAN
J0551
FAN 43
DRV BOARD ASSY P082
ENC BOARD ASSY P083
M53
M54
R1
R2
J0558
HD1 CN1
HD1 CN4
HE1 CN1
HE1 CN4
HD1 CN5
M51
Z1
M52
Z2
□42 MAX 4500rpm
□42 MAX 4500rpm
Z2-AXIS 60W
Z1-AXIS 60W
J0557
1
2
3
FLOW1
FLOW2
VAC PRE.
HEAD 1 AIR FLOW SENSOR
HEAD 2 AIR FLOW SENSOR
SQ231
SQ232
SQ233 VACUUM PRESSURE
J0553HS1 CN2
HS CN5 J0559
R1-AXIS ORIGIN
R2-AXIS ORIGIN
SQ234
SQ235
1
2
AIR FLOW1
R ORG R1ORG
R2ORG
R1-AXIS 30W
R2-AXIS 30W
□40 MAX 4000rpm
□40 MAX 4500rpm
Item nameItem No.
SQ234 R1-AXIS ORIGIN
HEAD A HEAD B HEAD C HEAD D
HEAD Position
R2-AXIS ORIGINSQ235
YV241
YV242
YV243
YV244
YV245
YV246
HEAD1 VACUUM
HEAD1 BLOW
HEAD2 VACUUM
HEAD2 BLOW
N1301005
N1301006
T1300705
T1300703
T1300704
HEAD SHAFT2
HEAD SHAFT1 T1300702
T1300700
T1300701 T130C701
T130C700
T130C702
T130C704
T130C703
T130C705
T1308701
T1308700
T1308702
T1308704
T1308703
T1308705
T1304701
T1304700
T1304702
T1304704
T1304703
T1304705
N130D006
N130D005
N1309006
N1309005
N1305006
N1305005
The I/O Address table of FL HEAD
See Page 12,13
CC.V4
16
FL HEAD
YSM40-4

Confidential & Proprietary
PAGE
J0320
J0709
CN4 +24V
CN8 POCL
MULTI CAM2 BRD.ASSY
CN7CAM I/F
MULTI CAM.ASSY
CN7
CN9 VAL
CHANGE
COPLA
COPLA TYPE
COPLA
MULTI TYPE
MULTI
COAX8
M.LIGHT COAX ASSY
CN8 M.CAM CN7SENS
VAL CN9
CN4 +24V
CN8 POCL
MULTI CAM2 BRD.ASSY
CN7CAM I/F
CAM
MULTI+COPLA CAM.ASSY
CN4 +24V
CN8 POCL
MULTI CAM2 BRD.ASSY
CN7CAM I/F
MULTI UNIT
SIDE VIEW UNIT
CN11 DC24V
SV CN1
CN1 CAM_SEL
S.V.LIGHT BRD ASSY
CN1 CPU J-TAG
CN2 FPGA J-TAG
CN3 RS-232C
CN5 CAMOUT
CN4CAM1
CN7LIGHT1
CN7
CN9 VAL
CHANGE
COPLA
COPLA TYPE
COPLA
MULTI TYPE
MULTI
COAX8
M.LIGHT COAX ASSY
CN8 M.CAM CN7SENS
VAL CN9
CN4 +24V
CN8 POCL
MULTI CAM2 BRD.ASSY
CN7CAM I/F
CAM
SIDE VIEW UNIT
CN11 DC24V
SV CN1
CN1 CAM_SEL
S.V.LIGHT BRD ASSY
CN1 CPU J-TAG
CN2 FPGA J-TAG
CN3 RS-232C
CN5 CAMOUT
CN4CAM1
CN7LIGHT1
MULTI+COPLA UNIT
MULTI+SIDE VIEW CAM.ASSY
MULTI+COPLA+SIDE VIEW CAM.ASSY
MULTI1
MULTI A
MULTI A
MULTI1
MULTI1
MULTI A
MULTI1
MULTI A
MULTI1
MULTI A
SELECT PARTS CAMERA
TABLE A
TABLE A PARTS CAMERA SEL.
J0981 J0982
J0983
J0981 J0982
J0983
D.CAM25
D.CAM25
P161
P161
P162
P161
P164
P164
P161
P162
P163
P163
SQ161
SQ162
SQ163
SQ164
SQ163
SQ164
SQ161
SQ162
YV161
YV162
YV161
YV162
N0100460
N0100461
T01000E4
HEAD A
HEAD A
T01000E4
N0100461
N0100460
J0775
LIGHT1
J0791
J0791
LIGHT1
J0775
J0731
J0731
J0326
J0321
J0321
J0326
SIDE A
SIDE A
J0735
J0735
J0320
CN4 +24V
CN8 POCL
MULTI CAM2 BRD.ASSY
CN7CAM I/F
MULTI CAM.ASSY
CN7
CN9 VAL
CHANGE
COPLA
COPLA TYPE
COPLA
MULTI TYPE
MULTI
COAX8
M.LIGHT COAX ASSY
CN8 M.CAM CN7SENS
VAL CN9
CN4 +24V
CN8 POCL
MULTI CAM2 BRD.ASSY
CN7CAM I/F
CAM
MULTI+COPLA CAM.ASSY
CN4 +24V
CN8 POCL
MULTI CAM2 BRD.ASSY
CN7CAM I/F
MULTI UNIT
SIDE VIEW UNIT
CN11 DC24V
SV CN1
CN1 CAM_SEL
S.V.LIGHT BRD ASSY
CN1 CPU J-TAG
CN2 FPGA J-TAG
CN3 RS-232C
CN5 CAMOUT
CN4CAM1
CN7LIGHT1
MULTI+SIDE VIEW CAM.ASSY
MULTI+COPLA+SIDE VIEW CAM.ASSY
SELECT PARTS CAMERA
LIGHT1
J0321
TABLE C
TABLE C PARTS CAMERA SEL.
MULTI C
MULTI2
MULTI2
MULTI C
MULTI C
MULTI2
J0984 J0985
J0986
SQ165
SQ166
SQ167
SQ168
YV163
YV164
MULTI2
MULTI C
P165
P165
P166
P165
HEAD C
J0776
J0793
SV2 UP
SV2 LOW
SV2 UP
D.CAM26
SV1 UP
SV1 LOW
SV1 UP
SV1 LOW
SV1 UP SIDE VIEW 1 UP
SIDE VIEW 1 LOW
SIDE VIEW 1 UP
SIDE VIEW 1 UP
SIDE VIEW 1 LOW
SIDE VIEW 1 UP
J0736
J0327
J0733 SIDE C
P167
P168
SIDE VIEW UNIT
CN11 DC24V
SV CN1
CN1 CAM_SEL
S.V.LIGHT BRD ASSY
CN1 CPU J-TAG
CN2 FPGA J-TAG
CN3 RS-232C
CN5 CAMOUT
CN4CAM1
CN7LIGHT1
LIGHT1
J0321
SQ167
SQ168
YV164
HEAD C
J0776
J0793
SV2 UP
SV2 LOW
SV2 UP
D.CAM26
J0736
J0327
J0733 SIDE C
P167
P168
CN7
CN9 VAL
CHANGE
COPLA
COPLA TYPE
COPLA
MULTI TYPE
MULTI
COAX8
M.LIGHT COAX ASSY
CN8 M.CAM CN7SENS
VAL CN9
CN4 +24V
CN8 POCL
MULTI CAM2 BRD.ASSY
CN7CAM I/F
CAMMULTI2
MULTI C
J0984 J0985
J0986
SQ165
SQ166
YV163
P165
P166
MULTI+COPLA UNIT
J0711
CAMOUT C
BASE CAMERA SELECTOR C
CSEL C PWR
CSEL C PWR
CAMOUT C
SV C
SV CSV A
SV A
CSEL A PWR
CAMOUT A
CAMOUT A
CSEL A PWR
CN9LIGHT2
CN9LIGHT2
CN9LIGHT2
CN9LIGHT2
CN6CAM2
CN6CAM2
CN6CAM2
CN6CAM2
CN8CAM3
CN8CAM3
CN8CAM3
CN8CAM3
J0792
J0792 J0794
J0794
LIGHT2
LIGHT2 LIGHT2
LIGHT2
CN10LIGHT3
CN10LIGHT3
CN10LIGHT3
CN10LIGHT3
J0771
J0771 J0772
J0772
V1 CAM2 J0701 J0703V2 CAM2
J0703V2 CAM2V1 CAM2 J0701
BASE CAMERA SELECTOR A
BASE CAMERA SELECTOR A
A CAM3
A CAM3 C CAM3
C CAM3
A LIGHT3
A LIGHT3 C LIGHT3
C LIGHT3
SV1 UP
SIDE VIEW CAMERA 1
SIDE VIEW CAMERA 1
T01000E6
T01000E6
SIDE VIEW 2 UP
SIDE VIEW 2 UP
SIDE VIEW 2 LOW
SIDE VIEW 2 UP
SIDE VIEW 2 LOW
SIDE VIEW 2 UP
SIDE VIEW CAMERA 2
SIDE VIEW CAMERA 2
N0100470
N0100471
N0100471
N0100470
CN45
I/O CONVEYOR -3-
SYSTEM C/R
I/O CONVEYOR -1-
CN45
I/O CONVEYOR -3-
SYSTEM C/R
I/O CONVEYOR -1-
SYSTEM C/R
CN40
I/O CONVEYOR -3-
VIS1 CAM1
HEAD -1-
HEAD A CAMSEL
HEAD A CAMSEL
HEAD -1-
VIS1 CAM2
VIS1 CAM2
CN17
CN17
CN45
I/O CONVEYOR -3-
SYSTEM C/R
I/O CONVEYOR -1-
SYSTEM C/R
CN40
I/O CONVEYOR -3-
HEAD -1-
VIS2 CAM1
HEAD C CAMSEL
VIS2 CAM2
CN18
CN45
I/O CONVEYOR -3-
SYSTEM C/R
I/O CONVEYOR -1-
HEAD -1-
HEAD C CAMSEL
VIS2 CAM2
CN18
BASE CAMERA SELECTOR C
See Page 10
See Page 6
See Page 12
See Page 10
See Page 8
See Page 6
See Page 6
See Page 8
See Page 10
See Page 12
See Page 6
See Page 8
See Page 10
See Page 12
See Page 12
See Page 6
See Page 8
See Page 10
See Page 6
See Page 10
CC.V4
17
TABLE A/C CAMERA UNIT SEL.
YSM40-4