YSM40-000_cwd_je.pdf - 第5页

Confidential & Proprietary P A G E 1 2 3 POWER DRIVE MOTOR AC230V : 1 2 3 CONTRO L AC100V : A02 SERVO CONTROL BOX1 S1 AC230V S1 AC100V 1 2 3 POWER DRIVE MOTOR AC230V : S2 AC230V SERVO CONTROL BOX2 1 2 3 CONTRO L AC10…

100%1 / 33
Confidential & Proprietary
PAGE
XB11
Terminal
Main Switch
QS11 40A
3∼ 3∼
Main Breaker
QF11 40A
POWER TRANSFORMER
Transformer
TERMINAL
TM11
3∼ AC230V
3∼ AC212V
1∼ AC110V
3∼ AC230V
Circuit
Protector
QF31 set10A
Power Supply
GS31 600W 12.5A
NF11
Filter
QF51 10A
KM11/KM11A
Contactor
Contactor
KM13/KM13A
Contactor
KM12/KM12A
Contactor
KM14/KM14A
Contactor
KM15/KM15A
QF52 3A
3∼ AC230V
DC48V
DC48V DC48V DC48V
DC48V
DC48V
POWER CIRCUIT
Power Supply
DC24V1DC24V1
GS21 600W 27A QF41 20A
3∼ AC230V
3∼ AC230V
Z,R MOTOR
SENSOR,VALVE
QF44 3A
DC24V2
DC24V1
MKY
CV,W MOTOR
SENSOR
BATTERY
Z,R MOTOR
SENSOR,VALVE
Z,R MOTOR
SENSOR,VALVE
SENSOR,VALVE
Z,R MOTOR
Noise
DC48V
DC48V
I/O CONVEYOR BOARD
HEAD UNIT A
DC48V
DC24V1
ECAT
IONIZER ASSY(OPTION)
DC24V2
F.FDR SET ST.(OPTION)
DC24V2
R.FDR SET ST.(OPTION)
DC24V2
MKY
DC24V2
MKY
BARCODE READER(OPTION)
USB MEMORY
CONVEYOR CONTROLLER
DC48V
DC24V1
ECAT
ECAT
HEAD UNIT D
DC48V
DC24V1
ECAT
HEAD UNIT C
DC48V
DC24V1
ECAT
DC48V
ECAT
DC24V1
HEAD UNIT B
COVER S/W
SIGNAL TOWER
EMG S/W
SENSOR
VALVE
FAN
Each
Motors
Each
Motors
INPUT:
OUTPUT:
DRIVER
3∼ 200V 0-375Hz
MOTOR :3∼ 230V
CONTROL:1∼ 110V
INPUT:
OUTPUT:
DRIVER
3∼ 200V 0-375Hz
MOTOR :3∼ 230V
CONTROL:1∼ 110V
ECAT
ECAT
ECAT
ECAT
INPUT:
CONTROL:1∼ 110V
ECAT
ECAT
ECAT
ECAT
SERVO CONTROL BOX 2
SERVO CONTROL BOX 1
SYSTEM CONTROL BOX
Protector
QF32 set2.5A
3∼ AC212V
VACUUM
PUMP
400W
Circuit
QF22 7A
QF21 7A
1∼ AC110V
1∼ AC110V
FES46
FES46
See Page 2,3
2:1.50KW(TOTAL)
2:1.50KW(TOTAL)
AC50/60Hz 2.0A(MAX)
AC50/60Hz 10.4A(MAX)
AC50/60Hz 2.0A(MAX)
AC50/60Hz 10.4A(MAX)
Safety Relay
M19
PARTS CAMERA UNIT SEL.
R ADAPTER PARTS SUPPLY
F ADAPTER PARTS SUPPLY
A02
A03
Circuit
Protector
QF33 set2.5A
3∼ AC212V
VACUUM
PUMP
400W
M20
(6-10A)
(2.5-4A)
(2.5-4A)
QF54 5A
QF55 5A
TOUCH LCD
USB KEY/MS(OPTION)
MKY
MKY
MKY
A01
Contactor
KM16/KM16A
DC24V2
Power Supply
GS22 600W 25A
DC24V2 DC24V2
QF42 7A
Circuit
Protector
QF34 3A
1∼ AC212V
Contactor
KM17/KM17A
QF43 7A
DC24V2 DC24V2
1:3.80KW(TOTAL)
1:3.80KW(TOTAL)
380/400/416V
200/208/220/240
3∼ 50/60Hz
Rating 13.9KVA MAX
EMERGENCY CIRCUIT
KM10
K1
CH1 CH2
K2
See Page 4-5
See Page 7
See Page 7
HS HEAD See Page 14
MU HEAD See Page 15
FL HEAD See Page 16
HS HEAD See Page 14
MU HEAD See Page 15
FL HEAD See Page 16
HS HEAD See Page 14
MU HEAD See Page 15
FL HEAD See Page 16
HS HEAD See Page 14
MU HEAD See Page 15
FL HEAD See Page 16
See Page 6
See Page 19
See Page 19
See Page 17,18
See Page 10
See Page 10
See Page 20
CN1-CN19 …Page 8
CN20-CN30 …Page 9
CN31-CN45 …Page 10
See Page 6
See Page 21
3∼ 7KVA
1∼ 2KVA
CC.V4
1
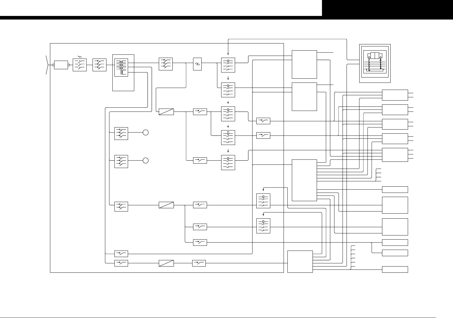
OVER VIEW
YSM40-4
Confidential & Proprietary
PAGE
1
2
3
POWER
DRIVE
MOTOR
AC230V:
1
2
3
CONTROL
AC100V:
A02
SERVO CONTROL BOX1
S1 AC230V
S1 AC100V
1
2
3
POWER
DRIVE
MOTOR
AC230V:
S2 AC230V
SERVO CONTROL BOX2
1
2
3
CONTROL
AC100V:
A03
S2 AC100V
1
2
3
CONTROL
AC100V:
A1
B1
A2
B2
A3
B3
A4
B4
A5
B5
A6
B6
A7
B7
A8
B8
A9
B9
A10
B10
A01
RASIF RAS
SYSTEM CONTROL BOX
SYS AC100V
J0207
EMERGENCY CIRCUIT
EMERGENCY CIRCUIT
PE
PE
L1
L1
L2
L3
L2
L3
J0651
J0002
XB11
≧AWG10
(5.5sq)
MAX600V/40A
S2
R2
J0019
J0020
J0021
J0022
J0023
J0024
J0025
W
V
U
230V
230V
230V
0V
190V
200V
208V
220V
240V
0V
190V
200V
208V
220V
240V240V
220V
208V
200V
190V
0V
240V
220V
208V
200V
190V
0V
240V
220V
208V
200V
190V
0V
240V
220V
208V
200V
190V
0V
N
0V
0V
110V
110V
212V
212V
212V
110V 2KVA
TM11
212V/230V 7KVA
L1
L2
L3
S2
T2
R2L1
L2
L3
T2
T3
T1
QF11
NOTE:
R1
S1
T1
J0001
MAX690V/40A
J0001
BRACKET
MAIN SWITCH
QS11
R1
S1
T1
Icu≧7.5kA(AC440V)
E01E35
2TURN
2TURN
E36
2TURN
E37
V53
V53
V55
V53 V57
U53
U53
U53
W53
W53
W53 W57
U57
U55
W55
KM11
J0006
J0008
KM13
3/L2 4/T2
5/L3
1/L1 2/T1
6/T3
MAX690V/12A
3/L2 4/T2
6/T3
2/T11/L1
5/L3
MAX690V/12A
NF11
MAX500V/20A
J0005
11
2 2
3 3
PUMP1
J0013
VACUUM PUMP 1
VACUUM
PUMP
400W
11
2 2
3 3
VACUUM
PUMP
400W
VACUUM PUMP 2
PUMP2
J0015
V53
U53
W53
V51
U51
W51
J0655
J0036
J0035
M19
M20
E
6 3
25
4 1
J0007
T2
W50
V50
U50
W60
V60
U60
V10
U10
J0017
J0018
11
2 2
3 3
PUMP1J0012
11
2 2
3 3
PUMP2J0014
J0004
J0016
J0003
set 2.5A
set 2.5A
V60
J0009
J0010
V60
V60
QF34 3A
U60
U60
W60
W60
U60
W60
U60
J0011
U65
W63
V63
U63
W61
V61
U61
U60
J0026
J0652
J0653
J0654
U51
V51
W51
U51
U50
V50
W50
set 10A
J0031
U10
QF21 7A
QF22 7A
V10
V10
MAX600V/30A
J0033
V10
XT21
U11A
U11A
V10
V10
V10
U11B
J0034
J0032
J0657
QF31 (6-10A)
QF32 (2.5-4A)
QF33 (2.5-4A)
POWER CIRCUIT -2-
GS22
POWER CIRCUIT -2-
GS31
POWER CIRCUIT -2-
GS21
See Page 3
See Page 3
See Page 3
1
2
1
2
1
2
1
2
+5V
+5V
BARCODE READER(OPTION)
J0923
J0924
FRONT
A41
REAR
A42
!
and MAIN SW QS11.
・Secondary side of UPS.
*
High Voltage
when MAIN SW QS11 is OFF.
Residual risk
・Between INCOMING SUPPLY TERMINAL BLOCKS XB11 and MAIN SW QS11.
・Near the MAIN SW QS11.
・Around J0001 harness.
・Lower of INCOMING SUPPLY TERMINAL BLOCKS XB11.
that might be gotten an electric shock.
*The charge mark is put on the place
・On the cover under the rear left side.
・On the cover under the front center.
・On the cover under the rear center.
・On the cover under the front left side.
・On the cover under the front right side.
・On the cover under the front center the right side.
E38
1TURN
1TURN
E39
FRONT
LCD1
LCD
LCD2
REAR
TOUCH PANEL MONITOR
LCD
See Page 4-5
See Page 4-5
See Page 7
See Page 7
See Page 6
See Page 21
T1
T2
T3
L1
L3
L2
MAX690V/40A
U10
V10
QF21
XT21
J0912
J0914
J0031 UPS IN
QF61 15A
U10A
V10A
J0913
UPS IN
UPS ASSY GB1
DRY CONTACT CARD
REPO+
REPO-
RSD+
RSD-
P1
P2
P3
P4
P5
P6
P7
P8
REPO+
REPO-
RSD+
RSD-
P1
P2
P3
P4
UPS OUT
UPS OUT
J0911
Input Abnormal
Low Battery
UPS Alarm
On Bypass
1
2
1
2
3
4
5 5
4
3
UPS SIG
1
2
1
2
3 3
UPS RMT
U10B
V10B
At the UPS specification(OPTION)
0V
0V
110V
110V
TM11
U10B
V10B
33 34
41 42 4241
QS11A *1
Note : *1(Auxiliary contact) is attached to the QS11.
W51
W60
W60 W65
CC.V4
2
POWER CIRCUIT -1-
YSM40-4
Confidential & Proprietary
PAGE
B10 B10
B8 B8
A8A8
A6 A6
B6B6
A1 A1
HP CN2
+48V
GND+48V
+24V
GND+24V
CN2
B10 B10
B8 B8
A8A8
A6 A6
B6B6
A1 A1
HP CN2
A1
B1
A1
B1
+48V
GND+48V
+24V
GND+24V
CN2
B10 B10
B8 B8
A8A8
A6 A6
B6B6
A1 A1
HP CN2
+48V
GND+48V
+24V
GND+24V
CN2
J0075
J0076
J0077
B10 B10
B8 B8
A8A8
A6 A6
B6B6
A1 A1
HP CN2
+48V
GND+48V
+24V
GND+24V
CN2J0078
A3
B3 B3
A3
A1
B1
A1
B1
A3
B3 B3
A3
A1
B1
A1
B1
A3
B3 B3
A3
A1
B1
A1
B1
A3
B3 B3
A3
J0071
J0072
J0073
J0074
1
2
1
2
6 6
HC+48V
1
2
1
2
HA+48V
6 6
1
2
1
2
6 6
HB+48V
1
2
1
2
6 6
HD+48V
0V48
0V48
0V48
0V48
0V48
0V48
0V48
XT31
MAX600V/15A
0V48
0V48 0V48
MAX600V/15A
XT32
J0065 J0066
J0067
J0068
J0069
+48VC
+48VD
+48VF
+48VF
+48VG
+48VG
+48V
GND+48V
+24V
GND+24V
CN2CVP CN2
CV C/R POW BOARD ASSY
J0070
A1
B1
A1
B1
A3
B3 B3
A3
1
2
1
2
CV+24VJ0046
I/O CONVEYOR BOARD ASSY
1
2
1
2
CN1
1
2
1
2
HA+24V
1
2
1
2
HC+24V
1
2
3
4
1
2
3
4
CN43 CN43 J0044
1
2
3
4
1
2
3
4
J0045
1
2
F FDR PWR
1
2
R FDR PWR
J0050
P021
P091
P047
P041
P044
P050
1
2
1
2
1
2
1
2
HB+24V
HD+24V
HEAD A POW BOARD ASSY
HEAD B POW BOARD ASSY
HEAD C POW BOARD ASSY
HEAD D POW BOARD ASSY
CN1
1
2
1
2
CN41CN41
CN44CN44
XP/H POW
XP/H POW
XP/H POW
XP/H POW
POWER CIRCUIT -1-
QF31
U51
POWER CIRCUIT -1-
QF22/XT21
U11B
V10
GS21
U11B
V10
600W 27A
0V24A
+24VA
J0041
J0660
J0034
J0659
J0061
600W 12.5A
Peak 41.5A 10sec
+48V
0V48
U51
J0656
J0026
QF34
U65
600W 25A
Peak 83A 10sec
U65
0V24B
+24VB
GS22
J0042
J0016
J0661
J0662
POWER CIRCUIT -1-
See Page 2
See Page 2
See Page 2
0V48
J0658
+48V
+48V
+48VA
+48VB
XT41
0V24A
0V24A0V24A
+24VA +24VA1
MAX600V/30A
+48VA
KM12
KM14
KM15
+48VA
+48VB
+48VC
+48VD
+48VE
KM16 73
KM16 83
+24VB +24VB1
+24VB2
J0049
J0047
EMERGENCY CIRCUIT
EMERGENCY CIRCUIT
KM17 73
KM17 83
1
2
1
2
FDR 0V
+24VB3
+24VB3
0V24B
XT42
0V24B
0V24B
MAX600V/30A
0V24B
0V24B
0V24B
+24V
GND+24V
1
2
1
2
+24V
GND+24V
1
2
1
2
1
2
1
2
1
2
1
2
F FDR ST
R FDR ST
F FDR ST BOARD ASSY(OPTION)
R FDR ST BOARD ASSY(OPTION)
J0051
J0052
J0053
J1001
J1007
J0048
EMERGENCY CIRCUIT
EMERGENCY CIRCUIT
EMERGENCY CIRCUIT
CN1 CN1
CN1CN1
MAX690V/12A
MAX690V/12A
MAX690V/12A
KM16A
KM17A
KM16 74
KM16 84
KM17 74
KM17 84
P181
P183
J0062
0V48
GS31
+48V
J0080
C01
+-
8200μF 80V
+48V
1
2
FDR PWR
J1102 J1104
1
2
3
4
5
10
11
1
2
3
4
5
10
11
PWR PWR
1
2
+24V
GND+24V
1
2
CN47
CN47
FDR CTRL BOARD ASSY
P031
FES46
J0064
J0043
J0063
See Page 12
See Page 13
See Page 12
See Page 13
See Page 6
See Page 19
See Page 8-10
See Page 10
See Page 10
See Page 4-5
See Page 4-5
See Page 4-5
See Page 4-5
See Page 4-5
W51
W51
W65 W65
+24V
+24V-42
+24V-45
+24V-46
+24V-47
+24V-48
QF51 10A
QF52 3A
QF41 20A
5/L3
3/L2
1/L1 2/T1
4/T2
6/T3
5/L3
3/L2
1/L1 2/T1
4/T2
6/T3
5/L3
3/L2
1/L1 2/T1
4/T2
6/T3
QF42 7A
QF43 7A
73
83 84
74
73
83 84
74
QF44 3A
L
N
FG
-
-
+
+
QF54 5A
QF55 5A
L
N
FG
+
+
-
-
L
N
FG
-
-
+
+
CC.V4
3
POWER CIRCUIT -2-
YSM40-4