YSM40-000_cwd_je.pdf - 第9页
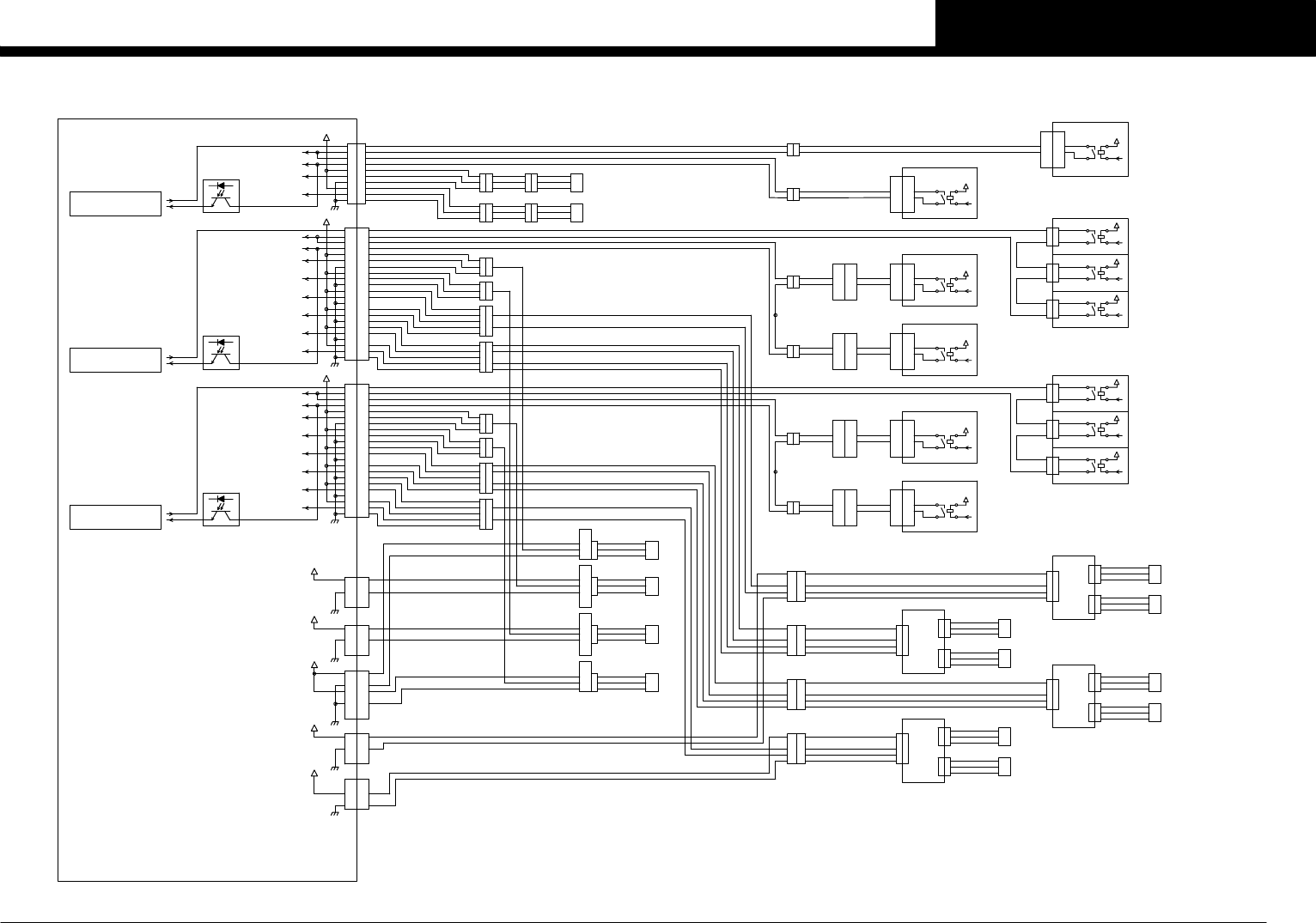
Confidential & Proprietary P A G E J0921 BATT IN CN1 BATT OUT CN2 BATT IN CN1 BATT OUT CN2 POWER CIRCUIT -2- DC48V CN2 CN4 CVP CN2 CN1 CN3 CVP CN3 CN6 DO0 CN7 DO1 CN8 CV C/R I/O UNIT ASSY CVP CN1 CN7 DO CN6 S-P OWER …

Confidential & Proprietary
PAGE
EMERGENCY
CIRCUIT -1-
EMERGENCY
CIRCUIT -1-
EMERGENCY
CIRCUIT -1-
FR GOOD IN
FR GOOD OUT
F GOOD OUT
F GOOD IN
R GOOD OUT
R GOOD IN
2
3
4
5
6
7
8
9
10
1
2
3
4
5
6
7
8
9
10
1
A1
B1
A2
B2
A3
B3
A1
B1
A2
B2
A3
B3
A5A5
A4 A4
B4B4
B6B6
B5
A6
B5
A6
A8
B8
A9
B9
A8
B8
A9
B9
A7
B7 B7
A7
A11
B11
A11
B11
A10
B10 B10
A10
CN33
+24V-32
CN33
CN31 CN31
+24V-30
A1
B1
A2
B2
A3
B3
A1
B1
A2
B2
A3
B3
A5A5
A4 A4
B4B4
B6B6
B5
A6
B5
A6
A8
B8
A9
B9
A8
B8
A9
B9
A7
B7 B7
A7
A11
B11
A11
B11
A10
B10 B10
A10
+24V-31
CN32 CN32
3
2
1
3
2
1
3
2
1
3
2
1
4
5
4
5
3
2
1
3
2
1
4
5
4
5
XA OT
XC OT
3
2
1
3
2
1
YA OT
YC OT
3
2
1
YR SAFE
3
2
1
3
2
1
3
2
1
YL SAFE
3
2
1
3
2
1
3
2
1
3
2
1
4
5
4
5
3
2
1
3
2
1
4
5
4
5
3
2
1
3
2
1
YB OT
YD OT
XB OT
XD OT
3
2
1
3
2
1
3
2
1
3
2
1
YR SAFE
YL SAFE
1
2
1
2
HA EMG
1
2
1
2
HC EMG
1
2
1
2
CV EMG
1
2
1
2
1
2
1
2
HB EMG
HD EMG
1
2
1
2
IF GOOD
A1A1
・ ・
・ ・
A7A7
B7B7
B10B10
A1A1
・ ・
・ ・
A7A7
B7B7
B10B10
A1A1
・ ・
・ ・
A7A7
B7B7
B10B10
A1
・ ・
・ ・
A7A7
B7B7
B10B10
GOOD
A1A1
GOOD
B1
A2
B2
A3
B3 B3
A3
B2
A2
B1
A1A1
B1
A2
B2
A3
B3 B3
A3
B2
A2
B1
GOOD
A1A1
B1
A2
B2
A3
B3 B3
A3
B2
A2
B1
CVP CN2
GOOD
GOOD
A1A1
B1
A2
B2
A3
B3 B3
A3
B2
A2
B1
1
・
8
9
10 10
9
8
XA DI
1
・
8
9
10 10
9
8
XC DI
1
・
8
9
10 10
9
8
1
・
8
9
10 10
9
8
XD DI
XB DI
7
8
-
7
8
-
A
B
C
A
B
C
7
+
・
+
・
JB7 X OT1
A
B
C
A
B
C
8 JB8 X OT2
7
8
-
7
8
-
A
B
C
A
B
C
+
・
+
・
JB7 X OT1
A
B
C
A
B
C
JB8 X OT2
IN
IN
7
8
XC OT-1
XC OT-2
XD OT-1
XD OT-2
1
2
3
GOOD
1
2
3
1
2
3
GOOD
1
2
3
SRV1 GOOD
1
2
3
GOOD
1
2
3
SRV2 GOOD
GOOD
A1
B1
A2
B2
・
B10
A1
B1
A2
B2
・
B10
1
2
3
GOOD
1
2
3
SRV3 GOOD
1
2
3
GOOD
1
2
3
SRV4 GOOD
1
2
3
GOOD
1
2
3
7
8
-
7
8
-
A
B
C
A
B
C
+
・
+
・
JB7 X OT1
A
B
C
A
B
C
JB8 X OT2
7
8
-
7
8
-
A
B
C
A
B
C
+
・
+
・
JB7 X OT1
A
B
C
A
B
C
JB8 X OT2
IN
IN
7
8
8
7 XA OT-1
XA OT-2
XB OT-1
XB OT-2
I/O CONVEYOR BOARD ASSY P021
PC1
XT75
XT76
XT77
XT78
SYSTEM CONTROL BOX A01
SERVO CONTROL BOX-1 A02
SERVO CONTROL BOX-2 A03
HEAD A POW BOARD ASSY
HEAD C POW BOARD ASSY
HEAD B POW BOARD ASSY
HEAD D POW BOARD ASSY
P041
P091
D.POWER BOARD
D.POWER BOARD
SERVO BOARD 2
SERVO BOARD 3
SERVO BOARD 4
SERVO BOARD 1
P044
P047
P050
SQ025
SQ026
SQ027
SQ028
SQ029
SQ030
SQ031
SQ032
SQ033
SQ034
SYS C/R GOOD/N0100433
CV C/R GOOD/N0100434
YR SAFE/N0100441
YL SAFE/N0100442
SRV C/R1 GOOD/N0100435
FRONT HEAD GOOD/N0100436
SRV C/R2 GOOD/N0100437
REAR HEAD GOOD/N0100440
YA OT/N0100443
YC OT/N0100444
XA OT-1/N0100445
XA OT-2/N0100446
XC OT-1/N0100447
XC OT-2/N0100450
YB OT/N0100451
YD OT/N0100452
XB OT-1/N0100453
XB OT-2/N0100454
XD OT-1/N0100455
XD OT-2/N0100456
CV C/R POW BOARD ASSY
CN2
CN2
CN2
CN2
CN2
HP CN2
HP CN2
HP CN2
HP CN2
See Page 4
See Page 4
See Page 4
PC2
PC3
DPOW GOOD
DPOW GOOD
Y SAFE
Y SAFE
X JUNC IN
X JUNC IN
X JUNC IN
X JUNC IN
XP/H POW
XP/H POW
XP/H POW
XP/H POW
IF RAS
REMOTE IF BOARD
JUNCTION BOX
JUNCTION BOX
JUNCTION BOX
JUNCTION BOX
RAS
GOOD
GOOD
GOOD
GOOD
GOOD
GOOD
B3 B3
A3A3
B2 B2
A2A2
B1 B1
A1A1A1
1
・
1
・
1
・
1
・
A1
B2
・
A2
C2
A
B
C
YA OT
SQ021
Y OT
YA OT
A1A1
・
・・
・
CN7 CN7
A11 A11
B13 B13
+24V-8
A1
B2
・
A2
C2
・
A1A1
・
・・
・
B13 B13
+24V-9
A11 A11
CN8 CN8
A1
B2
・
A2
C2
・
A1
B2
・
A2
C2
A
B
C
YB OT
SQ022
A
B
C
YC OT
SQ023
A
B
C
YD OT
SQ024
YB OT
YC OT
YD OT
Y OT
Y OT
Y OT
C4
C4
A1A1
・
A8A8
・
B17
・
B17
・
CN4 CN4
+24V-6
A1A1
・
・・
・
B8 B8
B15 B15
+24V-7
CN5 CN5
B5 B5
B10
B10
A1 A1
CN9 CN9
・ ・
A5 A5
B9 B9
A10A10
・ ・
+24V-10
CC.V4
5
EMERGENCY CIRCUIT -2-
YSM40-4

Confidential & Proprietary
PAGE
J0921
BATT INCN1
BATT OUTCN2
BATT INCN1
BATT OUTCN2
POWER CIRCUIT -2-
DC48V CN2 CN4
CVP CN2
CN1
CN3
CVP CN3
CN6 DO0 CN7
DO1 CN8
CV C/R I/O UNIT ASSY
CVP CN1
CN7 DO
CN6 S-POWER
MOTOR 1 CN1MOTOR POW
MOTOR 2
CN1INC ENC 1CN5 FAN
CN2INC ENC 2
CN3
CN4
CN1OPTION IF
CV C/R SERVO UNIT ASSY
CVS CN6
CVS CN7
CVI CN7
CVE CN3
CVE CN4
CVD CN1
ETHER IN
ETHER OUT
CN8A
CN8B
J0070
48V/24V/EMG CAMERA SEL POW
CN5
CN4
DO IN
IC POW
48V POW
SER ENC1
SER ENC2
CVS CN5
CN5DI2
CN2VAC
CN3DI1
BATT BOARD ASSY-1 P096
BATT BOARD ASSY-2 P097
ENC BOARD ASSY P095
DRV BOARD ASSY P094
SRV BOARD ASSY P093
I/O BOARD ASSY P092
POW BOARD ASSY P091
CV DI
J0381
CVS CN3 J0382
CVI CN6J0383 J0384
J0385
J0386
J0387
J0388
J0389
J0390
CVD CN5
BAT1 CN2
BAT2 CN2
See Page 3
1
2
3
4
IN
5
6
7
8
JUNCTION BOX
1
2
3
4
IN
JUNCTION BOX
5
6
7
8
R CV JB
F CV JB
F CV1
F CV2
F CV3
F CV4
F CV5
R CV1
R CV2
R CV3
R CV4
R CV5
JB1 CV1
JB2 CV2
JB3 CV3
JB4 CV4
JB5 CV5
JB5 CV5
JB4 CV4
JB3 CV3
JB2 CV2
JB1 CV1
XT79
XT80
CV1P
CV1M
M13
CV1-AXIS 100W
□42 MAX 500rpm
CV2P
CV2M
M14
CV2-AXIS 100W
□42 MAX 500rpm
CV3P
CV3M
M15
CV3-AXIS 100W
□42 MAX 500rpm
CV4P
CV4M
M16
CV4-AXIS 100W
□42 MAX 500rpm
W1P
W1M
M17
W1-AXIS 100W
□42 MAX 500rpm
W2P
W2M
M18
W2-AXIS 100W
□42 MAX 500rpm
SRV2 TRG1(XA)
SRV4 TRG1(XB)
SRV2 TRG2(XC)
SRV4 TRG2(XD)
CN33
HEAD I/O UNIT
+5V
BCR-SYM F
J0923 BCR-SYM F
FRONT
BARCODE
READER
A41
CAMERA UNIT SEL.
CAMERA UNIT SEL.
I/O CONVEYOR -3-
HEAD CAMERA(STANDARD)
HEAD CAMERA(STANDARD)
SERVO C/R
SERVO C/R
CVS CN8
CVS CN8
CVD CN4
SQ072
SQ073
SQ074
SQ075
SQ076
SQ079
SQ080
SQ081
SQ082
SQ083
F CV SENSOR 1
F CV SENSOR 2
F CV SENSOR 3
F CV SENSOR 4
F CV SENSOR 5
R CV SENSOR 5
R CV SENSOR 4
R CV SENSOR 3
R CV SENSOR 2
R CV SENSOR 1
N2301000/T2300700
N2301001/T2300701
N2301002/T2300702
N2301003/T2300703
N2301004/T2300704
N2301005/T2301700
N2301006/T2301701
N2301007/T2301702
N2300000/T2301703
N2300001/T2301704
AC100V
POWER CIRCUIT -1-
See Page 2
J0922
+5V
BCR-SYM R
J0924
BARCODE
READER
BCR-SYM R A42
REAR
UPS SIGNAL
POWER CIRCUIT -1-
See Page 2
UPS(OPTION)
E19
1TURN
E18
1TURN
IT OPTION(OPTION)
SIDE VIEW CAMERA(OPTION)
SIDE VIEW CAMERA(OPTION)
CAM1(HALF)
V1 CAM1
CAM2(FULL)
CAM3(HALF)
V1 CAM3
V1 CAM2
CAM4(FULL)
V1 CAM4
TRG1
TRG2
J0201
ON
OFF
SYSTEM CONTROL BOX ASSY A01
REMOTE IF
SW2
ON
OFF
SW2
VISION 2
VISION 1
1 2
1 2
CAM1(HALF)
V2 CAM1
CAM2(FULL)
CAM3(HALF)
V2 CAM3
V2 CAM2
CAM4(FULL)
V2 CAM4
TRG1
TRG2
J0204
J0709
J0710
J0711
J0712
LAN1
LAN2
LAN3
LAN4
RAS
IF LAN1
IF LAN2
IF LAN3
IF LAN4
IF RAS J0207
USB1
J0176
J0177
J0178
J0179
VIS1 TRG1
VIS1 TRG2
VIS2 TRG1
VIS2 TRG2
IF GOOD
J0253
J0203
J0202
J0704(STD)/J0734(OP)
J0703(STD)/J0733(OP)
J0702(STD)/J0732(OP)
J0701(STD)/J0731(OP)
SYS AC100V
PE
AC IN
J0035
J0663
USB4
J0214
USB MEMORY
OPERATION SWITCHES
REAR
DC12V IN
VGA
SERIAL
RS232C R
J0313
TOUCH PANEL LCD2
REAR OPERATION PANEL
LCD
USB2
UPS SIGNAL
POWER CIRCUIT -1-
See Page 2
UPS SIG
UPS(OPTION)
J0911
USB3
J0215
KEY
MOUSE
USB1
USB2
LCD2
KEYBOARD ASSY(OPTION)
KEYBOARD/MOUSE
A06
1TURN
E39
FRONT
OPERATION SWITCHES
DC12V IN
VGA
SERIAL
RS232C F
J0312
TOUCH PANEL LCD1
FRONT OPERATION PANEL
LCD
LCD1
1TURN
E38
J0680
J0681
I/O CONVEYOR -2-
CN23
I/O CONVEYOR -2-
CN24
USB1
USB2
FRONT FDR
REAR FDR
CN20
CALIB UNIT
I/O CONVEYOR -2-
I/O CONVEYOR -1-
SRV3 ECAT IN
SERVO C/R-2
LAN1
J0184SYS LAN1
LAN CABLE
LAN
SYSTEM
USB4
I/O
IF I/O J0101
I/O A
I/O B
I/O C
J0102
J0103
J0104
I/O D
J0931
USB3
LAN2
J0171SYS LAN2
LAN3
SYS LAN3 J0174
VGA1
J0210
VGA2
J0211
SERIAL1
J0212
SERIAL2
J0213RS2
E10
1TURN
LCD1
LCD2
RS1
E29
E30
3TURN
3TURN
BATTERYCN8
CVE CN8J0391
CVE CN5FAN 44
CV C/R FAN
SYS3 USB
SYS4 USB SYS4 USB
SYS3 USB
E17
2TURN
E12
1TURN
See Page 10
See Page 10
COM4
COM3
See Page 7
See Page 8
See Page 9
See Page 10
See Page 12,13
See Page 7
GB11
GB12
See Page 17,18
See Page 12,13
See Page 17,18
See Page 7
See Page 17,18
See Page 12,13
See Page 17,18
ADAPTER PARTS SUPPLY
See Page 19
CV+24V
J0046
CN41
I/O CONVEYOR -3-
See Page 10
CN33
CV EMG
J0253
SRV1 ECAT IN
J0172SERVO C/R-1
See Page 7
CC.V4
6
SYSTEM C/R & CONVEYOR C/R
YSM40-4

Confidential & Proprietary
PAGE
PU1M
PU1BK
FLEXIBLE
DUCT YC
YCP
YCM
J0134
J0156
XCP
XCM
J0138
J0160
PU2P
PU2M
PU2BK
J0126
PU2P
PU1P
J0125
PU1P
YP
YM
XP
XM
□54 MAX 4500rpm
□54 MAX 4500rpm
PU1-AXIS 200W
PU2-AXIS 200W
M03
M07
M09
M10
XC-AXIS 750W
□80 MAX 4800rpm
MAX 1.8m/s
E22
E26
M2
M2 J0154
M3
M3
BRAKE
ECAT IN
ECAT OUT
ENCODER2
SRV4 ENC2 J0116
ENCODER2 AXIS
SERVO 4
INC ENC3 : XB
INC ENC4 : XD
SER ENC3 : XB
SER ENC4 : XD
XBP2
GOOD
SRV3 GOOD
ECAT IN
ECAT OUT
TRG1
TRG2
SRV3 LAN1 J0174
J0175
BRAKE
J0206SRV3 BK
S3 BK+24V
AC IN
AC100V
FAN
PE
FAN BASE
J0036
S2 AC230V
S2 AC100V
J0209
J0665
J0008
GOOD
DPOW GOOD
D.POWER
TRG1
TRG2
GOOD
J0203
J0204
SRV4 TRG1
SRV4 TRG2
SRV4 GOOD
J0131
J0319
FAN 1
FAN 2
FAN 3
FAN 4
FAN 5
FAN33
FAN34
FAN35
FAN36
FAN37
SERVO C/R-2 UNDER-1
SERVO C/R-2 UNDER-2
SERVO C/R-2 UNDER-3
SERVO C/R-2 SIDE-1
SERVO C/R-2 SIDE-2
J0252
E08
E09
M0
ENCODER1 AXIS
SER ENC1 : -
SER ENC2 : -
ENCODER2 AXIS
SER ENC3 : -
SER ENC4 : -
M0
SERVO CONTROL BOX ASSY-2 A03
SERVO 3
INC ENC1 : YB
INC ENC2 : YD
INC ENC3 : PU3
INC ENC4 : PU4
J0153
ENCODER1
SRV3 ENC1 J0114
ENCODER2
SRV3 ENC2 J0115
M1
M1
FLEXIBLE
YBM
YBP
DUCT YB
YBP
XBP
XBM
XBP1
J0119
J0123
J0135
J0139
J0157
J0161
YP
YM
XP
XM
FLEXIBLE
YDM
YDP
DUCT YD
XDM
XDP
J0136
J0140
J0158
J0162
YP
YM
XP
XM
E04
E05
M02
M06
XB-AXIS 750W
□80 MAX 4800rpm
MAX 1.8m/s
M04
M08
XD-AXIS 750W
□80 MAX 4800rpm
MAX 1.8m/s
E23
E27
E28
E24
M2
M2
M3
M3
PU3P PU3P
PU3BK
PU3M
PU4P
PU4BK
PU4M
PU4P
J0127
J0128
□54 MAX 4500rpm
□54 MAX 4500rpm
PU4-AXIS 200W
PU3-AXIS 200W
M11
M12
AC IN
AC100V
J0006S1 AC230V
S1 AC100V
FAN
PE
FAN BASE
J0036
J0208
J0664
GOOD
DPOW GOOD
ENCODER2
J0113SRV2 ENC2
M2
M2 J0152
M3
M3
E06
E07
BRAKE
ECAT IN
D.POWER
J0201
TRG1
TRG2
J0202
GOOD
SRV2 TRG1
SRV2 TRG2
SRV2 GOOD
ECAT OUT
BRAKE
SRV1 BK J0205
S1 BK+24V
ENCODER2 AXIS
INC ENC3 : XA
INC ENC4 : XC
SER ENC3 : XA
SER ENC4 : XC
SERVO 2
GOOD
SRV1 GOOD
ECAT IN
ECAT OUT
TRG1
TRG2
SRV1 LAN1 J0172
J0173
XAP2
FAN 1
FAN 2
FAN 3
FAN 4
FAN 5
FAN28
FAN32
FAN31
FAN30
FAN29
SERVO C/R-1 SIDE-1
SERVO C/R-1 SIDE-2
SERVO C/R-1 UNDER-1
SERVO C/R-1 UNDER-2
SERVO C/R-1 UNDER-3
J0251
J0319
J0129
E33
E34
INC ENC1 : YA
INC ENC2 : YC
ENCODER1 AXIS
SER ENC1 : -
SER ENC2 : -
ENCODER2 AXIS
INC ENC3 : PU1
INC ENC4 : PU2
SER ENC3 : -
SER ENC4 : -
SERVO CONTROL BOX ASSY-1 A02
SERVO 1
M0
M0 J0151
E02
ENCODER1
ENCODER2
SRV1 ENC1
SRV1 ENC2
J0111
J0112
E03
M1
M1
YAP
DUCT YA
YAP
YAM
J0117 J0133
J0155
XAM
XAP
J0121 J0137
J0159
XAP1
YP
YM
XP
XM
M01
M05
XA-AXIS 750W
□80 MAX 4800rpm
MAX 1.8m/s
E21
E25
M2
M2
M3
M3
E31
E32
FLEXIBLE
AC230V
AC100V
CN31
VISION1 TRG1
VISION2 TRG1
VISION BOARD
CN39
I/O CONVEYOR -3-
XC LINEAR SCALE
XA LINEAR SCALE
HEAD -1-
CV C/R SRV CN8
CONVEYOR C/R
POWER CIRCUIT -1-
See Page 2
I/O CONVEYOR -3-
XB LINEAR SCALE
XD LINEAR SCALE
HEAD -2-
SYSTEM LAN3
CN39
I/O CONVEYOR -3-
AC230V
AC100V
CN32
VISION BOARDVISION1 TRG2
VISION2 TRG2
SYSTEM C/R
POWER CIRCUIT -1-
See Page 2
I/O CONVEYOR -3-
YA-AXIS 1700W
YC-AXIS 1700W
YB-AXIS 1700W
YD-AXIS 1700W
See Page 10
See Page 6
See Page 12
See Page 6
See Page 10
See Page 10
See Page 6
See Page 13
See Page 6
See Page 10
CC.V4
7
SERVO C/R
YSM40-4