SM481_PLUS_TRM(KEC).pdf - 第119页
Page HANWHA TECHWIN 107 SM481 PLUS AIR Ass’y(2/5) NO. Lev . PA R T N O . P ART NAME Q'T Y Old No. Su pply Supply L T Reference

Page
HANWHA TECHWIN
106
SM481
PLUS
AIR Ass’y(2/5)
NO. Lev. PART NO. PART NAME Q'TY Old No. Supply Supply LT Reference
28 HP14-000431 VALVE,THROTTLE-GRLZ-M5-QS-4-D 2
29 HP06-000278 FITTING-QS-E-M5-4-I-C;Straight Fitting 4
30 HP14-000397 VALVE,SOLENOID-VUVG-L10-M52-RT-M5-1H2L 3
31 HP15-000010 ACCESSORY,VALVE-HAND-WHEEL_300D 1
32 HP06-000279 FITTING-QS-E-1./8-8-C;STRAIGHT FITTING 1
33 HP09-000164 SILENCER-U-E-1/8-S 2
34 HP09-000157 MANIFOLD-VABM-L1-10S-G18-4 1
35 HP06-000275 FITTING-DIN 908-G1/8-ST;Plug,Thread 3

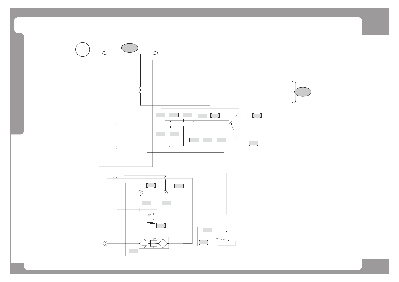
Page
HANWHA TECHWIN
107
SM481
PLUS
AIR Ass’y(2/5)
NO. Lev. PART NO. PART NAME Q'TY Old No. Supply Supply LT Reference

Page
HANWHA TECHWIN
108
SM481
PLUS
AIR Ass’y(3/5)
B
7
LEFT CABLE DUCT ASSY
FRONT AIR PANEL ASS'Y
FRONT
FEEDER BASE ASS'Y (STANDARD)
REAR도
STANDARD일 때
, 동일 구조
Feeder Base
HP09-000007
KM11-08-12-10
VACUUM GENERATOR (AIR OPTION)
VAC
UUM PUMP (AIR OPTION)
MAIN MANIFOLD ASS'Y
U2-4-12*8, BLACK
U2-4-4*2.5, BLACK
U2-4-12*8, BLACK
U2-4-6*4, BLACK
U2-4-6*4, YELLOW
U2-4-6*4, BLACK, 1000mm
U2-4-6*4, BLACK
U2-4-12*8, BACLK
U2-4-4*2.5, BALCK
U2-4-6*4, BALCK
U2-4-6*4, YELLOW
U2-4-6*4, BLACK
U2-4-8*5, BLACK
U2-4-12*8, BLACK
U2-4-4*2.5, BLACK
U2-4-4*2.5, BLACK
U2-4-4*2.5, BLACK
U2-4-6*4, BLACK
HP06-900043
FITTING
KQ2F04-01
TE07-900096
ANALOG GAUGE (VACUUM)
GZ46-K-01-C1
HP09-001019
REGULATOR
ARP20-02BG-CJSZ1406
HP04-001016
AIR FILTER
AC30-03D-CJSZ2045
U2-4-12*8 U2-4-12*8
HP09-000150
DIGITAL GAUGE
SPABT-P10-R18-2N-K1-SA
U2-4-4*2.5
HP06-900255
FITTING
KQ2H04-M5
U2-4-4*2.5
HP06-900050
SQU04-06-W
U2-4-4*2.5
2-HP06-900027
KQ2L04-M5
HP06-000226
FITTING KQ2R10-12
(S
T OPTION
㢰
ᷱ㟤
KQ2P-10
㥐ᶤ䚌Ḕ
ⵤ㉔䚔 ᶷ)
FC14-900641
PLUG KQ2P-10
FC14-900644
PLUG KQ2P-08
FC14-900644
PLUG KQ2P-08
FC14-900644
PLUG KQ2P-08
FC14-900644
PLUG KQ2P-08
FC14-900644
PLUG KQ2P-08
HP06-900282
KQ2R06-08
HP06-900282
KQ2R06-08
HP06-900282
KQ2R06-08
HP06-900282
KQ2R06-08
A-B
B-C
1 1 1
2
3
3 3
1 1 3
4
5
6
8 9
10
11
13
12