SM481_PLUS_TRM(KEC).pdf - 第125页
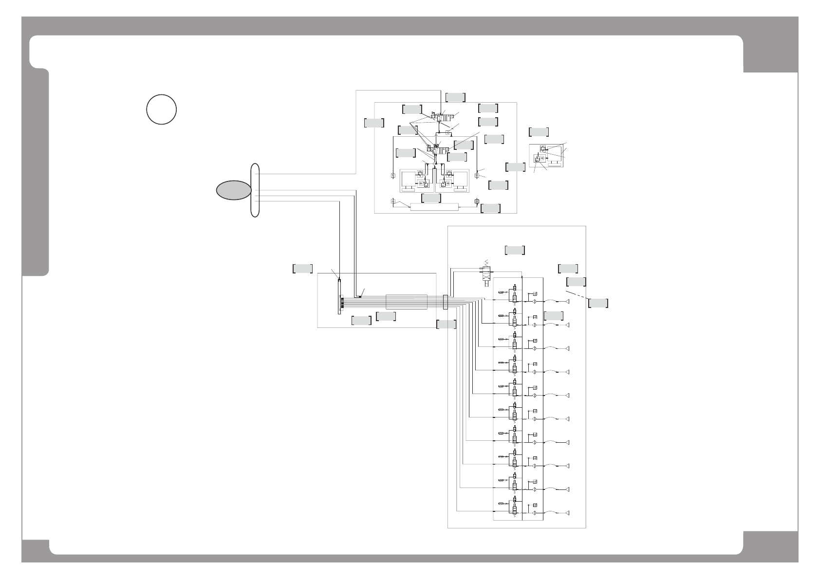
Page HANWHA TECHWIN 11 3 SM481 PLUS AIR Ass’y(5/5) NO. Lev . PA R T N O . P ART NAME Q'TY Old No. Supply Supply L T Reference 1 FC14-900724 PLUG [PT 1/8] 3 2 HP14-900026 SOLENOID V AL VE [K180-4E1-21-DC24V] 2 3 HP14…

Page
HANWHA TECHWIN
112
SM481
PLUS
AIR Ass’y(5/5)
18
6
7
D
A-D
HEAD Air Module
Feeder Base (DC)
4-H
P06-900018
KQ2U06-00
REAR
DOCKING CART ASS'Y (OPTION)
FRONT도 DC OPTION 일 때, 동일 구조
2-H
P03-900011
AIR CYLINDER(SMC)
HP03-900011
AIR CYLINDER(SMC)
1
3
2
(A)
4
(B)
2
3
(R)
1
(P)
1
3
2
(A)
4
(B)
2
3
(R)
1
(P)
1
3
2
(A)
4
(B)
2
3
(R)
1
(P)
1
3
2
(A)
4
(B)
2
3
(R)
1
(P)
1
3
2
(A)
4
(B)
2
3
(R)
1
(P)
1
3
2
(A)
4
(B)
2
3
(R)
1
(P)
1
3
2
(A)
4
(B)
2
3
(R)
1
(P)
1
3
2
(A)
4
(B)
2
3
(R)
1
(P)
1
3
2
(A)
4
(B)
2
3
(R)
1
(P)
1
3
2
(A)
4
(B)
2
3
(R)
1
(P)
SUPPLY BLOW
ğ4
(A)
4
(B)
2
3
(R)
1
(P)
BLOW
ğ4
0.1MPa
OVER BLOW
ğ4
0.5MPa
HP09-000127
KM11-04-08-10
Y CABLE DUCT ASSY
U2-4-6*4, YELLOW
U2-4-6*4, BLACK
4-HP06-900027
KQ2L04-M5
U2-4-4*2.5
2-HP06-900300
KS-4-M5-SA34698KR
U2-4-4*2.5
U2-4-4*2.5
5-HP06-900014
KQ2L06-01
U2-4-4*2.5
2-H
P06-900299
KD-M5-SA34697KR
2-HP06-900047
KQ2L04-M5
HP14-900026
K180-4E1-21-DC24V
HP14-900026
K180-4E1-21-DC24V
HP14-900092
AKH06-00
2-HP09-900162
AN101-01
HP06-900018
KQ2U06-00
HP06-900050
SQU04-06-W
3-FC14-900724
PT 1/8
U2-4-6*4
MGPM63-35
-CJJP1685
ASP330F-01-06S
AS2201F-01-06S
KQ2L06-M5
2-PT18-EF
HP13-000037A
UML-412
BU1-YL1-BK10
3.7M
12
1
2-HP06-900089
KQ2H04-06
HEAD 10 HEAD 1HEAD 2HEAD 3HEAD 4HEAD 5HEAD 6HEAD 7HEAD 8HEAD 9
HP06-000457
QSY12-8
U2-4-8*5, BLACK
10-HP04-900036
FILTER VYF44-M-50M
10-HP06-000074
FITTING KQ2S04-M5N
10-HP06-900059
FITTING M-5ALU-4
HP09-000129
AIR MODULE (SOL)
VQD1151W-10-CJQZ0012
HP14-002040
SOLENOID VALVE
VQZ115R-5LO1-C1-PR
6-J1301070
CONNECT FITTING
QC4-4M
U2-4-6*4
1
5
2
2
3
10
11
4
8
9
12
13
9
15
17
16
19
20
21
14
22
U2-4-12*8, BLACK

Page
HANWHA TECHWIN
113
SM481
PLUS
AIR Ass’y(5/5)
NO. Lev. PART NO. PART NAME Q'TY Old No. Supply Supply LT Reference
1 FC14-900724 PLUG [PT 1/8] 3
2 HP14-900026 SOLENOID VALVE [K180-4E1-21-DC24V] 2
3 HP14-900092 CHECK VALVE[AKH06-00] 1
4 HP06-900050 UNION Y FITTING 1
5 HP06-900014 FITTING [KQ2L06-01/PL6-01] 5
6 HP06-900018 FITTING [KQ2U06-00/PY6M] 1
7 HP09-900162 SILENCER AN101-01 2
8 HP06-900018 FITTING [KQ2U06-00/PY6M] 4
9 HP03-900011 AIR CYLINDER 3
10 HP06-900047 ELBOW FITTING 2
11 HP06-900299 COUPLER[KD-M5-SA34697KR] 2
12 HP06-900300 PLUG[KS-4-M5-SA34698KR] 2
13 HP06-900027 FITTING [KQ2L04-M5/PL4-M5M/SQL04-M5] 4
14 HP04-900036 SUCTION_FILTER VYF44-M-50M 10
15 HP06-000457 FITTING-QSY_12_8;Y_FITTING,12-8,12-8 1
16 HP09-000127 MANIFOLD-MANIFOLD KM11-04-08-10 1
17 HP13-000037A TUBE,PNEUMATIC-M-TUBE UML-412 3.7M;MM,ST 1
18 J1301070 STRAIGHT_CONNETOR_FITTING 6
19 HP14-002040 VALVE,SOLENOID-VQZ115R-5LO1-C1-PR 1
20 HP09-000129 MANIFOLD-SM411+ HEAD_AIR_MODULE 1
21 HP06-000074 FITTING-STRAIGHT FITTING;KQ2S04-M5N,ONET 10
22 HP06-900059 BOB ELBOW FITTING M-5ALU-4 10

Page
HANWHA TECHWIN
114
SM481
PLUS
Electric Control Part