SM481_PLUS_TRM(KEC).pdf - 第25页
Page HANWHA TECHWIN 13 SM481 PLUS Feeder Base Ass’y - DC (4/4) NO. Lev . PA R T N O . P ART NAME Q'TY Old No. Supply Supply L T Reference 1 FC14-900724 PLUG [PT 1/8] 2 2 HP06-900027 FITTING [KQ2L04-M5 /PL4-M5M/SQL04…

Page
HANWHA TECHWIN
12
SM481
PLUS
Feeder Base Ass’y - DC (4/4)
Reference to Air Ass'y
ڡۀۀڿۀۍٻڝڼێۀٻڃڟڞڄ
1
1
2
3
3
6
6
2
2
4
5 5
4
10
11
12
7
10
9
8
12

Page
HANWHA TECHWIN
13
SM481
PLUS
Feeder Base Ass’y - DC (4/4)
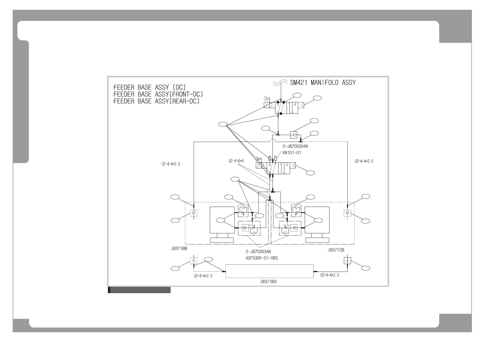
NO. Lev. PART NO. PART NAME Q'TY Old No. Supply Supply LT Reference
1 FC14-900724 PLUG [PT 1/8] 2
2 HP06-900027 FITTING [KQ2L04-M5/PL4-M5M/SQL04-M5] 4
3 HP06-900299 COUPLER[KD-M5-SA34697KR] 1
4 HP14-900090 SPEED CON[ASP330F-01-06S] 1
5 HP06-900048 ELBOW FITTING [KQ2L06-M5] 1
6 HP06-900293 ELBOW FITTING[PT18EF] 2
7 FC14-900724 PLUG [PT 1/8] 3
8 HP06-900199 UNION Y FITTING [KQ2U04-06] 1
9 HP14-900092 CHECK VALVE[AKH06-00] 1
10 HP06-900018 FITTING [KQ2U06-00/PY6M] 5
11 HP06-900014 FITTING [KQ2L06-01/PL6-01] 5
12 HP14-900026 SOLENOID VALVE [K180-4E1-21-DC24V] 1
AM03-006535B CABLE ASSY-ND-CART DSUB EXT CABLE ASSY 1

Page
HANWHA TECHWIN
14
SM481
PLUS
Backup Table Ass’y
27
27
24
26
24
30
22
19
18
19
8
22
10
22
2
2
30
19
22
7
6
30
25
30
30
12
30
11
21
14
13
32
32
14
5
9
20
8
20
30
31
33
30
3
16
17
13
14
15
30
6
4
10
8
3
31
2
23
8
8
23
2
28
29
5
30
1