P-187-001 - 第156页
MODEL TCM-X300 0306-001 154 ࡋ࠶࠼㚟േㇱ HEAD DRIVING SECTION Fig. K-3 ๆ⌕ࡃޔㅍࠅࡃ Pick-up Lever , Feeder Lever 233 228 229 230 227 242 243 244 202 227 201 203 204 241 240 245 226 211 214 213 212 See Fig.B-1 Key No.1 See Fig.L…

MODEL TCM-X300
0306-001
Key No. PART No. PART NAME Q’ty REMARKS
NOTE
153
K-2
101 630 117 0183 LEVER 1 812K--010-101
102 411 141 6101 WASHER F 8X15.5X1.6 6 812K--010-102
103 411 141 3100 WASHER SPR 8 6 812K--010-103
104 630 000 8050 BOLT,HEX-SCT 6 812K--010-104
105 630 093 3932 SHAFT 1 812K--010-105
106 630 123 2218 CYLINDER 1 YSV59 812K--010-106
107 630 092 7825 SHAFT 1 812K--010-107
108 630 001 0237 WASHER 4 812K--010-108
109 411 141 3001 WASHER SPR 6 4 812K--010-109
110 630 000 7923 BOLT,HEX-SCT 4 812K--010-110
111 630 092 7832 BLOCK 1 812K--010-111
112 411 141 4305 WASHER V 6X12.5X1.6 2 812K--010-112
113 411 141 3001 WASHER SPR 6 2 812K--010-113
114 630 000 7909 BOLT,HEX-SCT 2 812K--010-114
115 630 094 2101 BRACKET 1 812K--010-115
116 630 000 0252 SENSOR,PHOTO 1 BPH28,EE-SX671 812K--010-116
117 630 000 0269 SENSOR,PHOTO(CONNECTOR) 1 EE-1001 812K--010-117
118 411 119 1909 WASHER V 3X7X0.5 2 812K--010-118
119 411 086 4408 WASHER SPR 3 2 812K--010-119
120 411 040 7803 SCR PAN 3X12 2 812K--010-120
121 411 141 4107 WASHER V 5X10X1 6 812K--010-121
122 411 141 6705 WASHER SPR 5 6 812K--010-122
123 630 000 7756 BOLT,HEX-SCT 6 812K--010-123
124 630 006 8795 BEARING,RADIAL 2 6202ZZ 812K--010-124
125 411 113 9000 SCR TRS 5X8 6 812K--010-125
126 630 093 2683 BLOCK 1 812K--010-126
127 630 110 9787 BOLT,HEX-SCT 4 812K--010-127
128 630 000 8678 BOLT,HEX 1 812K--010-128
129 411 141 0505 NUT HEX 5 1 812K--010-129
130 411 141 4305 WASHER V 6X12.5X1.6 2 812K--010-130
131 411 141 3001 WASHER SPR 6 2 812K--010-131
132 630 000 7893 BOLT,HEX-SCT 2 812K--010-132
134 630 003 4271 GREASE NIPPLE 1 812K--010-134
135 630 094 1012 AIR LINE EQPT 1 812K--010-135
136 630 094 1005 VALVE 1 YSV60 812K--010-136
137 630 094 1050 PIPE FITTINGS 1 812K--010-137
138 630 003 8057 PIPE FITTINGS 2 812K--010-138
139 630 003 7913 PIPE FITTINGS 1 812K--010-139
140 630 003 8187 PIPE FITTINGS 2 812K--010-140
141 630 003 7074 PIPE FITTINGS 1 812K--010-141
142 411 141 4503 WASHER V 8X17X1.6 2 812K--010-142
143 411 141 3100 WASHER SPR 8 2 812K--010-143
144 630 000 8005 BOLT,HEX-SCT 2 812K--010-144
145 630 108 3612 COLLAR 4 812K--010-145
146 630 118 1677 PIPE FITTINGS 1 812K--010-146
147 630 118 2056 SWITCH,PRESSURE 1 SP14 812K--010-147
148 630 123 2157 COVER 1 812K--010-148

MODEL TCM-X300
0306-001
154
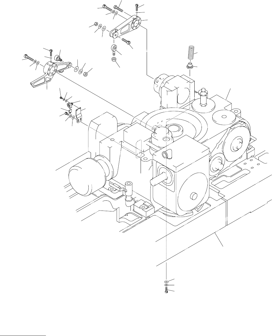
ࡋ࠶࠼㚟േㇱ HEAD DRIVING SECTION
Fig. K-3 ๆ⌕ࡃޔㅍࠅࡃ Pick-up Lever, Feeder Lever
233
228
229
230
227
242
243
244
202
227
201
203
204
241
240
245
226
211
214
213
212
See Fig.B-1
Key No.1
See Fig.L-1
Key No.12
206
205
220
219
218
216
215
221
228
229
224
222
223
217
246
246

MODEL TCM-X300
0306-001
Key No. PART No. PART NAME Q’ty REMARKS
NOTE
155
K-3
201 630 119 5674 LEVER 1 812K--010-201
202 411 141 6101 WASHER F 8X15.5X1.6 6 812K--010-202
203 411 141 3100 WASHER SPR 8 6 812K--010-203
204 630 000 8050 BOLT,HEX-SCT 6 812K--010-204
205 630 093 2249 PIN,GUIDE 1 812K--010-205
206 630 116 7428 SPRING,COMP 1 812K--010-206
211 630 007 2501 CAM FOLLOWER 1 CF8BUU 812K--010-211
212 411 141 4503 WASHER V 8X17X1.6 1 812K--010-212
213 411 141 3100 WASHER SPR 8 1 812K--010-213
214 411 141 0901 NUT HEX 8 1 812K--010-214
215 630 094 2118 BRACKET 1 812K--010-215
216 630 000 0252 SENSOR,PHOTO 1 BPH29,EE-SX671 812K--010-216
217 630 000 0269 SENSOR,PHOTO(CONNECTOR) 1 EE-1001 812K--010-217
218 411 119 1909 WASHER V 3X7X0.5 2 812K--010-218
219 411 086 4408 WASHER SPR 3 2 812K--010-219
220 411 040 7803 SCR PAN 3X12 2 812K--010-220
221 411 141 4107 WASHER V 5X10X1 2 812K--010-221
222 411 141 6705 WASHER SPR 5 2 812K--010-222
223 630 000 7756 BOLT,HEX-SCT 2 812K--010-223
224 630 000 7893 BOLT,HEX-SCT 1 812K--010-224
226 630 118 1622 LEVER(FEED) 1 812K--010-226
227 630 110 9787 BOLT,HEX-SCT 6 812K--010-227
228 411 141 6101 WASHER F 8X15.5X1.6 6 812K--010-228
229 411 141 3100 WASHER SPR 8 6 812K--010-229
230 630 000 8050 BOLT,HEX-SCT 5 812K--010-230
233 630 008 2401 BOLT,HEX 1 812K--010-233
240 630 008 2401 BOLT,HEX 1 812K--010-240
241 630 049 0145 ROD END 1 812K--010-241
242 411 141 4503 WASHER V 8X17X1.6 1 812K--010-242
243 411 141 3100 WASHER SPR 8 1 812K--010-243
244 411 141 0901 NUT HEX 8 1 812K--010-244
245 411 141 0901 NUT HEX 8 1 812K--010-245
246 630 108 3612 COLLAR 6 812K--010-246