P-187-001 - 第21页
MODEL TCM-X300 0306-001 Key No. P AR T No. P AR T NAME Q’ ty REMARKS NOTE 19 BB-3 20 1 630 120 9791 ASSY ,HOLDER 1 2 812BB-010-201 20 1 -01 630 082 8863 M OTOR,STEPPING 1 MPM1-12,M9529Z01A 20 1 -02 630 1 17 0718 C A M 1 …

MODEL TCM-X300
0306-001
18
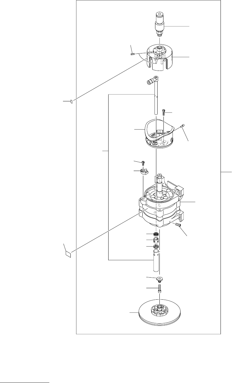
ࡋ࠶࠼ࡉࡠ࠶ࠢㇱ HEAD BLOCK SECTION
Fig. BB-3 ࡋ࠶࠼ ASSY Head Assy
201-11
201-07
201-22
202
201-05
201-02
201-21
201-13
203
201-06
201-09
201-06
201-12
201-14
201-10
201-03
201-02
201-01
201-08
201

MODEL TCM-X300
0306-001
Key No. PART No. PART NAME Q’ty REMARKS
NOTE
19
BB-3
201 630 120 9791 ASSY,HOLDER 12 812BB-010-201
201 -01 630 082 8863 MOTOR,STEPPING 1 MPM1-12,M9529Z01A
201 -02 630 117 0718 CAM 1
201 -03 630 121 8250 BOLT,HEX-SCT 2
201 -05 630 118 2469 BUSH,BALL 5
201 -06 630 048 0849 SEAL 10
201 -07 630 116 8555 HOLDER 1
201 -08 630 097 4805 BOLT,HEX-SCT 3
201 -09 630 083 4369 COLLAR 5
201 -10 630 098 6624 DISK 1
201 -11 630 057 0076 PIPE FITTINGS 1
201 -12 630 091 2654 PLATE 1
201 -13 630 083 3300 HOLDER 1
201 -14 630 091 2661 BOLT,HEX-SCT 1
201 -21 630 047 4596 BOLT,HEX-SCT(BUTTON HEAD) 1
201 -22 630 082 9808 SET SCREW 2
202 630 089 7494 NAME PLATE,PARTS 1 812BB-010-202
203 630 089 7500 NAME PLATE,PARTS 1 812BB-010-203

MODEL TCM-X300
0306-001
20
ࡈࠖ࠳ࠠࡖ࠶ࠫㇱ FEEDER CARRIAGE SECTION
Fig. C-1 ࡈࠖ࠳ゲ㚟േㇱ Feeder Axis Driver
33
32
31
11
15
14
13
1
8
7
5
3
3
5
5
1
5
19
18
20
8
7
25
24
23
17
8
7
16
3
5
7
8
7
22
8
20
19
7
21
18
23
24
25
15
30
29
28
33
32
31
27
26
9
14
13
10
12
2
30
29
28
27
26
See Fig.L-1
Key No.9