P-0207-001 - 第157页
MODEL TCM-X100 0212-002 Key No. P AR T No. P AR T NAME Q’ ty REMARKS NOTE 155 K-3 20 1 630 099 5299 L EVER 1 765K--010-201 2 0 2 4 1 1 14 1 61 0 1 WASHER F 8X15.5X1.6 6 7 65 K - - 0 10 - 2 0 2 20 3 41 1 141 3100 WA SH ER…

MODEL TCM-X100
0212-002
154
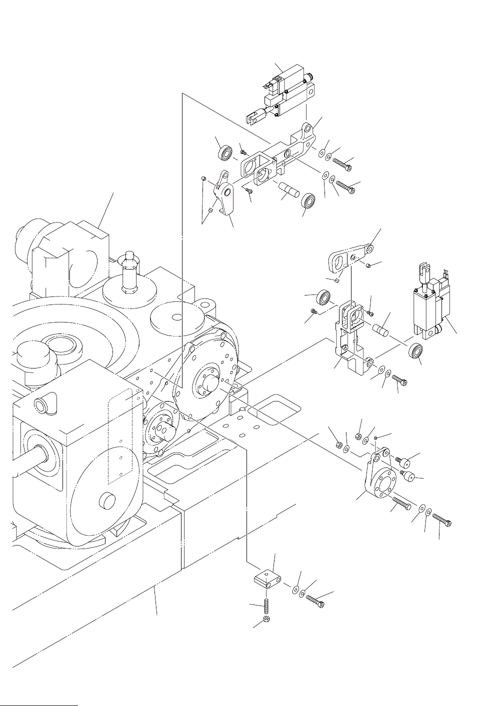
ࡋ࠶࠼㚟േㇱ HEAD DRIVING SECTION
Fig. K-3 ๆ⌕ࡃޔㅍࠅࡃ Pick-up Lever, Feeder Lever
233
228
229
230
227
242
243
244
202
227
201
203
204
241
240
245
226
211
214
213
212
See Fig.B-1
Key No.1
See Fig.L-1
Key No.12
Fig.K-3
206
205
220
219
218
216
215
221
228
229
224
222
223
217
TCM-X200-002
4797L
4797A-002
TCM-X300
246
246

MODEL TCM-X100
0212-002
Key No. PART No. PART NAME Q’ty REMARKS
NOTE
155
K-3
201 630 099 5299 LEVER 1 765K--010-201
202 411 141 6101 WASHER F 8X15.5X1.6 6 765K--010-202
203 411 141 3100 WASHER SPR 8 6 765K--010-203
204 630 000 8050 BOLT,HEX-SCT 6 765K--010-204
205 630 093 2249 PIN,GUIDE 1 765K--010-205
206 630 093 5394 SPRING,COMP 1 765K--010-206
211 630 007 2501 CAM FOLLOWER 1 765K--010-211
212 411 141 4503 WASHER V 8X17X1.6 1 765K--010-212
213 411 141 3100 WASHER SPR 8 1 765K--010-213
214 411 141 0901 NUT HEX 8 1 765K--010-214
215 630 094 2118 BRACKET 1 765K--010-215
216 630 000 0252 SENSOR,PHOTO 1 BPH29 765K--010-216
217 630 000 0269 SENSOR,PHOTO(CONNECTOR) 1 765K--010-217
218 411 119 1909 WASHER V 3X7X0.5 2 765K--010-218
219 411 086 4408 WASHER SPR 3 2 765K--010-219
220 411 040 7803 SCR PAN 3X12 2 765K--010-220
221 411 141 4107 WASHER V 5X10X1 2 765K--010-221
222 411 141 6705 WASHER SPR 5 2 765K--010-222
223 630 000 7756 BOLT,HEX-SCT 2 765K--010-223
224 630 000 7893 BOLT,HEX-SCT 1 765K--010-224
226 630 099 5305 LEVER(FEED) 1 765K--010-226
227 630 110 9787 BOLT,HEX-SCT 6 765K--010-227
228 411 141 6101 WASHER F 8X15.5X1.6 6 765K--010-228
229 411 141 3100 WASHER SPR 8 6 765K--010-229
230 630 000 8050 BOLT,HEX-SCT 5 765K--010-230
233 630 008 2401 BOLT,HEX 1 765K--010-233
240 630 008 2401 BOLT,HEX 1 765K--010-240
241 630 049 0145 ROD END 1 765K--010-241
242 411 141 4503 WASHER V 8X17X1.6 1 765K--010-242
243 411 141 3100 WASHER SPR 8 1 765K--010-243
244 411 141 0901 NUT HEX 8 1 765K--010-244
245 411 141 0901 NUT HEX 8 1 765K--010-245
246 630 108 3612 COLLAR 6 765K--010-246

MODEL TCM-X100
0212-002
156
ࡋ࠶࠼㚟േㇱ HEAD DRIVING SECTION
Fig. K-4 ⵝ⌕ࠬ࠻࠶ࡄ Placement Stopper
See Fig.B-1
Key No.1
See Fig.L-1
Key No.12
Fig.K-4
4797A-003
TCM-X300-002
TCM-X100J-002
TCM-X100-002
4797L-002
4797S-002
TCM-X200-003
327
325
322
325
337
332
333
334
336
335
338
323
324
329
326
320
330
331
316
315
314
312
311
313
302
301
317
318
319
337
321
See Fig.B-1
Key No.1-01
304
304
336
335
310
305
306
307
307
306
303
304
309
308