P-0207-001 - 第165页
MODEL TCM-X100 0107-001 Key No. P AR T No. P AR T NAME Q’ ty REMARKS NOTE 163 K-7 60 1 630 099 6586 BR AC KE T 1 765K--010-601 60 2 630 093 6438 ASSY ,SWITCH,MICRO 1 SQ1 765K--010-602 60 3 630 000 0375 AC C ESSORY ,SW 1 …

MODEL TCM-X100
0107-001
162
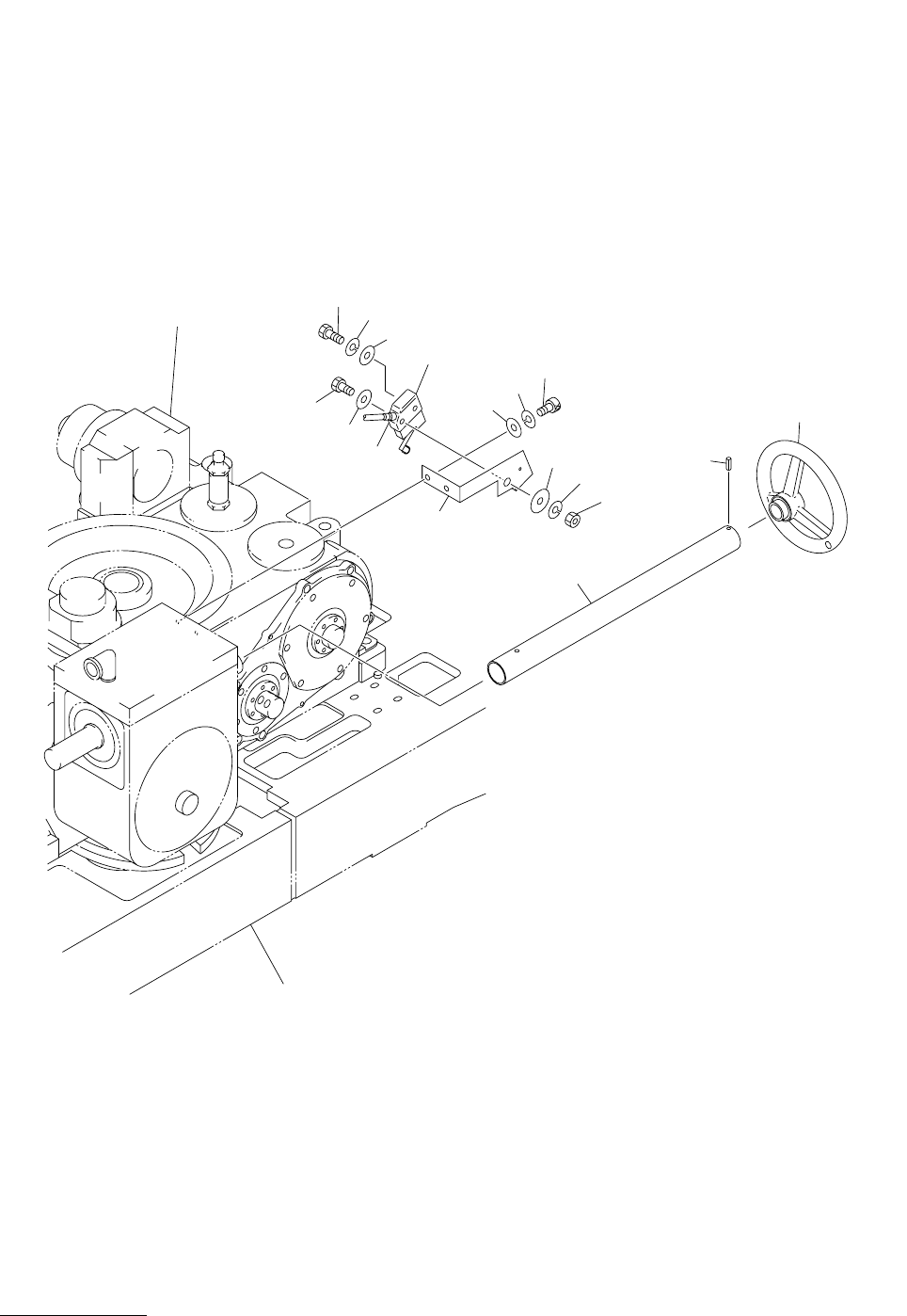
ࡋ࠶࠼㚟േㇱ HEAD DRIVING SECTION
Fig. K-7 ᚻ࿁ߒࡂࡦ࠼࡞ Hand Wheel
Fig.K-7
TCM-X300
4797L
TCM-X100AL
4797A-002
TCM-X200-002
609
608
607
603
606
605
604
610
607
602
See Fig.B-1
Key No.1
See Fig.L-1
Key No.12
611
601
612
613
617
615
616

MODEL TCM-X100
0107-001
Key No. PART No. PART NAME Q’ty REMARKS
NOTE
163
K-7
601 630 099 6586 BRACKET 1 765K--010-601
602 630 093 6438 ASSY,SWITCH,MICRO 1 SQ1 765K--010-602
603 630 000 0375 ACCESSORY,SW 1 765K--010-603
604 411 141 4107 WASHER V 5X10X1 2 765K--010-604
605 411 141 6705 WASHER SPR 5 2 765K--010-605
606 630 000 7756 BOLT,HEX-SCT 2 765K--010-606
607 411 119 2104 WASHER V 4X9X0.8 2 765K--010-607
608 411 008 1706 WASHER SPR 4 1 765K--010-608
609 630 000 8609 BOLT,HEX 1 765K--010-609
610 630 000 8616 BOLT,HEX 1 765K--010-610
611 630 001 0213 WASHER 1 765K--010-611
612 411 008 1706 WASHER SPR 4 1 765K--010-612
613 411 054 8506 NUT HEX 4 1 765K--010-613
615 630 096 6534 HANDLE 1 765K--010-615
616 630 096 7173 SHAFT 1 765K--010-616
617 630 087 0398 SPRING PIN 1 765K--010-617

MODEL TCM-X100
0107-001
164
ࡋ࠶࠼㚟േ࡙࠾࠶࠻ HEAD DRIVING UNIT
Fig. KB-1 ⵝ⌕ਅㇱ Placement Leveller
25
27
24
26
18
29
39
34
20
21
38
34
35
36
37
42
43
35
47
40
41
19
See Fig.B-1
Key No.1
Fig.KB-1
4797L
TCM-X200-002
TCM-X100AL
TCM-X300
4797A-002
22
21
20
2
14
9
13
8
3
46
45
44
23
4
8
12
11
10
48
49
50
5
6
7
15
16
33
31
32
28
17