P-0207-001 - 第174页
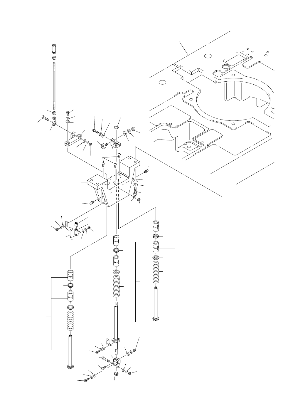
MODEL TCM-X100 0212-002 172 ࡋ࠶࠼㚟േ࡙࠾࠶࠻ HEAD DRIVING UNIT Fig. KB-5 ࠹ࡊㅍࠅㇱ T ape Feeder Section 407 Fig.KB-5 See Fig.L-1 Key No.12 430 429 430 426 427 425 424 41 1 410 409 446 404 431 421 448 449 445 446 444 440 439 418 41…

MODEL TCM-X100
0212-002
Key No. PART No. PART NAME Q’ty REMARKS
NOTE
171
KB-4
301 630 094 1746 BASE 1 765KB-010-301
302 630 093 9729 GUIDE,LINEAR 1 765KB-010-302
303 630 093 2775 PLATE 1 765KB-010-303
305 411 141 3902 WASHER V 3X7X0.5 8 765KB-010-305
306 411 141 2806 WASHER SPR 3 8 765KB-010-306
307 630 000 7510 BOLT,HEX-SCT 8 765KB-010-307
308 411 141 4008 WASHER V 4X9X0.8 2 765KB-010-308
309 411 141 2905 WASHER SPR 4 2 765KB-010-309
310 630 000 7657 BOLT,HEX-SCT 2 765KB-010-310
311 630 086 4021 MOTOR,AC-SERVO 1 MSVM9(CZ),SGMAH-02AAA21
765KB-010-311
312 411 141 4107 WASHER V 5X10X1 4 765KB-010-312
313 411 141 6705 WASHER SPR 5 4 765KB-010-313
314 630 000 7763 BOLT,HEX-SCT 4 765KB-010-314
315 630 086 4045 COUPLING(TR330438-0) 1 765KB-010-315
316 630 116 4144 BRACKET 1 765KB-010-316
317 630 093 9385 BALL SCREW 1 765KB-010-317
320 630 000 7657 BOLT,HEX-SCT 4 765KB-010-320
321 630 001 0244 WASHER 2 765KB-010-321
322 411 141 3100 WASHER SPR 8 2 765KB-010-322
323 630 000 8036 BOLT,HEX-SCT 2 765KB-010-323
324 411 141 4008 WASHER V 4X9X0.8 4 765KB-010-324
325 411 141 2905 WASHER SPR 4 4 765KB-010-325
326 630 000 7619 BOLT,HEX-SCT 4 765KB-010-326
331 630 093 2782 PLATE 1 765KB-010-331
332 411 141 3902 WASHER V 3X7X0.5 2 765KB-010-332
333 411 141 2806 WASHER SPR 3 2 765KB-010-333
334 630 000 7503 BOLT,HEX-SCT 2 765KB-010-334
335 630 093 2799 BRACKET 1 765KB-010-335
336 411 141 4008 WASHER V 4X9X0.8 2 765KB-010-336
337 411 141 2905 WASHER SPR 4 2 765KB-010-337
338 630 000 7619 BOLT,HEX-SCT 2 765KB-010-338
339 630 093 3079 SENSOR,PHOTO 3 BPH9,BPH10,BPH11 765KB-010-339
340 411 119 1909 WASHER V 3X7X0.5 6 765KB-010-340
341 411 086 4408 WASHER SPR 3 6 765KB-010-341
342 411 041 8908 SCR PAN 3X6 6 765KB-010-342
345 630 003 4271 GREASE NIPPLE 2 765KB-010-345
347 630 000 7633 BOLT,HEX-SCT 4 765KB-010-347

MODEL TCM-X100
0212-002
172
ࡋ࠶࠼㚟േ࡙࠾࠶࠻ HEAD DRIVING UNIT
Fig. KB-5 ࠹ࡊㅍࠅㇱ Tape Feeder Section
407
Fig.KB-5
See Fig.L-1
Key No.12
430
429
430
426
427
425
424
411
410
409
446
404
431
421
448
449
445
446
444
440
439
418
419
420
438
443
442
441
406
405
445
433
432
428
446
445
433
401
431
435
418
418
412
413
417
409
410
411
415
419
416
419
416
434
436
437
450
447
423
422
450
447
414
422
408
447
403
402
4797L-002
TCM-X200-003
4797A-003
TCM-X300-002
4797S-002
TCM-X100J-002
TCM-X100-002

MODEL TCM-X100
0212-002
Key No. PART No. PART NAME Q’ty REMARKS
NOTE
173
KB-5
401 630 112 1543 BLOCK(BALL BUSH) 1 765KB-010-401
402 630 112 1130 GUIDE,LINEAR 1 765KB-010-402
403 630 111 2565 SPRING,COMP 1 765KB-010-403
404 630 085 9690 BLOCK 1 765KB-010-404
405 630 007 2501 CAM FOLLOWER 1 765KB-010-405
406 411 000 7102 RING C 10 1 765KB-010-406
407 630 092 9829 ROD 1 765KB-010-407
408 630 112 1529 COLLAR 1 765KB-010-408
409 411 141 4107 WASHER V 5X10X1 2 765KB-010-409
410 411 141 6705 WASHER SPR 5 2 765KB-010-410
411 630 000 7763 BOLT,HEX-SCT 2 765KB-010-411
412 630 116 4151 HOLDER 1 765KB-010-412
413 630 093 0634 PIN,LOCATE 1 765KB-010-413
414 630 111 2589 SPRING,COMP 1 765KB-010-414
415 630 093 2744 CAM FOLLOWER 1 765KB-010-415
416 411 141 0505 NUT HEX 5 2 765KB-010-416
417 630 093 0955 BOLT,HEX 1 765KB-010-417
418 411 141 4107 WASHER V 5X10X1 4 765KB-010-418
419 411 141 6705 WASHER SPR 5 4 765KB-010-419
420 630 000 7749 BOLT,HEX-SCT 2 765KB-010-420
421 411 140 8007 SCR TRS 5X6 3 765KB-010-421
422 630 112 1123 GUIDE,LINEAR 2 765KB-010-422
423 630 111 2572 SPRING,COMP 1 765KB-010-423
424 630 092 5739 PLATE,LOCATE 1 765KB-010-424
425 630 093 1235 WASHER 2 765KB-010-425
426 411 141 3001 WASHER SPR 6 2 765KB-010-426
427 630 000 7886 BOLT,HEX-SCT 2 765KB-010-427
428 630 001 1081 ROD END 1 765KB-010-428
429 630 092 9812 ROD 1 765KB-010-429
430 630 000 9767 NUT,HEX 2 765KB-010-430
431 630 003 4271 GREASE NIPPLE 2 765KB-010-431
432 630 008 2401 BOLT,HEX 1 765KB-010-432
433 411 141 0901 NUT HEX 8 2 765KB-010-433
434 630 093 0894 PLATE 1 765KB-010-434
435 411 141 3902 WASHER V 3X7X0.5 2 765KB-010-435
436 411 141 2806 WASHER SPR 3 2 765KB-010-436
437 630 000 7527 BOLT,HEX-SCT 2 765KB-010-437
438 630 112 1536 BRACKET 1 765KB-010-438
439 630 069 0545 SENSOR,PHOTO 1 BPH31 765KB-010-439
440 630 000 0269 SENSOR,PHOTO(CONNECTOR) 1 765KB-010-440
441 411 119 1909 WASHER V 3X7X0.5 2 765KB-010-441
442 411 086 4408 WASHER SPR 3 2 765KB-010-442
443 411 041 8908 SCR PAN 3X6 2 765KB-010-443
444 630 000 8050 BOLT,HEX-SCT 4 765KB-010-444
445 411 141 3100 WASHER SPR 8 6 765KB-010-445
446 411 141 4503 WASHER V 8X17X1.6 6 765KB-010-446
447 630 048 3208 COLLAR 3 765KB-010-447
448 630 000 8937 SET SCREW 1 765KB-010-448
449 411 141 0307 NUT HEX 4 1 765KB-010-449
450 630 112 1512 COLLAR 2 765KB-010-450