P-0207-001 - 第182页
MODEL TCM-X100 0107-001 180 ࠞࡓ㧟ゲㇱ CAM SHAFT 3 AXIS SECTION Fig. KC-4 ࡁ࠭࡞ಾᦧ߃ࡌࠬ Nozzle Changer Base Fig.KC-4 305 310 309 304 323 303 302 308 307 306 313 312 31 1 322 321 320 313 306 305 301 310 309 308 307 325 315 314 315…

MODEL TCM-X100
0107-001
Key No. PART No. PART NAME Q’ty REMARKS
NOTE
179
KC-3
201 630 088 3077 SHAFT 1 765KC-010-201
202 630 005 0868 BEARING,PARTS(LOCK NUT) 1 765KC-010-202
203 630 000 8920 SET SCREW 1 765KC-010-203
204 630 085 9164 COLLAR 1 765KC-010-204
205 630 049 0176 BUSH,BEARING 2 765KC-010-205
206 630 085 9270 SPRING,COMP 1 765KC-010-206
207 630 085 9171 COLLAR 1 765KC-010-207
208 630 085 9287 SPRING,COMP 1 765KC-010-208
209 630 052 4246 MECH PARTS(PARALLEL PINS) 1 765KC-010-209
210 630 090 8350 ROD END BEARINGS 1 765KC-010-210
211 630 048 9422 PIN,HINGE 1 765KC-010-211
212 630 089 7951 PLATE 1 765KC-010-212
213 411 141 0901 NUT HEX 8 1 765KC-010-213
214 411 141 3100 WASHER SPR 8 1 765KC-010-214
215 411 141 6101 WASHER F 8X15.5X1.6 1 765KC-010-215
216 630 089 7258 BRACKET 1 765KC-010-216
217 630 000 0252 SENSOR,PHOTO 2 BPH32,BPH33 765KC-010-217
218 630 000 0269 SENSOR,PHOTO(CONNECTOR) 2 765KC-010-218
219 630 000 7626 BOLT,HEX-SCT 2 765KC-010-219
220 411 141 2905 WASHER SPR 4 2 765KC-010-220
221 411 141 5906 WASHER F 4X8X0.8 2 765KC-010-221
222 411 040 7803 SCR PAN 3X12 4 765KC-010-222
223 411 141 2806 WASHER SPR 3 4 765KC-010-223
224 411 141 5807 WASHER F 3X6X0.5 4 765KC-010-224

MODEL TCM-X100
0107-001
180
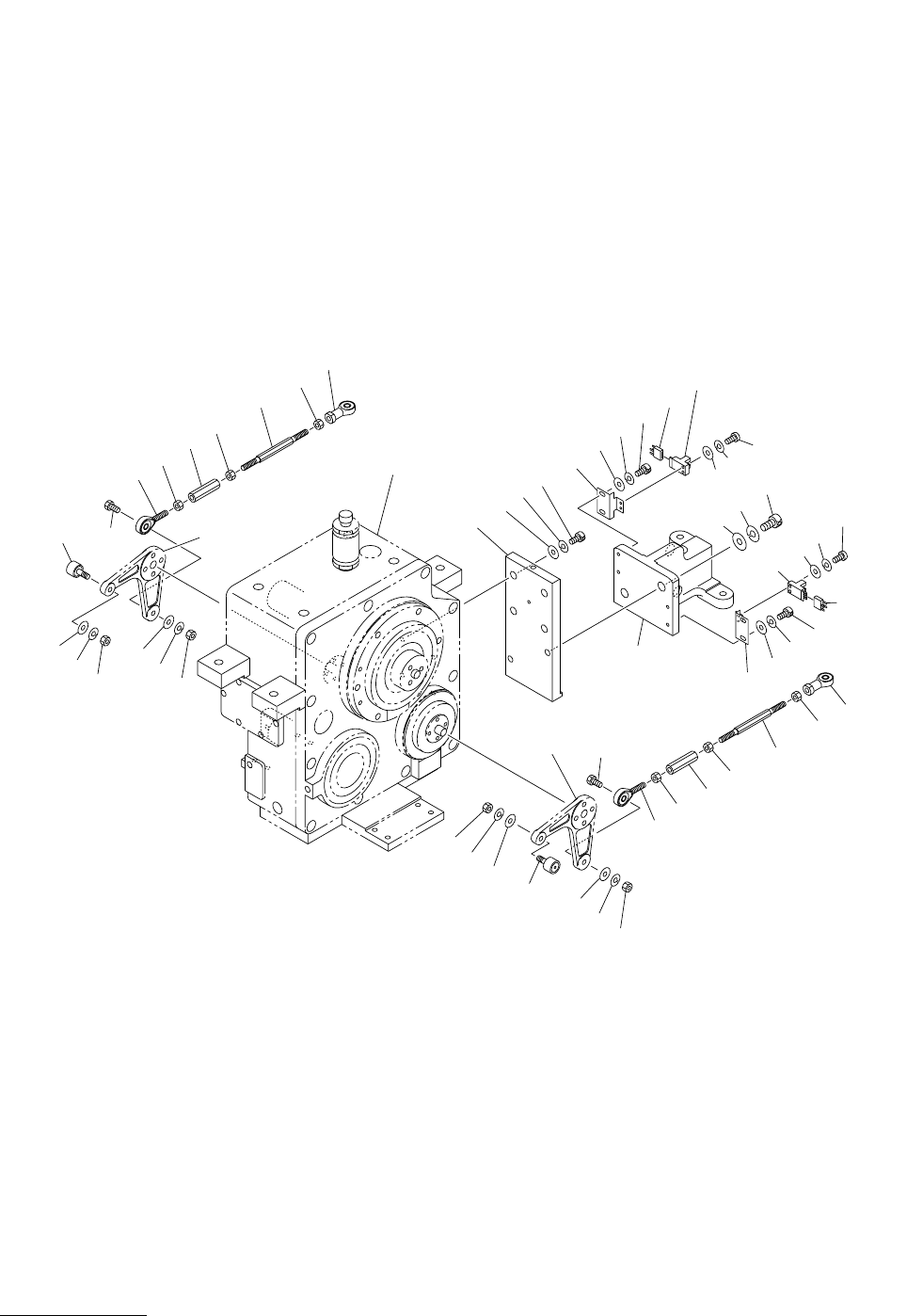
ࠞࡓ㧟ゲㇱ CAM SHAFT 3 AXIS SECTION
Fig. KC-4 ࡁ࠭࡞ಾᦧ߃ࡌࠬ Nozzle Changer Base
Fig.KC-4
305
310
309
304
323
303
302
308
307
306
313
312
311
322
321
320
313
306
305
301
310
309
308
307
325
315
314
315
316
317
318
326
333
332
331
327
328
329
329
328
327
333
332
331
330
See Fig.KC-1
Key No.1
See Fig.KC-1
Key No.9
See Fig.KC-1
Key No.9
326
318
317
316
315
314
315
325
330
312
311
TCM-X200
TCM-X300
4797L
4797A

MODEL TCM-X100
0107-001
Key No. PART No. PART NAME Q’ty REMARKS
NOTE
181
KC-4
301 630 093 2539 BASE 1 765KC-010-301
302 630 000 7909 BOLT,HEX-SCT 4 765KC-010-302
303 411 141 3001 WASHER SPR 6 4 765KC-010-303
304 411 141 6002 WASHER F 6X11.5X1.6 4 765KC-010-304
305 630 093 2546 BRACKET 2 765KC-010-305
306 630 069 0545 SENSOR,PHOTO 2 BPH87,BPH88 765KC-010-306
307 630 000 0269 SENSOR,PHOTO(CONNECTOR) 2 765KC-010-307
308 630 000 7626 BOLT,HEX-SCT 4 765KC-010-308
309 411 141 2905 WASHER SPR 4 4 765KC-010-309
310 411 141 5906 WASHER F 4X8X0.8 4 765KC-010-310
311 411 040 7803 SCR PAN 3X12 4 765KC-010-311
312 411 141 2806 WASHER SPR 3 4 765KC-010-312
313 411 141 5807 WASHER F 3X6X0.5 4 765KC-010-313
314 630 093 8067 ROD 2 765KC-010-314
315 630 000 9743 NUT,HEX 4 765KC-010-315
316 630 050 0738 ROD 2 765KC-010-316
317 411 141 0703 NUT HEX 6 2 765KC-010-317
318 630 048 9330 ROD END 2 765KC-010-318
320 630 000 8029 BOLT,HEX-SCT 2 765KC-010-320
321 411 141 3100 WASHER SPR 8 2 765KC-010-321
322 630 001 0237 WASHER 2 765KC-010-322
323 630 088 4708 PLATE 1 765KC-010-323
325 630 001 1067 ROD END 2 765KC-010-325
326 630 008 2395 BOLT,HEX 2 765KC-010-326
327 411 141 0703 NUT HEX 6 2 765KC-010-327
328 411 141 3001 WASHER SPR 6 2 765KC-010-328
329 411 141 6002 WASHER F 6X11.5X1.6 2 765KC-010-329
330 630 085 9621 CAM FOLLOWER 2 765KC-010-330
331 411 141 0703 NUT HEX 6 2 765KC-010-331
332 411 141 3001 WASHER SPR 6 2 765KC-010-332
333 411 141 6002 WASHER F 6X11.5X1.6 2 765KC-010-333