YSi-X_cwd_je - 第5页
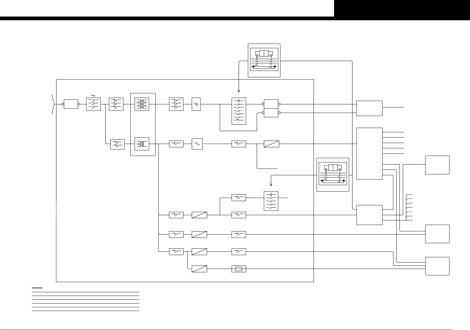
Confidential & Proprietary P A GE Each Motors K2 CH2 CH1 K1 EMERGENCY CIRCUIT Safety Relay2 KM12 SIGNAL TOWER COVER S/W EMG S/W CONVEYOR MOTOR 30W VALVE SENSOR FAN COMU I/O CONVEYOR BOARD TRG DC24VB X-RAY SOURCE TRG …

Confidential & Proprietary
PAGE
Each Motors
K2
CH2 CH1
K1
EMERGENCY CIRCUIT
Safety Relay2
KM12
TRG
CAM
COMU
CONTROL BOX
HEAD UNIT
UPS
CAMERA UNIT
USB MEMORY
HDD
SERVO AMP
TC11 1.5KVA
QF12 15A
Main Breaker
2∼
Transformer
QF21 10A
Circuit
Protector
GB1
1∼ AC100V1∼ AC100V
UPS
TM11 4.50KVA
Main Switch
Main Breaker
NF11
POWER TRANSFORMER
TERMINAL
3∼
3∼ 3∼ AC200V
QS11 40A QF11 20A
Noise
Filter
QF31 10A
Circuit
ProtectorTransformer
Terminal
XB11
200/208/220/240
380/400/416
3∼ 50/60Hz
Rating 7.0KVA MAX.
LASER CONTROLLER
XT31
Terminal
LCD
+5V/22A
GS31 350W +3.3V/20A
+5VSB/2A
+12V/22A
-12V/0.5A
ATX
Power Supply
3∼ AC200V
KM11
Contactor
QF51 3A
Circuit
Protector
1∼ AC100V
3∼ AC200V
3∼ AC200V
GS21 300W 14A
Power Supply
DC24VA
QF22 5A
Circuit
Protector
DC24VA1
QF42 2A
Circuit
Circuit
Protector
QF41 10A
Protector
CVD+24V
KA10
SAFETY RELAY 3
DC24VA2
DRIVER
CONVEYOR MOTOR
SIGNAL TOWER
COVER S/W
EMG S/W
CONVEYOR MOTOR 30W
VALVE
SENSOR
FAN
COMU
I/O CONVEYOR BOARD
Power Supply
DC24VB
QF23 2A
Circuit
Protector
GS22 300W 14A
Power Supply
Power Supply
QF24 1A
DC12V
Circuit
Protector
DC5V
DC24VB
QF43 5A
Circuit
Protector
DC12V
QF44 1A
Circuit
Protector
DC5V
Fuse
TRG
DC24VB
X-RAY SOURCE
DC5V
DC12V
CAM
Safety Relay1
KM10
EMERGENCY CIRCUIT
K1CH1CH2K2
Protector Power Supply
QF25 1A GS25 50W 10A
Protector
DC-5V
DC-5V
DC-5V
POWER CIRCUIT
QF45 1A
See Page 16
See Page 6-7
See Page 9-10
See Page 8
See Page 11-14
See Page 6-7
See Page 15
See Page 15
See Page 13
GS23 50W 4.3A
FP Detector
Notes
YSi-X has different camera variation.
Choose the interconnection diagram by camera type.
TYPE B:Direct conversion panel method Long service life type
TYPE A:FOS flat panel system High resolution type
The details of camera type are as follows.
TYPE D:FOS flat panel system High speed type
FU01 2A
See Page 3,5
GS24 15W 3A
CC.V4
1
OVER VIEW -TYPE A and D-
YSi-X

Confidential & Proprietary
PAGE
Each Motors
K2 CH2 CH1 K1
EMERGENCY CIRCUIT
Safety Relay2
KM12
SIGNAL TOWER
COVER S/W
EMG S/W
CONVEYOR MOTOR 30W
VALVE
SENSOR
FAN
COMU
I/O CONVEYOR BOARD
TRG
DC24VB
X-RAY SOURCE
TRG
CAM
COMU
CONTROL BOX
HEAD UNIT
UPS
CAMERA UNIT
USB MEMORY
HDD
SERVO AMP
TC11 1.5KVA
QF12 15A
Main Breaker
2∼
Transformer
QF21 10A
Circuit
Protector
GB1
1∼ AC100V1∼ AC100V
UPS
GS21 300W 14A
Power Supply
Power Supply
DC24VB
DC24VA
QF22 5A
Circuit
Protector
QF23 2A
Circuit
Protector
GS22 300W 14A
TM11 4.50KVA
Main Switch
Main Breaker
NF11
POWER TRANSFORMER
TERMINAL
3∼
3∼ 3∼ AC200V
QS11 40A QF11 20A
Noise
Filter
QF31 10A
Circuit
ProtectorTransformer
Terminal
XB11
DC5V
DC12V
CAM
CdTe DEVICE
Power Supply
Power Supply
QF24 1A
DC12V
Circuit
Protector
DC5V
200/208/220/240
380/400/416
3∼ 50/60Hz
Rating 7.0KVA MAX.
LASER CONTROLLER
CVD+24V
KA10
SAFETY RELAY 3
XT31
Terminal
LCD
+5V/22A
GS31 350W +3.3V/20A
+5VSB/2A
+12V/22A
-12V/0.5A
ATX
Power Supply
3∼ AC200V
KM11
Contactor
QF51 3A
Circuit
Protector
1∼ AC100V
DC24VA2
DC24VA1
DC24VB
QF42 2A
Circuit
Circuit
Protector
QF41 10A
Protector
QF43 5A
Circuit
Protector
3∼ AC200V
DC12V
QF44 1A
Circuit
Protector
DC5V
Fuse
FU01 1A
DRIVER
CONVEYOR MOTOR
3∼ AC200V
See Page 6-7
See Page 16
See Page 9-10
See Page 8
See Page 11-14
See Page 15
See Page 15
See Page 14
Notes
YSi-X has different camera variation.
Choose the interconnection diagram by camera type.
TYPE B:Direct conversion panel method Long service life type
TYPE A:FOS flat panel system High resolution type
The details of camera type are as follows.
TYPE D:FOS flat panel system High speed type
Safety Relay1
KM10
EMERGENCY CIRCUIT
K1CH1CH2K2
See Page 6-7
POWER CIRCUIT
See Page 4,5
GS24 15W 3A
GS23 15.6W 1.3A
CC.V4
2
OVER VIEW -TYPE B-
YSi-X

Confidential & Proprietary
PAGE
64
63
CVD+24V
+24VA2
UPS REMOTE J0253
J0038
2
1
2
1
J0247
EMERGENCY CIRCUIT
KA10
3/L2 4/T2
5/L3
1/L1 2/T1
5/L3
EMERGENCY CIRCUIT
MAX660V/13A
J0009
J0008
W53
V53
U53
W52
V52
U52
KM11
J0007
J0058
U53
V53
W53
U54
V54
≧AWG10(5.3sq)
J0030
J0031
J0029
J0028
J0027
J0026
J0025
J0024
J0023
J0022
J0021
J0004
NOTE:Icu≧6kA(AC440V)
NOTE:Icu≧7.5kA(AC440V)
A01
J0082
J0070
J0071
R3
S3
J0069
J0068
J0067
-12V/0.5A
+12V/22A
+5VSB/2A
+5V/22A
350W +3.3V/20A
J0066
REMOTE
SERIAL
GB1
ATX PWRJ0040
OUT
UPS
1 2
DIP SW
ON
OFF
3 4 5 6 7 8
The setting switch of the UPS
IN
UPS OUT J0039
J0279
U11AU10
GS31
ATX
ATX POWER SUPPLY
8
7
6
5
4
3
2
1
AC IN
8
7
6
5
4
3
2
1
12V
MOTHER
CONTROL BOX
CPU12V1
4
3
2
1
J0032
U10
V10
2
1
QS11
MAX690V/40A
T1
S1
R1
MAX500V/20A
W54
U54
POWER CIRCUIT - 2 -W52
V52
U52
W51W51
V51V51
U51U51
J0006
W50
V50
U50
W50
V50
U50
J0005
E E
25
4
6
1
3
S3
R3
T2S2
T2
S2
R2R2
J0003
R1
S1
R1
S1
R1
S1
T1
L3
L2
L1
PE
L3
L2
L1
J0002
J0001
J0001
CONTROL BOX
1.5KVA
QF21 10A
MAX690V/15A
QF12
T1
T2L2
L1
240V
220V
208V
200V
190V
0V
240V
220V
208V
200V
190V
0V
0V
100V
100V
100V
0V
0V
TC11
NF11
TM11
MAX690V/20A
QF11
L1
L2
L3
T2
T3
T1
L3
L2
L1
MAX750V/44A
PE
XB11
QF31 10A
UPS IN
N
L
N
L
FG FG
MICRO ATX
MOTHER BOARD
COM1
1
2
1
2
High Voltage
!
・On the cover under the front right side.
・On the lower former cover at CONTROL BOX A1.
・Near the MAIN SW QS11.
・Around J0001 harness.
・Lower of INCOMING SUPPLY TERMINAL BLOCKS XB11.
that might be gotten an electric shock.
*The charge mark is put on the place
when MAIN SW QS11 is OFF.
Residual risk
and MAIN SW QS11.
・Secondary side of UPS.
・Between INCOMING SUPPLY TERMINAL BLOCKS XB11
*
W
V
U
230V
200V
230V
200V
230V
200V
N
0V
190V
200V
208V
220V
240V
0V
190V
200V
208V
220V
240V240V
220V
208V
200V
190V
0V
240V
220V
208V
200V
190V
0V
240V
220V
208V
200V
190V
0V
240V
220V
208V
200V
190V
0V
J0041
LCD
LCD PWR
T1
T2L2
L1
QF51 3A
U12
V12
U13A
V13A
U13A
V13A
4.50KVA(OUTPUT VOLTAGE 200V)
J0054
・On the cover under the rear center.
・On the cover under the rear left side.
・On the cover under the rear right side.
・On the rear side of the right side panel.
・On the front side of the right side panel.
・On the center of the right side panel.
・On the rear side of the left side panel.
・On the cover under the front left side.
TOUCH PANEL MONITOR
J0076
MAX600V/30A
V10
V10
V10
V10
J0037
J0036
J0033
V10
V10
V10
V10
XT21
U11B
QF22 5A
U11C
J0035
J0034
QF24 1A
QF23 2A
U11D
J0051
CN1
P021
I/O CONVEYOR BOARD ASSY
+24V2
+24V
1
2
3
4
1
2
3
4
CN1
J0047
+24VA1+24VA
QF41 10A
+24VA2
QF42 2A
+24VB+24VB
QF43 5A
+12VA
QF44 1A
+5VA+5V
J0053
XRAY PWR
3
2
1
X-RAY SOURCE
A20
3
2
1XRAY PWR
22
11
J0055
MAX600V/30A
0V24A
0V24A
0V24A
0V24A
XT41
MAX600V/30A
0V24B0V24B
0V24B
XT42
MAX600V/30A
0V12
0V12
XT43
MAX600V/30A
0V5 0V5
0V5
XT44
4
3
2
1
4
3
2
1
J0056
2
3
4
CDTE PWR
1
CAM PWR
2
1
2
1
2
CDTE PWR
1
4
3
22
11
CAM PWR
0V-50V-5
MAX600V/30A
QF45 1A
-5V -5VA
+12V
0V12
U11D
U11E
QF25 1A
V10
V10
J0061
J0244 J0065
J0077
See Page 11
See Page 8
See Page 5
See Page 6-7
See Page 6-7
See Page 8
See Page 16
See Page 16
T1
T2
T3
L1
L3
L2
41 4241 42
J0042
300W 14A
0V24A
V10
U11B
+24VA
-
-
FG
N
L +
+
GS21
J0073
300W 14A
+24VB
0V24B
-
-
FG
N
L +
+
J0043
V10
U11C
GS22
J0074
J0075
0V5
+5V
GS24
-
FG
N
L
+
J0045
U11D
V10
0V12
+12V
+R-R
50W 4.3A
-
FG
N
L
+
V10
U11D
GS23
+R-R
50W 10A
GS25
FG
N
L
V10
U11E
-5V
-
+
0V-5
J0062
J0063
J0092
J0048
J0060
J0050
J0064
J0078
GS23 +R-R
GS25 +R-R
J0046
XT45
0V-5
4
3
2
1
5
6
7
8
5
6
7
8
4
3
2
1
FPS PWR
FP Detector
A23
J0052
DCN1
P011
1
2
CONVEYOR
DRIVER2
1
Notes
YSi-X has different camera variation.
Choose the interconnection diagram by camera type.
TYPE B:Direct conversion panel method Long service life type
TYPE A:FOS flat panel system High resolution type
The details of camera type are as follows.
TYPE D:FOS flat panel system High speed type
FU01 2A
15W 3A
CC.V4
3
POWER CIRCUIT - 1 - TYPE A and D
YSi-X