P-0188-003 - 第131页
Key No. P AR T No. P AR T NAME Q’ty REMARKS NOTE MODEL TCM-X1 10J 0306-001 129 101 630 088 2285 PULLEY 4 810JD-010-101 102 630 093 5745 PULLEY 2 810JD-010-102 103 630 076 2792 ROD 4 810JD-010-103 104 630 076 2808 ROD 2 8…

MODEL TCM-X110J
0306-001
128
XY
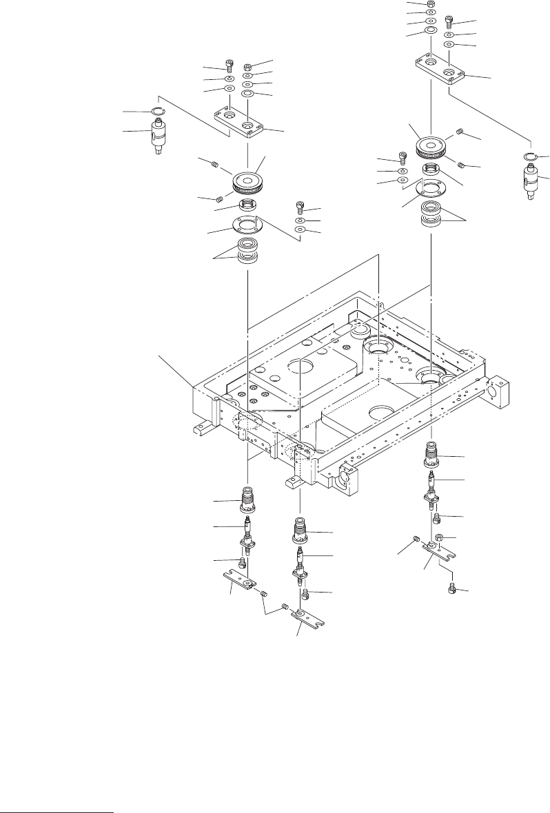
テーブル部
XY TABLE SECTION
Fig. JD-2 XY
シュートベルト
XY Chute Belt
109
108
105
107
101
107
103
103
107
101
107
105
103
107
101
107
105
11
2
105
11
2
107
101
107
103
112
11
3
106
107
104
105
107
102
107
104
102
105
11
2
See Fig.JD-1
Key No.33
See Fig.JD-1
Key No.1
See Fig.JD-4
Key No.306
11
3
110
110

Key No. PART No. PART NAME Q’ty REMARKS
NOTE
MODEL TCM-X110J
0306-001
129
101 630 088 2285 PULLEY 4 810JD-010-101
102 630 093 5745 PULLEY 2 810JD-010-102
103 630 076 2792 ROD 4 810JD-010-103
104 630 076 2808 ROD 2 810JD-010-104
105 630 076 2815 COLLAR 6 810JD-010-105
106 630 120 1047 BELT,FLAT 2 810JD-010-106
107 630 001 1586 BEARING,RADIAL 12 LF-1050ZZ 810JD-010-107
108 630 076 8848 BEARING,RADIAL 1 TLA1210Z 810JD-010-108
109 630 097 9596 SHAFT,LINEAR 1 810JD-010-109
110 630 051 6166 MECH PARTS(DRYMET WASHER) 2 810JD-010-110
112 630 008 2296 SET SCREW 4 810JD-010-112
113 411 141 0307 NUT HEX 4 2 810JD-010-113
JD-2

MODEL TCM-X110J
0306-001
130
XY
テーブル部
XY TABLE SECTION
Fig. JD-4 XY
シュートベース
XY Chute Base
309
334
309
See Fig.JC-1
Key No.4
328
324
326
314
328
324
326
314
302
330
330
306
307
311
310
302
330
330
306
307
311
310
335
324
337
335
324
337
320
313
316
324
326
320
313
316
324
326
305
312
318
328
305
318
309
312
338
305
312
318
334