P-0188-003 - 第153页
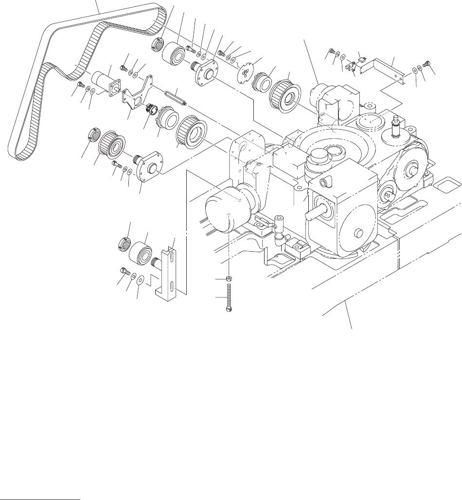
Key No. P AR T No. P AR T NAME Q’ty REMARKS NOTE MODEL TCM-X1 10J 0306-001 151 1 630 097 9725 PULLEY ,TIMING 1 810K--010-001 2 630 049 0053 MECH P AR TS(MECHA LOCK) 1 810K--010-002 3 630 090 9746 COUPLING 1 810K--010-003…

MODEL TCM-X110J
0507-002
150
ヘッド駆動部
HEAD DRIVING SECTION
Fig. K-1
メイン駆動部
Main Driver
26
33
32
31
20
19
17
16
18
8
9
7
6
12
11
10
47
22
17
46
45
44
17
16
21
See Fig.B-1
Key No.1
See Fig.L-1
Key No.12
25
24
23
43
28
5
3
2
1
4
15
30
14
13
39
38
37
35
36
40
41
34
42

Key No. PART No. PART NAME Q’ty REMARKS
NOTE
MODEL TCM-X110J
0306-001
151
1 630 097 9725 PULLEY,TIMING 1 810K--010-001
2 630 049 0053 MECH PARTS(MECHA LOCK) 1 810K--010-002
3 630 090 9746 COUPLING 1 810K--010-003
4 630 092 5654 HOLDER 4 810K--010-004
5 630 092 5661 PLATE 1 810K--010-005
6 411 141 4305 WASHER V 6X12.5X1.6 4 810K--010-006
7 411 141 3001 WASHER SPR 6 4 810K--010-007
8 630 000 7886 BOLT,HEX-SCT 4 810K--010-008
9 630 006 1130 UNIT,I/O 1 3F88L-RS-17 810K--010-009
10 411 141 4008 WASHER V 4X9X0.8 4 810K--010-010
11 411 141 2905 WASHER SPR 4 4 810K--010-011
12 630 000 7633 BOLT,HEX-SCT 4 810K--010-012
13 630 097 9732 PULLEY,TIMING 1 810K--010-013
14 630 049 0060 MECH PARTS(MECHA LOCK) 1 810K--010-014
15 630 092 5678 SHAFT 1 810K--010-015
16 630 048 9293 BEARING,UNIT 2 810K--010-016
17 630 049 0138 NUT 3 810K--010-017
18 411 141 4305 WASHER V 6X12.5X1.6 6 810K--010-018
19 411 141 3001 WASHER SPR 6 6 810K--010-019
20 630 000 7886 BOLT,HEX-SCT 6 810K--010-020
21 630 092 5685 SHAFT 1 810K--010-021
22 630 097 9794 PULLEY,TIMING 1 810K--010-022
23 630 001 0251 WASHER 2 810K--010-023
24 411 141 3209 WASHER SPR 10 2 810K--010-024
25 630 000 8135 BOLT,HEX-SCT 2 810K--010-025
26 630 119 8095 BELT,TIMING 1 810K--010-026
28 630 093 1419 BOLT,HEX-SCT 1 810K--010-028
30 630 093 9217 DISK 1 810K--010-030
31 411 141 4008 WASHER V 4X9X0.8 1 810K--010-031
32 411 141 2905 WASHER SPR 4 1 810K--010-032
33 630 000 7619 BOLT,HEX-SCT 1 810K--010-033
34 630 092 5708 BRACKET 1 810K--010-034
35 630 032 5287 SENSOR,PHOTO 1 BPH54,EE-SX672 810K--010-035
36 630 000 0269 SENSOR,PHOTO(CONNECTOR) 1 EE-1001 810K--010-036
37 411 119 1909 WASHER V 3X7X0.5 2 810K--010-037
38 411 086 4408 WASHER SPR 3 2 810K--010-038
39 411 042 0703 SCR PAN 3X8 2 810K--010-039
40 411 141 4107 WASHER V 5X10X1 2 810K--010-040
41 411 141 6705 WASHER SPR 5 2 810K--010-041
42 630 000 7763 BOLT,HEX-SCT 2 810K--010-042
43 411 141 1106 NUT HEX 10 1 810K--010-043
44 630 092 6194 SHAFT 1 810K--010-044
45 411 141 4305 WASHER V 6X12.5X1.6 6 810K--010-045
46 411 141 3001 WASHER SPR 6 6 810K--010-046
47 630 000 7886 BOLT,HEX-SCT 6 810K--010-047
K-1

MODEL TCM-X110J
0507-002
152
ヘッド駆動部
HEAD DRIVING SECTION
Fig. K-2
装着レバー
Placement Lever
See Fig.B-1
Key No.1
See Fig.L-1
Key No.1
2
115
11
6
11
8
132
131
130
11
0
109
108
120
119
121
122
123
11
7
126
129
128
136
140
146
147
141
138
139
135
11
2
11
3
11
4
111
106
107
142
143
144
138
137
134
102
101
127
145
103
104
125
124
105
124
122
123
121
148
A
A