P-0188-003 - 第20页
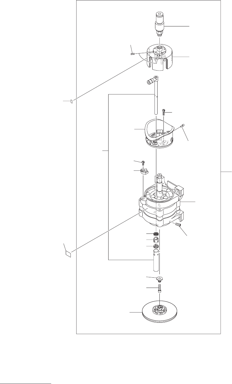
MODEL TCM-X1 10J 0507-002 18 201-1 1 201-0 7 201-22 202 201-05 201-02 201-21 201-13 203 201-06 201-09 201-06 201-12 201-14 201-10 201-0 3 201-02 201-01 201-0 8 201 ヘッドブロック部 HEAD BLOCK SECTION Fig. BB-3 ヘッド ASSY Head Assy

Key No. PART No. PART NAME Q’ty REMARKS
NOTE
MODEL TCM-X110J
0306-001
17
401 630 085 3278 ROTOR 1 810B--010-401
402 411 141 4305 WASHER V 6X12.5X1.6 3 810B--010-402
403 411 141 3001 WASHER SPR 6 3 810B--010-403
404 630 085 8310 BOLT,HEX-SCT 3 810B--010-404
405 630 085 8518 ROTOR 1 810B--010-405
406 411 141 4008 WASHER V 4X9X0.8 4 810B--010-406
407 411 141 2905 WASHER SPR 4 4 810B--010-407
408 630 000 7619 BOLT,HEX-SCT 4 810B--010-408
409 630 085 5081 ROTOR 1 810B--010-409
410 630 048 6834 COLLAR 6 810B--010-410
411 411 141 4008 WASHER V 4X9X0.8 6 810B--010-411
412 411 141 2905 WASHER SPR 4 6 810B--010-412
413 630 000 7633 BOLT,HEX-SCT 6 810B--010-413
414 630 052 3881 BOLT 4 810B--010-414
415 411 141 4305 WASHER V 6X12.5X1.6 3 810B--010-415
416 411 141 3001 WASHER SPR 6 3 810B--010-416
417 630 000 7886 BOLT,HEX-SCT 3 810B--010-417
418 630 090 9739 COUPLING 1 810B--010-418
419 411 141 4107 WASHER V 5X10X1 3 810B--010-419
420 411 141 6705 WASHER SPR 5 3 810B--010-420
421 630 000 7770 BOLT,HEX-SCT 3 810B--010-421
422 630 067 0240 BOLT 24 810B--010-422
423 630 085 8150 COUPLING 1 810B--010-423
424 630 001 0244 WASHER 2 810B--010-424
425 411 141 3100 WASHER SPR 8 2 810B--010-425
426 630 000 8043 BOLT,HEX-SCT 2 810B--010-426
451 630 119 4776 P.C.B,MOUNT 1 #SVME-UA68 810B--010-451
452 630 119 8361 UNIT,DRIVER 6 APMD1-12,D2890B 810B--010-452
B-5

MODEL TCM-X110J
0507-002
18
201-11
201-0
7
201-22
202
201-05
201-02
201-21
201-13
203
201-06
201-09
201-06
201-12
201-14
201-10
201-0
3
201-02
201-01
201-0
8
201
ヘッドブロック部
HEAD BLOCK SECTION
Fig. BB-3
ヘッド
ASSY Head Assy

Key No. PART No. PART NAME Q’ty REMARKS
NOTE
MODEL TCM-X110J
0306-001
19
201 630 117 8172 ASSY,HOLDER 12 810BB-010-201
201 -01 630 082 8863 MOTOR,STEPPING 1 MPM1-12,M9529Z01A
201 -02 630 117 0718 CAM 1
201 -03 630 121 8250 BOLT,HEX-SCT 2
201 -05 630 118 2469 BUSH,BALL 5
201 -06 630 048 0849 SEAL 10
201 -07 630 116 8555 HOLDER 1
201 -08 630 097 4805 BOLT,HEX-SCT 3
201 -09 630 083 4369 COLLAR 5
201 -10 630 117 1647 DISK 1
201 -11 630 057 0076 PIPE FITTINGS 1
201 -12 630 091 2654 PLATE 1
201 -13 630 083 3300 HOLDER 1
201 -14 630 091 2661 BOLT,HEX-SCT 1
201 -21 630 047 4596 BOLT,HEX-SCT(BUTTON HEAD) 1
201 -22 630 082 9808 SET SCREW 2
202 630 089 7494 NAME PLATE,PARTS 1 810BB-010-202
203 630 089 7500 NAME PLATE,PARTS 1 810BB-010-203
BB-3