P-254-006e - 第54页
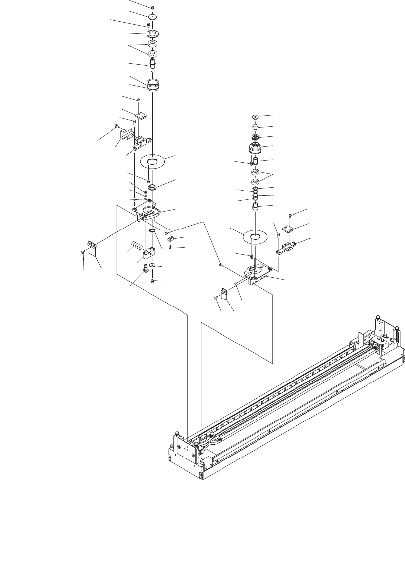
MODEL GXH-1S 0709-002 52 カッタ部 A,D CUTTER SECTION A,D Fig. DC-4 カッタ部 Cutter Section 362 356 . 321 360 353 357 318 333 337 316 346 310 354 358 363 368 345 351 301 367 362 . 355 . 312 331 324 335 367 362 . 356 . 366 361 . 3…

MODEL GXH-1S
1012-003
51
Key No. PART No. PART NAME Q’ty REMARKS New Code
NOTE
208 6301245829 BUSH,BEARING 4 803DC-210-208 222A0150
209 6301245812 BUSH,BEARING 4 803DC-210-209 222A0149
212
6301371979 PLATE 1 803DC-210-012 211DA601
219 6301371986 BRACKET 1 803DC-210-019 211F9751
229 6301370613 BLOCK 2 803DC-210-029 211G4076
230 6301261164 SPRING,TORSION 2 803DC-210-060 222P0171
231
6301262017 PIN,HINGE 4 803DC-210-061 216D0443
232
6301262031 PIN,HINGE 2 803DC-210-062 216D0444
233
6301262062 PIN,HINGE 4 803DC-210-063 216D0445
234
6301374055 LEVER 1 803DC-210-064 216S2832
235
6301374062 LEVER 1 803DC-210-065 216S2833
237
6301367965 LEVER 1 803DC-210-067 216S2820
238
6301367989 LEVER 1 803DC-210-068 216S2821
239
6301404394 LEVER 1 803DC-210-069 216S2923
240
6301404417 LEVER 1 803DC-210-070 216S2925
244
6301279329 MECH PARTS 2 803DC-210-074 226J1934
251
6300007497 BOLT,HEX-SCT 4 M3X4 221A0004
252
6300007503 BOLT,HEX-SCT 4 M3X6 221A0005
253
6300007626 BOLT,HEX-SCT 4 M4X10 221A0017
256
4111412806 WASHER SPR 3 4 SW3 221H0281
257
4111412905 WASHER SPR 4 4 SW4 221H0284
261
4111413902 WASHER V 3X7X0.5 8 FW3 221H0312
262
4111415906 WASHER F 4X8X0.8 4 FWS4 221H0340
DC-3
2Unit/1Machine

MODEL GXH-1S
0709-002
52
カッタ部
A,D CUTTER SECTION A,D
Fig. DC-4
カッタ部
Cutter Section
362
356
.
321
360
353
357
318
333
337
316
346
310
354
358
363
368
345
351
301
367
362
.
355
.
312
331
324
335
367
362
.
356
.
366
361
.
352
.
336
307
340
330
348
322
359
360
301
351
311
313
331
357
324
338
305
347
306
319
334
339
325
350
320
326
328
327
329

MODEL GXH-1S
1012-005
53
Key No. PART No. PART NAME Q’ty REMARKS New Code
NOTE
301 6301579795 DISK 2 803DC-210-071 213D1294
305 6301099491 BEARING,RADIAL 2 803DC-210-205 222D0376
306
6301354279 BEARING,THRUST 1 803DC-210-206 222E0017
307
6301369440 BEARING,RADIAL(ANGYURA) 2 803DC-210-207 222D0412
310
6301369716 BASE 1 803DC-210-050 210A2376
31
1 6301369747 BASE 1 803DC-210-051 210A2379
312
6301577203 BASE 1 803DC-210-052 210A2882
313
6301577241 BASE 1 803DC-210-053 210A2884
316
6301366678 LEVER 1 803DC-210-066 216S2815
318
6301359762 SPRING,COMP 1 803DC-210-058 222M1373
319
6301367088 SPRING,COMP 1 803DC-210-059 222M1378
320
6301370033 BRACKET 1 803DC-210-020 211F9725
321 6301364599 COVER 1 803DC-210-221 211A9719
322 6301365527 COVER 1 803DC-210-222 211A9733
324 6300690644 BOLT 4 803DC-210-224 221E0129
325
6301288901 MACHINE SCREW 4 803DC-210-225 221D0172
326
6301493824 PLATE 1 T0.1 803DC-210-226 21
1DC026
327 6301493831 PLATE 1 T0.2 803DC-210-227 21
1DC027
328 6301493848 PLATE 1 T0.3 803DC-210-228 21
1DC028
329 6301493855 PLATE 1 T0.05 803DC-210-229 21
1DC029
330 6301376028 SEAL 1 803DC-210-230 226A0256
331
6301563077 BLOCK 2 803DC-210-031 211G5305
333 6300010206 WASHER 1 803DC-210-233 221H0003
334
6301365084 HOLDER 1 803DC-210-034 216B1514
335
6301369808 HOLDER 1 803DC-210-035 216B1519
336
6301365565 HOLDER 1 803DC-210-036 216B1516
337
6301364674 SHAFT 1 803DC-210-037 213A1197
338 6301365060 SHAFT 1 803DC-210-038 213A1200
339
6301365077 SHAFT 1 803DC-210-039 213A1201
340
6301365541 SHAFT 1 803DC-210-040 213A1205
345
6301364568 GUIDE 1 803DC-210-045 212A2212
346
6301364575 GUIDE 1 803DC-210-046 212A2213
347
6301467191 GUIDE 1 803DC-210-047 212A2351
348
6301370002 GUIDE 1 803DC-210-048 212A2226
350
6301359847 BLOCK 1 803DC-210-030 211G4012
351 6300083057 BOLT,HEX-SCT 8 M2X4 221A0121
352
6300083057 BOLT,HEX-SCT 4 M2X4 221A0121
353
6300876659 BOLT,HEX-SCT 2 M2X10 221A0245
354
6300007497 BOLT,HEX-SCT 20 M3X4 221A0004
355
6300007503 BOLT,HEX-SCT 2 M3X6 221A0005
356
6300007510 BOLT,HEX-SCT 2 M3X8 221A0006
357
6300007619 BOLT,HEX-SCT 4 M4X8 221A0016
358
4111407901 SCR TRS 3X4 1 M3X4 TRS 221E0528
359 6300008883 SET SCREW 1 M3X4 SET 221C0001
361 4111412608 WASHER SPR 2 4 SW2 221H0277
362
4111412806 WASHER SPR 3 4 SW3 221H0281
363
4110864408 WASHER SPR 3 1 SW3 F 221H0280
366
4111416903 WASHER V 2X5X0.3 4 FW2 221H0308
367
4111413902 WASHER V 3X7X0.5 3 FW3 221H0312
368
4111191909 WASHER V 3X7X0.5 1 FW3 F 221H0311
DC-4 2Unit/1Machine