CM402-L Mechanical Parts 20070703 - 第203页
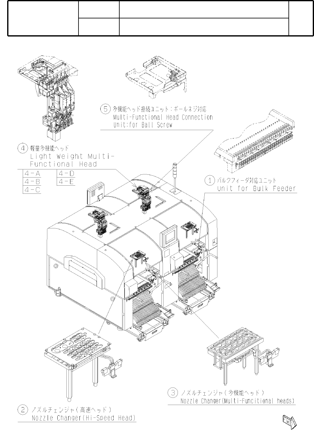
オプション部品 Option Parts


オプション部品
Option Parts

1
CM
402
-
L
:
高速
モジュラーマウンタ
CM402-L:Modular High Speed Placement Machine
ユニットレイアウト
Model No.
製品品番
Model Name
製品名称
KXF-4Z4C
UNIT LAYOUT
-
-
U1
( K4Z4CS-08-1 )
オプション部品 Option Parts


