SM310 Introduction(Chi, Ver4).pdf - 第86页

Samsung Component Placer SM310 Intr oduction 6-20 6.10. 󱯾󰣩󲶽 󱝏󱼁󲢓󱱃 0.5 ~ 0.6 Mpa 󱇽󲳯󲲜󲢓󳐷󱟄󱍙 main inlet 󱮮 󱮮󱝏󰣩󱍙󲶽󱇽󲲥󲔡󲢓 󱱃 Feeder Base 󱍙 SM 󱮮󰉮󲶽󱇽 󳝆  ANC  󲶽󱇽󱖖 󱇴󱏴�…

100%1 / 104
Module Function
6-19
󰔎󰁃 Tape Feeder 󱚢󱥐󳌙󰶎󱍙 Z 󱍙󲶽
󱮮 Tape 󱚢󱥐󲢺Embossed Tape 󱍙󳞭󲢺 Paper Tape 󳞭
Embossed Tape 󰋋󲣌󰸼󲶽 Tape 󲚙󰔑󲳗󲢓󱱃󳌙󰶎󱍙 Z 
6.9.2. 󰀄󰐛󰉮Vibration stick feeder
󱭼 vibration stick feeder 󰌄󲳯󲲜 Stick 󰐺󱍙 SOP, SOJ, PLCC 󱠞󲶽󱇽󳏜
󱍙󳏜󰦔󱐕󱏉󱮔󰊎󱛐󲳖󱍙󲖚󲳯󲲜󰛿󰁧 Stick 󱍙󰊎󰦪󰐺󲶽
󰁧 4 󰐶 Stick
6-16.
󰀄󰐛󰉮
(Vibration stick feeder)
󳐷
Z = 0
Paper Tape Embossed Tape
Z > 0
Z < 0
Ta
p
e Guide
Frame
Y-Plate
X-Plate
Control panel󰁼󳐷󰑔
󰐵󰐛 2
󰐵󰐛 1
󳏜Vibrator
󱢆
Dump box
󰒙
Samsung Component Placer SM310 Introduction
6-20
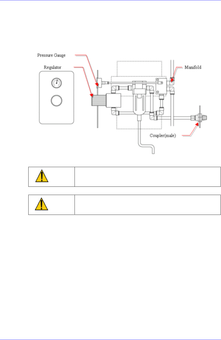
6.10. 󱯾󰣩󲶽
󱝏󱼁󲢓󱱃 0.5 ~ 0.6 Mpa 󱇽󲳯󲲜󲢓󳐷󱟄󱍙 main inlet 󱮮
󱮮󱝏󰣩󱍙󲶽󱇽󲲥󲔡󲢓󱱃 Feeder Base 󱍙 SM 󱮮󰉮󲶽󱇽󳝆
ANC 󲶽󱇽󱖖󱇴󱏴󱝏 󲶽󱇽󲲥󲔡󲱨󲳖󱍙
Stopper Backup Table
6-17
󱯾󰣩󲶽
󰦽
󰑱󲳗󰓜󲢓󱷒󰊵󲚙󲲥󲔡󱼁󰐺󲣉
󲳗󱍙󰣩 0.50.6Mpa
󲠻
󲢓󱃛󱯉󰋋󰣩󱈊󰭥󰏿󰊂󱷒󱻉󲺢
󲢓󱃛󱯉󰋋󲙖󰊂󰣩󱈊󰭥
󲢓󲖚󰆢󰠺󳝹
7-1
󱠁7󱞵. 󲢓󲖚󰆢󰠺󳝹
󰏕󲖚󲢓󳏕󲙖󲵊󰆢󰠺󳝹
󲠻
󰑱󲢓󲖚󲣘󲢪󱈆󰏿󱮤󲲜󲢂󱍙󲲰󲔡󰆢󱷒
󲳵󲢓󰀴󲢓󲖚󲣘󲢪󳕐󱈆
󱍙󰏢󲲰󲔡
1. 󲧴󲧸󲖚󲣘󲢪󱍙󱂅󲢺󱇴󱡶󱃛󲶽󳊽󱕃󲡹󲧼󱍙󲢻
󱮛󲳯󱒺󳕙󲡶󲲓󱂅󰋋󳋉
2. 󲖚󲲓󱂅󱏃󰖕󱍙󲶽󱢆󰏇󱠞󰸋󲱒󲢓

3.
󲢓󲱒󲙖󰖕󰒺󲚙󲙖󰋋󲖚󰓚󰓤(󳞭)
4. 󲧴󲧸󳇕󱍙󲢺󲲥󲱨󰈋󲢓󰁺󰈋󱕃󲡹󰁺󰈋󰈋󰁃󲢓
󲱒󰖕󰒺󰾋󰉅󲺤󰈋󰁃󱡓󲲥󲱨󰁺󰈋󱛠
5. 󲱒󲢓󰋋󲧴󲧸󲖚󲣘󲢪󱍙󲢺󰆢󲢓󱍙󰦽󲙖󲢓
󳌢󰐏󲩌󲺢󰐏󰀴󰋣󲱒󲢓󰦽󲢓󰋨󱕣󲶽󲢞
󱇽󲳗󱍙󲖚󱱃󱳡󱷒󱇽󳌢󰐏󲩌󲺢󰐏󲱒󲢓
6. 󰁞󲖚
󰦽
󲢓󲖚󰋋󲲜󱷒󲢓󱎫󰀴󰦽
󲖚󰋋󲙖󲲜󱇽
󱇽󲩌󲺢󰐏󱇽󳌹󳐷󰑔󱍙󰏽󰸋󱢆
󳌹󰉮󲖚󲙖󰦽󲙖󲢓
7. 󱇽󳌢󰐏󲩌󲺢󰐏󱛐󲢓󰋋󲣌󰸼󲔽󰠺󳝹
󲖚󰠺󳝹