NPM-D3A说明书 - 第29页
NPM-D3A 2021.0219 - 23 - ■ 2 吸 嘴贴装头用吸嘴 ( 异形元件用 ) ※ 订购时请用型号。 吸嘴 No. 1551 / 1551N 1479 / 1479N 2405 / 2405N 型 号 KXFX05J7A00 N610127747AA ( 有 2D 代码 ) KXFX05ASA00 N610117226AA ( 有 2D 代码 ) KXFX05BVA00 N610117223AA ( 有 2D 代码 )…

NPM-D3A 2021.0219
- 22 -
■ 2 吸嘴贴装头用吸嘴
异形芯片等真空吸附面的形状是特殊情况时,通过特殊吸嘴能够对应。详细请与本公司联络。
No.
形 状
(单位: mm)
对象元件
(代表例)
最大
元件重量
No.
形 状
(单位: mm)
对象元件
(代表例)
最大
元件重量
1599
1599N
0.35
0.4
22.5
0.65
0.18
(
扩大图
)
0603R/C 0.007 g
1004
1004N
φ3.5
22.5
φ8
0.6
φ1.5
SOP, SOJ
QFP, PLCC
BGA
23.4 g
1001
1001N
φ0.5
22.5
φ1.3
(
扩大图
)
0.9
1005R/C
1608R/C
2012R/C
SS-Mini Tr/Di
S-Mini Tr/Di
Mini Tr/Di
0.021 g
1005
1005N
φ6
22.5
φ10
1
φ2.4
SOJ
QFP, PLCC
BGA
36.6 g
1002
1002N
φ1.5
22.5
φ3
2.2
(
扩大图
)
3216R/C
4532R/C
TAN-X/B/C/D
Al 电解-A/B/C
0.192 g
1006
1006N
※ 33 × 33 mm 以上的元件,
在 2 吸嘴中需要安装 1 个。
1003
1003N
φ3
22.5
φ6
4
Al 电解-D/E/F
SOP, SOJ
PLCC
BGA, CSP
0.768 g
※ 从生产率的观点,0603 芯片推荐轻量 16 吸嘴贴装头 V3 或者轻量 8 吸嘴贴装头进行贴装。
■ 2 吸嘴贴装头的吸嘴布局
2 吸嘴贴装头的吸嘴布局和最多安装数量
(上图是俯视图)
※ 不可使用 AM100 的吸嘴。
基板识别
照相机
12
根据吸附元件的组合,在不进行吸附
的贴装头上安装吸嘴
(
反射板
)
。
由于是吸附贴装头,提高识别稳定
性。

NPM-D3A 2021.0219
- 23 -
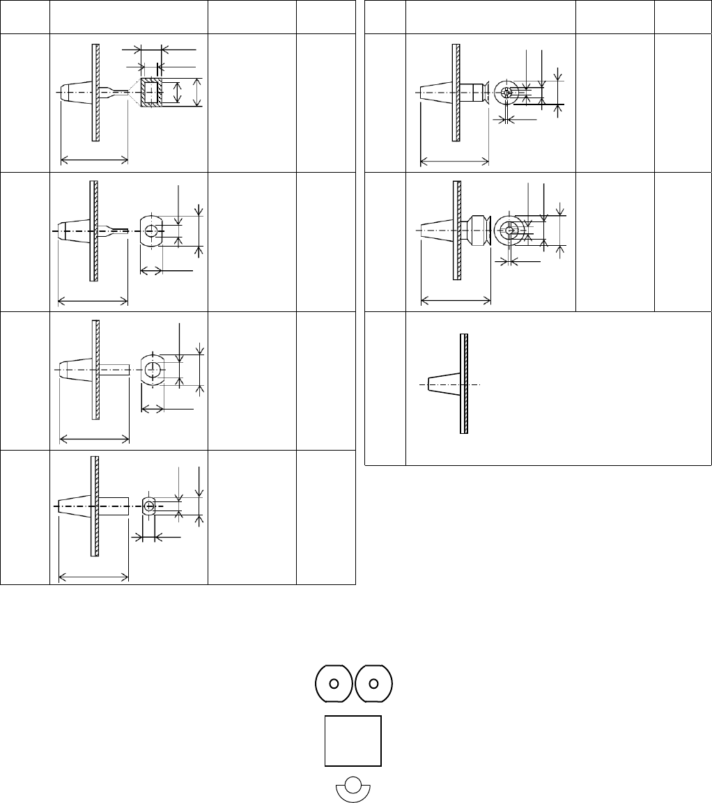
■ 2 吸嘴贴装头用吸嘴(异形元件用)
※ 订购时请用型号。
吸嘴 No. 1551 / 1551N 1479 / 1479N 2405 / 2405N
型 号
KXFX05J7A00
N610127747AA (有 2D 代码)
KXFX05ASA00
N610117226AA (有 2D 代码)
KXFX05BVA00
N610117223AA (有 2D 代码)
形 状
(单位: mm)
φ
0.8
φ
1.6
φ
5
聚氨酯橡胶
φ
3
3
φ
5
1
聚氨酯橡胶
2
最大元件重量 0.12 g 3.5 g 1.5 g
最大元件高度
28 mm 25.5 mm 28 mm
备 注 吸嘴长度: 22.5 mm
附带聚氨酯橡胶
吸嘴长度: 27.5 mm
附带聚氨酯橡胶
吸嘴长度: 22.5 mm
吸嘴 No. 1404 / 1404N 1421 / 1421N 2467 / 2467N
型 号
KXFX0558A00
N610117224AA (有 2D 代码)
KXFX056AA00
N610117225AA (有 2D 代码)
KXFX05F9A00
N610128174AA (有 2D 代码)
形 状
(单位: mm)
5
φ
7
1.4
聚氨酯橡胶
3
8
φ
10
2
聚氨酯橡胶
4
10
φ
12
0.5
聚氨酯橡胶
2
最大元件重量 3.0 g 8.0 g 2.5 g
最大元件高度 28 mm 28 mm 28 mm
备 注
附带聚氨酯橡胶
吸嘴长度: 22.5 mm
附带聚氨酯橡胶
吸嘴长度: 22.5 mm
吸嘴长度: 22.5 mm

NPM-D3A 2021.0219
- 24 -
■ 2 吸嘴贴装头用吸嘴(异形元件用)
※ 订购时请用型号。
吸嘴 No. 1115 / 1115N 2418 / 2418N 1424 / 1424N
型 号
KXFX04PJA00
N610117221AA (
有
2D
代码
)
KXFX05CMA00
N610117211AA (
有
2D
代码
)
KXFX056PA00
N610127619AA (
有
2D
代码
)
形 状
(单位: mm)
13
φ
15
1.4
2
13
φ
16
1
聚氨酯橡胶
3
垫φ
3.5
φ1
φ1.6
最大元件重量
2.0
g
6.5
g
4.8
g
最大元件高度
28 mm 28 mm 28 mm
备 注 吸嘴长度
: 22.5 mm
附带聚氨酯橡胶
吸嘴长度
: 22.5 mm
附带聚氨酯垫
吸嘴长度
: 22.5 mm
吸嘴 No. 1427 / 1427N 2421 / 2421N
型 号
KXFX0570A00
N610127623AA (
有
2D
代码
)
KXFX05CTA00
N610117212AA (
有
2D
代码
)
形 状
(单位: mm)
φ
20
垫φ
3.5
6
15
φ
16
垫φ
3.5
4
4.5 4.5
最大元件重量
9.7
g
14.5
g
最大元件高度 28 mm 28 mm
备 注
附带聚氨酯垫
吸嘴长度
: 22.5 mm
附带聚氨酯垫
吸嘴长度
: 22.5 mm