SM321 SERVICE MANUAL - 第301页
Air Ass’y 10-5 NO. P ART NO. P ART NAME Q’TY TYPE REMA RK 1-E J6708021A V ACUUM FIL TER 4 LF-M5-60-ZK 1-F J7458002A FIL TER ELEMENT 4 LF-M5-60-Z-ELEMENT 1-G J671 1262A MINI FITTING 4 BC-03-M5 1-H J6703039A SPEED CONTROLL…

Samsung Component Placer SM321 Service Manual
10-4
NO. PART NO. PART NAME Q’TY TYPE REMARK
1-F J1300279 FITTING 6 KQ2S04-M5
1-G J6702035A SOL VALVE 1 VQ110U-5M
1-H J1301188 ELBOW FITTING 1 KQ2L04-M5
2 J1300277 FITTING 1 KQ2L06-M5/PL6-M5M
3 J6709018A REGULATOR 1 AR10-M5BG
4 J1301188 FITTING 2 KQ2L04-M5/PL4-M5M/SQL04-M5
5 J6701037B EDGE CYLINDER 1 CQ2B12-KRC0137-2D
6 J6703028A SPEED CONTROLLER 2 SS4-M5MA
7 J9080778B ANC SENSOR CABLE ASS’Y 1 SM-CV010
8 J1301354 THROTTLE VALVE STRAIGHT 1 AS1201F-M5-04-X214/JNC4-M5
9 J6701018B STOPPER CYLINDER 1 1 WTS10*30-RS2
10 J6711028A ELBOW FITTING 2 KQ2L04-01
11 J6701088A CYLINDER 1 CM2C32-50
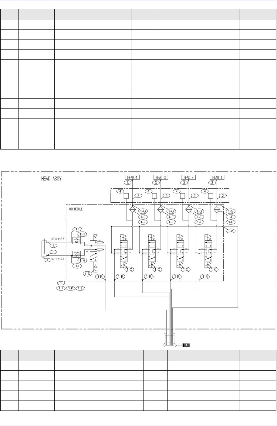
10.1.4. Air Ass’y (D) – Head
NO. PART NO. PART NAME Q’TY TYPE REMARK
1 J90551068A AIR MODULE 1 J90551068A
1-A J6711260A ONE TOUCH FITTING 2 FSE04-M5C
1-B J6711261A ONE TOUCH FITTING 5 FSC04-M5C
1-C J6702048A SOLENOID VALVE 4 VA01PEP34-1U-F
1-D J6702049A SOLENOID VALVE 1 RCS242-M3-D24NP

Air Ass’y
10-5
NO. PART NO. PART NAME Q’TY TYPE REMARK
1-E J6708021A VACUUM FILTER 4 LF-M5-60-ZK
1-F J7458002A FILTER ELEMENT 4 LF-M5-60-Z-ELEMENT
1-G J6711262A MINI FITTING 4 BC-03-M5
1-H J6703039A SPEED CONTROLLER 2 SPR-Z-M3N
1-I J6711263A MINI FITTING 2 BE-04-M3
1-J J6705009A SILENCER 1 AS-5
1-K J6712016A PLUG 1 N220 1900J
2 J6713022B COIL TUBE(POLYURETHANE) J6713022B
3 J6711180B ROTARY JOINT 4 RC3-M5M-STN
4 J3204002A PRESSURE SENSOR 4 MPX5100AP
5 J1300120 FITTING 1 M-5HL-4
6 J6711156A HOSE NIPPLE (D/C) 1 M-5H-4
7 J9083179A SIDE ILL U/D SENSOR CABLE ASS’Y
1 SM21-HD003
10.1.5. Accessory & Solenoid Valve Block
NO. PART NO. PART NAME Q’TY TYPE REMARK
1 J70531008A DUMP BOX BKT 1 J70531008A
2 J70531002A DUMP BOX 1 J70531002A
3 J7053693B DUMP BOX BKT 2 1 J7053693B
4 J6409011A DUMP BOX 1 1/9 PAN
5 J6702050A SOL VALVE MODULE 1 J6702050A

Samsung Component Placer SM321 Service Manual
10-6
NO. PART NO. PART NAME Q’TY TYPE REMARK
5-A J6704006A MANIFOLD BLOCK 1 SY3120-20-KRW0098
5-B J6702036A SOL’ VALVE 4 SY3120-5LZ-M5
5-C J1300067 SILENCER 2 AN101-01
5-D J6711157A FITTING 1 KQ2L08-01S
5-E J6703031A SPEED CON 2 AS1211F-M5-06
5-F J1300279 FITTING 6 KQ2S04-M5
5-G J6712017A PLUG FITTING 1 KPT18
5-H J6702035A SOL’ VALVE 1 VQ110U-5M
5-I J1301188 FITTING 1 KQ2L04-M5
5-J J6704007A BLANKING PLATE 1 SY3000-26-10A