文档中心
/
SM321 SERVICE MANUAL
SM321 SERVICE MANUAL - 第307页
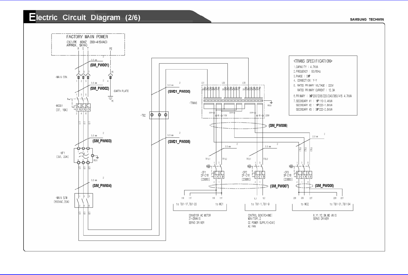
Electric Device 11 - 5
目录
100%
显示:宽度
宽度
1 / 389
回到旧版
旧版
?
Samsung Component Placer SM321 Service Manual
11-4
Electric Device
11
-
5
Samsung Component Placer SM321 Service Manual
11-6
该页面需要启用 JavaScript 才能进行交互式预览。