HM-Series_TRM(Ver2.2_CS20.11) - 第114页

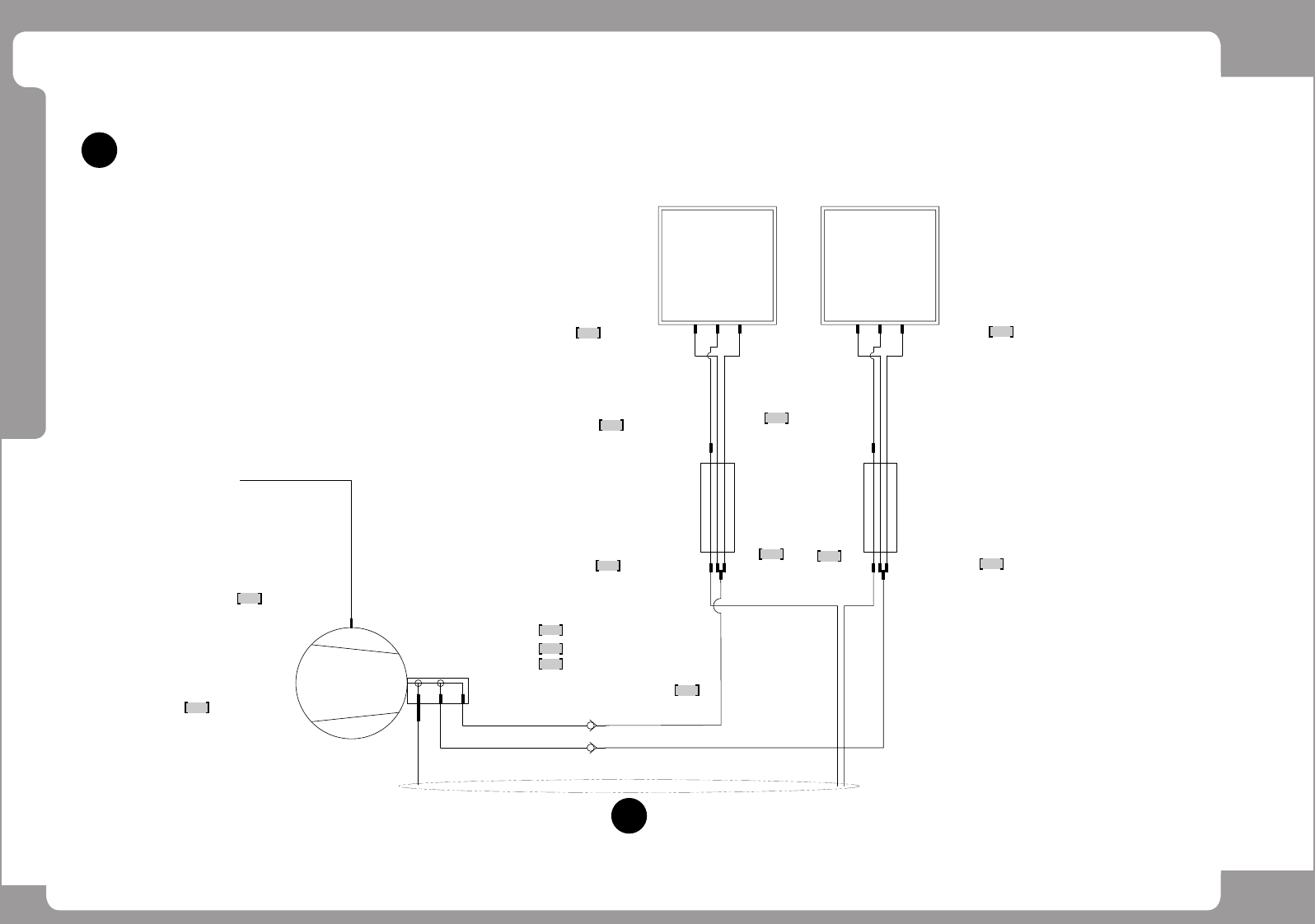
Page ohu~oh 11 2 HM520 / HM520h Air (2/6) - HM520h A FLA T CABLE BLACK x2 FLA T CABLE BLACK x2 HP1 1-000059 V ACUUM PUMP HP06-000301 FITTING U2-4-12*8, B HP06-000250 FITTING HP06-000234 FITTING HP06-900046 FITTING 2-HP14…

100%1 / 314
Page
ohu~oh
111
HM520 /
HM520h
Page
ohu~oh
112
HM520 /
HM520h
Air (2/6) - HM520h
A
FLAT CABLE
BLACK x2
FLAT CABLE
BLACK x2
HP11-000059
VACUUM PUMP
HP06-000301
FITTING
U2-4-12*8, B
HP06-000250
FITTING
HP06-000234 FITTING
HP06-900046 FITTING
2-HP14-002173
CHECK VALVE
U2-4-4*2.5, B
(REAR) HEAD (FRONT) HEAD
U2-4-12*8, B
U2-4-12*8, B
U2-4-8*6, B
HP06-900153
FITTING
HP06-900153
FITTING
HP06-900170
FITTING
HP06-900170
FITTING
HP06-000457
FITTING
HP06-900170
FITTING
A-D
1
1
2
3
2
4
5
6
7
8
9
HP06-000457
FITTING
HP06-900170
FITTING
3
2
2
Page
ohu~oh
113
HM520 /
HM520h
Air (2/6) - HM520h
NO. PART NO. PART NAME Q'TY Old No. Supply Supply LT Reference
1 HP06-900153 FITTING 3
2 HP06-900170 FITTING 1
3 HP06-000457 Y-FITTING 1
4 HP06-000301 ELBOW-FITTING 1
5 HP11-000059 VACUUM PUMP 1
6 HP06-000250 ELBOW-FITTING 1
7 HP06-000234 STRAIGHT-FITTING 1
8 HP06-900046 JOINT 1
9 HP14-002173 CHECK VALVE 2