HM-Series_TRM(Ver2.2_CS20.11) - 第101页
Page ohu~oh 99 HM520 / HM520h

Page
ohu~oh
98
HM520 /
HM520h
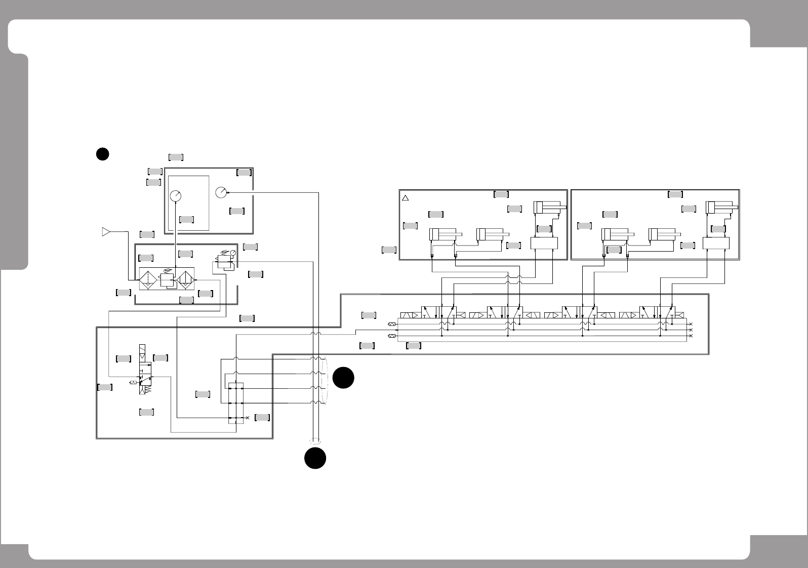
Air (1/6)
1(P)
2(B)
3(R)
4(A)
(2)
(1)
(3)
BLOW
(0.1MPa)
INLET
0.5~0.7MPa
HP04-001096
AIR FILTER +REGULATOR
HP09-001146
REGULATOR
AM03-026581A - FILTER-REGULATOR PANEL
U2-4-12*8, B
EP07-002558
SOLENOID VALVE
HP09-900164
SILENCER
U2-4-10*6.5, B
HP06-000465
FITTING
U2-4-10*6.5, B
U2-4-6*4, B
EP07-002605 SOLENOID VALVE ASSY
PLUG
FITTING
SOLENOID VALVE
HP09-000259 SILENCER
HP06-900286
FITTING
HP11-000059
VACUUM PUMP
HP06-000301
FITTING
U2-4-12*8, B
HP06-000250
FITTING
HP06-000234
HP06-900046
2-HP14-002173
CHECK VALVE
U2-4-4*2.5, B
U2-4-12*8, B
U2-4-12*8, B
HP06-900092
FITTING
U2-4-8*6, B
HP06-000457
FITTING
HP06-900153
FITTING
FC18-006589
O-RING-D9.4 W1.02
HP06-000457
FITTING
HP06-900153
FITTING
FC18-006589
O-RING-D9.4 W1.02
(FRONT) HEAD (REAR) HEAD
U2-4-6*4, B
U2-4-10*6.5, B
U2-4-8*6, B
HP14-900033
SOLENOID VALVE
3-HP06-900047
FITTING
2-HP09-900159
SILENCER
HP03-001133
CYLINDER
2-HP06-900047
FITTING
HP14-900033
SOLENOID VALVE
3-HP06-900047
FITTING
2-HP09-900159
SILENCER
HP03-001127
CYLINDER
2-HP06-900047
FITTING
WORK #1 STOPPER
BUFFER STOPPER
HP14-900033
SOLENOID VALVE
2-HP14-900088
SPEED CON.
2-HP09-900159
SILENCER
HP03-900013
CYLINDER
2-HP06-900056
FITTING
BACK UP TABLE
U2-4-4*2.5, B
U2-4-4*2.5, B
HP06-900054
FITTING
(REAR) CONVEYOR-BUT
HP06-900047
FITTING
HP14-900033
SOLENOID VALVE
2-HP06-001333
FITTING
2-HP09-900159
SILENCER
HP03-001110
CYLINDER
2-HP14-002200
SPEED CON.
(REAR) ANC
HP06-900199
FITTING
BLOW DUMP용
HP06-900199
FITTING
U2-4-4*2.5, B
HP14-900033
SOLENOID VALVE
3-HP06-900047
FITTING
2-HP09-900159
SILENCER
HP03-001133
CYLINDER
2-HP06-900047
FITTING
HP14-900033
SOLENOID VALVE
3-HP06-900047
FITTING
2-HP09-900159
SILENCER
HP03-001127
CYLINDER
2-HP06-900047
FITTING
WORK #1 STOPPER
BUFFER STOPPER
HP14-900033
SOLENOID VALVE
2-HP14-900088
SPEED CON.
2-HP09-900159
SILENCER
HP03-900013
CYLINDER
2-HP06-900056
FITTING
BACK UP TABLE
U2-4-4*2.5, B
U2-4-4*2.5, B
HP06-900054
FITTING
(FRONT) CONVEYOR-BUT
HP06-900047
FITTING
(FRONT) ANC
HP06-900199
FITTING
HP06-900199
FITTING
U2-4-4*2.5, B
U2-4-6*4, B
U2-4-6*4, B
U2-4-6*4, B
2-HP06-001135
4-HP06-000397
FITTING
2-HP06-900018
FITTING
U2-4-6*4, B
U2-4-6*4, Y
2-HP06-001303
(REAR) CART CLAMP-CUTTER
U2-4-6*4, B
FC14-900645
PLUG
U2-4-6*4, Y
U2-4-6*4, B
U2-4-6*4, Y
HEAD 1
HP04-900036
FILTER
VQD1151W-5LO
AM03-025742A
AIR MODULE (SOL)
HEAD 2 HEAD 3 HEAD 6
PRESSURE SENSOR
BOARD
HP13-000044
TUBE
HP06-900252
FITTING
FC18-901394
O-RING
ID3.6 WD1.5
HEAD 4 HEAD 5
VQ110-5LO
VACUUM
VACUUM
HP06-900252
FITTING
HP06-900016
FITTING
HP09-001066
DIGITAL GAUGE
HP06-000278
FITTING
U2-4-4*2.5, B
TE07-900096
ANALOG GAUGE
HP06-900043
FITTING
AM03-026577A - MAIN & VAUCCM GAUGE
U2-4-4*2.5, B
AM03-024435A
(HP06-900276)
(HP06-900028)
(HP06-000416
KQ2L04-01)
(HP06-000324) (HP06-001109)
U2-4-8*6, B
U2-4-8*6, B
HP06-000465
FITTING
SOLENOID VALVE SOLENOID VALVE SOLENOID VALVE
AM03-026583B - SOL.-MANIFOLD ASSY
U2-4-6*4, B
U2-4-6*4, Y
HP06-900170
FITTING
HP06-900170
FITTING
HP06-900170
FITTING
HP06-900170
FITTING
BLOW DUMP
U2-4-4*2.5, B
U2-4-4*2.5, B
HP06-900255
FITTING
HP14-900033
SOLENOID VALVE
2-HP06-001333
FITTING
2-HP09-900159
SILENCER
HP03-001110
CYLINDER
2-HP14-002200
SPEED CON.
HP06-900255
FITTING
CONNECTOR
2-HP06-001303
2-HP06-900232
2-HP03-001039
2-HP06-001135
4-HP06-000397
FITTING
2-HP06-900018
FITTING
U2-4-6*4, B
U2-4-6*4, Y
2-HP06-001303
(FRONT) CART CLAMP-CUTTER
CONNECTOR
2-HP06-001303
2-HP06-900232
2-HP03-001039
1
A
C
D
E
B

Page
ohu~oh
99
HM520 /
HM520h

Page
ohu~oh
100
HM520 /
HM520h
Air (2/6)
A
HP09-900059
MANIFOLD
INLET
0.5~0.7MPa
HP04-001096
AIR FILTER +REGULATOR
HP09-001146
REGULATOR
AM03-026581A - FILTER-REGULATOR PANEL
U2-4-12*8, B
EP07-002558
SOLENOID VALVE
HP09-900164
SILENCER
U2-4-10*6.5, B
HP06-000465
FITTING
U2-4-10*6.5, B
U2-4-6*4, B
EP07-002605 SOLENOID VALVE ASSY
PLUG
FITTING
SOLENOID VALVE
HP09-000259 SILENCER
HP06-900286
FITTING
U2-4-8*6, B
U2-4-10*6.5, B
2-H
P06-001135
4-HP06-000397
FITTING
2-HP06-900018
FITTING
U2-4-6*4, B
U2-4-6*4, Y
2-HP06-001303
(REAR) CART CLAMP-CUTTER
U2-4-6*4, B
FC
14-900645
U2-4-6*4, Y
U2-4-6*4, B
U2-4-6*4, Y
HP09-001066
DIGITAL GAUGE
HP06-000278
FITTING
U2-4-4*2.5, B
TE
07-900096
ANALOG GAUGE
HP06-900043
FITTING
AM03-026577A - MAIN & VAUCCM GAUGE
U2-4-4*2.5, B
AM03-024435A
HP06-900276
(H
P06-900028
KQ2L06-02)
(HP06-000416
KQ
2L04-01)
HP06-000324
HP06-001109
HP06-000465
FITTING
SOLENOID VALVE
SOLENOID VALVE SOLENOID VALVE
AM03-026583B - SOL.-MANIFOLD ASSY
U2-4-6*4, B
U2-4-6*4, Y
CONNECTOR
2-H
P06-001303
2-HP06-900232
2-HP03-001039
2-HP06-001135
4-HP06-000397
FITTING
2-HP06-900018
FITTING
U2-4-6*4, B
U2-4-6*4, Y
2-HP06-001303
(FRONT) CART CLAMP-CUTTER
CONNECTOR
2-HP06-001303
2-H
P06-900232
2-H
P03-001039
1
1
2
3
6
7
9
10
11
12
13
8
14
20
30
29
31
25
24
22
23
28
27
25
24
22
23
28
27
26 26
16
17
15
18
19
21
5
4
A-C
A-B