HM-Series_TRM(Ver2.2_CS20.11) - 第103页
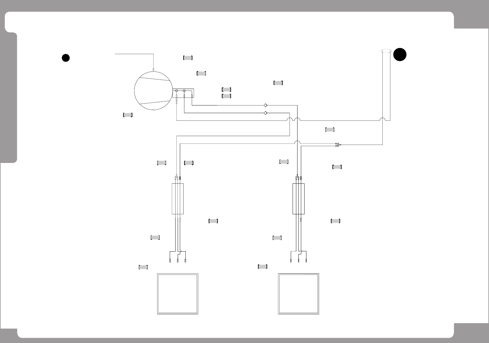
Page ohu~oh 101 HM520 / HM520h Air (2/6) NO. P A RT NO. P ART NA ME Q'TY Old No. Supply Supply L T Reference 1 AM03-026577A ASSY ,AIR-NXD_MAIN-V ACUUM_GAUGE 1 2 AM03-024435A AS SY ,AIR-DIGIT A L_GAGE 1 3 HP09-001066…

Page
ohu~oh
100
HM520 /
HM520h
Air (2/6)
A
HP09-900059
MANIFOLD
INLET
0.5~0.7MPa
HP04-001096
AIR FILTER +REGULATOR
HP09-001146
REGULATOR
AM03-026581A - FILTER-REGULATOR PANEL
U2-4-12*8, B
EP07-002558
SOLENOID VALVE
HP09-900164
SILENCER
U2-4-10*6.5, B
HP06-000465
FITTING
U2-4-10*6.5, B
U2-4-6*4, B
EP07-002605 SOLENOID VALVE ASSY
PLUG
FITTING
SOLENOID VALVE
HP09-000259 SILENCER
HP06-900286
FITTING
U2-4-8*6, B
U2-4-10*6.5, B
2-H
P06-001135
4-HP06-000397
FITTING
2-HP06-900018
FITTING
U2-4-6*4, B
U2-4-6*4, Y
2-HP06-001303
(REAR) CART CLAMP-CUTTER
U2-4-6*4, B
FC
14-900645
U2-4-6*4, Y
U2-4-6*4, B
U2-4-6*4, Y
HP09-001066
DIGITAL GAUGE
HP06-000278
FITTING
U2-4-4*2.5, B
TE
07-900096
ANALOG GAUGE
HP06-900043
FITTING
AM03-026577A - MAIN & VAUCCM GAUGE
U2-4-4*2.5, B
AM03-024435A
HP06-900276
(H
P06-900028
KQ2L06-02)
(HP06-000416
KQ
2L04-01)
HP06-000324
HP06-001109
HP06-000465
FITTING
SOLENOID VALVE
SOLENOID VALVE SOLENOID VALVE
AM03-026583B - SOL.-MANIFOLD ASSY
U2-4-6*4, B
U2-4-6*4, Y
CONNECTOR
2-H
P06-001303
2-HP06-900232
2-HP03-001039
2-HP06-001135
4-HP06-000397
FITTING
2-HP06-900018
FITTING
U2-4-6*4, B
U2-4-6*4, Y
2-HP06-001303
(FRONT) CART CLAMP-CUTTER
CONNECTOR
2-HP06-001303
2-H
P06-900232
2-H
P03-001039
1
1
2
3
6
7
9
10
11
12
13
8
14
20
30
29
31
25
24
22
23
28
27
25
24
22
23
28
27
26 26
16
17
15
18
19
21
5
4
A-C
A-B

Page
ohu~oh
101
HM520 /
HM520h
Air (2/6)
NO. PART NO. PART NAME Q'TY Old No. Supply Supply LT Reference
1 AM03-026577A ASSY,AIR-NXD_MAIN-VACUUM_GAUGE 1
2 AM03-024435A ASSY,AIR-DIGITAL_GAGE 1
3 HP09-001066 COMPONENTS,ELECTRIC 1
4 TE07-900096 METER 1
5 HP06-900043 JOINT 1
6 HP06-000278 FITTING 1
7 AM03-026581A FILTER-REG_PANEL 1
8 HP06-000324 FITTING 1
9 HP06-000416 FITTING 1
10 HP06-900028 #N/A #N/A
11 HP06-900276 #N/A #N/A
12 HP09-001146 REGULATOR 1
13 HP06-001109 #N/A #N/A
14 HP04-001096 FILTER 1
15 HP09-900164 SILENCER 2
16 HP06-000465 FITTING 1
17 HP06-000465 FITTING 1
18 EP07-002558 SOLENOID 1
19 HP09-900059 MANIFOLD_FITTING 1
20 AM03-026583B ASSY,SOL-MANIFOLD 1
21 FC14-900645 PLUG 1
22 HP03-001039 CYLINDER 1
23 HP06-900232 SPICON 2
24 HP06-001135 #N/A #N/A
25 HP06-000397 FITTING 4
26 HP06-900018 FITTING 2
27 HP06-001303 FITTING 2
28 HP06-001303 FITTING 2
29 HP06-900286 FITTING 1
30 HP09-000259 SILENCER 2
31 EP07-002605 SOLENOID 1

Page
ohu~oh
102
HM520 /
HM520h
Air (3/6)
B
FLAT CABLE
BLACK x2
FLAT CABLE
BLACK x2
HP11-000059
VACUUM PUMP
HP06-000301
FITTING
U2-4-12*8, B
HP06-000250
FITTING
HP06-000234
HP06-900046
2-HP14-002173
CHECK VALVE
U2-4-4*2.5, B
U2-4-12*8, B
U2-4-12*8, B
HP06-900092
FITTING
HP06-000457
FITTING
HP06-900153
FITTING
FC18-006589
O-RING-D9.4 W1.02
HP06-000457
FITTING
HP06-900153
FITTING
FC18-006589
O-RING-D9.4 W1.02
(FRONT) HEAD (REAR) HEAD
U2-4-8*6, B
U2-4-8*6, B
U2-4-8*6, B
HP06-900170
FITTING
HP06-900170
FITTING
HP06-900170
FITTING
HP06-900170
FITTING
C-A
2
1
3
6
4
5
7
9
99
10
11
11
8
9
8
10