HM-Series_TRM(Ver2.2_CS20.11) - 第107页
Page ohu~oh 105 HM520 / HM520h Air (4/6) NO. P A RT NO. P ART NA ME Q'TY Old No. Supply Supply L T Reference 1 HP06-900199 UNION Y FITTING 4 2 HP03-001 133 CYLINDER 2 3 HP06-900047 ELBOW FITTING 1 4 HP14-900033 SOL …

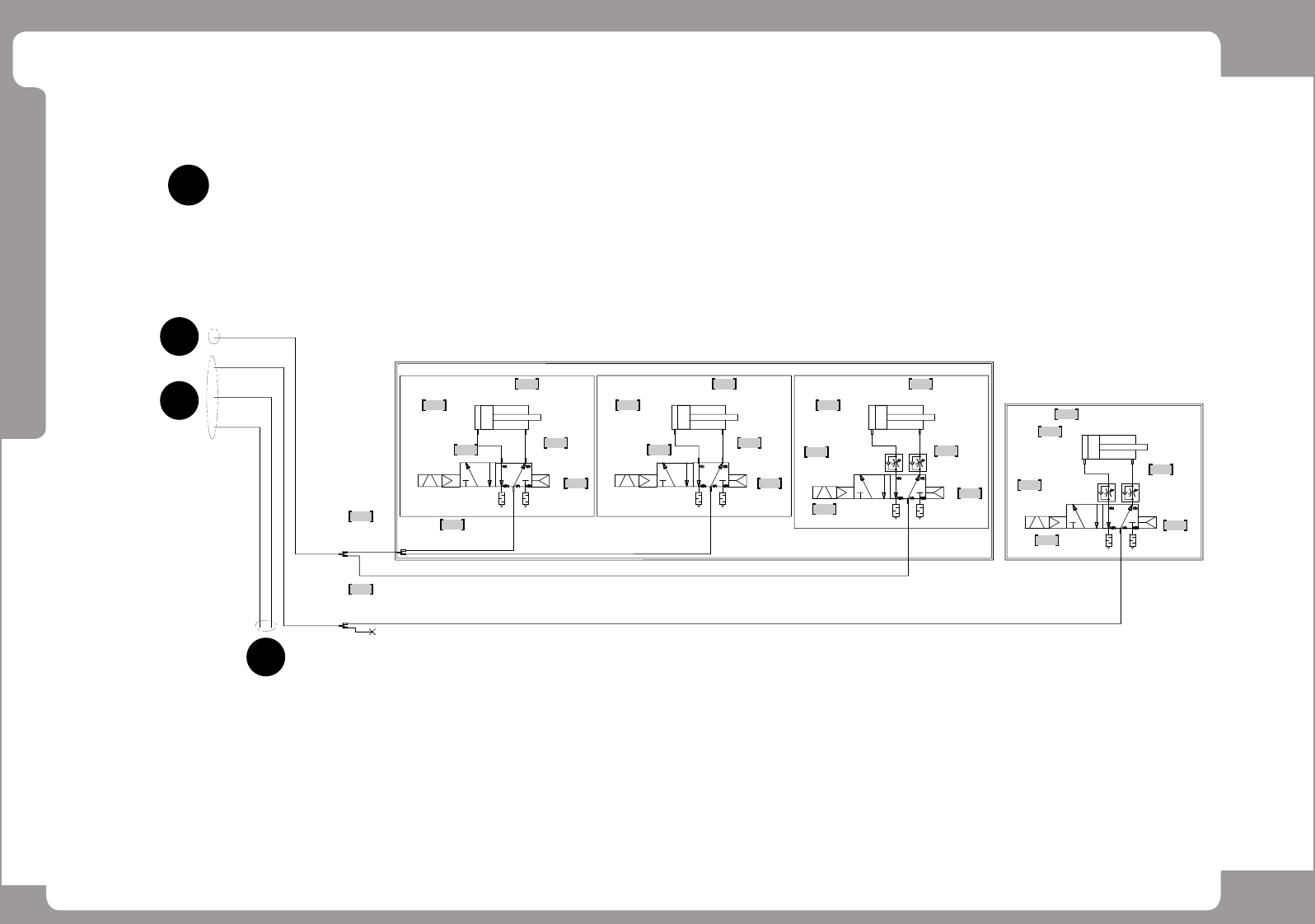
Page
ohu~oh
104
HM520 /
HM520h
Air (4/6)
A
D
C-A
U2-4-6*4, B
HP14-900033
SOLENOID VALVE
3-HP06-900047
FITTING
2-HP09-900159
SILENCER
HP03-001133
CYLINDER
2-HP06-900047
FITTING
HP14-900033
SOLENOID VALVE
3-HP06-900047
FITTING
2-HP09-900159
SILENCER
HP03-001127
CYLINDER
2-HP06-900047
FITTING
WORK #1 STOPPER
BUFFER STOPPER
HP14-900033
SOLENOID VALVE
2-HP14-900088
SPEED CON.
2-HP09-900159
SILENCER
HP03-900013
CYLINDER
2-HP06-900056
FITTING
BACK UP TABLE
U2-4-4*2.5, B
U2-4-4*2.5, B
HP06-900054
FITTING
(REAR) CONVEYOR-BUT
HP06-900047
FITTING
HP14-900033
SOLENOID VALVE
2-HP06-001333
FITTING
2-HP09-900159
SILENCER
HP03-001110
CYLINDER
2-HP14-002200
SPEED CON.
(REAR) ANC
HP06-900199
FITTING
BLOW DUMP용
HP06-900199
FITTING
U2-4-4*2.5, B
U2-4-6*4, B
U2-4-4*2.5, B
HP06-900255
FITTING
C
1
1
6
3
2
3
4
5
7
6
10
11
12
13
5
14
8
4
5
9
3
1
3
4
5

Page
ohu~oh
105
HM520 /
HM520h
Air (4/6)
NO. PART NO. PART NAME Q'TY Old No. Supply Supply LT Reference
1 HP06-900199 UNION Y FITTING 4
2 HP03-001133 CYLINDER 2
3 HP06-900047 ELBOW FITTING 1
4 HP14-900033 SOL VALVE 1
5 HP09-900159 SILENCER 2
6 HP06-900054 UNION Y FITTING 2
7 HP06-900056 ELBOW FITTING 2
8 HP14-900088 SPEED CONTROLLER 2
9 HP06-900047 ELBOW FITTING 1
10 HP03-001110 CYLINDER 1
11 HP06-001333 FITTING 2
12 HP14-900033 SOL VALVE 1
13 HP14-002200 VALVE,CONTROL 2
14 HP06-900255 STRAIGHT FITTING 1
15 HP09-900159 SILENCER 2

Page
ohu~oh
106
HM520 /
HM520h
Air (5/6)
D-A
HP14-900033
SOLENOID VALVE
3-HP06-900047
FITTING
2-HP09-900159
SILENCER
HP03-001133
CYLINDER
2-HP06-900047
FITTING
HP14-900033
SOLENOID VALVE
3-HP06-900047
FITTING
2-HP09-900159
SILENCER
HP03-001127
CYLINDER
2-HP06-900047
FITTING
WORK #1 STOPPER
BUFFER STOPPER
HP14-900033
SOLENOID VALVE
2-HP14-900088
SPEED CON.
2-HP09-900159
SILENCER
HP03-900013
CYLINDER
2-HP06-900056
FITTING
BACK UP TABLE
U2-4-4*2.5, B
U2-4-4*2.5, B
HP06-900054
FITTING
(FRONT) CONVEYOR-BUT
HP06-900047
FITTING
(FRONT) ANC
HP06-900199
FITTING
HP06-900199
FITTING
U2-4-4*2.5, B
U2-4-6*4, B
U2-4-6*4, B
BLOW DUMP
U2-4-4*2.5, B
HP14-900033
SOLENOID VALVE
2-HP06-001333
FITTING
2-HP09-900159
SILENCER
HP03-001110
CYLINDER
2-HP14-002200
SPEED CON.
HP06-900255
FITTING
D
1
3
2
54
8
6
3
7
54
6
10
9
11
12
13
14
6
16
15
4
5
6
1