HM-Series_TRM(Ver2.2_CS20.11) - 第110页
Page ohu~oh 108 HM520 / HM520h Air (6/6) E 1(P) 2(B) 3(R) 4(A) (2) (1) (3) BLOW (0.1MPa) HEAD 1 HP04-900036 FIL TER AM03-025742A AIR MODULE (SOL) HEAD 2 HEAD 3 HEAD 6 PRESSURE SENSOR BOARD HP13-000044 TUBE HP06-900252 FI…

Page
ohu~oh
107
HM520 /
HM520h
Air (5/6)
NO. PART NO. PART NAME Q'TY Old No. Supply Supply LT Reference
1 HP06-900199 UNION Y FITTING 4
2 HP03-001133 CYLINDER 2
3 HP06-900047 ELBOW FITTING 1
4 HP14-900033 SOL VALVE 1
5 HP06-900047 ELBOW FITTING 1
6 HP09-900159 SILENCER 2
7 HP03-001127 CYLINDER 2
8 HP06-900054 UNION Y FITTING 2
9 HP03-900013 CYLINDER 1
10 HP06-900056 ELBOW FITTING 2
11 HP14-900088 SPEED CONTROLLER 2
12 HP03-001110 CYLINDER 1
13 HP06-001333 FITTING 2
14 HP14-900033 SOL VALVE 1
15 HP06-900255 STRAIGHT FITTING 1
16 HP14-002200 VALVE,CONTROL 2

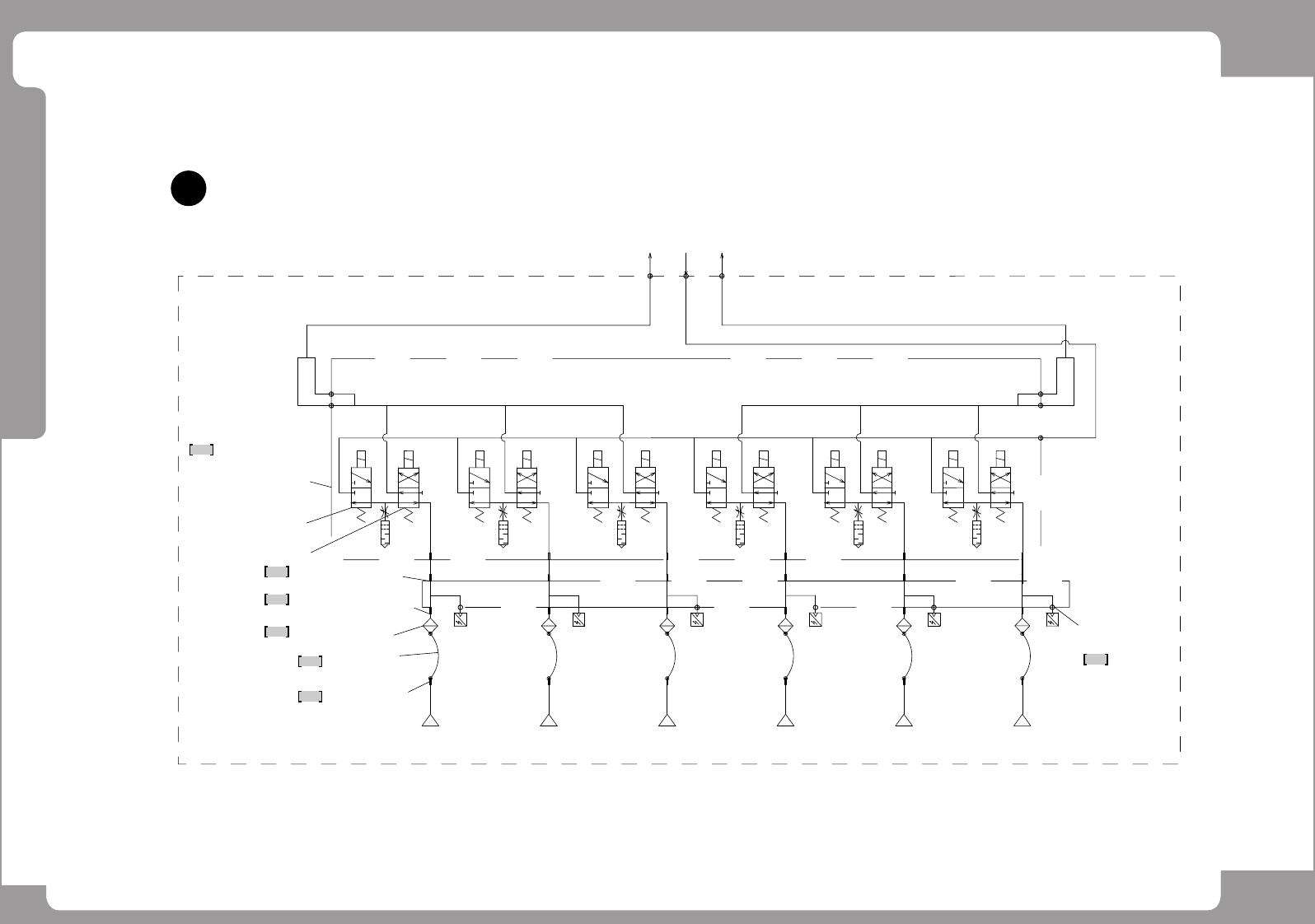
Page
ohu~oh
108
HM520 /
HM520h
Air (6/6)
E
1(P)
2(B)
3(R)
4(A)
(2)
(1)
(3)
BLOW
(0.1MPa)
HEAD 1
HP04-900036
FILTER
AM03-025742A
AIR MODULE (SOL)
HEAD 2 HEAD 3 HEAD 6
PRESSURE SENSOR
BOARD
HP13-000044
TUBE
HP06-900252
FITTING
FC18-901394
O-RING
ID3.6 WD1.5
HEAD 4 HEAD 5
VACUUM
VACUUM
HP06-900252
FITTING
HP06-900016
FITTING
1
2
3
4
5
6
7

Page
ohu~oh
109
HM520 /
HM520h
Air (6/6)
NO. PART NO. PART NAME Q'TY Old No. Supply Supply LT Reference
1 AM03-025742A ASSY,AIR-AIR_MODULE_ASSY 1
2 HP06-900252 #N/A #N/A
3 HP06-900016 #N/A #N/A
4 HP04-900036 SUCTION_FILTER 6
5 HP13-000044 TUBE,PNEUMATIC-VACUUM 6
6 HP06-900252 #N/A #N/A
7 FC18-901394 O_RING 6