HM-Series_TRM(Ver2.2_CS20.11) - 第117页
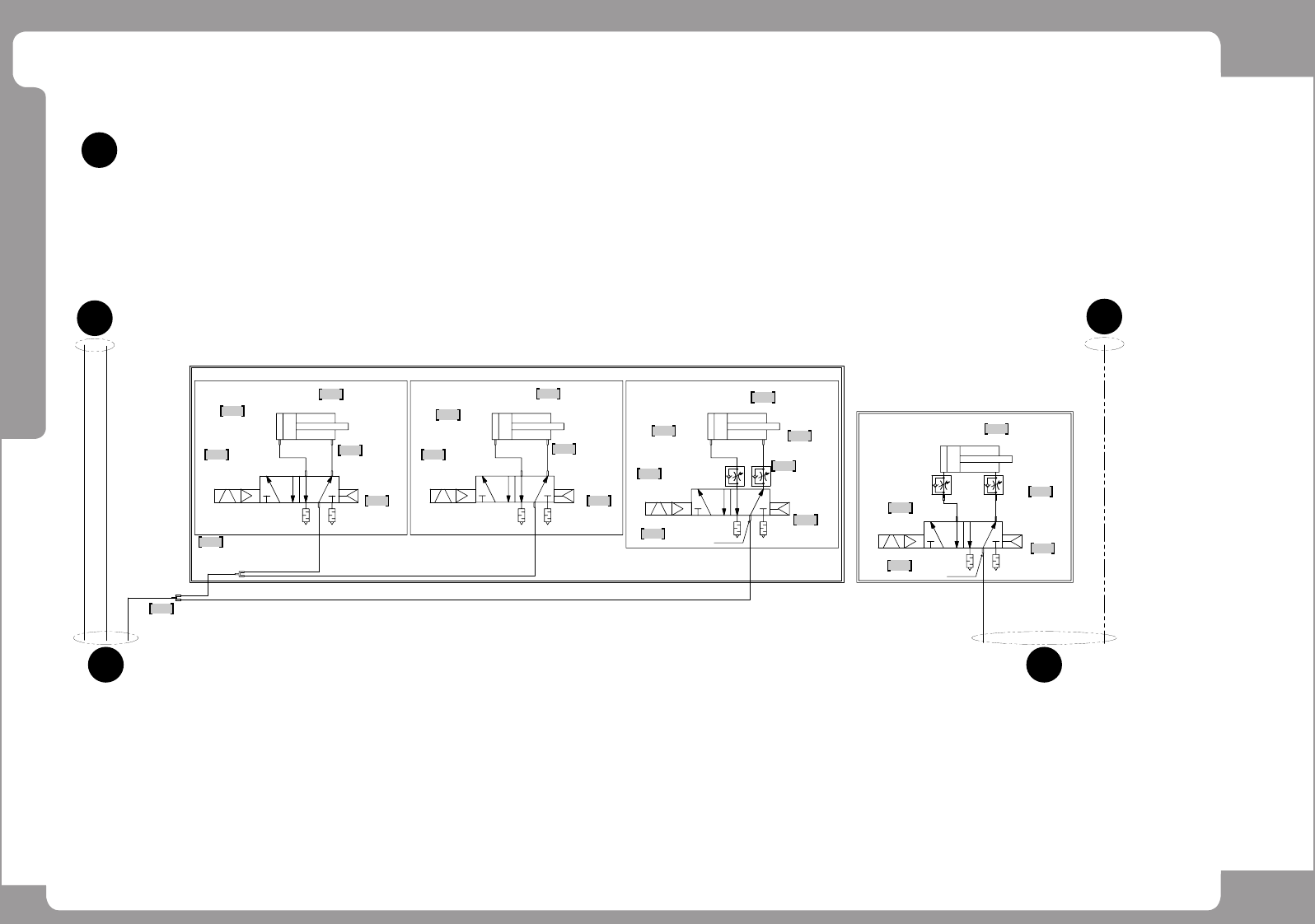
Page ohu~oh 11 5 HM520 / HM520h Air (3/6) - HM520h NO. P A RT NO. P ART NA ME Q'TY Old No. Supply Supply L T Refere nce 1 HP06-900199 Y -FITTING 4 2 HP03-001 133 CYLINDER 2 3 HP06-900047 ELBOW-FITT ING 1 4 HP14-9000…

Page
ohu~oh
114
HM520 /
HM520h
Air (3/6) - HM520h
5(EA) 3(EB)1(P)
4(A) 2(B)
5(EA) 3(EB)1(P)
4(A) 2(B)
5(EA) 3(EB)1(P)
4(A) 2(B)
5(EA) 3(EB)1(P)
4(A) 2(B)
HP14-900033
SOLENOID VALVE
3-HP06-900047
FITTING
2-HP09-900159
SILENCER
HP03-001133
CYLINDER
2-HP06-900047
FITTING
HP14-900033
SOLENOID VALVE
3-HP06-900047
FITTING
2-HP09-900159
SILENCER
HP03-001127
CYLINDER
2-HP06-900047
FITTING
WORK #1 STOPPER
BUFFER STOPPER BACK UP TABLE
U2-4-4*2.5, B
U2-4-4*2.5, B
HP06-900054
FITTING
(REAR) CONVEYOR-BUT
(REAR) ANC
HP06-900199
FITTING
BLOW DUMP용
HP06-900199
FITTING
U2-4-4*2.5, B
U2-4-4*2.5, B
U2-4-6*4, B
2-HP14-900088
SPEED CON.
2-HP09-900159
SILENCER
2-HP14-900111
SPEED CON.
HP03-900013
CYLINDER
2-HP06-900056
FITTING
HP14-900033
SOLENOID VALVE
HP06-900047
FITTING
HP14-900033
SOLENOID VALVE
2-HP06-900255
FITTING
2-HP09-900159
SILENCER
HP03-001110
CYLINDER
HP06-900255
FITTING
B-C B-C
B
1
1
2
3
3
3
5
6
4
3
7 8
9
10
11
12
13
13
4
5
3
5
5
4
4

Page
ohu~oh
115
HM520 /
HM520h
Air (3/6) - HM520h
NO. PART NO. PART NAME Q'TY Old No. Supply Supply LT Reference
1 HP06-900199 Y-FITTING 4
2 HP03-001133 CYLINDER 2
3 HP06-900047 ELBOW-FITTING 1
4 HP14-900033 SOL VALVE 1
5 HP09-900159 SILENCER 2
6 HP06-900054 Y-FITTING 2
7 HP03-001127 CYLINDER 2
8 HP03-900013 CYLINDER 1
9 HP06-900056 ELBOW-FITTING 2
10 HP14-900111 SPEED CONTROLLER 2
11 HP14-900088 SPEED CONTROLLER 2
12 HP03-001110 CYLINDER 1
13 HP06-900255 STRAIGHT-FITTING 3

Page
ohu~oh
116
HM520 /
HM520h
Air (4/6) - HM520h
C
5(EA) 3(EB)1(P)
4(A) 2(B)
5(EA) 3(EB)1(P)
4(A) 2(B)
5(EA) 3(EB)1(P)
4(A) 2(B)
5(EA) 3(EB)1(P)
4(A) 2(B)
WORK #1 STOPPER
BUFFER STOPPER
HP14-900033
SOLENOID VALVE
2-HP14-900088
SPEED CON.
2-HP09-900159
SILENCER
HP03-900013
CYLINDER
2-HP06-900056
FITTING
BACK UP TABLE
U2-4-4*2.5, B
U2-4-4*2.5, B
(FRONT) CONVEYOR-BUT
HP06-900047
FITTING
(FRONT) ANC
U2-4-4*2.5, B
HP14-900033
SOLENOID VALVE
2-HP06-900255
FITTING
2-HP09-900159
SILENCER
HP03-001110
CYLINDER
2-HP14-900111
SPEED CON.
HP06-900255
FITTING
U2-4-6*4, B
HP14-900033
SOLENOID VALVE
3-HP06-900047
FITTING
2-HP09-900159
SILENCER
HP03-001133
CYLINDER
2-HP06-900047
FITTING
HP14-900033
SOLENOID VALVE
3-HP06-900047
FITTING
2-HP09-900159
SILENCER
HP03-001127
CYLINDER
2-HP06-900047
FITTING
HP06-900054
FITTING
HP06-900199
FITTING
C-D C-D
C-B
C-B
1
2
2
2
2
3 3
4 4
5
6
7
8
9
10
3
4
2
3
12
11
12
13
4