HM-Series_TRM(Ver2.2_CS20.11) - 第120页
Page ohu~oh 11 8 HM520 / HM520h Air (5/6) - HM520h D-A HP14-900033 SOLENOID V ALVE 3-HP06-900047 FITTING 2-HP09-900159 SILENCER HP03-001 133 CYLINDER 2-HP06-900047 FITTING HP14-900033 SOLENOID V ALVE 3-HP06-900047 FITTIN…

Page
ohu~oh
117
HM520 /
HM520h
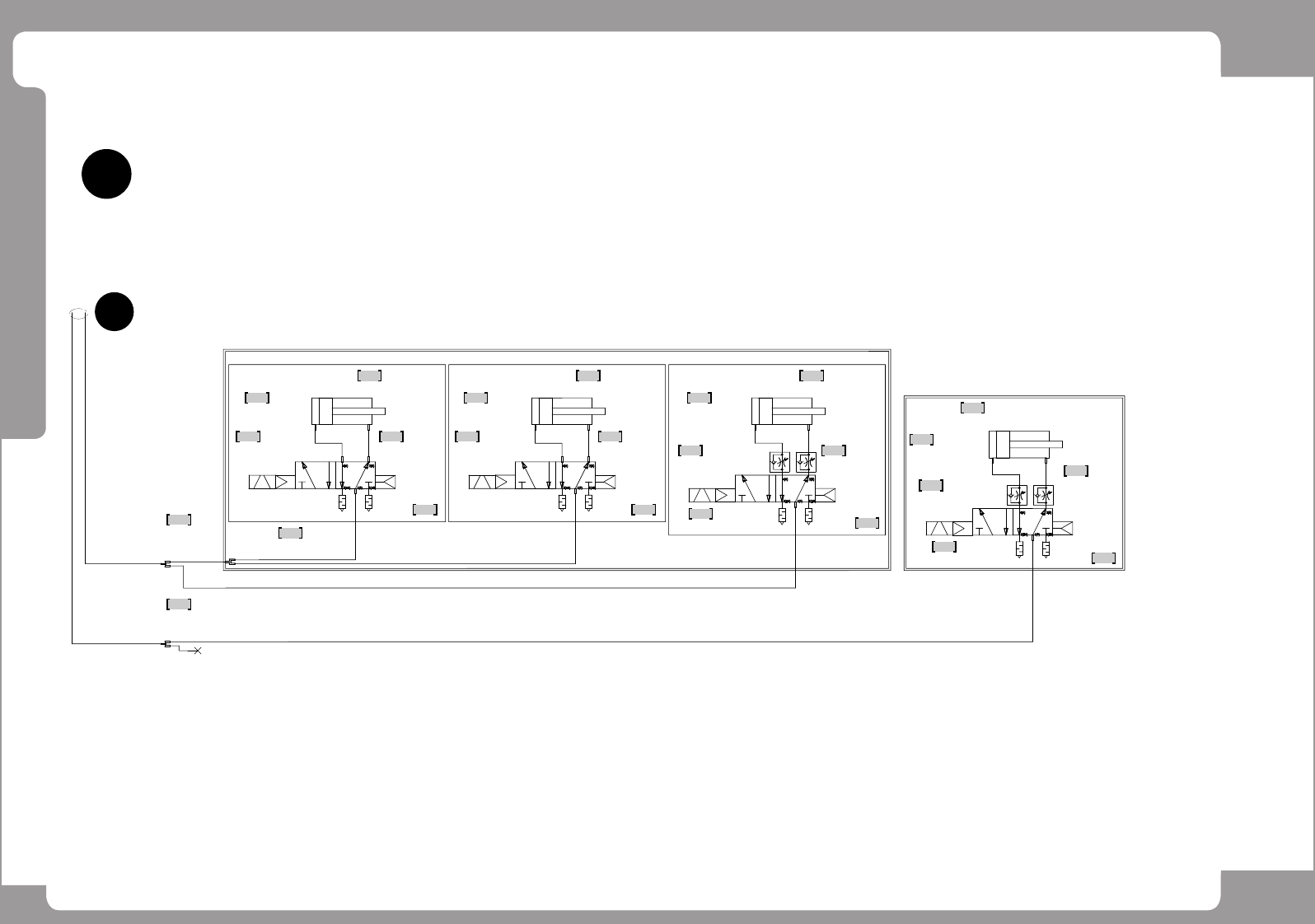
Air (4/6) - HM520h
NO. PART NO. PART NAME Q'TY Old No. Supply Supply LT Reference
1 HP03-001133 CYLINDER 2
2 HP06-900047 ELBOW-FITTING 1
3 HP14-900033 SOL VALVE 1
4 HP09-900159 SILENCER 2
5 HP06-900054 Y-FITTING 2
6 HP03-001127 CYLINDER 2
7 HP03-900013 CYLINDER 1
8 HP06-900056 ELBOW-FITTING 2
9 HP14-900111 SPEED CONTROLLER 2
10 HP14-900088 SPEED CONTROLLER 2
11 HP03-001110 CYLINDER 1
12 HP06-900255 STRAIGHT-FITTING 3
13 HP06-900199 Y-FITTING 4

Page
ohu~oh
118
HM520 /
HM520h
Air (5/6) - HM520h
D-A
HP14-900033
SOLENOID VALVE
3-HP06-900047
FITTING
2-HP09-900159
SILENCER
HP03-001133
CYLINDER
2-HP06-900047
FITTING
HP14-900033
SOLENOID VALVE
3-HP06-900047
FITTING
2-HP09-900159
SILENCER
HP03-001127
CYLINDER
2-HP06-900047
FITTING
WORK #1 STOPPER
BUFFER STOPPER
HP14-900033
SOLENOID VALVE
2-HP14-900088
SPEED CON.
2-HP09-900159
SILENCER
HP03-900013
CYLINDER
2-HP06-900056
FITTING
BACK UP TABLE
U2-4-4*2.5, B
U2-4-4*2.5, B
HP06-900054
FITTING
(FRONT) CONVEYOR-BUT
HP06-900047
FITTING
(FRONT) ANC
HP06-900199
FITTING
HP06-900199
FITTING
U2-4-4*2.5, B
U2-4-6*4, B
U2-4-6*4, B
BLOW DUMP
U2-4-4*2.5, B
HP14-900033
SOLENOID VALVE
2-HP06-001333
FITTING
2-HP09-900159
SILENCER
HP03-001110
CYLINDER
2-HP14-002200
SPEED CON.
HP06-900255
FITTING
D
1
3
2
54
8
6
3
7
54
6
10
9
11
12
13
14
6
16
15
4
5
6
1

Page
ohu~oh
119
HM520 /
HM520h
Air (5/6) - HM520h
NO. PART NO. PART NAME Q'TY Old No. Supply Supply LT Reference
1 HP06-000487 FITTING 2
2 AM03-026577A MAIN-VACUUM_GAUGE 1
3 AM03-024435A AIR-DIGITAL_GAGE 1
4 HP09-001066 ELECTRIC-DP-002S 1
5 HP06-000278 STRAIGHT-FITTING 1
6 HP06-900043 JOINT 1
7 TE07-900096 ANALOG GAUGE 1
8 HP06-001582 FITTING 6
9 HP14-002055 SOLENOID VALVE 4
10 HP06-900048 ELBOW FITTING 8
11 HP06-900092 Y-FITTING 1
12 HP06-900077 Y-FITTING 1
13 HP06-001582 FITTING 6
14 HP06-900199 Y-FITTING 4
15 AM03-026581A FILTER-REG_PANEL 1
16 HP06-000416 ELBOW FITTING 1
17 HP09-001146 REGULATOR 1
18 HP06-900276 ELBOW FITTING 1
19 HP06-000324 ELBOW-FITTING 1
20 HP04-001096 AIR FILTER 1
21 HP06-001109 ELBOW FITTING 1
22 AM03-026583B MANIFOLD 1
23 FC14-900645 PLUG 1
24 HP06-000429 ELBOW FITTING 2
25 HP14-900036 SOLENOID VALVE 1