HM-Series_TRM(Ver2.2_CS20.11) - 第123页
Page ohu~oh 121 HM520 / HM520h Air (6/6) - HM520h NO. P A RT NO. P ART NAME Q'TY Old No. Supply Supply L T Reference 1 HP06-900077 UNION_Y_FITTING 1 2 HP06-000397 FITTING 2 3 HP09-001051 REGULA TOR 1 4 HP06-000439 F…

Page
ohu~oh
120
HM520 /
HM520h
Air (6/6) - HM520h
HP06-001481
FITTING_BARB
MANIFOLD ASSY EP07-003127
MANIFOLD Assy
HP09-003546
FITTING
KQ2L04-M5A
FLAT CABLE
Ø4 BLACK X 2
SPEED CON.
ASN2-M5
PLUG_FITTING
M-5P
SPEED CON
(METER OUT)
AS1201F-M5-02A
2-FITTING_UNION
KQ2S04-M5A
2-SILENCER
AN10-01
2-FITTING_Y
HP06-000487
4-SPEED CON
HP09-000167
2-CYLINDER
HP03-001180
3-PLUG_FITTING
KPT18
FITTING_UNION
KQ2H06-01AS
FITTING
HP06-900289
2-FITTING
HP06-001492
BARB-FITTING
HP06-900059
VACUUM
AIR
U2-4-4*2.5, B
U2-4-4*2.5, B
U2-4-4*2.5, B
U2-4-4*2.5, BU
U2-4-4*2.5, B
U2-4-4*2.5, B U2-4-4*2.5, B
U2-4-4*2.5, B
U2-4-6*4, B
U2-4-2*1.2, C
U2-4-4*2.5, B
2-FITTING
HP06-000397
Y_FITTING
HP06-900077
Y_FITTING
HP06-900077
Y_FITTING
HP06-000439
U2-4-6*4, B
U2-4-6*4, B
U2-4-6*4, B
HP06-001481
FITTING_BARB
MANIFOLD ASSY EP07-003127
FITTING
KQ2L04-M5A
FITTING
KQ2L04-M5A
MANIFOLD Assy
HP09-003546
FITTING
KQ2L04-M5A
FLAT CABLE
Ø4 BLACK X 2
SPEED CON.
ASN2-M5
PLUG_FITTING
M-5P
SPEED CON
(METER OUT)
AS1201F-M5-02A
2-FITTING_UNION
KQ2S04-M5A
2-SILENCER
AN10-01
2-FITTING_Y
HP06-000487
4-SPEED CON
HP09-000167
2-CYLINDER
HP03-001180
3-PLUG_FITTING
KPT18
FITTING_UNION
KQ2H06-01AS
FITTING
HP06-900289
2-FITTING
HP06-001492
BARB-FITTING
HP06-900059
VACUUM
AIR
U2-4-4*2.5, B
U2-4-4*2.5, B
U2-4-4*2.5, B
U2-4-4*2.5, B U2-4-4*2.5, B
U2-4-4*2.5, B
U2-4-2*1.2, C
U2-4-4*2.5, B
U2-4-4*2.5, BU
U2-4-4*2.5, B
U2-4-6*4, B
U2-4-4*2.5, BU
Y_FITTING
HP06-000487
<<REAR_ARC_ASSY>>
REGULATOR
HP09-001051
<<FRONT_ARC_ASSY>>
<ARC Ejector Module>
E
E-D
1
1
2
3
4
5
5
6
6
7
8
8
9
9
10
10
11
11
12
12
13
13
10
7

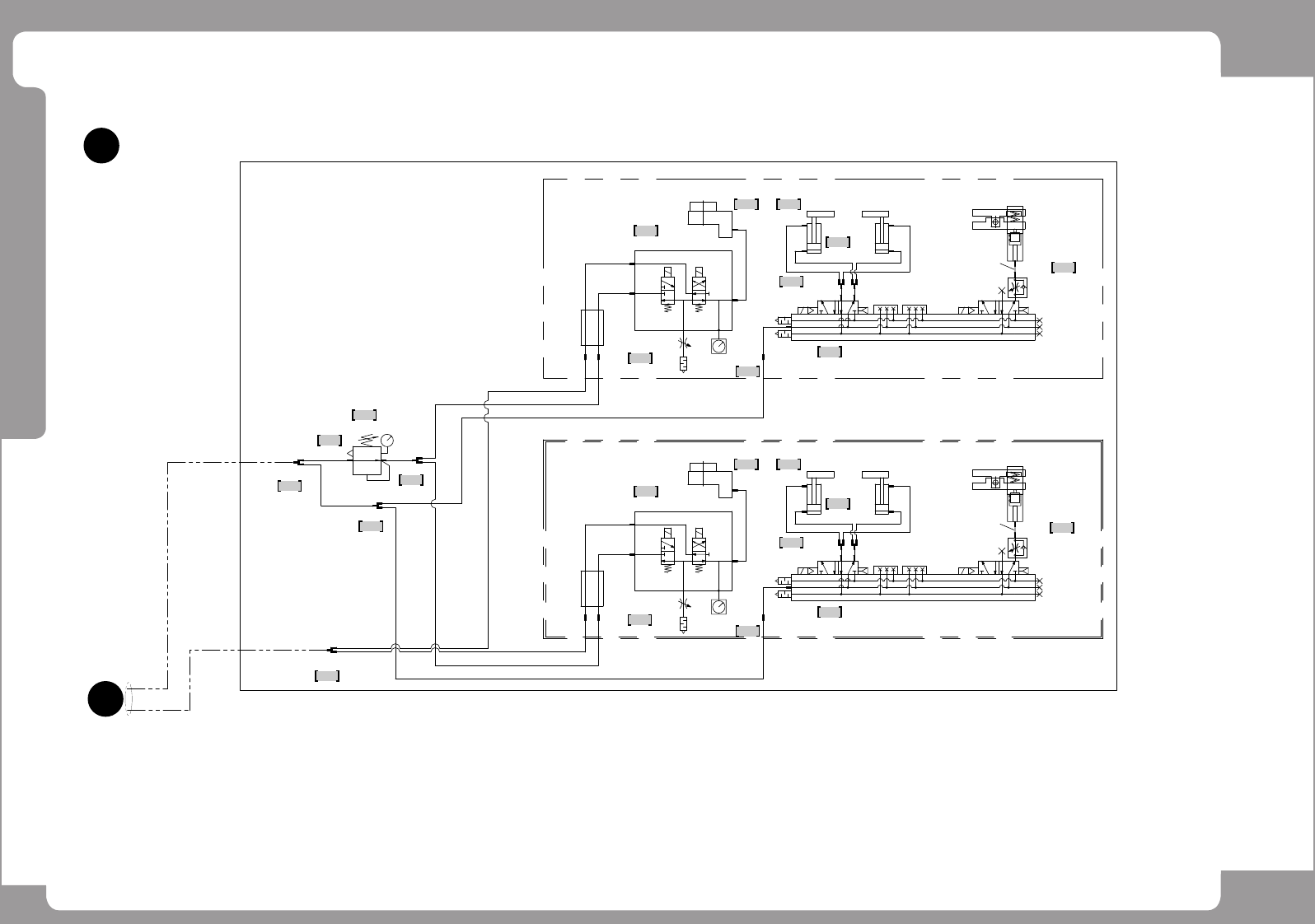
Page
ohu~oh
121
HM520 /
HM520h
Air (6/6) - HM520h
NO. PART NO. PART NAME Q'TY Old No. Supply Supply LT Reference
1 HP06-900077 UNION_Y_FITTING 1
2 HP06-000397 FITTING 2
3 HP09-001051 REGULATOR 1
4 HP06-000439 FITTING-KQ2U04-06A 1
5 HP09-003546 MANIFOLD 1
6 HP06-900059 BOB ELBOW FITTING 1
7 HP06-001492 STRAIGHT FITTING 2
8 HP09-000167 SPEED CONTROLLER 4
9 HP03-001180 CYLINDER 2
10 HP06-000487 FITTING 2
11 HP06-900289 STRAIGHT FITTING 1
12 EP07-003127 SOLENOID 1
13 HP06-001481 FITTING 1

Page
ohu~oh
122
HM520 /
HM520h
Conveyor (1/5)
Front side
Front side
Rear side
Rear side
1
31
4
2
15
20
18
24
25
27
5
3
7
10
11
9
13
21
30
23
12
18
19
14
9
6
8
26
28
29
16
22
17