HM-Series_TRM(Ver2.2_CS20.11) - 第163页
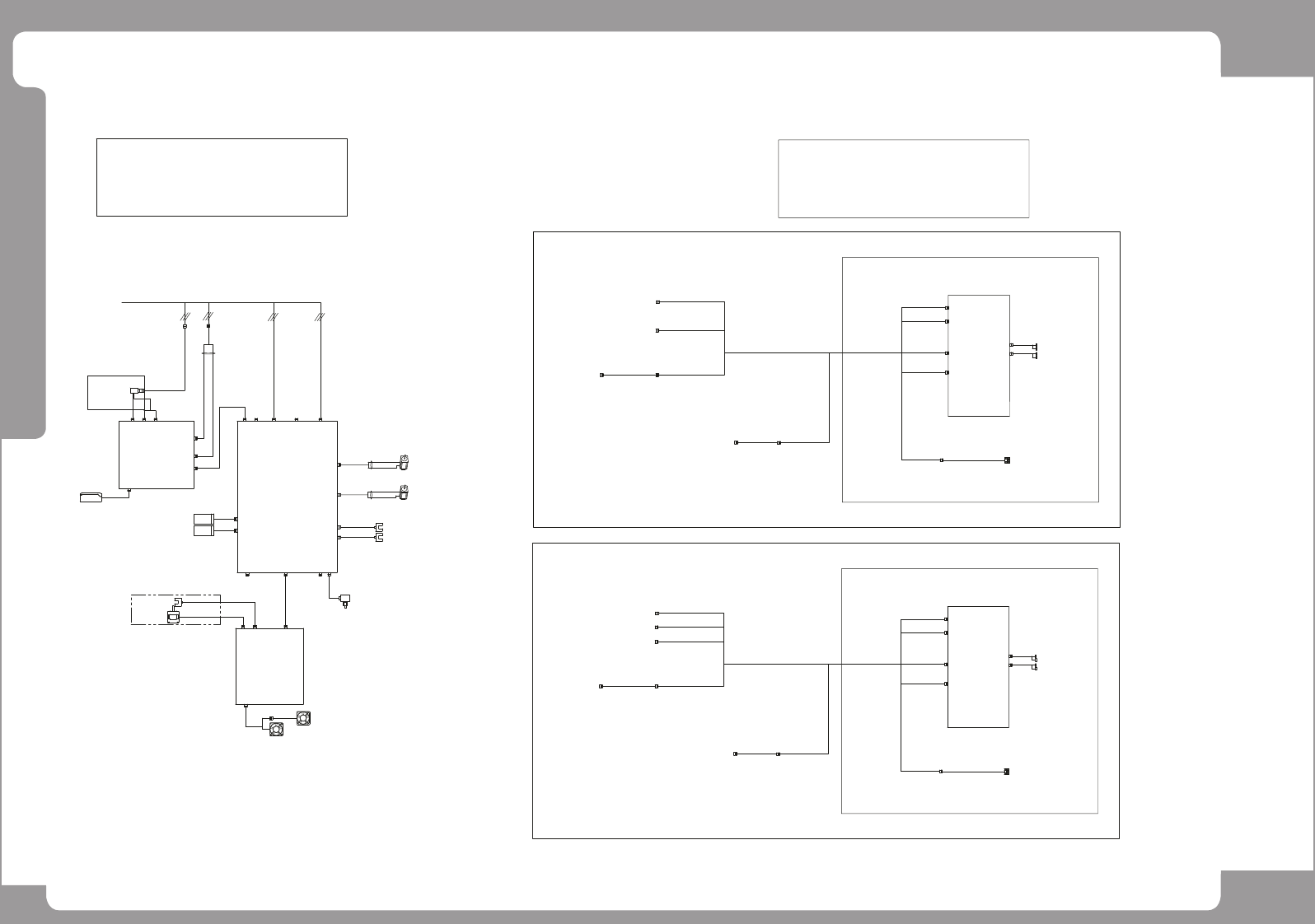
Page ohu~oh 161 HM520 / HM520h Harness Wiring Diagram (6/7) - HM520 MF HEAD MF BASE B/D CNPW CN15 CN10 HM520 IN CN9 CNPW 24V/48V POWER FL001-5 ETHERCA T IN FL001-3 HILL B/D CN1 CN7 CN2 CN3 CN4 MF-FID/SVS CN5 OPT)HEIGHTSE…

Page
ohu~oh
160
HM520 /
HM520h
Harness Wiring Diagram (5/7) - HM520
DOCKING CART
VCCB40
FDCN(2_1)
FDCN(4_3)
FEEDER #1
FEEDER #2
FEEDER #3
FEEDER #4
V1_DC-002
NXD_FD-001
NXD_DC-001
CUTTER OPEN SENSOR
NXD_DC-003
FDCN(38_37)
FDCN(40_39)
FEEDER #37
FEEDER #38
FEEDER #39
FEEDER #40
DRAW
HS HEAD
HS BASE B/D
CN1
CN4
CN5-1
CN29 CN6
CN28-2
CN28-1
HM520
CN-PWUSBINCN8
PRESSURE SEN
OPT)AUTOSENSING
OUT
24V/48V POWER
FL001-5
ETHERCAT IN
FL001-3
CN5-2
CN2
NXD_HSHD_001
AM03-025455A
Z LINEAR MOTOR
CN3
Z ENCODER SEN
NXD_HSHD_002
AM03-025456A
R
(75W)
T
(15W)
T HOME SENSOR
Z MONITORING SENSOR
NXD_HSHD_003
AM03-025457A
NXD_HSHD_004
AM03-025458A
NXD_HSHD_005
AM03-025459A
NXD_HSHD_006
AM03-025460A
NXD_HSHD_007
AM03-025461A
NXD_HSHD_010
AM03-025464A
V-AXIS DRV
D5194
CN3CN1 CN2
CN4
NXD_HSHD_011
AM03-025465A
NXD_HSHD_012
AM03-025466A
V HOME SENSOR
V STEP MOTOR
NXD_HSHD_015
AM03-026005A
NXD_HSHD_013
AM03-025655A
FAN2
FAN1
N.C
HILL B/D
CN1
CN7
CN2
CN3
RS422
NXD_HSHD_009
AM03-025463A
CN4
HS-SVS MODULE
CN5
OPT)HEIGHTSENSOR
NXD_HDBASE_003
AM03-029337A
NXD_HDBASE_002
AM03-025488A
OUTER
COAXIAL
NXD_HDBASE_005
AM03-025491A
CN6
RS422
24V
NXD_HDBASE_008
AM03-025897A
FL001-4
NXD_FL_001
AM03-028964A(HS, MF Option)
AM03-029742A(HS-LED Option)
HILL-EXT
SVS-TRIG
NXD_HDBASE_001
AM03-025487A
RS422/IO/+24V
Ver1.2
CN1
24V
CN2
24V
CN3
CUNET/CAN
CH SELECT
CN8
CART CONNECT
AM03-025510A
FLUX 485 CONNECTOR
RS485
AM03-025509A
CON
AM03-025499A
(AM03-018960A)
V1_DC-002
(AM03-018960A)
V1_DC-002
(AM03-018960A)
V1_DC-002
(AM03-018960A)
24V
24V PS2
CUNET/CAN
NCIO CN8
F CUTTER OPEN
NCIO CN21
AM03-025851A
NxD_CI034
NxD_CI024
AM03-025843B
NCIO CN27
F CART
CONTACT
CUTTER OPEN
RS485
FRONT
VCCB40
FDCN(2_1)
FDCN(4_3)
FEEDER #1
FEEDER #2
FEEDER #3
FEEDER #4
V1_DC-002
NXD_FD-002
NXD_DC-001
CUTTER OPEN SENSOR
NXD_DC-003
FDCN(38_37)
FDCN(40_39)
FEEDER #37
FEEDER #38
FEEDER #39
FEEDER #40
DRAW
CN1
24V
CN2
24V
CN3
CUNET/CAN
CH SELECT
CN8
CART CONNECT
AM03-025510A
FLUX 485 CONNECTOR
RS485
AM03-025509A
CON
AM03-025500A
(AM03-018960A)
V1_DC-002
(AM03-018960A)
V1_DC-002
(AM03-018960A)
V1_DC-002
(AM03-018960A)
24V
24V PS3
CAN
NCIO CN10
R CUTTER OPEN
NCIO CN21
NxD_CI024
AM03-025843B
NCIO CN28
R CART
CONTACT
CUTTER OPEN
RS485
REAR
NCIO CN9
CUNET
AM03-025850A
NxD_CI037
R-RS485-EXT
R-RS485-EXT

Page
ohu~oh
161
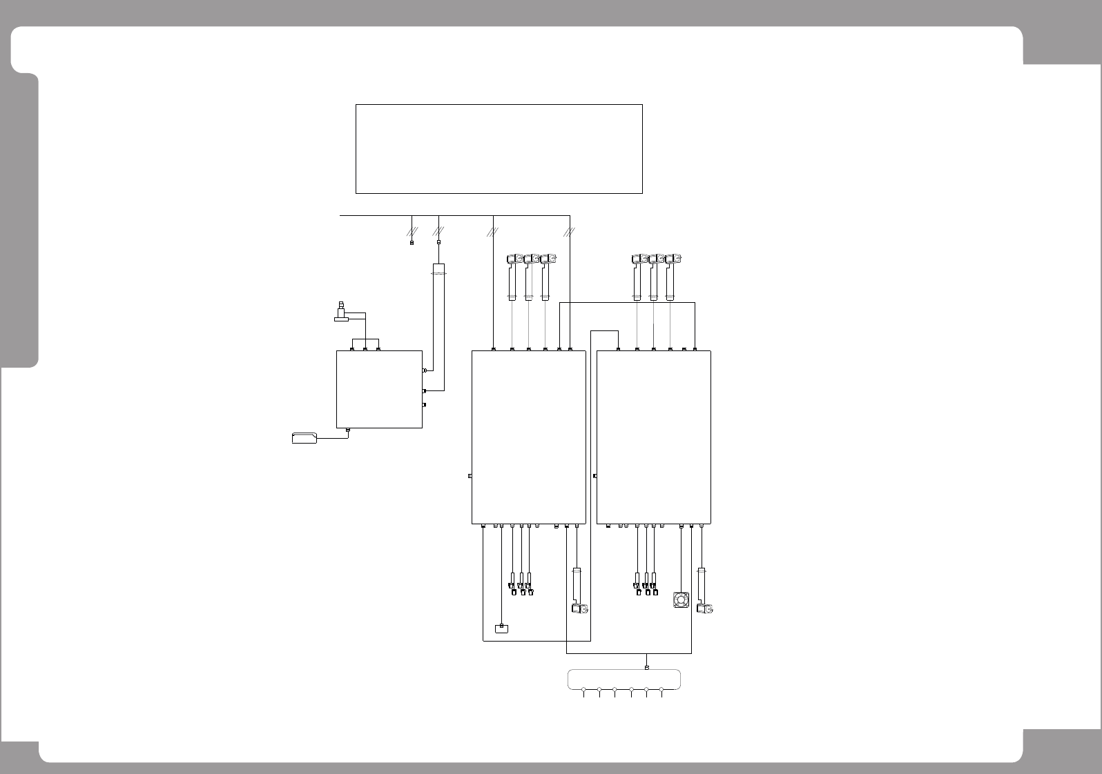
HM520 /
HM520h
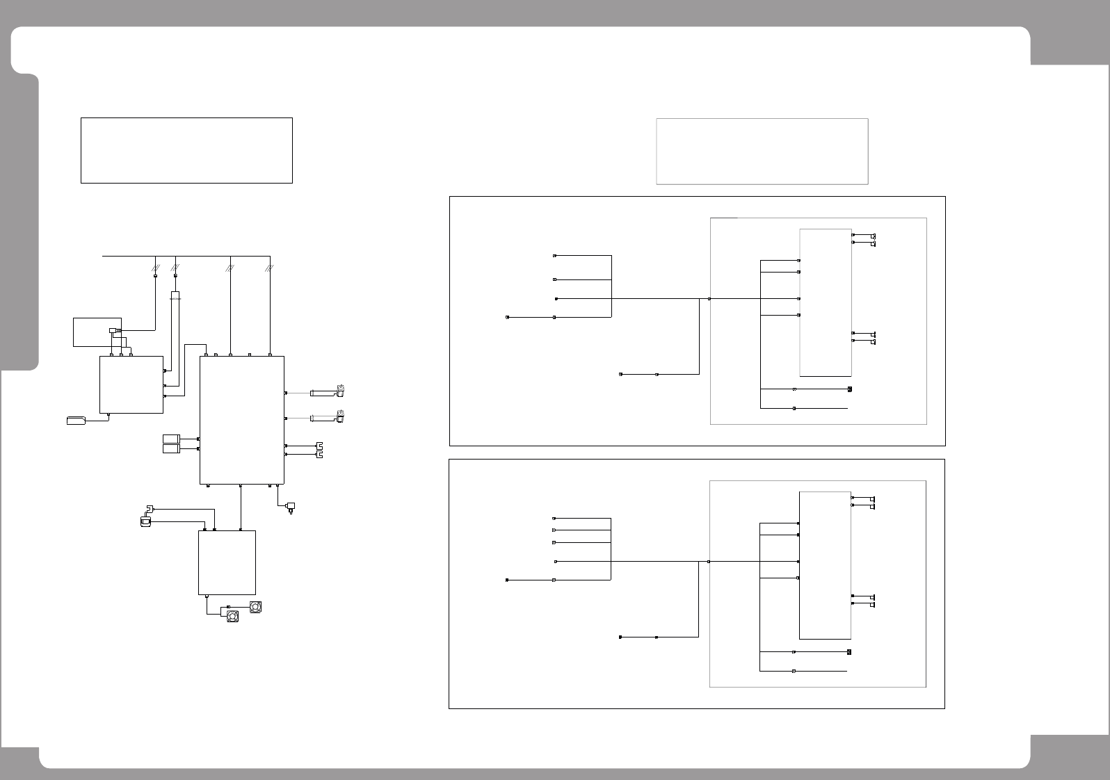
Harness Wiring Diagram (6/7) - HM520
MF HEAD
MF BASE B/D
CNPW
CN15
CN10
HM520
IN
CN9
CNPW
24V/48V POWER
FL001-5
ETHERCAT IN
FL001-3
HILL B/D
CN1
CN7
CN2
CN3 CN4
MF-FID/SVS
CN5
OPT)HEIGHTSENSOR
NXD_HDBASE_003
AM03-029337A
NXD_HDBASE_006
AM03-025790A
CN6
RS422
24V
NXD_HDBASE_008
AM03-025897A
FL001-4
NXD_FL_001
AM03-028964A(HS, MF Option)
AM03-029742A(HS-LED Option)
T1
(10W)
USB
OUT
CN8
CN7
Z5
(10W)
Z3
(10W)
Z1
(10W)
CN11-1
CN11-2
CN12-1
CN12-2
CN13-1
CN13-2
CN14
N.C
SENSORSENSORSENSORSENSOR
VAC.
VAC.VAC.
VAC.
H1 H2
H3 H4
VACUUM SENSOR BD
HM520
N.C
N.C
LASER
H5 VAC/BLOW SOL
H3 VAC/BLOW SOL
H1 VAC/BLOW SOL
SENSOR
VAC.
H5
SENSOR
VAC.
H6
CN1
NXD_MFHD_001
AM03-025468A
NXD_MFHD_003
AM03-025470A
NXD_MFHD_015
AM03-025481A
NXD_MFHD_004
AM03-025471A
NXD_MFHD_005
AM03-025472A
NXD_MFHD_008
AM03-025475A
NXD_MFHD_006
AM03-025473A
NXD_MFHD_019
AM03-025485A
MF BASE B/D
CNPW
CN15
CN10
HM520
IN
CN9
CNPW
24V/48V POWER
ETHERCAT IN
T2
(10W)
USB
OUT
CN8
CN7
Z6
(10W)
Z4
(10W)
Z2
(10W)
CN11-1
CN11-2
CN12-1
CN12-2
CN13-1
CN13-2
CN14
N.C
N.C
H6 VAC/BLOW SOL
H4 VAC/BLOW SOL
H2 VAC/BLOW SOL
NXD_MFHD_002
AM03-025469A
NXD_MFHD_014
AM03-025480A
NXD_MFHD_016
AM03-025482A
NXD_MFHD_017
AM03-025483A
NXD_MFHD_018
AM03-025484A
NXD_MFHD_007
AM03-025474A
NXD_MFHD_020
AM03-025486A
N.C
NXD_MFHD_013
AM03-025479A
NXD_MFHD_011
AM03-025477A
NXD_MFHD_012
AM03-025478A
FAN
NXD_MFHD_021
AM03-025656A
24V/48V POWER EXT
N.C
N.C
TOP BOTTOM
N.C
HILL-EXT
N.C
AXIS Z5,Z3,Z1,T1 AXIS Z6,Z4,Z2,T2
ETHERCAT OUT
Ver1.2

Page
ohu~oh
162
HM520 /
HM520h
Harness Wiring Diagram (7/7) - HM520
FIXED FDBASE
VCCB08
FDCN(2_1)
FDCN(4_3)
FEEDER #1
FEEDER #2
FEEDER #3
FEEDER #4
NXD_FIXFD003
NXD_FIXFD_001
CUTTER OPEN SENSOR
NXD_DC-003
LED OPTION
CN1
24V
CN2
24V
CN3
CUNET/CAN
CH SELECT
CN8
CART CONNECT
AM03-025510A
AM03-027584B
(AM03-028472A)
24V
24V PS2
CUNET/CAN
NCIO CN8
F CUTTER OPEN
NCIO CN21
AM03-025851A
NxD_CI034
NxD_CI024
AM03-025843B
NCIO CN27
F CART
CONTACT
CUTTER OPEN
FRONT
NXD_FIXFD_002
AM03-027601B
24V
24V PS2
CAN
NCIO CN10
R CUTTER OPEN
NCIO CN21
NxD_CI024
AM03-025843B
NCIO CN28
R CART
CONTACT
REAR
NCIO CN9
CUNET
AM03-025850A
NxD_CI037
VCCB08
FDCN(2_1)
FDCN(4_3)
FEEDER #1
FEEDER #2
FEEDER #3
FEEDER #4
NXD_FIXFD003
CUTTER OPEN SENSOR
NXD_DC-003
CN1
24V
CN2
24V
CN3
CUNET/CAN
CH SELECT
CN8
CART CONNECT
AM03-025510A
(AM03-028472A)
CUTTER OPEN
HS BASE B/D
CN1
CN4
CN5-1
CN29 CN6
CN28-2
CN28-1
HM520
CN-PWUSBINCN8
PRESSURE SEN
OPT)AUTOSENSING
OUT
24V/48V POWER
FL001-5
ETHERCAT IN
FL001-3
CN5-2
CN2
NXD_HSHD_001
AM03-025455B
Z LINEAR MOTOR
CN3
Z ENCODER SEN
NXD_HSHD_002
AM03-025456A
R
(75W)
T
(15W)
T HOME SENSOR
Z MONITORING SENSOR
NXD_HSHD_003
AM03-025457B
NXD_HSHD_004
AM03-025458B
NXD_HSHD_005
AM03-025459B
NXD_HSHD_006
AM03-025460B
NXD_HSHD_007
AM03-025461B
NXD_HSHD_010
AM03-025464B
V-AXIS DRV
D5194
CN3CN1 CN2
CN4
NXD_HSHD_011
NXD_HSHD_012
AM03-038230A
V HOME SENSOR
V STEP MOTOR
NXD_HSHD_015
AM03-026005B
NXD_HSHD_013
AM03-025655B
FAN2
FAN1
N.C
HILL B/D
CN1
CN7
CN2
CN3
RS422
NXD_HSHD_009
AM03-025463A
CN4
HS-SVS MODULE
CN5
OPT)HEIGHTSENSOR
NXD_HDBASE_003
AM03-029337A
NXD_HDBASE_002
AM03-025488A
OUTER
COAXIAL
NXD_HDBASE_005
AM03-025491B
CN6
RS422
24V
NXD_HDBASE_008
AM03-025897B
FL001-4
NXD_FL_001
AM03-028964A(HS, MF Option)
AM03-029742A(HS-LED Option)
HILL-EXT
SVS-TRIG
NXD_HDBASE_001
AM03-025487A
RS422/IO/+24V
Ver1.2