HM-Series_TRM(Ver2.2_CS20.11) - 第206页
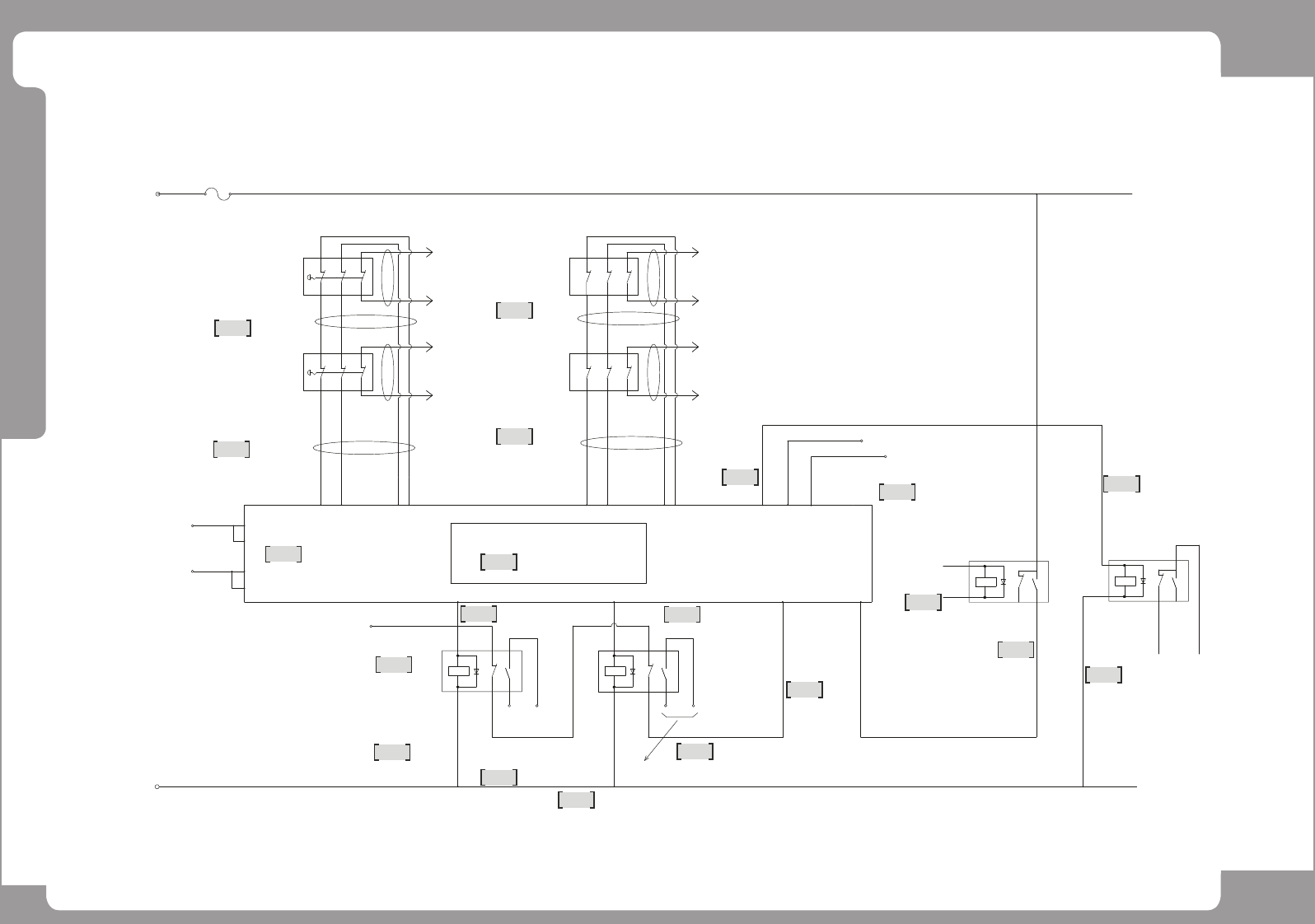
Page ohu~oh 204 HM520 / HM520h Interlock Block Diagram (2/2) - HM520 IM1 IM0 32 22 -EM S/W 31 21 (REAR) -EM S/W (FRONT) 31 32 21 22 12 11 12 11 EM2 (S/W MONITOR) (S/W MONITOR) 24G EM1 (S/W MONITOR) (S/W MONITOR) 24G 12 2…

Page
ohu~oh
203
HM520 /
HM520h

Page
ohu~oh
204
HM520 /
HM520h
Interlock Block Diagram (2/2) - HM520
IM1 IM0
32
22
-EM S/W
31
21
(REAR)
-EM S/W
(FRONT)
31
32
21
22
12
11
12
11
EM2
(S/W MONITOR)
(S/W MONITOR)
24G
EM1
(S/W MONITOR)
(S/W MONITOR)
24G
12
22
-DOOR S/W
11
21
(REAR)
-DOOR S/W
(FRONT)
11
12
21
22
REM1
32
31
32
31
RD
(S/W MONITOR)
(S/W MONITOR)
24G
FD
(S/W MONITOR)
(S/W MONITOR)
24G
IM3 IM2
o0
A1
A2
-MC1
A1 21 13
A2 22 14
-MC3
A1 21 13
A2 22 14
o1 i15 i7
T0 T1 T2 T3
24V
0V
TB3-4D
IM19
SAFETY PLC OUTPUT MONITOR
RY1
A1
11
A2
12 14
-READY OUT
FROM CUNET IO BD
IM18
SAFETY PLC OUTPUT TO SMC P4
TO CUNET CV BD (PNP PHASE)
RY2
A1
11
A2
12 14
IM17
-INTERLOCK OUT
TO DIRECT TRAY
24G
+24V
SAFETY PLC
PILZ PNOZ_MM0P
SF-001
SF-006
SF-007
SF-005
SF-003
SERVO READY OUT SIGNAL(FROM CUNET IO BD)
Magnetic Contact #1 Feedback
Magnetic Contact #3
SF-010
SF-006
SF-007
SF-007
SF-008
TB3-4B
TB3-9B
-FUSE1
(250V,0.5A)
SF-008
SF-008
MOTOR POWER ON(TO CUNET IO BD)
BELT DRIVER POWER
SF-009
SF-011
AM03-027663A(~ #83)
AM03-027663B(#84 ~)
AM03-027661A(~ #83)
AM03-027661C(#84 ~)
SF-003
AM03-027663A(~ #83)
AM03-027663B(#84 ~)
SF-001
AM03-027661A(~ #83)
AM03-027661C(#84 ~)
AM03-027664A(~ #83)
AM03-027664C(#84 ~)
TB3-4C
SF-005
AM03-027664A(~ #83)
AM03-027664C(#84 ~)
AM03-027659A
AM03-027659A(~ #83)
AM03-027659B(#84 ~)
AM03-027668A(~ #83)
AM03-027668C(#84 ~)
AM03-027668A
AM03-027668A
AM03-027669A(~ #83)
AM03-027669B(#84 ~)
AM03-027669A
TB3-9D
AM03-027669A(~ #83)
AM03-027669B(#84 ~)
AM03-027651A
AM03-027973A(~ #83)
AM03-029294A(#84 ~)
AM03-027653A(~ #83)
AM03-029294A(#84 ~)
TB3-1A~5D
TB3-6A~10D
TB3-9D
CI-062
AM03-025837A
Feedback
EP07-002637(~ #83)
EP07-002713(#84 ~)
SF-012
TB3-9C
AM03-028775A(~ #83)
AM03-029295A(#84 ~)
1
1
2
2
3
17
4
5
6
7
8
9
10
11
12
18
13
14
15
16

Page
ohu~oh
205
HM520 /
HM520h
Interlock Block Diagram (2/2) - HM520
NO. PART NO. PART NAME Q'TY Old No. Supply Supply LT Reference
1 AM03-027663B CABLE ASSY-F_R EMG_SAFETY_CTRL 1 AM03-027663A(~ #83) #84 ~
2 AM03-027661C CABLE ASSY-F_R DOOR_SAFETY_CTRL 1 AM03-027661A(~ #83) #84 ~
3 AM03-027664C CABLE ASSY-SAFETY_RELAY DC PWR 1 AM03-027664A(~ #83) #84 ~
4 AM03-027659B CABLE ASSY-SAFETY RELAY OUT_ MC 1 AM03-027659A(~ #83) #84 ~
5 AM03-027668C CABLE ASSY-MC_FEEDBACK 1 AM03-027668A(~ #83) #84 ~
6 AM03-027669B CABLE ASSY-MC_GND 1 AM03-027669A(~ #83) #84 ~
7 AM03-027668C CABLE ASSY-MC_FEEDBACK 1 AM03-027668A(~ #83) #84 ~
8 AM03-027669B CABLE ASSY-MC_GND 1 AM03-027669A(~ #83) #84 ~
9 AM03-027659B CABLE ASSY-SAFETY RELAY OUT_ MC 1 AM03-027659A(~ #83) #84 ~
10 AM03-025837A CABLE ASSY-MOTOR PW ON SIG CABLE 1
11 AM03-027668C CABLE ASSY-MC_FEEDBACK 1 AM03-027668A(~ #83) #84 ~
12 AM03-029294A CABLE ASSY-SAFETY READY MON_SMC INT 1 AM03-027973A(~ #83) #84 ~
13 AM03-027651A CABLE ASSY-READY OUT SIG CABLE 1
14 AM03-027664C CABLE ASSY-SAFETY_RELAY DC PWR 1 AM03-027664A(~ #83) #84 ~
15 AM03-029295A CABLE ASSY-SAFETY RELAY OUT_RY2 1 AM03-028775A(~ #83) #84 ~
16 AM03-027669B CABLE ASSY-MC_GND 1 AM03-027669A(~ #83) #84 ~
17 EP07-002713 DEVICES,SAFETY 1 EP07-002637(~ #83) #84 ~
18 AM03-029294A CABLE ASSY-SAFETY READY MON 1 AM03-027653A(~ #83) #84 ~