HM-Series_TRM(Ver2.2_CS20.11) - 第209页
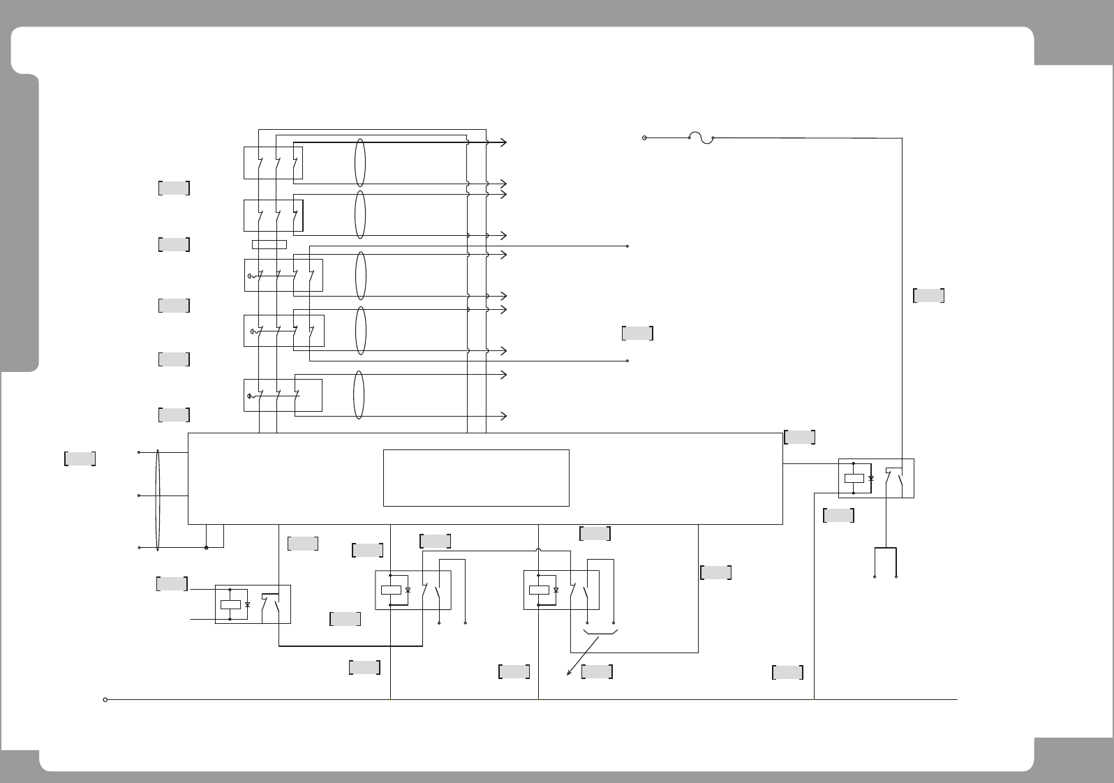
Page ohu~oh 207 HM520 / HM520h Interlock Block Diag ram (2/2) - HM520h NO. P A RT NO. P ART NA ME Q'TY Old No. Supply Supply L T Reference 1 AM0 3-027661C CABLE ASS Y -F_R DOOR_SAFETY_CTRL 1 2 AM0 3-034867A CABLE AS…

Page
ohu~oh
206
HM520 /
HM520h
Interlock Block Diagram (2/2) - HM520h
1
1
2
2
12
3
4
4
5
6
6
6
8
9
10
10
10
11
6
7
7
14
A2
-MC1
A1 22 13
A2 21 14
-MC3
A1 21 13
A2 22 14
24 S12
A1
TB3-4C
INTERLOCK OUTPUT TO SMC P4
S22 S12S11 S21
24V
GND
RY2
A1
11
A2
12 14
S34
RY1
-READY OUT
FROM CUNET IO BD
13
23
Y32
RY2
A1
11
A2
12 14
SAFETY RELAY OUTPUT MONITOR
TO CUNET IO BD (PNP PHASE)
22
32
21
31
11
12
-KEY SWITCH
SAFEMODE (S/W MONITOR)
24G
22
32
-EM S/W
21
31
(REAR)
-EM S/W
(FRONT)
22
21
32
31
11
12
11
12
EM1
F EMG (S/W MONITOR)
24G
EM2
R EMG (S/W MONITOR)
24G
-DOOR S/W
(FRONT)
22
21
32
31
11
12
FD
F DOOR (S/W MONITOR)
24G
21
31
-DOOR S/W
22
32
(REAR)
11
12
RD
R DOOR (S/W MONITOR)
24G
41
42
42
41
INTERLOCK OUTPUT
TO DIRECT TRAY
24G
+24V
SF-006
SF-007
SF-005
Output Feedback
SF-006
SF-007
SF-007
TB3-4B
TB3-9B
-FUSE1
(250V,0.5A)
SF-008
SF-008
MOTOR POWER ON(TO CUNET IO BD)
BELT DRIVER POWER
AM03-027664C
TB3-4B
AM03-027659B
AM03-027659B
AM03-027668C
AM03-027668C
AM03-027668C
AM03-027669B
AM03-027669B
TB3-9D
TB3-1A~5D
TB3-6A~10D
TB3-9D
CI-062
AM03-025837A
EP07-002637
TB3-9C
SAFETY RELAY
PILZ PNOZ s3
SF-009
AM03-027651A
SF-005
AM03-027664C
SF-007
AM03-027668C
SF-008
AM03-027669B
SF-013
AM03-029294A
SF-014
AM03-029295A
SF-001
AM03-027661C
SF-001
AM03-027661C
SF-003
AM03-034867A
SF-003
AM03-034867A
TF-003
AM03-027642C
SF-003-1
AM03-037619A

Page
ohu~oh
207
HM520 /
HM520h
Interlock Block Diagram (2/2) - HM520h
NO. PART NO. PART NAME Q'TY Old No. Supply Supply LT Reference
1 AM03-027661C CABLE ASSY-F_R DOOR_SAFETY_CTRL 1
2 AM03-034867A CABLE ASSY-F_R EMG_SAFETY CTRL 1
3 AM03-027642C CABLE ASSY-TRAY-IF_EXT 1
4 AM03-027664C CABLE ASSY-SAFETY_RELAY DC PWR 1
5 AM03-027651A CABLE ASSY-READY OUT SIG CABLE 1
6 AM03-027668C CABLE ASSY-MC_FEEDBACK 1
7 AM03-027659B CABLE ASSY-SAFETY RELAY OUT_ MC 1
8 AM03-029295A CABLE ASSY-SAFETY RELAY OUT_RY2 1
9 AM03-029294A CABLE ASSY-SAFETY READY MON_SMC INT 1
10 AM03-027669B CABLE ASSY-MC_GND 1
11 AM03-025837A CABLE ASSY-MOTOR PW ON SIG CABLE 1
12 AM03-037619A CABLE ASSY-F_EMG_SAFETY MODE KEY_EXT 1

Page
ohu~oh
208
HM520 /
HM520h
Power Block Diagram (1/7)
GRAPHIC SYMBOL
-EMS/W
-MC
-RY
COIL PART
SWITCHING PART
RELAY
SWITCHING PART
MAGNETIC CONTACT
MAGNET CONTACT
RELAY
COIL PART
SWITCH LAMP
3Ø MOTOR
-M
LED TYPE
SWITCH
DOOR INTERLOCK
SWITCH
-DS/W
-LAMP
-NF
ITEM
-MCCB
SYMBOL
-CP
-SC
S Y M B O L L I S T
GRAPHIC SYMBOL
NOISE FILTER
POWER CONSENT
CIRCUIT BREAKER
CIRCUIT PROTECTOR
EMERGENCY
COOLING FAN
SPARK KILLER (1PH)
-FAN
-SK
(USE FOR AC)
TERMINAL BLOCK
SPARK KILLER (3PH)
-SK
-TB
GRAPHIC SYMBOL
DESCRIPTION
DESCRIPTION
SYMBOL
ITEM
DESCRIPTION
-FUSE
-SD
FUSE
SERVO DRIVER
CONTACT
(THERMAL)
FRAME EARTH
PE
(GENERAL)
CONTACT
(CIRCUIT BREAKER)
(CIRCUIT PROTECTOR)
CONTACT
SYMBOL
ITEM
DESCRIPTION GRAPHIC SYMBOL
SYMBOL
ITEM
-STEP
2Ø STEP DRIVER
2Ø MOTOR
-M
THERMAL RELAY(3Ø)
-TR
312
456
(a)
(a)
(a)
(b)
(b)
(b)
Z2-AXIS
DRIVER
3~
M
22
12
21
11
22
12
21
11
VU
tr
WE
L3L1 L2
WD-AXIS
DRIVER
A
A
+
-
B
B
2~
M
NOTES