HM-Series_TRM(Ver2.2_CS20.11) - 第221页
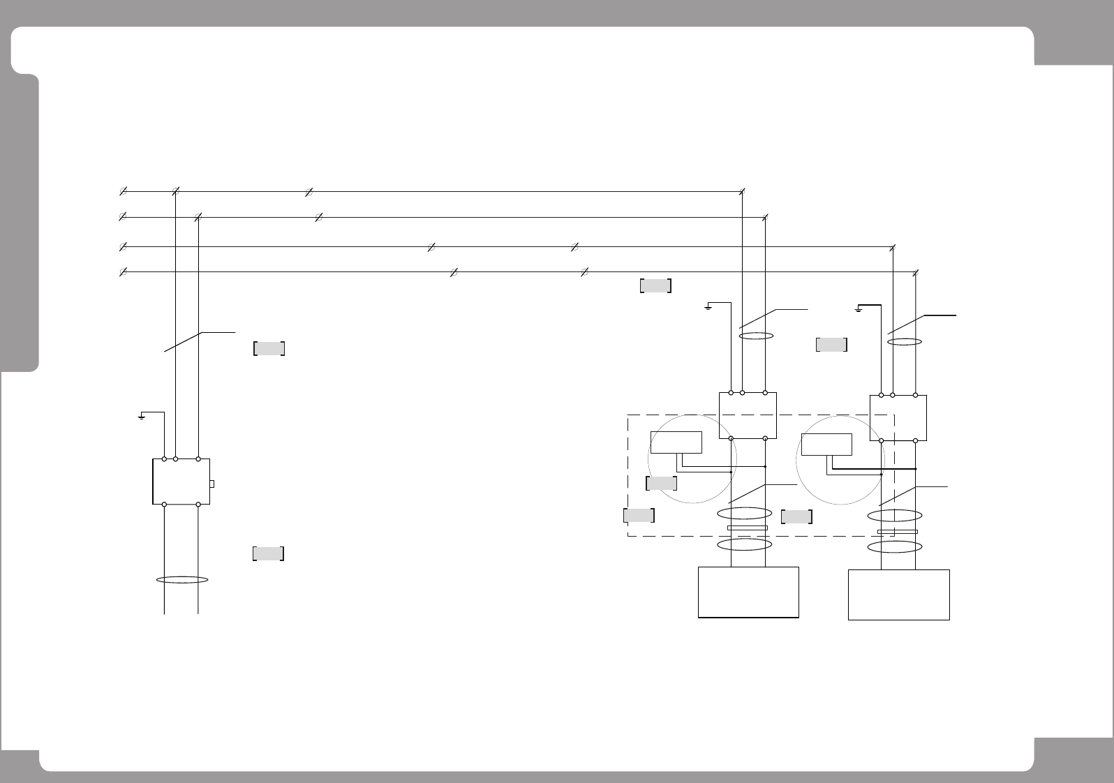
Page ohu~oh 219 HM520 / HM520h Power Block Diagram (5/7) - HM520h NO. P A RT NO. P ART NA ME Q'TY Old No. Supply Supply L T Reference 1 AM03-025670A CABLE ASSY -TB2_24V #2 AC 1 2 AM03-025499B CABLE ASSY -F_CART IF 1…

Page
ohu~oh
218
HM520 /
HM520h
Power Block Diagram (5/7) - HM520h
2L1
2L2
3L1
3L2
+48V
1.5 mm
48G
-PS5
HEAD #2(Z,R)
NXD_PW-034
AM03-034863A
NXD_PW-033
AM03-025690A
+48V
HEAD #1(Z,R)
0.75 mm (BK)
48G
-PS4
NXD_PW-032
AM03-025694B
NXD_PW-031
AM03-025689A
24G
-PS2
+24V
TO FRONT/REAR
FIX FEEDER BASE (OPTION)
6A(Max 16A)
0.75 mm (BK)
NXD_PW_008
AM03-025670A
NXD_FD-001
AM03-025499B
0.75 mm (BK)
0.75 mm (BK)
TO REAR
ARC MODULE
TO FRONT
ARC MODULE
NXD_ARC_001
AM03-029453A
NXD_ARC_001
AM03-029453A
9C
10C
10B
9B
1,2
4,5
10D
9D
1,2
4,5
7B
8B
7A
8A
9A
10A
7C
8C
8D
7D
U
W
V
W
DC POWER(600W)
48VDC
IN
(-)
(+)
AC
PE13
2
HS(MF) B/D #2
CN14(CN1)
NXD_PW-XXX
DC POWER(600W)
48VDC
IN
(-)
(+)
AC
PE12
HS(MF) B/D #1
CN14(CN1)
NXD_PW-XXX
DC POWER(400W)
(-)
24VDC
(+)
AC IN
PE04
PS3
REMOTE CON
2
2
2
2
ARC MODULE
1
2
3
5
6
7
4

Page
ohu~oh
219
HM520 /
HM520h
Power Block Diagram (5/7) - HM520h
NO. PART NO. PART NAME Q'TY Old No. Supply Supply LT Reference
1 AM03-025670A CABLE ASSY-TB2_24V #2 AC 1
2 AM03-025499B CABLE ASSY-F_CART IF 1
3 AM03-025689A CABLE ASSY-TB2_48V PS #1 AC PWR 1
4 AM03-025690A CABLE ASSY-TB2_48V PS #2 AC PWR 1
5 AM03-029453A ARC POWER 1
6 AM03-025694B CABLE ASSY-48V PS #1_FLAT CABLE 1
7 AM03-034863A CABLE ASSY-48V PS #2_FLAT CABLE 1

Page
ohu~oh
220
HM520 /
HM520h
Power Block Diagram (6/7)
1 2
3
4
5
6
22L1
22L3
22L2
0.75mm
0.75mm
-TB2 (11~16 : 3 220V)
FROM CP2
-MC1
AC220V
22R
22S
22T
(LC1D096BD-20A)
0.75mm
0.75mm
1L2
1L1
FROM CP1
-TB2
NXD_PW-026
AM03-025687A
NXD_PW-027
AM03-025683A
NXD_PW-029
AM03-025691A
NXD_PW-028
AM03-025688A
NXD_PW-030
AM03-025692A
-MC3
(LC1D096BD-20A)
NXD_PW-059
AM03-027813A
BLK
BLK
BLK
BLK
11C
11B
13B
15B
13C
15C
5C
2C
5D
2D
11A
13A
15A
1
3
5
2
4
6
12A
16A
6B
3B
14A
11D
13D
15D
6A
3A
1
3
5
2
4
6
DRIVER
PE8
U
-M1
3~
M
WV E
L3
SERVO
r
-SD1
L1
t
DRIVER
PE9
U
-M3
3~
M
VW E
SERVO
r
-SD3
L1
t
L3
2
2
400W
FX-AXIS
400W
RX-AXIS
V
r
L1
t
2
U
-M3
L1
DRIVER
PE11
U
-M3
3~
M
2
W E
SERVO
-SD7
L2 L3
1KW
RY1-AXIS
DRIVER
PE10
3~
M
VW E
SERVO
r
L2
t
L3
1KW
FY-AXIS
-SD5
L2
L2