HM-Series_TRM(Ver2.2_CS20.11) - 第225页
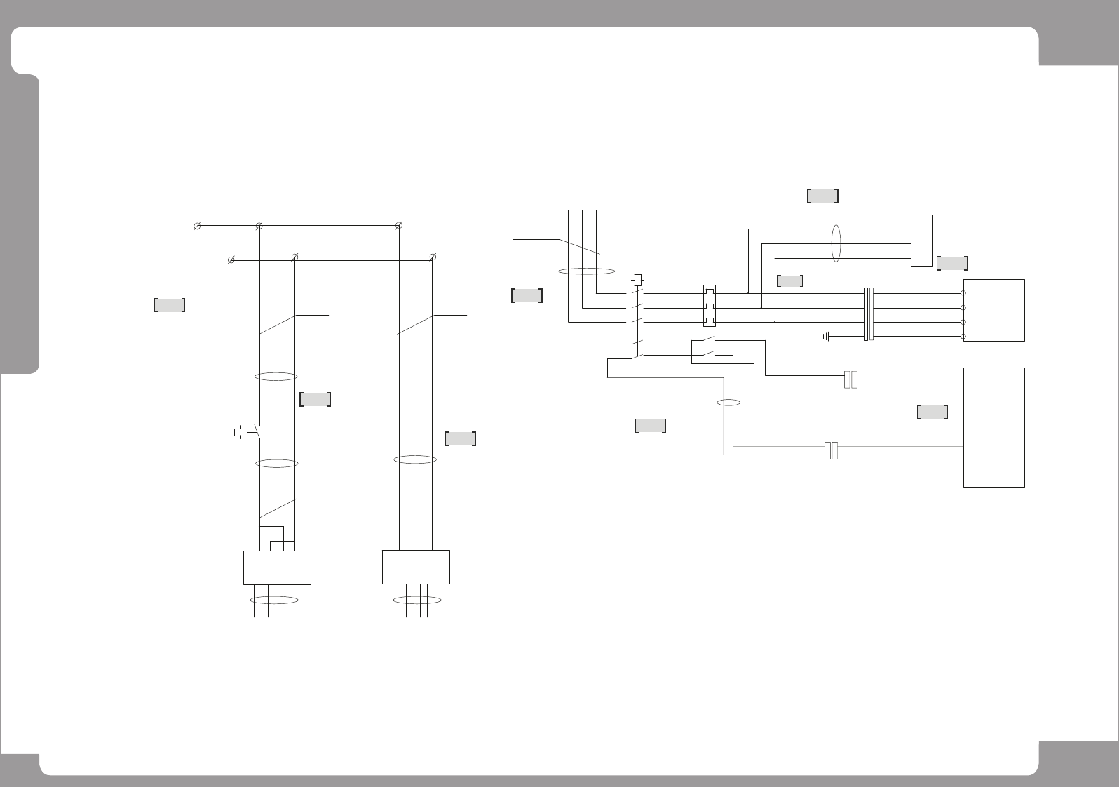
Page ohu~oh 223 HM520 / HM520h Power Block Diagram (7/7) NO. P A RT NO. P ART NA ME Q'TY Old No. Supply Supply L T Reference 1 AM0 3-025675A CABLE ASSY -24V PS #1 _TB2 1 2 AM0 3-025677A CABLE ASSY -TB2_BEL T STEP DR…

Page
ohu~oh
222
HM520 /
HM520h
Power Block Diagram (7/7)
1
2
3
4
5
6
7
8
9
-MC2
-TR
VACUUM
PUMP
SK
SM48C_PW041
SM48C_PW042-1
CUNET-CN12
AM03-025881A
NXD_CI017
AM03-014851A
AM03-014906A
DECAN_PW042
AM03-015062B
U
V
W
NXD_PW-035
AM03-025695A
B6-30-10-01
(3Ø, 4A)
T16-3.1
(2.5A)
SM48C_PW147-1
AM03-014907A
24G
24G
CONVEYOR BELT PWR
DRIVER PWR
-MC1
+24V 24G
+24V
0.5 mm (BLK)0.5 mm (BLK)
0.5 mm (BLK)
CN1 CN1
(CB1,CB2,CB3,CB4)
+24V
WW1, WW2
NXD_PW-016
AM03-025677A
NXD_PW-017
AM03-025678A
NXD_PW-015
AM03-025675A
-TB2 (17~18 : DC24V)
FROM 24V PS #1
1.5mm(BLK)
1
3
5
2
4
6
2
4
6
97
95
98
96
13
A1
14
A2
1
2
3
4
18D
17B
13
14
17D
18B
17A
18A
U
V
W
PE
A1
A2
VACUUM PUMP ALARM
GND
+24V
VACUUM PUMP PWR
PE3
22
2
WIDTH STEP DRV
BELT STEP DRV
(19)
2

Page
ohu~oh
223
HM520 /
HM520h
Power Block Diagram (7/7)
NO. PART NO. PART NAME Q'TY Old No. Supply Supply LT Reference
1 AM03-025675A CABLE ASSY-24V PS #1_TB2 1
2 AM03-025677A CABLE ASSY-TB2_BELT STEP DRV 24V 1
AM03-034902A CABLE ASSY-TB2_BELT STEP DRV 24V 1 HM520h Option
3 AM03-025678A CABLE ASSY-TB2_WIDTH STEP DRV 24V 1
AM03-034825A CABLE ASSY-TB2_WIDTH STEP DRV 24V 1 HM520h Option
4 AM03-025695B CABLE ASSY-MC2 AC 1
5 AM03-014851A CABLE ASSY-SPARK_KILLER 1
6 AM03-027966A CABLE ASSY-VACUUM_PUMP_PWR_EXT 1
7 AM03-015062B CABLE ASSY-VACUUM_PUMP_220V 1
8 AM03-014907A CABLE ASSY-PUMP_PWR_ALARM-EXT 1
9 AM03-025881A CABLE ASSY-VAC PUMP PWR EXT CABLE 1

Page
ohu~oh
224
HM520 /
HM520h
Conveyor Interface Board (1/9)
1
2
3
4
5 6
7
8
9
1
3
2
1
3
2
BOARD
CUNET_H
CUNET_L
GND
GND
4P
CN4P
CN4S
4P
CN3P
A2
CN3S
A1
B1
4
4
STEP1-CN1
2
4
1
CUNET IO
4P
CN1P
CN1S
NXD_CI002
NXD_CV035
CUNET STEP B/D
AM03-025871A
AM03-025861A
+24V
+24V
GND
GND
NXD_CI001
AM03-025869A
33
4 4
1
2
1
2
24V
-
-
GND
6
7~12
5
13
14
TERMINAL BLOCK
TB3-1B
TB3-6B
1~4
NXD_FSU003
AM03-027585A
B2
A2
A1
B1
B2
6
3
5
2
4
1
6
3
5
NCIO B/D
CUNET_H
CUNET_L
GND
GND
A2
A1
B1
B2
A2
A1
B1
B2
A2
A1
B1
B2
NCIO-CN11
1
3
2
1
3
2
8
7
6
6
8
7
4
5
4
5
14P
CN2P
CN2S
for Firmware Downloading
13
12
11
11
13
12
9
10
9
10
14
14
CN5P
8P
CN5S
A4
B2
B1
A3
A2
A1
+24V
+24V
B4
B3
A4
B2
B1
A3
A2
A1
B4
B3
1F STP
XF STP
+24V
+24V
1R STP
XR STP
4
3
2
1
4
3
2
1
4
3
2
1
4
3
2
1
NXD_CI003
AM03-025827B
2(-)
1(+)
+24V
F-STP1-SOL
+24V
F-STP2-SOL
F-STP1 SOL
F-STP2 SOL
2(-)
1(+)
NXD_CV033
AM03-025858B
2(-)
1(+)
+24V
F-STP1-SOL
+24V
F-STP2-SOL
R-STP1 SOL
R-STP2 SOL
2(-)
1(+)
NXD_CV034
AM03-025859A
F-STP-SOL
R-STP-SOL
CN7P
8P
CN7S
B4
B2
A2
A4
B1
A1
+24V
F CART LOCK SOL
B4
B2
A2
A4
B1
A1
+24V
F CART UNLOCK SOL
NXD_CI005
AM03-025875A
2(-)
1(+)
2(-)
1(+)
B3
A3
B3
A3
+24V
F CUTTER SOL
2(-)
1(+)
FC-LOCK
FC-UNLOCK
F-CUTTER
CN8P
8P
CN8S
B4
B2
A2
A4
B1
A1
+24V
R CART LOCK SOL
B4
B2
A2
A4
B1
A1
+24V
R CART UNLOCK SOL
NXD_CI007
AM03-025874A
2(-)
1(+)
2(-)
1(+)
B3
A3
B3
A3
+24V
R CUTTER SOL
2(-)
1(+)
RC-LOCK
RC-UNLOCK
R-CUTTER
BOARD
CUNET IO
A2
A1
B1
B2
R-FSU-PW