HM-Series_TRM(Ver2.2_CS20.11) - 第228页
Page ohu~oh 226 HM520 / HM520h Conveyor Interface Board (2/9) - HM520 1 2 3 4 5 6 7 8 9 10 11 12 13 10 11 CN9P 8P CN9S B4 A1 B3 A4 B2 B1 RED YELLOW B4 A1 B3 A4 B2 B1 GREEN +24V NXD_CI060 AM03-025835A A3 A2 A3 A2 +24V BUZ…

Page
ohu~oh
225
HM520 /
HM520h
Conveyor Interface Board (1/9)
NO. PART NO. PART NAME Q'TY Old No. Supply Supply LT Reference
1 AM03-025869A CABLE ASSY-CUNET IO BD PWR CABLE 1
AM03-034870A CABLE ASSY-CUNET IO BD PWR CABLE 1 HM520h Option
2 AM03-027585A CABLE ASSY-FDR SETTING UNIT CABLE 1
3 AM03-025871A CABLE ASSY-CUNET CH1 CABLE 1
AM03-034871A CABLE ASSY-CUNET CH1 CABLE 1 HM520h Option
4 AM03-025861A CABLE ASSY-STEP1 BD CUNET CABLE 1
5 AM03-025827B CABLE ASSY-R WORK1 STP UP SNS CABLE 1
6 AM03-025858B CABLE ASSY-F CONV SOL CABLE 1
7 AM03-025859A CABLE ASSY-R CONV SOL CABLE 1
8 AM03-025875A CABLE ASSY-F CART SOL CABLE 1
9 AM03-025874A CABLE ASSY-R CART SOL EXT CABLE 1

Page
ohu~oh
226
HM520 /
HM520h
Conveyor Interface Board (2/9) - HM520
1 2
3
4
5
6
7
8
9
10
11
12
13
10
11
CN9P
8P
CN9S
B4
A1
B3
A4
B2
B1
RED
YELLOW
B4
A1
B3
A4
B2
B1
GREEN
+24V
NXD_CI060
AM03-025835A
A3
A2
A3
A2
+24V
BUZZER
4
3
2
1
4
3
2
1
2
1
2
1
TOWER LAMP
PTE-APV-302-RYG(510)
EP13-900134
CN11P
4P
CN11S
B2
A2
B1
A1
+24V
F ERROR LAMP
B2
A2
B1
A1
+24V
R ERROR LAMP
NXD_CI056
AM03-025834A
4
3
2
1
4
3
2
1
1 1
F ERROR LAMP
(PLDL102B EP13-000046)
BLUE LAMP CABLE ASSY EP02-001746A
+24V
ERROR
4
3
2
4
3
2
R ERROR LAMP
+24V
ERROR
F-OW-LAMP
R-OW-LAMP
TW-LP
TW-BZ
RED
YELLOW
GREEN
+24V
+24V
BUZZER
CN13P
4P
CN13S
B1
B2
A2
A1
B1
A1
+24V
F BUT SOL
B2
A2
B1
B2
A2
A1
B1
A1
B2
A2
+24V
F ANC SOL
NXD_CI010
AM03-025879A
F-BUT SOL
F-ANC SOL
R-BUT SOL
R-ANC SOL
2(-)
1(+)
2(-)
1(+)
2(-)
1(+)
2(-)
1(+)
CN14S
+24V
R BUT SOL
+24V
R ANC SOL
NXD_CI012
AM03-025880B
CN14P
4P
BOARD
CUNET IO
BOARD
CUNET IO
CN16P
6P
4
3
2
4
3
2
33
1
4
1
4
1
2
1
2
A3
A2
A3
A2
B2
B3
B2
B3
B1
B1
A1 A1
BEFORE BUSY OUTPUT
3
4
2
1
3
4
2
1
B3
B3
CN34P
B1
A3
B2
B1
A3
B2
CN34S
A2
A1
A2
A1
AFTER
BEFORE
BUSY+
BUSY-
B/D AVAILABLE+
B/D AVAILABLE-
BUSY+
BUSY-
B/D AVAILABLE+
B/D AVAILABLE-
6P
CN16S
NXD_CI041
AM03-025853A
SM421_CV106-2
AM03-003542B
3
1
2
3
4
2
1
BUSY+
BUSY-
B/D AVAILABLE+
B/D AVAILABLE-
SM33_CV024
J90831146B
4
3
1
2
3
4
2
1
BUSY+
BUSY-
B/D AVAILABLE+
B/D AVAILABLE-
SM33_CV024
J90831146B
4
BEFORE BUSY+
BEFORE BUSY-
AFTER AVAIL+
AFTER AVAIL-
BEFORE AVAIL+
BEFORE AVAIL-
AFTER BUSY+
AFTER BUSY-
AFTER AVAL OUTPUT
AFTER AVAL INPUT
AFTER BUSY INPUT
CN15P
8P
CN15S
B4
B2
A2
A4
B1
A1
+24V
READY OUT
B4
B2
A2
A4
B1
A1
NXD_SF009
AM03-027651A
B3
A3
B3
A3
RELAY1-A1(+)
REFER TO POWER BLOCK DIAGRAM
RELAY1-A2(-)
CN17P
6P
4
3
2
4
3
2
33
1
4
1
4
1
2
1
2
A3
A2
A3
A2
B2
B3
B2
B3
B1
B1
A1 A1
BEFORE BUSY OUTPUT
3
4
2
1
3
4
2
1
B3
B3
CN35P
B1
A3
B2
B1
A3
B2
CN35S
A2
A1
A2
A1
AFTER(R)
BEFORE(R)
BUSY+
BUSY-
B/D AVAILABLE+
B/D AVAILABLE-
BUSY+
BUSY-
B/D AVAILABLE+
B/D AVAILABLE-
6P
CN17S
NXD_CI042
AM03-025855A
SM511_CV107-1
AM03-010846A
3
1
2
3
4
2
1
BUSY+
BUSY-
B/D AVAILABLE+
B/D AVAILABLE-
SM33_CV024
J90831146B
4
3
1
2
3
4
2
1
BUSY+
BUSY-
B/D AVAILABLE+
B/D AVAILABLE-
SM33_CV024
J90831146B
4
BEFORE BUSY+
BEFORE BUSY-
AFTER AVAIL+
AFTER AVAIL-
BEFORE AVAIL+
BEFORE AVAIL-
AFTER BUSY+
AFTER BUSY-
AFTER AVAL OUTPUT
AFTER AVAL INPUT
AFTER BUSY INPUT
FRONT RAIL SMEMA
REAR RAIL SMEMA
INLINE BEFORE
INLINE AFTER
INLINE AFTER(R)
INLINE BEFORE(R)

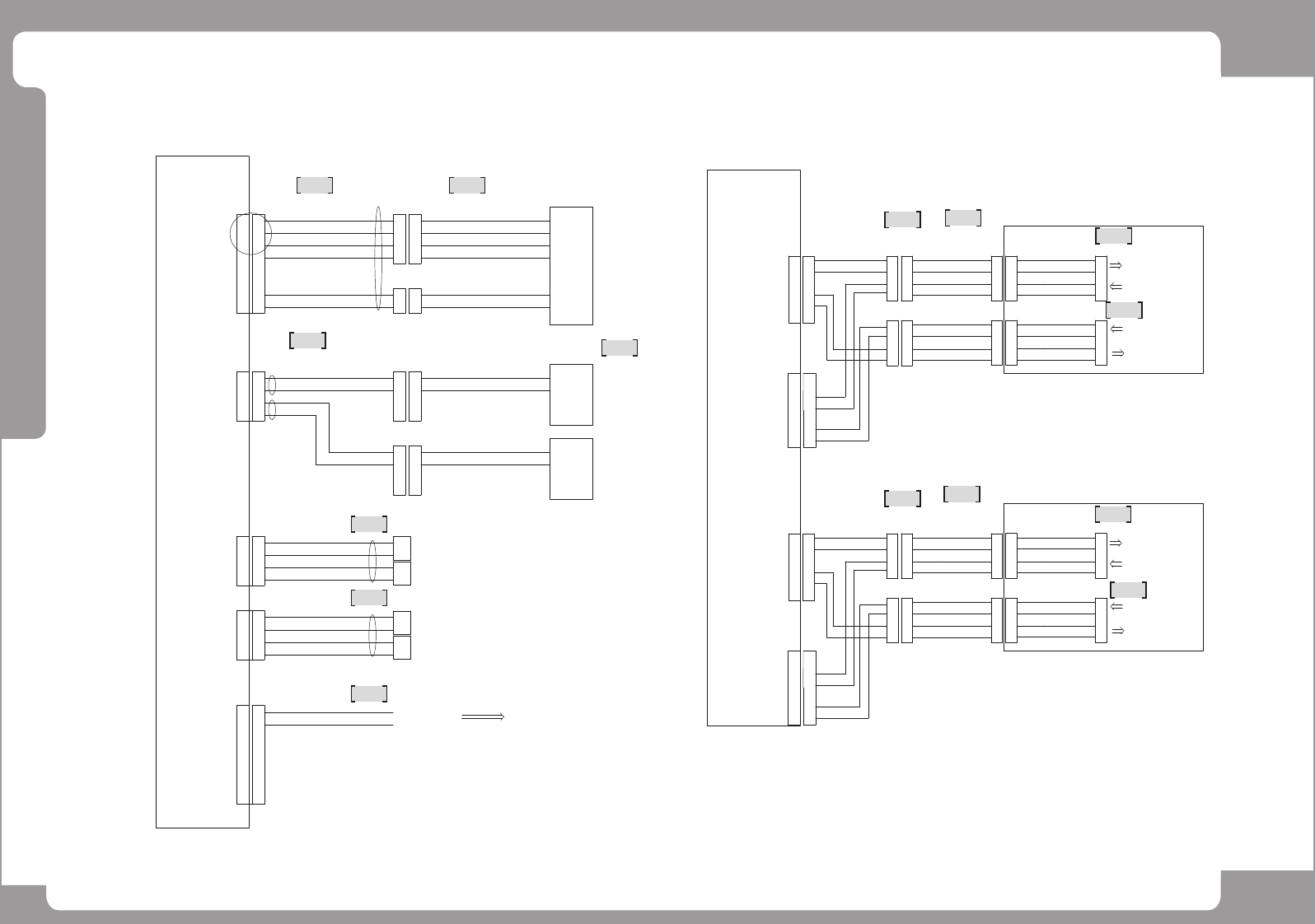
Page
ohu~oh
227
HM520 /
HM520h
Conveyor Interface Board (2/9) - HM520
NO. PART NO. PART NAME Q'TY Old No. Supply Supply LT Reference
1 AM03-025835A CABLE ASSY-TOWER LAMP EXT CABLE 1
2 EP13-900134 TOWER_LAMP 1
3 AM03-025834A CABLE ASSY-ERROR LAMP EXT CABLE 1
AM03-034875A CABLE ASSY-ERROR LAMP EXT CABLE 1 HM520h Option
4 EP02-001746A HARNESS-V1+ BLUE TOWER LAMP CABLE ASSY 2
5 AM03-025879A CABLE ASSY-F ANC BUT SOL EXT CABLE 1
6 AM03-025880B CABLE ASSY-R ANC BUT SOL EXT CABLE 1
7 AM03-027651A CABLE ASSY-READY OUT SIG CABLE 1
AM03-034868A CABLE ASSY-READY OUT SIG CABLE 1 HM520h Option
8 AM03-025853A CABLE ASSY-FRONT SMEMA EXT CABLE 1
9 AM03-003542B CABLE ASSY-INLINE_IN-OUT 1
10 J90831146B SMEMA_CABLE_ASSY 2
11 J90831146B SMEMA_CABLE_ASSY 2
12 AM03-025855A CABLE ASSY-REAR_SMEMA_EXT 1
13 AM03-010846A CABLE ASSY-INLINE_NEXT_PRE 1