HM-Series_TRM(Ver2.2_CS20.11) - 第229页
Page ohu~oh 227 HM520 / HM520h Conveyor Interface Board (2/9) - HM520 NO. P A RT NO. P ART NAME Q'TY Old No. Supply Supply L T Reference 1 AM03-025835A CABLE ASSY -TOWER LAMP EXT CA BLE 1 2 EP13-900134 T OWER_LAMP 1…

Page
ohu~oh
226
HM520 /
HM520h
Conveyor Interface Board (2/9) - HM520
1 2
3
4
5
6
7
8
9
10
11
12
13
10
11
CN9P
8P
CN9S
B4
A1
B3
A4
B2
B1
RED
YELLOW
B4
A1
B3
A4
B2
B1
GREEN
+24V
NXD_CI060
AM03-025835A
A3
A2
A3
A2
+24V
BUZZER
4
3
2
1
4
3
2
1
2
1
2
1
TOWER LAMP
PTE-APV-302-RYG(510)
EP13-900134
CN11P
4P
CN11S
B2
A2
B1
A1
+24V
F ERROR LAMP
B2
A2
B1
A1
+24V
R ERROR LAMP
NXD_CI056
AM03-025834A
4
3
2
1
4
3
2
1
1 1
F ERROR LAMP
(PLDL102B EP13-000046)
BLUE LAMP CABLE ASSY EP02-001746A
+24V
ERROR
4
3
2
4
3
2
R ERROR LAMP
+24V
ERROR
F-OW-LAMP
R-OW-LAMP
TW-LP
TW-BZ
RED
YELLOW
GREEN
+24V
+24V
BUZZER
CN13P
4P
CN13S
B1
B2
A2
A1
B1
A1
+24V
F BUT SOL
B2
A2
B1
B2
A2
A1
B1
A1
B2
A2
+24V
F ANC SOL
NXD_CI010
AM03-025879A
F-BUT SOL
F-ANC SOL
R-BUT SOL
R-ANC SOL
2(-)
1(+)
2(-)
1(+)
2(-)
1(+)
2(-)
1(+)
CN14S
+24V
R BUT SOL
+24V
R ANC SOL
NXD_CI012
AM03-025880B
CN14P
4P
BOARD
CUNET IO
BOARD
CUNET IO
CN16P
6P
4
3
2
4
3
2
33
1
4
1
4
1
2
1
2
A3
A2
A3
A2
B2
B3
B2
B3
B1
B1
A1 A1
BEFORE BUSY OUTPUT
3
4
2
1
3
4
2
1
B3
B3
CN34P
B1
A3
B2
B1
A3
B2
CN34S
A2
A1
A2
A1
AFTER
BEFORE
BUSY+
BUSY-
B/D AVAILABLE+
B/D AVAILABLE-
BUSY+
BUSY-
B/D AVAILABLE+
B/D AVAILABLE-
6P
CN16S
NXD_CI041
AM03-025853A
SM421_CV106-2
AM03-003542B
3
1
2
3
4
2
1
BUSY+
BUSY-
B/D AVAILABLE+
B/D AVAILABLE-
SM33_CV024
J90831146B
4
3
1
2
3
4
2
1
BUSY+
BUSY-
B/D AVAILABLE+
B/D AVAILABLE-
SM33_CV024
J90831146B
4
BEFORE BUSY+
BEFORE BUSY-
AFTER AVAIL+
AFTER AVAIL-
BEFORE AVAIL+
BEFORE AVAIL-
AFTER BUSY+
AFTER BUSY-
AFTER AVAL OUTPUT
AFTER AVAL INPUT
AFTER BUSY INPUT
CN15P
8P
CN15S
B4
B2
A2
A4
B1
A1
+24V
READY OUT
B4
B2
A2
A4
B1
A1
NXD_SF009
AM03-027651A
B3
A3
B3
A3
RELAY1-A1(+)
REFER TO POWER BLOCK DIAGRAM
RELAY1-A2(-)
CN17P
6P
4
3
2
4
3
2
33
1
4
1
4
1
2
1
2
A3
A2
A3
A2
B2
B3
B2
B3
B1
B1
A1 A1
BEFORE BUSY OUTPUT
3
4
2
1
3
4
2
1
B3
B3
CN35P
B1
A3
B2
B1
A3
B2
CN35S
A2
A1
A2
A1
AFTER(R)
BEFORE(R)
BUSY+
BUSY-
B/D AVAILABLE+
B/D AVAILABLE-
BUSY+
BUSY-
B/D AVAILABLE+
B/D AVAILABLE-
6P
CN17S
NXD_CI042
AM03-025855A
SM511_CV107-1
AM03-010846A
3
1
2
3
4
2
1
BUSY+
BUSY-
B/D AVAILABLE+
B/D AVAILABLE-
SM33_CV024
J90831146B
4
3
1
2
3
4
2
1
BUSY+
BUSY-
B/D AVAILABLE+
B/D AVAILABLE-
SM33_CV024
J90831146B
4
BEFORE BUSY+
BEFORE BUSY-
AFTER AVAIL+
AFTER AVAIL-
BEFORE AVAIL+
BEFORE AVAIL-
AFTER BUSY+
AFTER BUSY-
AFTER AVAL OUTPUT
AFTER AVAL INPUT
AFTER BUSY INPUT
FRONT RAIL SMEMA
REAR RAIL SMEMA
INLINE BEFORE
INLINE AFTER
INLINE AFTER(R)
INLINE BEFORE(R)

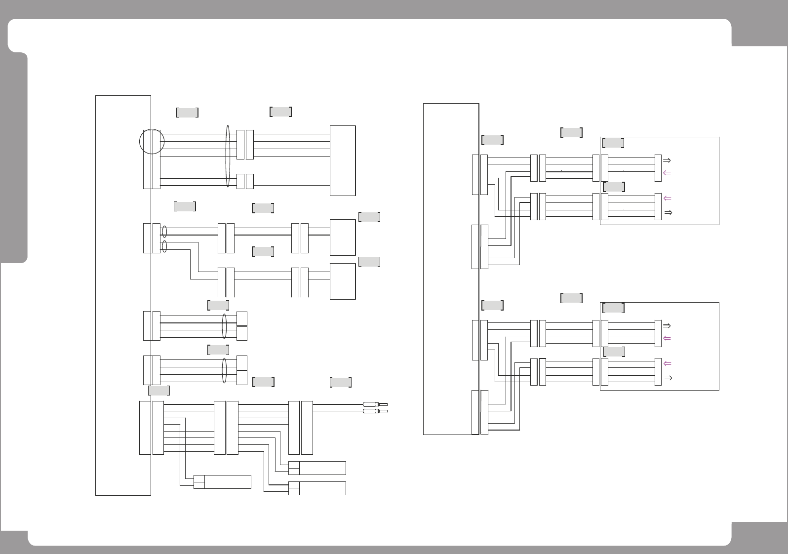
Page
ohu~oh
227
HM520 /
HM520h
Conveyor Interface Board (2/9) - HM520
NO. PART NO. PART NAME Q'TY Old No. Supply Supply LT Reference
1 AM03-025835A CABLE ASSY-TOWER LAMP EXT CABLE 1
2 EP13-900134 TOWER_LAMP 1
3 AM03-025834A CABLE ASSY-ERROR LAMP EXT CABLE 1
AM03-034875A CABLE ASSY-ERROR LAMP EXT CABLE 1 HM520h Option
4 EP02-001746A HARNESS-V1+ BLUE TOWER LAMP CABLE ASSY 2
5 AM03-025879A CABLE ASSY-F ANC BUT SOL EXT CABLE 1
6 AM03-025880B CABLE ASSY-R ANC BUT SOL EXT CABLE 1
7 AM03-027651A CABLE ASSY-READY OUT SIG CABLE 1
AM03-034868A CABLE ASSY-READY OUT SIG CABLE 1 HM520h Option
8 AM03-025853A CABLE ASSY-FRONT SMEMA EXT CABLE 1
9 AM03-003542B CABLE ASSY-INLINE_IN-OUT 1
10 J90831146B SMEMA_CABLE_ASSY 2
11 J90831146B SMEMA_CABLE_ASSY 2
12 AM03-025855A CABLE ASSY-REAR_SMEMA_EXT 1
13 AM03-010846A CABLE ASSY-INLINE_NEXT_PRE 1

Page
ohu~oh
228
HM520 /
HM520h
Conveyor Interface Board (2/9) - HM520h
CN9P
8P
CN9S
B4
A1
B3
A4
B2
B1
RED
YELLOW
B4
A1
B3
A4
B2
B1
GREEN
+24V
NXD_CI060
AM03-025835A
A3
A2
A3
A2
+24V
BUZZER
4
3
2
1
4
3
2
1
2
1
2
1
TOWER LAMP
PTE-APV-302-RYG(510)
EP13-900134
CN11P
4P
CN11S
B2
A2
B1
A1
+24V
F ERROR LAMP
B2
A2
B1
A1
+24V
R ERROR LAMP
NXD_CI056
AM03-025834A
4
3
2
1
4
3
2
1
1 1
F ERROR LAMP
+24V
ERROR
4
3
2
4
3
2
R ERROR LAMP
+24V
ERROR
F-OW-LAMP
R-OW-LAMP
TW-LP
TW-BZ
RED
YELLOW
GREEN
+24V
+24V
BUZZER
CN13P
4P
CN13S
B1
B2
A2
A1
B1
A1
+24V
F BUT SOL
B2
A2
B1
B2
A2
A1
B1
A1
B2
A2
+24V
F ANC SOL
NXD_CI010
AM03-025879A
F-BUT SOL
F-ANC SOL
R-BUT SOL
R-ANC SOL
2(-)
1(+)
2(-)
1(+)
2(-)
1(+)
2(-)
1(+)
CN14S
+24V
R BUT SOL
+24V
R ANC SOL
NXD_CI012
AM03-025880B
CN14P
4P
BOARD
CUNET IO
BOARD
CUNET IO
CN16P
6P
4
3
2
4
3
2
33
1
4
1
4
1
2
1
2
A3
A2
A3
A2
B2
B3
B2
B3
B1
B1
A1 A1
BEFORE BUSY OUTPUT
3
4
2
1
3
4
2
1
B3
B3
CN34P
B1
A3
B2
B1
A3
B2
CN34S
A2
A1
A2
A1
AFTER
BEFORE
BUSY+
BUSY-
B/D AVAILABLE+
B/D AVAILABLE-
BUSY+
BUSY-
B/D AVAILABLE+
B/D AVAILABLE-
6P
CN16S
NXD_CI041
AM03-025853A
SM421_CV106-2
AM03-003542B
3
1
2
3
4
2
1
BUSY+
BUSY-
B/D AVAILABLE+
B/D AVAILABLE-
SM33_CV024
J90831146B
4
3
1
2
3
4
2
1
BUSY+
BUSY-
B/D AVAILABLE+
B/D AVAILABLE-
SM33_CV024
J90831146B
4
BEFORE BUSY+
BEFORE BUSY-
AFTER AVAIL+
AFTER AVAIL-
BEFORE AVAIL+
BEFORE AVAIL-
AFTER BUSY+
AFTER BUSY-
AFTER AVAL OUTPUT
AFTER AVAL INPUT
AFTER BUSY INPUT
CN15P
8P
CN15S
+24V
READY OUT
CN17P
6P
4
3
2
4
3
2
33
1
4
1
4
1
2
1
2
A3
A2
A3
A2
B2
B3
B2
B3
B1
B1
A1 A1
BEFORE BUSY OUTPUT
3
4
2
1
3
4
2
1
B3
B3
CN35P
B1
A3
B2
B1
A3
B2
CN35S
A2
A1
A2
A1
AFTER(R)
BEFORE(R)
BUSY+
BUSY-
B/D AVAILABLE+
B/D AVAILABLE-
BUSY+
BUSY-
B/D AVAILABLE+
B/D AVAILABLE-
6P
CN17S
NXD_CI042
AM03-025855A
SM511_CV107-1
AM03-010846A
3
1
2
3
4
2
1
BUSY+
BUSY-
B/D AVAILABLE+
B/D AVAILABLE-
SM33_CV024
J90831146B
4
3
1
2
3
4
2
1
BUSY+
BUSY-
B/D AVAILABLE+
B/D AVAILABLE-
SM33_CV024
J90831146B
4
BEFORE BUSY+
BEFORE BUSY-
AFTER AVAIL+
AFTER AVAIL-
BEFORE AVAIL+
BEFORE AVAIL-
AFTER BUSY+
AFTER BUSY-
AFTER AVAL OUTPUT
AFTER AVAL INPUT
AFTER BUSY INPUT
FRONT RAIL SMEMA
REAR RAIL SMEMA
INLINE BEFORE
INLINE AFTER
INLINE AFTER(R)
INLINE BEFORE(R)
4
3
2
1
4
3
2
1
1 1
+24V
ERROR
4
3
2
4
3
2
+24V
ERROR
F-OW-LAMP
R-OW-LAMP
NXD_ARC_038
AM03-037089A
NXD_ARC_038
AM03-037089A
NXD_ARC_039
AM03-030408A
NXD_ARC_039
AM03-030408A
CUNET_CN15_EXT
+24V
READY OUT
CUNET_CN15_EXT
A1
B1
A2
B2
A3
B3
A4
B4
A1
B1
A2
B2
A3
B3
A4
B4
A1
B1
A2
B2
A3
B3
A4
B4
A1
B1
A2
B2
A3
B3
A4
B4
A1
B1
A2
B2
A3
B3
A4
B4
A1
B1
A2
B2
A3
B3
A4
B4
+24V
READY OUT
RELAY1-A1(+)
RELAY1-A2(-)
NXD_SF009
AM03-027651A
+24V
R NOZ CLEAN SOL
+24V
F BDM SOLVALVE
+24V
R BDM SOLVALVE
+24V
F BDM SOLVALVE
+24V
R BDM SOLVALVE
+
-
R NOZZLE CLEAN
SOL VALVE
+
-
F BLOW DUMP-BOX
SOL VALVE
+
-
R BLOW DUMP-BOX
SOL VALVE
+24V
R NOZ CLEAN SOL
NxD_BLOW002
AM03-029762A
NxD_NOZCLEAN_002
AM03-034663A
1
2
3
4
4
5
5
6
7
8
9
10
11
12
14
15
13
13
13
13