HM-Series_TRM(Ver2.2_CS20.11) - 第255页
Page ohu~oh 253 HM520 / HM520h X-Y Servo Board (5/5) - HM520h NO. P A RT NO. P ART NAME Q'TY Old No. Supply Supply L T Reference 1 AM03-032294A CABLE ASSY -FX_EX-ENCODER_EXT 1 2 AM03-038045A CABLE ASSY -NXD X FLA T …

Page
ohu~oh
252
HM520 /
HM520h
X-Y Servo Board (5/5) - HM520h
1
4
2
2
3
3
FRONT X
DRIVER
FULL
CLODES
PACK
NXD_MD-002-01
(AM03-032294A)
02
06
05
04
03
01
CN31
02
06
05
04
03
01
Up
0V
DATA+
DATA-
SHELL
SHIELD
NXD_FL-003-1 #2
(AM03-038045A)
2
3
1
15
8
13
5
4
11
10
9
7
6
14
12
COVER
FRONT
Y LINEAR
SCALE
HEAD
LIC219Y
(FC28-001739)
Up
0V
DATA+
DATA-
SHIELD
+5V(RED)
+5V(YEL)
0V(BLK)
0V(BLK)
+REQ/+DT(GRN)
-REQ/-DT(BLK)
DATA(BLU)
/DATA(BLK)
2
3
1
15
8
13
5
4
11
10
9
7
6
14
12
COVER
A2
B4
A3
B2
B1
A4
B3
A1
A2
B4
A3
B2
B1
A4
B3
A1
REAR X
DRIVER
FULL
CLODES
PACK
NXD_MD-004-01
(AM03-032295A)
02
06
05
04
03
01
CN31
02
06
05
04
03
01
Up
0V
DATA+
DATA-
SHELL
SHIELD
NXD_FL-003-1 #2
(AM03-038045A)
2
3
1
15
8
13
5
4
11
10
9
7
6
14
12
COVER
FRONT
Y LINEAR
SCALE
HEAD
LIC219Y
(FC28-001739)
Up
0V
DATA+
DATA-
SHIELD
+5V(RED)
+5V(YEL)
0V(BLK)
0V(BLK)
+REQ/+DT(GRN)
-REQ/-DT(BLK)
DATA(BLU)
/DATA(BLK)
2
3
1
15
8
13
5
4
11
10
9
7
6
14
12
COVER
A2
B4
A3
B2
B1
A4
B3
A1
A2
B4
A3
B2
B1
A4
B3
A1

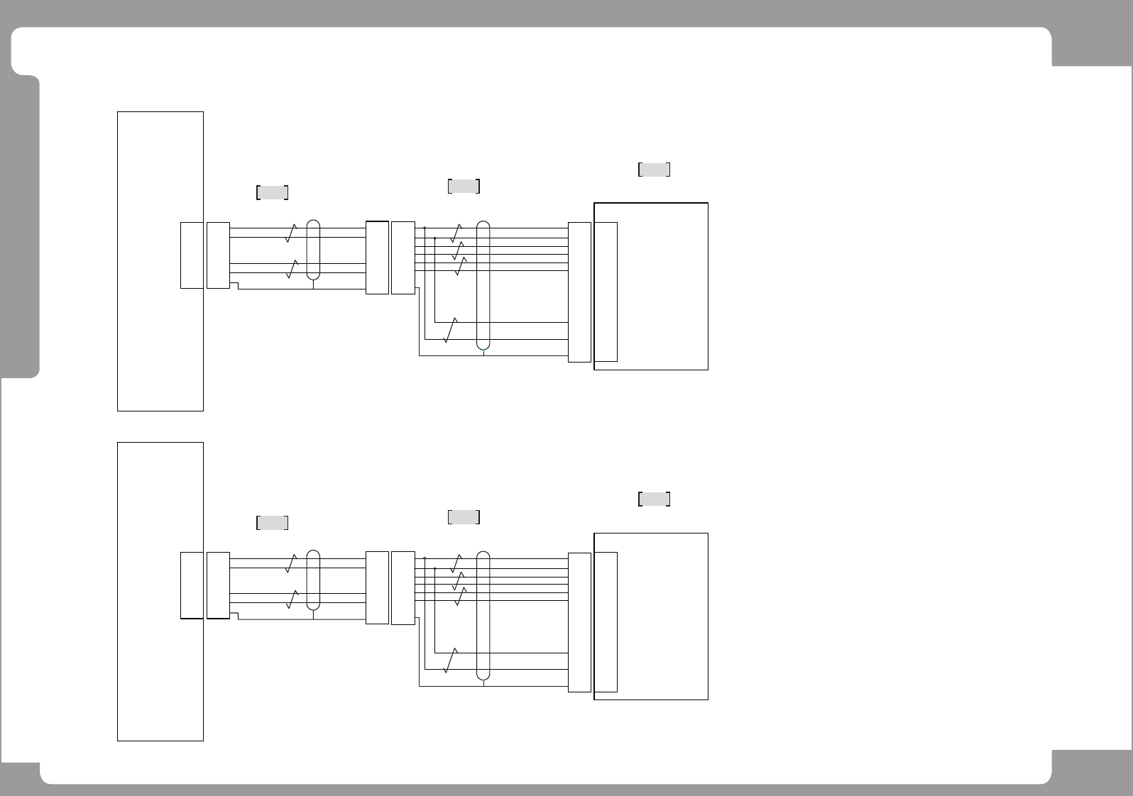
Page
ohu~oh
253
HM520 /
HM520h
X-Y Servo Board (5/5) - HM520h
NO. PART NO. PART NAME Q'TY Old No. Supply Supply LT Reference
1 AM03-032294A CABLE ASSY-FX_EX-ENCODER_EXT 1
2 AM03-038045A CABLE ASSY-NXD X FLAT 1_ULED_CS 2
3 FC28-001739 LINEAR SCALE UNIT-SCANNING HEAD LIC219Y 2
4 AM03-032295A CABLE ASSY-RX_EX-ENCODER_EXT 1

Page
ohu~oh
254
HM520 /
HM520h
SMC Board (1/2) - HM520
1 2
3
4
SMC BOARD
CH1
02
08
07
05
04
06
03
01
02
08
07
05
04
06
03
01
RD+
TD-
RD-
TD+
COVER
COVER
NXD_VM-001
(AM03-025542B)
COVER
CN6A
COVER
COVER
CN6B
RD+
TD-
RD-
TD+
FRONT X
DRIVER
COVER
COVER
CN6A
COVER
COVER
CN6B
RD+
TD-
RD-
TD+
FRONT Y
DRIVER
NXD_VM-001-1
(AM03-025543B)
COVER
COVER
ETHERNET
COUPLER
NXD_VM-001-2
(AM03-025544B)
FRONT
02
08
07
06
05
04
03
01
COVER
02
08
07
05
04
06
03
01
COVER
HEAD BASE
BOARD
FRONT
G1~G5
RD+
TD-
RD-
TD+
02
08
07
05
04
06
03
01
02
08
07
05
04
06
03
01
02
08
07
05
04
06
03
01
02
08
07
05
04
06
03
01
02
08
07
05
04
06
03
01
02
08
07
05
04
06
03
01
02
08
07
05
04
06
03
01
02
08
07
05
04
06
03
01
02
08
07
05
04
06
03
01
02
08
07
05
04
06
03
01
02
08
05
04
03
07
06
01
NXD_FL001 #3
AM03-028964A(HS, MF Option)
AM03-029742A(HS-LED Option)
SHIELD
SHIELD
SHIELD
SHIELD
CN7
10
09
COVER
02
08
05
04
03
07
06
01
10
09
IN