HM-Series_TRM(Ver2.2_CS20.11) - 第263页
Page ohu~oh 261 HM520 / HM520h SMC Board (2/3) - HM520h NO. P A RT NO. P ART NA ME Q'TY Old No. Supply Supply L T Reference 1 AM0 3-025557B CABLE ASSY - SMC RX ETHERCA T 1 2 AM03-025558B CA BLE ASSY -RX_RY ETHERCA T…

Page
ohu~oh
260
HM520 /
HM520h
SMC Board (2/3) - HM520h
SMC BOARD
CH2
02
08
07
05
04
06
03
01
02
08
07
05
04
06
03
01
RD+
TD-
RD-
TD+
COVER
COVER
NXD_VM-002
(AM03-025557B)
COVER
CN6A
COVER
COVER
CN6B
RD+
TD-
RD-
TD+
REAR X
DRIVER
COVER
COVER
CN6A
COVER
COVER
CN6B
RD+
TD-
RD-
TD+
REAR Y
DRIVER
NXD_VM-002-1
(AM03-025558B)
COVER
COVER
ARC HS BOARD #1
NXD_ARC_002
(AM03-038160A)
REAR
02
08
05
04
03
07
06
01
COVER
COVER
02
08
07
05
04
06
03
01
02
08
07
05
04
06
03
01
02
08
07
05
04
06
03
01
02
08
07
05
04
06
03
01
02
08
07
05
04
06
03
01
02
08
07
05
04
06
03
01
02
08
07
05
04
06
03
01
02
08
07
05
04
06
03
01
02
08
05
04
03
07
06
01
02
08
05
04
03
07
06
01
SHIELD
SHIELD
SHIELD
02
08
07
05
04
06
03
01
COVER
HEAD BASE
BOARD
REAR
G1~G5
RD+
TD-
RD-
TD+
02
08
05
04
03
07
06
01
NXD_FL001 #3
(AM03-028964A)
SHIELD
10
09
COVER
02
08
05
04
03
07
06
01
10
09
IN
RD+
TD-
RD-
TD+
COVER
COVER
NXD_ARC_004
(AM03-038162A)
COVER
COVER
SHIELD
COVER
COVER
RD+
TD-
RD-
TD+
COVER
COVER
COVER
COVER
OUT
NXD_VM-002-2
(AM03-025560B)
02
08
07
05
04
06
03
01
02
08
07
05
04
06
03
01
02
08
07
05
04
06
03
01
02
08
07
05
04
06
03
01
02
08
07
05
04
06
03
01
02
08
07
05
04
06
03
01
SHIELD
RD+
TD-
RD-
TD+
02
08
05
04
03
07
06
01
TD+
RD-
TD-
RD+
NXD_ARC_003
(AM03-038161A)
SHIELD
RD+
TD-
RD-
TD+
07
08
05
04
03
01
01
06
07
08
05
04
03
01
01
06
ARC HS BOARD #2
REAR
07
08
05
04
03
02
01
06
07
08
05
04
03
02
01
06
TD+
RD-
TD-
RD+
ETHERNET
COUPLER
REAR
IN
OUT
IN
02
08
05
04
03
07
06
01
COVER
ETHERNET
COUPLER
REAR
(Y FRAME TOP)
(XY DRIVER)
1 2 3
4
5
7
6

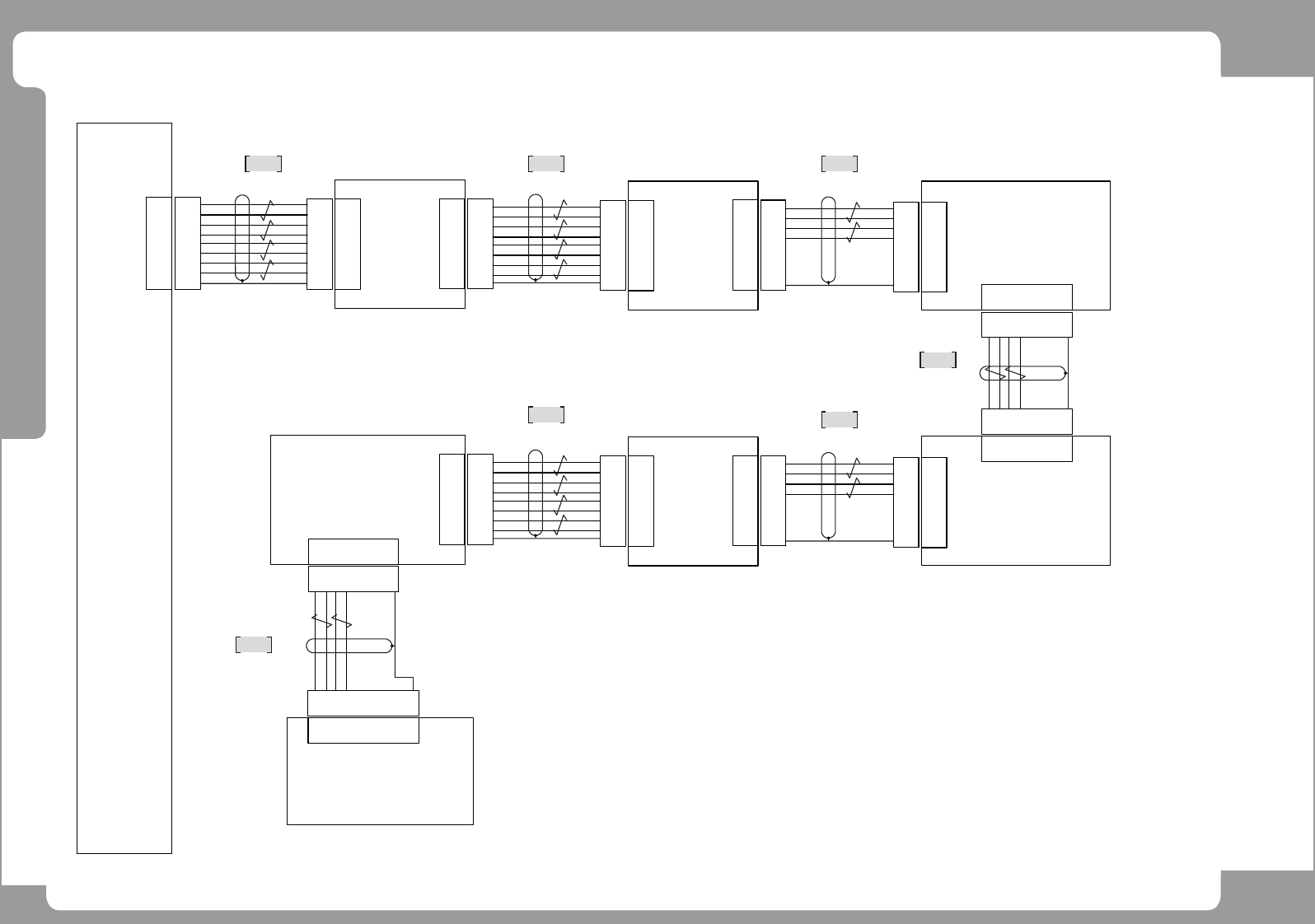
Page
ohu~oh
261
HM520 /
HM520h
SMC Board (2/3) - HM520h
NO. PART NO. PART NAME Q'TY Old No. Supply Supply LT Reference
1 AM03-025557B CABLE ASSY-SMC RX ETHERCAT 1
2 AM03-025558B CABLE ASSY-RX_RY ETHERCAT 1
3 AM03-038160A CABLE ASSY-R-ETHERCAT IN_CS 1
4 AM03-038161A CABLE ASSY-ETHERCAT AMP1-AMP2_CS 1
5 AM03-025560B CABLE ASSY-RY_FLAT ETHERCAT EXT 1
6 AM03-038162A CABLE ASSY-R-ETHERCAT OUT_CS 1
7 AM03-028964A CABLE ASSY-NXD FLAT CABLE_NXD_FL-001 1

Page
ohu~oh
262
HM520 /
HM520h
SMC Board (3/3) - HM520h
SMC BOARD
P4
02
04
03
01
RY2-12
02
04
03
01
REAR ELEC PANEL
TERMINAL BLOCK #3
10C
INTERLOCK SIG
GND
NxD_SF_013
(AM03-034932A)
P7
02
08
07
06
05
04
03
01
02
08
07
06
05
04
03
01
RD+
TD-
RTS
RD-
TD+
02
08
07
06
05
04
03
01
SBC LAN2
(RJ45 CONNECTOR)
REAR ELEC PANEL
(FERRULE)
(FERRULE)
CN36
CUNET IO
BOARD
A1
A1
A2
A2
A3
A3
B1
B1
B2
B2
B3
B3
SAFETY_ALARM_A
SAFETY_ALARM_B
NXD_PC-009
(AM03-029049B)
1
2