HM-Series_TRM(Ver2.2_CS20.11) - 第278页
Page ohu~oh 276 HM520 / HM520h NCIO Board (2/3) - HM520 1 2 3 4 NCIO BOARD CN8 1 2 3 4 6 5 1 2 3 4 6 5 CUNET0 L GND GND CUNET0 H NXD_FD-001 (AM03-025499A) 3 5 11 13 2 10 1 9 15 16 24V PS #2 24V 24V GND 24V DRAW CON 14 8 …

Page
ohu~oh
275
HM520 /
HM520h
NCIO Board (1/3) - HM520
NO. PART NO. PART NAME Q'TY Old No. Supply Supply LT Reference
1 AM03-025562A CABLE ASSY-NCIO STAGE ILL RS422 1
2 AM03-025611B CABLE ASSY-NCIO FIX TRIGGER 1
3 AM03-025612B CABLE ASSY-F FIX TRIGGER 1
4 AM03-025563B CABLE ASSY-R FIX TRIGGER 1

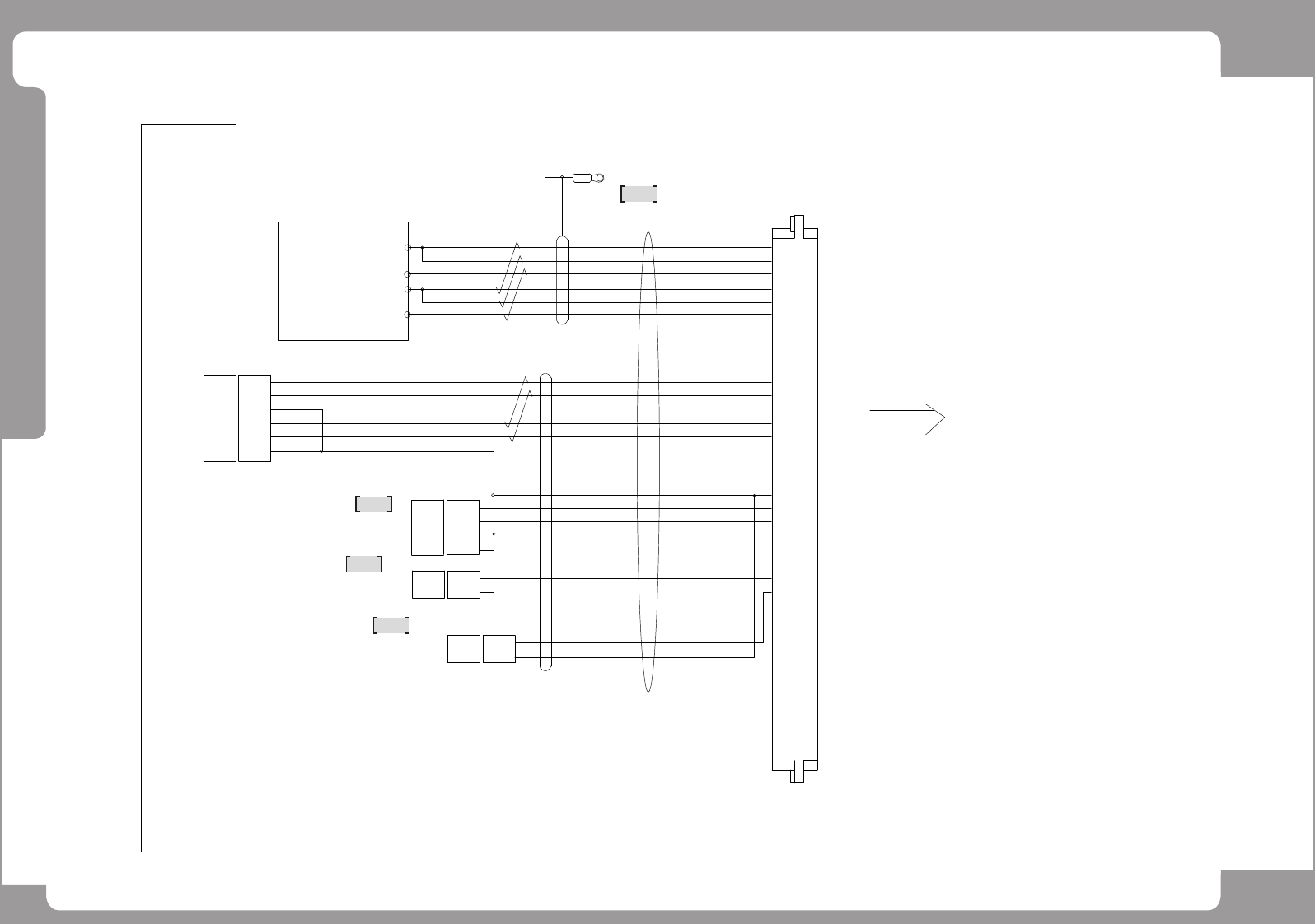
Page
ohu~oh
276
HM520 /
HM520h
NCIO Board (2/3) - HM520
1
2
3
4
NCIO
BOARD
CN8
1
2
3
4
6
5
1
2
3
4
6
5
CUNET0 L
GND
GND
CUNET0 H
NXD_FD-001
(AM03-025499A)
3
5
11
13
2
10
1
9
15
16
24V
PS #2
24V
24V
GND
24V
DRAW
CON
14
8
4
7
12
6
CAN1 H
CAN1 L
F-RS485-EXT
A1
A2
B1
B2
A1
A2
B1
B2
GND
RS485+
RS485-
F-CUT-OPEN
1
2
1
2
F-CUT-OPEN
1
2
1
2
F-CART-CONTACT
GND
FC-CONTACT
SHIELD
SHIELD
FG
NXD_VM-012-1
(AM03-025617A)
REFER TO
CPU PART
NXD_CI-024
(AM03-025843B)
REFER TO
CUNET IO CN21
PART
NXD_CI-034
(AM03-025851A)
REFER TO
CUNET IO CN27
PART
FRONT DOCKING CART
CONNECTOR
+24V
+24V
+24V
GND
GND
GND
CUNET0 H
CUNET0 L
CAN2 H
CAN2 L

Page
ohu~oh
277
HM520 /
HM520h
NCIO Board (2/3) - HM520
NO. PART NO. PART NAME Q'TY Old No. Supply Supply LT Reference
1 AM03-025499A CABLE ASSY-F CART IF 1
2 AM03-025617A CABLE ASSY-FLUX #1 RS485 1
3 AM03-025843B CABLE ASSY-CONV WH_BUT_SNS_EXT CABLE 1
4 AM03-025851A CABLE ASSY-F DUMP_ANC_SNS EXT CABLE 1