HM-Series_TRM(Ver2.2_CS20.11) - 第293页
Page ohu~oh 291 HM520 / HM520h ARC Board (1/4) - HM520h NO. P A RT NO. P ART NA ME Q'TY Old No. Supply Supply L T Reference 1 AM03-029453A A RC POWER 1 2 AM03-029463A Y MOT OR EXT 1 3 AM03-038043A CABLE ASSY -Y MOTO…

Page
ohu~oh
290
HM520 /
HM520h
ARC Board (1/4) - HM520h
1
2
3
4
4
4
5
6
7
9
10P
CN7
CN7(IN)
6P
CN14
HS1 CN-PW
BOARD #1
HS BASE
1
1
48V
48V
24V
48GND
48GND
24GND
2
6
7
4
5
1
2
6
7
4
5
8
9
8
9
ECAT_IN_RX+
ECAT_IN_RX-
ECAT_IN_TX+
ECAT_IN_TX-
3
3
10
10
[EJECTOR]
COVERCOVER
CN9(OUT)
1
2
6
7
4
5
1
2
6
7
4
5
8
9
8
9
3
3
10
10
COVERCOVER
10P
CN9
2
3
4
5
6
1
2
3
4
5
6
NXD_ARC_001
(AM03-029453A)
REFER TO SMC Board - HM520h
NXD_ARC_003
(AM03-038161A)
24V
24GND
48V
48GND
HS2 CN-PW
1
2
3
4
5
6
1
2
3
4
5
6
BOARD #2
HS BASE
[ARC]
Z MOT-EXT
B1
A1
B2
A2
B1
A1
B2
A2
-
-
-
-
Z MOTOR
V
W
E
U
NXD_ARC_005(AM03-029456A)
Z LIN -EXT
A4
B4
A3
B3
B5
A2
+5V
GND
ENCB_A+_A1
ENCB_A-_A1
ENCB_B+_A1
ENCB_B-_A1
NXD_ARC_006(AM03-029462A)
B2
B1
A1
A5
ENCB_I+_A1
ENCB_I-_A1
SHIELD
Z ENCODER
Xe-MOTOR EXT
A1
B1
A2
B2
A3
B3
A1
B1
A2
B2
A3
B3
V
W
U
PE
SHIELD(FG)
NXD_ARC_031(AM03-038042A)
A4
B4
A5
B5
A4
B4
A5
B5
+5V
GND
ENCA_B+_A3
Xe MOTOR
ENCA_B-_A3
1
2
3
4
5
6
7
8
9
A4
B4
A3
B3
B5
A2
B2
B1
A1
A5
A1
B1
A2
B2
A3
B3
A1
B1
A2
B2
A3
B3
V
W
U
PE
SHIELD(FG)
NXD_ARC_032(AM03-038043A)
A4
B4
A5
B5
A4
B4
A5
B5
+5V
GND
ENCA_B+_A2
Ye MOTOR
ENCA_B-_A2
10P
CN1
CN1
A1
B1
A2
B2
A3
B3
A1
B1
A2
B2
A3
B3
A4
B4
A5
B5
A4
B4
A5
B5
V
W
U
PE
SHIELD(FG)
+5V
GND
ENCA_B+_A2
ENCA_B-_A2
NXD_ARC_008(AM03-029463A)
CN2
CN2
4P
B1
A1
B2
A2
B1
A1
B2
A2
V
W
E
U
NXD_ARC_036 (FLAT#2) (AM03-038046A)
10P
CN3
CN3
A4
B4
A3
B3
B5
A2
+5V
GND
ENCB_A+_A1
ENCB_A-_A1
ENCB_B+_A1
ENCB_B-_A1
NXD_ARC_036 (FLAT#3) (AM03-038046A)
B2
B1
A1
A5
ENCB_I+_A1
ENCB_I-_A1
SHIELD
10P
CN4
CN4
A1
B1
A2
B2
A3
B3
A1
B1
A2
B2
A3
B3
V
W
U
PE
SHIELD(FG)
NXD_ARC_036 (FLAT#4,#5) (AM03-038046A)
A4
B4
A5
B5
A4
B4
A5
B5
+5V
GND
ENCA_B+_A3
ENCA_B-_A3
A4
B4
A3
B3
B5
A2
B2
B1
A1
A5
FG
48V
48V
24V
48GND
48GND
24GND
Ye-MOTOR EXT
BOARD #1
HS BASE
[EJECTOR]
8
NXD_ARC_042
AM03-037582A
(Front)
8
NXD_ARC_002
AM03-038160A
(Rear)

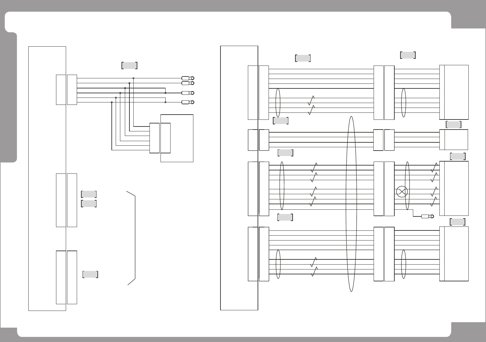
Page
ohu~oh
291
HM520 /
HM520h
ARC Board (1/4) - HM520h
NO. PART NO. PART NAME Q'TY Old No. Supply Supply LT Reference
1 AM03-029453A ARC POWER 1
2 AM03-029463A Y MOTOR EXT 1
3 AM03-038043A CABLE ASSY-Y MOTOR_CS 1
4 AM03-038046A CABLE ASSY-EJECTOR FLAT_CS 1
5 AM03-029456A Z LINEAR MOTOR PW 1
6 AM03-029462A Z LINEAR ENC 1
7 AM03-038042A CABLE ASSY-X MOTOR_CS 1
8 AM03-037582A CABLE ASSY-F-ETHERCAT IN 1 Front
AM03-029457A CABLE ASSY-R-ETHERCAT IN 1 Rear
9 AM03-038161A CABLE ASSY-ETHERCAT AMP1-AMP2_CS 1

Page
ohu~oh
292
HM520 /
HM520h
ARC Board (2/4) - HM520h
CN6
12P
CN28
CN28-1
NXD_ARC_017(AM03-030250A)
3P*2
CN28-2
PRESSURE
+24V
GND
A1
B1
A2
B2
A3
B3
A1
B1
A2
B2
A3
B3
+24V
VAC SOL
BLOW SOL
C(+)
A(-)
EJECTOR BLOW
SOL VALVE
C(+)
A(-)
EJECTOR VACUUM
SOL VALVE
NXD_ARC_009(AM03-029461A)
A1
B1
C1
A1
B1
C1
A2
B2
C2
A2
B2
C2
1
2
3
1
2
3
1
2
3
A1
B1
A2
B2
A3
B3
A4
B4
A5
B5
A6
B6
A1
B1
A2
B2
A3
B3
A4
B4
A5
B5
A6
B6
CN5
CN5-1
3P*2
CN5-2
A1
B1
C1
A1
B1
C1
A2
B2
C2
A2
B2
C2
1
2
3
1
2
3
1
2
3
1
2
3
1
2
3
1
2
3
1
2
3
1
2
3
1
2
3
1
2
3
1
2
3
1
2
3
1
2
3
1
2
3
SIG(A1)
+24V
GND
SIG(I5)
+24V
GND
SIG(I4)
+24V
GND
SIG(I1)
+24V
GND
RS422_RX-
RS422_RX+
RS422_TX+
GND
RS422_TX-
SIG(O1)
SIG(O2)
SIG(I3)
SIG(I2)
GND
SIG(O3)
+24V
PRESSURE-EXT
VAC-EXT
ST CLAMP1-EXT
BLOW-EXT
ST CLAMP2-EXT
DOOR SOL-EXT
RING OUT-EXT
RING LOAD-EXT
BU
BR
BK
PRESSURE SENSOR
PSE541-M3
NXD_ARC_036 (FLAT#1) (AM03-038046A)
EJECTOR I/O
EJECTOR I/O
BL
BR
BK
STAGE CLAMP 1
SENSOR
BL
BR
BK
NXD_ARC_022(AM03-030256A)
NXD_ARC_023(AM03-030257A)
NXD_ARC_027(AM03-030273A)
D-F8P(L)
STAGE CLAMP 2
SENSOR
D-F8P(L)
RD
RD
DOOR LOCK
SOLENOID
BL
BR
BK
NXD_ARC_026(AM03-030259A)
RING OUT SENSOR
E3T-ST11
(RECEIVER)
BL
BR
BK
NXD_ARC_020(AM03-030254A)
RING LOAD SENSOR
E3T-ST11
(RECEIVER)
SIG
+24V
GND
SIG
+24V
GND
SIG
+24V
GND
SIG
+24V
GND
SIG
+24V
GND
SIG
+24V
GND
SIG
+24V
GND
SIG
+24V
GND
BOARD #1
HS BASE
[EJECTOR]
BOARD #1
HS BASE
[EJECTOR]
CN29
12P
A1
B1
A2
B2
A1
B1
A2
B2
RD
BK
NXD_ARC_012(AM03-030249A)
+24V
SIG(A2)
SIG(O4)
GND
HS1/HS2 BOARD FAN
AFB0424HHB
BR
BL
RING OUT SENSOR
(EMITTER)
BR
BL
RING LOAD SENSOR
(EMITTER)
N.C
1 2
3
4
5
6
7
8
9