HM-Series_TRM(Ver2.2_CS20.11) - 第294页
Page ohu~oh 292 HM520 / HM520h ARC Board (2/4) - HM520h CN6 12P CN28 CN28-1 NXD_ARC_017(AM03-030250A) 3P*2 CN28-2 PRESSURE +24V GND A1 B1 A2 B2 A3 B3 A1 B1 A2 B2 A3 B3 +24V V AC SOL BLOW SOL C(+) A(-) EJECTOR BLOW SOL V …

Page
ohu~oh
291
HM520 /
HM520h
ARC Board (1/4) - HM520h
NO. PART NO. PART NAME Q'TY Old No. Supply Supply LT Reference
1 AM03-029453A ARC POWER 1
2 AM03-029463A Y MOTOR EXT 1
3 AM03-038043A CABLE ASSY-Y MOTOR_CS 1
4 AM03-038046A CABLE ASSY-EJECTOR FLAT_CS 1
5 AM03-029456A Z LINEAR MOTOR PW 1
6 AM03-029462A Z LINEAR ENC 1
7 AM03-038042A CABLE ASSY-X MOTOR_CS 1
8 AM03-037582A CABLE ASSY-F-ETHERCAT IN 1 Front
AM03-029457A CABLE ASSY-R-ETHERCAT IN 1 Rear
9 AM03-038161A CABLE ASSY-ETHERCAT AMP1-AMP2_CS 1

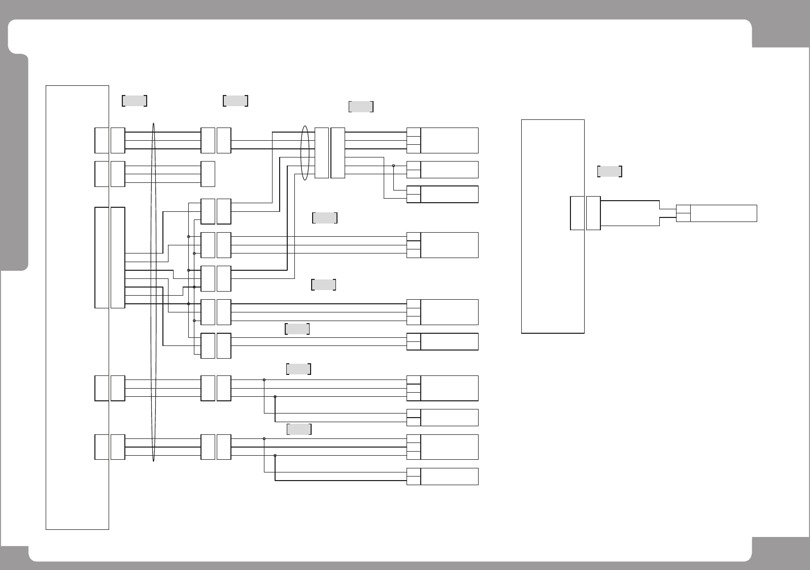
Page
ohu~oh
292
HM520 /
HM520h
ARC Board (2/4) - HM520h
CN6
12P
CN28
CN28-1
NXD_ARC_017(AM03-030250A)
3P*2
CN28-2
PRESSURE
+24V
GND
A1
B1
A2
B2
A3
B3
A1
B1
A2
B2
A3
B3
+24V
VAC SOL
BLOW SOL
C(+)
A(-)
EJECTOR BLOW
SOL VALVE
C(+)
A(-)
EJECTOR VACUUM
SOL VALVE
NXD_ARC_009(AM03-029461A)
A1
B1
C1
A1
B1
C1
A2
B2
C2
A2
B2
C2
1
2
3
1
2
3
1
2
3
A1
B1
A2
B2
A3
B3
A4
B4
A5
B5
A6
B6
A1
B1
A2
B2
A3
B3
A4
B4
A5
B5
A6
B6
CN5
CN5-1
3P*2
CN5-2
A1
B1
C1
A1
B1
C1
A2
B2
C2
A2
B2
C2
1
2
3
1
2
3
1
2
3
1
2
3
1
2
3
1
2
3
1
2
3
1
2
3
1
2
3
1
2
3
1
2
3
1
2
3
1
2
3
1
2
3
SIG(A1)
+24V
GND
SIG(I5)
+24V
GND
SIG(I4)
+24V
GND
SIG(I1)
+24V
GND
RS422_RX-
RS422_RX+
RS422_TX+
GND
RS422_TX-
SIG(O1)
SIG(O2)
SIG(I3)
SIG(I2)
GND
SIG(O3)
+24V
PRESSURE-EXT
VAC-EXT
ST CLAMP1-EXT
BLOW-EXT
ST CLAMP2-EXT
DOOR SOL-EXT
RING OUT-EXT
RING LOAD-EXT
BU
BR
BK
PRESSURE SENSOR
PSE541-M3
NXD_ARC_036 (FLAT#1) (AM03-038046A)
EJECTOR I/O
EJECTOR I/O
BL
BR
BK
STAGE CLAMP 1
SENSOR
BL
BR
BK
NXD_ARC_022(AM03-030256A)
NXD_ARC_023(AM03-030257A)
NXD_ARC_027(AM03-030273A)
D-F8P(L)
STAGE CLAMP 2
SENSOR
D-F8P(L)
RD
RD
DOOR LOCK
SOLENOID
BL
BR
BK
NXD_ARC_026(AM03-030259A)
RING OUT SENSOR
E3T-ST11
(RECEIVER)
BL
BR
BK
NXD_ARC_020(AM03-030254A)
RING LOAD SENSOR
E3T-ST11
(RECEIVER)
SIG
+24V
GND
SIG
+24V
GND
SIG
+24V
GND
SIG
+24V
GND
SIG
+24V
GND
SIG
+24V
GND
SIG
+24V
GND
SIG
+24V
GND
BOARD #1
HS BASE
[EJECTOR]
BOARD #1
HS BASE
[EJECTOR]
CN29
12P
A1
B1
A2
B2
A1
B1
A2
B2
RD
BK
NXD_ARC_012(AM03-030249A)
+24V
SIG(A2)
SIG(O4)
GND
HS1/HS2 BOARD FAN
AFB0424HHB
BR
BL
RING OUT SENSOR
(EMITTER)
BR
BL
RING LOAD SENSOR
(EMITTER)
N.C
1 2
3
4
5
6
7
8
9

Page
ohu~oh
293
HM520 /
HM520h
ARC Board (2/4) - HM520h
NO. PART NO. PART NAME Q'TY Old No. Supply Supply LT Reference
1 AM03-030250A HS1 IO EXT 1
2 AM03-038046A EJECTOR FLAT 1
3 AM03-029461A PRESSURE_VAC_BLOW 1
4 AM03-030256A STAGE CLAMP SNS1 1
5 AM03-030257A STAGE CLAMP SNS2 1
6 AM03-030273A DOOR SOLENOID 1
7 AM03-030259A RING OUT CHECK SNS 1
8 AM03-030254A RING LOADING SNS 1
9 AM03-030249A CABLE ASSY-HEAD AMP #1/#2 FAN 1