HM-Series_TRM(Ver2.2_CS20.11) - 第297页
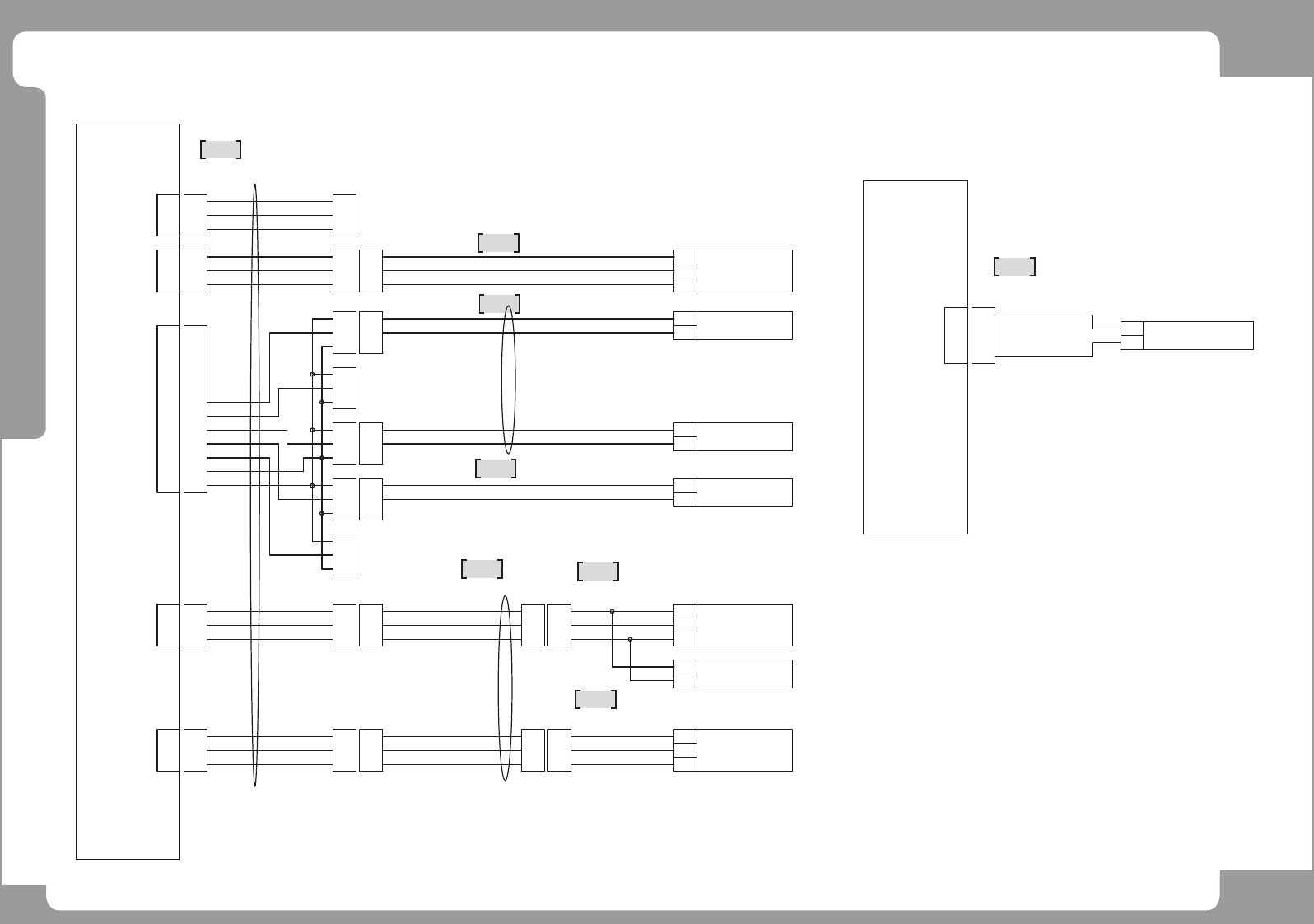
Page ohu~oh 295 HM520 / HM520h ARC Board (3/4) - HM520h NO. P A RT NO. P ART NA ME Q'TY Old No. Supply Supply L T Reference 1 AM03-029453A A RC POWER 1 2 AM03-030248A E MOTOR EXT 1 3 AM0 3-038047A CABLE ASSY -E MOTO…

Page
ohu~oh
294
HM520 /
HM520h
ARC Board (3/4) - HM520h
10P
CN7
CN7(IN)
6P
CN14
HS2 CN-PW
BOARD #2
HS BASE
1
1
48V
48V
24V
48GND
48GND
24GND
2
6
7
4
5
1
2
6
7
4
5
8
9
8
9
ECAT_IN_RX+
ECAT_IN_RX-
ECAT_IN_TX+
ECAT_IN_TX-
3
3
10
10
[ARC]
COVERCOVER
CN9(OUT)
1
2
6
7
4
5
1
2
6
7
4
5
8
9
8
9
3
3
10
10
COVERCOVER
10P
CN9
2
3
4
5
6
1
2
3
4
5
6
NXD_ARC_001
(AM03-029453A)
REFER TO SMC Board - HM520h
NXD_ARC_003
(AM03-038161A)
Xe-MOTOR EXT
A1
B1
A2
B2
A3
B3
A1
B1
A2
B2
A3
B3
V
W
U
PE
SHIELD(FG)
NXD_ARC_033(AM03-038048A)
A4
B4
A5
B5
A4
B4
A5
B5
+5V
GND
ENCA_B+_A3
S MOTOR
ENCA_B-_A3
A1
B1
A2
B2
A3
B3
A1
B1
A2
B2
A3
B3
V
W
U
PE
SHIELD(FG)
NXD_ARC_034(AM03-038047A)
A4
B4
A5
B5
A4
B4
A5
B5
+5V
GND
ENCA_B+_A2
E MOTOR
ENCA_B-_A2
10P
CN1
CN1
A1
B1
A2
B2
A3
B3
A1
B1
A2
B2
A3
B3
A4
B4
A5
B5
A4
B4
A5
B5
V
W
U
PE
SHIELD(FG)
+5V
GND
ENCA_B+_A2
ENCA_B-_A2
NXD_ARC_015(AM03-030248A)
CN2
4P
B1
A1
B2
A2
10P
CN3
10P
CN4
CN4
A1
B1
A2
B2
A3
B3
A1
B1
A2
B2
A3
B3
V
W
U
PE
SHIELD(FG)
NXD_ARC_037 (FLAT#2,#3) (AM03-038044A)
A4
B4
A5
B5
A4
B4
A5
B5
+5V
GND
ENCA_B+_A3
ENCA_B-_A3
A4
B4
A3
B3
B5
A2
B2
B1
A1
A5
Ye-MOTOR EXT
BOARD #2
HS BASE
[ARC]
REFER TO HS BASE BOARD #1
N.C
N.C
1
2
3
4
76
5
NXD_ARC_043
AM03-038225A
(Front)
5
NXD_ARC_004
AM03-038162A
(Rear)

Page
ohu~oh
295
HM520 /
HM520h
ARC Board (3/4) - HM520h
NO. PART NO. PART NAME Q'TY Old No. Supply Supply LT Reference
1 AM03-029453A ARC POWER 1
2 AM03-030248A E MOTOR EXT 1
3 AM03-038047A CABLE ASSY-E MOTOR_CS 1
4 AM03-038161A CABLE ASSY-ETHERCAT AMP1-AMP2_CS 1
5 AM03-038225A CABLE ASSY-F-ETHERCAT OUT_CS 1 Front
AM03-038162A CABLE ASSY-R-ETHERCAT OUT_CS 1 Rear
6 AM03-038044A CABLE ASSY-ELEVATOR FLAT_CS 1
7 AM03-038048A CABLE ASSY-S MOTOR_CS 1

Page
ohu~oh
296
HM520 /
HM520h
ARC Board (4/4) - HM520h
1
2
3
4
5
6
7
8
CN6
12P
CN28
CN28-1
NXD_ARC_018(AM03-030252A)
3P*2
CN28-2
A1
B1
C1
A1
B1
C1
A2
B2
C2
A2
B2
C2
1
2
3
1
2
3
1
2
3
A1
B1
A2
B2
A3
B3
A4
B4
A5
B5
A6
B6
A1
B1
A2
B2
A3
B3
A4
B4
A5
B5
A6
B6
CN5
CN5-1
3P*2
CN5-2
A1
B1
C1
A1
B1
C1
A2
B2
C2
A2
B2
C2
1
2
3
1
2
3
1
2
3
1
2
3
1
2
3
1
2
3
1
2
3
1
2
3
1
2
3
1
2
3
1
2
3
1
2
3
SIG(A1)
+24V
GND
SIG(I5)
+24V
GND
SIG(I4)
+24V
GND
SIG(I1)
+24V
GND
RS422_RX-
RS422_RX+
RS422_TX+
GND
RS422_TX-
SIG(O1)
SIG(O2)
SIG(I3)
SIG(I2)
GND
SIG(O3)
+24V
DOOR SNS EXT
ST CLAMP-EXT
GRIP SOL-EXT
RACK LOAD-EXT
N.C
RING SEARCH-EXT
GRIP RING-EXT
BU
BR
BK
DOOR SENSOR
KPS-M21
NXD_ARC_019(AM03-030253A)
NXD_ARC_021(AM03-030255A)
SIG
+24V
GND
SIG
+24V
GND
SIG
+24V
GND
SIG
+24V
GND
SIG
+24V
GND
SIG
+24V
GND
BOARD #2
HS BASE
[ARC]
BOARD #2
HS BASE
[ARC]
CN29
12P
A1
B1
A2
B2
A1
B1
A2
B2
RD
BK
NXD_ARC_012(AM03-030249A)
+24V
SIG(A2)
SIG(O4)
GND
HS1/HS2 BOARD FAN
AFB0424HHB
HEIGHT SNS-EXT
NXD_ARC_035(AM03-030625A)
N.C
(+)
(-)
STAGE CLAMP
SOL VALVE
RD
BK
(+)
(-)
GRIPPER
SOL VALVE
RD
BK
COM
N.O
RACK LOAD SENSOR
D2HW-C243M
BK
BL
N.C
N.C
1
2
3
1
2
3
1
2
3
1
2
3
NXD_ARC_025(AM03-030260A)
NXD_ARC_037 (FLAT#1) (AM03-038044A)
RING SEARCH
SIG
+24V
GND
BL
BR
BK
RING SEARCH SENSOR
E3T-ST11
(RECEIVER)
BR
BL
(EMITTER)
RING SEARCH SENSOR
GRIP RING
SIG
+24V
GND
BL
BR
BK
RING SEARCH SENSOR
E3T-ST11
(RECEIVER)
NXD_ARC_024(AM03-030258A)