YSM20_KLW-100_cwd.pdf - 第28页
P AGE 25 Condential & Proprietary YSM20 H024106 Air circuit 真空発生用バルブ VQD115-5MO-X1 シ ャフトブロ ー 用バ ルブ VQ 120-5M O VQ111U-5LO-X55 5 真空破壊用バルブ H1 NOTE 1.YSM20(KLW) FM ヘッドのエア回路図 P P P $PLH4-M5 M T US042 5 VQ111U-5LO-X55 5 …

PAGE
24
Condential & Proprietary
YSM20
H024106
Air circuit
真空発生用バルブ
VQD115-5MO-X1
シャフトブロー用バルブ
VQ120-5MO
VQ111U-5LO-X555
真空破壊用バルブ
H1
NOTE
1.YSM20(KLW) HMヘッドのエア回路図
PPP
KKE-M7113-00X
TUS0425
VQ111U-5LO-X555
真空破壊用バルブ
真空発生用バルブ
VQD115-5MO-X1
PPP
TUS0425
KKE-M7113-00X
H2
VQ111U-5LO-X555
真空破壊用バルブ
真空発生用バルブ
VQD115-5MO-X1
PPP
TUS0425
KKE-M7113-00X
H10
φ10 ORENGE
φ10 ORENGE
NO.
KHY-M4592-01X
VAC SENSOR BRD ASSY
1
PARTS NO. PARTS NAME QTY. DESCRIPTION
1
ZZB10-X177C
2
3
KLW-M7151-00X EJECTOR,RESIN
JOINTKKE-M7113-00X
1
10 LF3100
①
②
③③③
KHY-M4592-01X
KLW-M7151-00X
真空発生用バルブ
VQD115-5MO-X1
シャフトブロー用バルブ
VQ120-5MO
VQ111U-5LO-X555
真空破壊用バルブ
H1
NOTE
1.YSM20(KLW) HMヘッドのエア回路図
PPP
KKE-M7113-00X
TUS0425
VQ111U-5LO-X555
真空破壊用バルブ
真空発生用バルブ
VQD115-5MO-X1
PPP
TUS0425
KKE-M7113-00X
H2
VQ111U-5LO-X555
真空破壊用バルブ
真空発生用バルブ
VQD115-5MO-X1
PPP
TUS0425
KKE-M7113-00X
H10
φ10 ORENGE
φ10 ORENGE
NO.
KHY-M4592-01X
VAC SENSOR BRD ASSY
1
PARTS NO. PARTS NAME QTY. DESCRIPTION
1
ZZB10-X177C
2
3
KLW-M7151-00X EJECTOR,RESIN
JOINTKKE-M7113-00X
1
10 LF3100
①
②
③③③
KHY-M4592-01X
KLW-M7151-00X
HM head

PAGE
25
Condential & Proprietary
YSM20
H024106
Air circuit
真空発生用バルブ
VQD115-5MO-X1
シャフトブロー用バルブ
VQ120-5MO
VQ111U-5LO-X555
真空破壊用バルブ
H1
NOTE
1.YSM20(KLW) FMヘッドのエア回路図
PPP
$PLH4-M5M
TUS0425
VQ111U-5LO-X555
真空破壊用バルブ
真空発生用バルブ
VQD115-5MO-X1
PPP
TUS0425
$PLH4-M5M
H2
VQ111U-5LO-X555
真空破壊用バルブ
真空発生用バルブ
VQD115-5MO-X1
PPP
TUS0425
$PLH4-M5M
H5
φ10 ORENGE
φ10 ORENGE
NO.
KHY-M4592-10X
VAC5 SENS BRD ASSY
1
PARTS NO. PARTS NAME QTY. DESCRIPTION
1
ZZB05-X177C
2
3
KLW-M745A-00X EJECTOR
JOINT$PLH4-M5M
1
5
①
②
③③③
KHY-M4592-10X
KLW-M745A-00X
真空発生用バルブ
VQD115-5MO-X1
シャフトブロー用バルブ
VQ120-5MO
VQ111U-5LO-X555
真空破壊用バルブ
H1
NOTE
1.YSM20(KLW) FMヘッドのエア回路図
PPP
$PLH4-M5M
TUS0425
VQ111U-5LO-X555
真空破壊用バルブ
真空発生用バルブ
VQD115-5MO-X1
PPP
TUS0425
$PLH4-M5M
H2
VQ111U-5LO-X555
真空破壊用バルブ
真空発生用バルブ
VQD115-5MO-X1
PPP
TUS0425
$PLH4-M5M
H5
φ10 ORENGE
φ10 ORENGE
NO.
KHY-M4592-10X
VAC5 SENS BRD ASSY
1
PARTS NO. PARTS NAME QTY. DESCRIPTION
1
ZZB05-X177C
2
3
KLW-M745A-00X EJECTOR
JOINT$PLH4-M5M
1
5
①
②
③③③
KHY-M4592-10X
KLW-M745A-00X
FM head

PAGE
26
Condential & Proprietary
YSM20
H024106
Air circuit
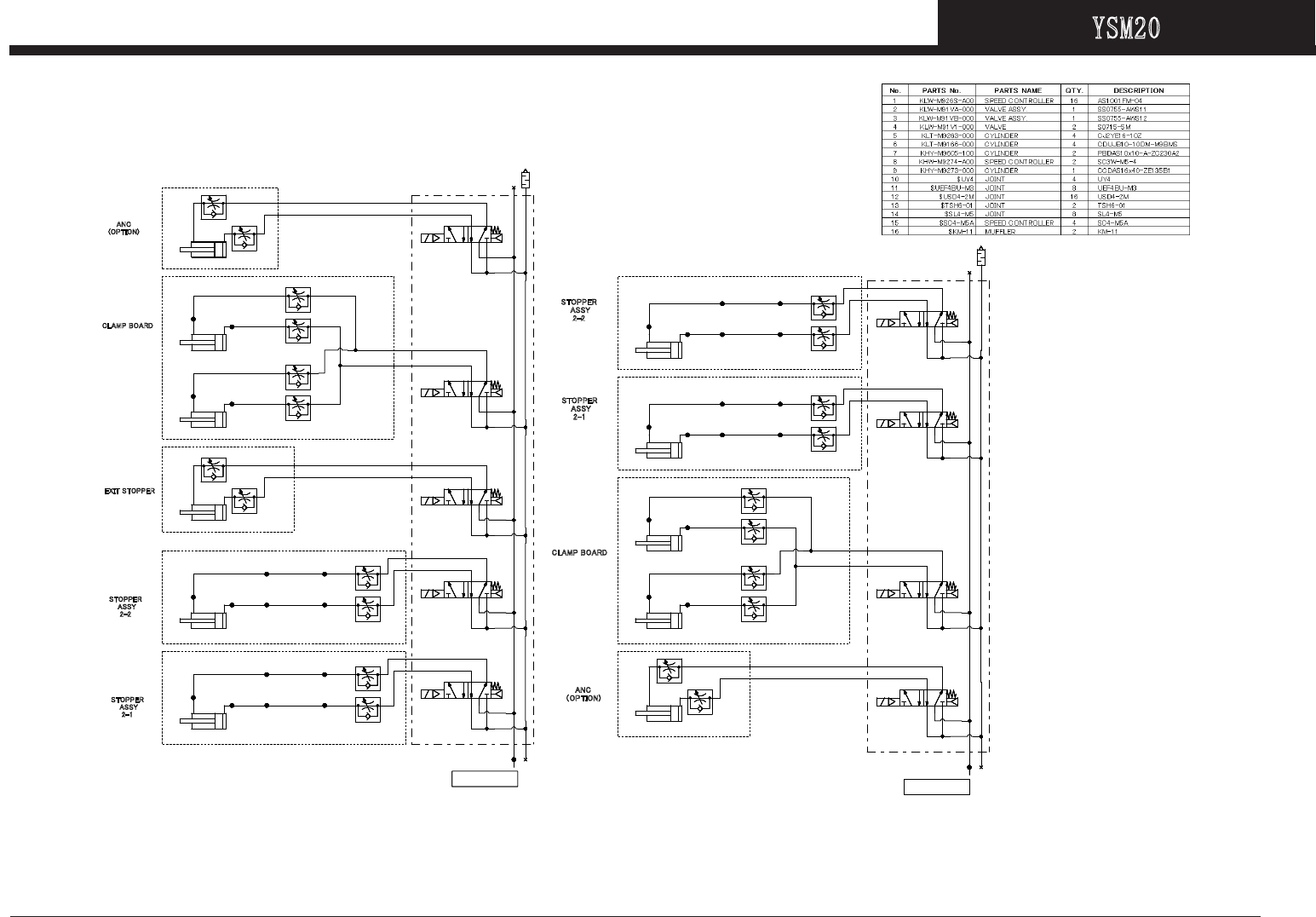
PBDAS10x10-A-ZC230A2
SC4-M5A
SC4-M5A
1155 33
44 22
4141
2121
15 3
4 2
14
12
φ4 ORANGE
φ4 BLACK
ANC
(OPT
I
ON)
AS1001FM-04
15 3
4 2
14
12
1155 33
44 22
4141
2121
CJ2YE16-10Z
AS1001FM-04
φ4 ORANGE
φ4 BLACK
C
L
AMP BOA
R
D
SL4-M5
SL4-M5
CJ2YE16-10Z
AS1001FM-04
AS1001FM-04
SL4-M5
SL4-M5
UY4
UY4
φ4 BLACK
φ4 BLACK
φ4 BLACK
φ4 ORANGE
φ4 ORANGE
φ4 ORANGE
SC3W-M5-4
15 3
4 2
14
12
1155 33
44 22
4141
2121
CCDAS16x40-ZE135B1
SC3W-M5-4
φ4 BLACK
EXIT
S
T
O
PP
E
R
φ4 ORANGE
CDUJB10-10DM-M9BMS
15 3
4 2
2141
1155 33
44 22
4141 1212
φ2 BLACK
UEF4BU-M3
φ4 BLACK
φ4 ORANGE
AS1001FM-04
AS1001FM-04
UEF4BU-M3
USD4-2M
USD4-2M
USD4-2M USD4-2M
φ2 ORANGE
S
TOPPER
A
SS
Y
2
-
2
φ4 BLACK
φ4 BLACK
φ4 ORANGE
CDUJB10-10DM-M9BMS
15 3
4 2
2141
1155 33
44 22
4141 1212
UEF4BU-M3
AS1001FM-04
φ4 ORANGE
φ4 BLACK
USD4-2M
φ2 ORANGE
USD4-2M
φ4 BLACK
φ4 ORANGE
STOPPER
AS
SY
2
-1
φ4 BLACK
UEF4BU-M3
φ2 BLACK
AS1001FM-04
USD4-2M USD4-2M
SS0755-AWR12
プラグ 1/8
KM-11
SC4-M5A
PBDAS10x10-A-ZC230A2
SC4-M5A
15 3
4 2
14
12
1155 33
44 22
4141
2121
プラグ 1/8
KM-11
SS0755-AWS11
φ4 BLACK
φ4 ORANGE
ANC
(OPTION)
UEF4BU-M3
USD4-2M
USD4-2M
USD4-2M USD4-2M
15 3
4 2
14
12
1155 33
44 22
4141
2121
STOPPER
ASSY
2-2
CDUJB10-10DM-M9BMS
φ2 ORANGE
AS1001FM-04
AS1001FM-04
φ4 ORANGE
UEF4BU-M3
φ4 BLACK
φ2 BLACK
STO
PPER
ASSY
2-1
φ4 ORANGE
φ4 BLACK
φ2 ORANGE
φ4 BLACK
USD4-2M
USD4-2M
USD4-2M
φ2 BLACK
UEF4BU-M3
AS1001FM-04
USD4-2M
15 3
4 2
2141
1155 33
44 22
4141 1212
CDUJB10-10DM-M9BMS
UEF4BU-M3
φ4 BLACK
φ4 BLACK
φ4 ORANGE
φ4 ORANGE
φ4 BLACK
AS1001FM-04
SL4-M5
CJ2YE16-10Z
AS1001FM-04
SL4-M5
15 3
4 2
14
12
1155 33
44 22
4141
2121
AS1001FM-04
AS1001FM-04
φ4 ORANGE
φ4 BLACK
CJ2YE16-10Z
CL
A
M
P B
O
A
RD
φ4 BLACK
φ4 BLACK
AS1001FM-04
φ4 ORANGE
φ4 ORANGE
φ4 BLACK
φ4 ORANGE
SL4-M5
UY4
UY4
SL4-M5
TSH6-01
プラグ 1/8
BASE CONVEYOR L
(KLW-M8500-000)
TSH6-01
プラグ 1/8
BASE CONVEYOR R
(KLW-M8500-000)
S0715-5M
OPTION時追加
S0715-5M
OPTION時追加
⑨
①
①
①
①
①
①
①
①
①
①
①
①
①
①
①
①
③
②
⑥
⑥
⑥
⑥
④
④
⑤
⑤
⑤
⑤
⑦
⑦
⑧
⑧
NOTE
1. 本図は YSM20-2(KLW 2ビーム) DS コンベアの
空気圧回路図を示す。
2. 本図接続先のBASE部の空気圧回路図は
KLW-M8500-000 に示す。
PBDAS10x10-A-ZC230A2
SC4-M5A
SC4-M5A
1155 33
44 22
4141
2121
15 3
4 2
14
12
φ4 ORANGE
φ4 BLACK
ANC
(OPT
I
ON)
AS1001FM-04
15 3
4 2
14
12
1155 33
44 22
4141
2121
CJ2YE16-10Z
AS1001FM-04
φ4 ORANGE
φ4 BLACK
C
L
AMP BOA
R
D
SL4-M5
SL4-M5
CJ2YE16-10Z
AS1001FM-04
AS1001FM-04
SL4-M5
SL4-M5
UY4
UY4
φ4 BLACK
φ4 BLACK
φ4 BLACK
φ4 ORANGE
φ4 ORANGE
φ4 ORANGE
SC3W-M5-4
15 3
4 2
14
12
1155 33
44 22
4141
2121
CCDAS16x40-ZE135B1
SC3W-M5-4
φ4 BLACK
EXIT
S
T
O
PP
E
R
φ4 ORANGE
CDUJB10-10DM-M9BMS
15 3
4 2
2141
1155 33
44 22
4141 1212
φ2 BLACK
UEF4BU-M3
φ4 BLACK
φ4 ORANGE
AS1001FM-04
AS1001FM-04
UEF4BU-M3
USD4-2M
USD4-2M
USD4-2M USD4-2M
φ2 ORANGE
S
TOPPER
A
SS
Y
2
-
2
φ4 BLACK
φ4 BLACK
φ4 ORANGE
CDUJB10-10DM-M9BMS
15 3
4 2
2141
1155 33
44 22
4141 1212
UEF4BU-M3
AS1001FM-04
φ4 ORANGE
φ4 BLACK
USD4-2M
φ2 ORANGE
USD4-2M
φ4 BLACK
φ4 ORANGE
STOPPER
AS
SY
2
-1
φ4 BLACK
UEF4BU-M3
φ2 BLACK
AS1001FM-04
USD4-2M USD4-2M
SS0755-AWR12
プラグ 1/8
KM-11
SC4-M5A
PBDAS10x10-A-ZC230A2
SC4-M5A
15 3
4 2
14
12
1155 33
44 22
4141
2121
プラグ 1/8
KM-11
SS0755-AWS11
φ4 BLACK
φ4 ORANGE
ANC
(OPTION)
UEF4BU-M3
USD4-2M
USD4-2M
USD4-2M USD4-2M
15 3
4 2
14
12
1155 33
44 22
4141
2121
STOPPER
ASSY
2-2
CDUJB10-10DM-M9BMS
φ2 ORANGE
AS1001FM-04
AS1001FM-04
φ4 ORANGE
UEF4BU-M3
φ4 BLACK
φ2 BLACK
STO
PPER
ASSY
2-1
φ4 ORANGE
φ4 BLACK
φ2 ORANGE
φ4 BLACK
USD4-2M
USD4-2M
USD4-2M
φ2 BLACK
UEF4BU-M3
AS1001FM-04
USD4-2M
15 3
4 2
2141
1155 33
44 22
4141 1212
CDUJB10-10DM-M9BMS
UEF4BU-M3
φ4 BLACK
φ4 BLACK
φ4 ORANGE
φ4 ORANGE
φ4 BLACK
AS1001FM-04
SL4-M5
CJ2YE16-10Z
AS1001FM-04
SL4-M5
15 3
4 2
14
12
1155 33
44 22
4141
2121
AS1001FM-04
AS1001FM-04
φ4 ORANGE
φ4 BLACK
CJ2YE16-10Z
CL
A
M
P B
O
A
RD
φ4 BLACK
φ4 BLACK
AS1001FM-04
φ4 ORANGE
φ4 ORANGE
φ4 BLACK
φ4 ORANGE
SL4-M5
UY4
UY4
SL4-M5
TSH6-01
プラグ 1/8
BASE CONVEYOR L
(KLW-M8500-000)
TSH6-01
プラグ 1/8
BASE CONVEYOR R
(KLW-M8500-000)
S0715-5M
OPTION時追加
S0715-5M
OPTION時追加
⑨
①
①
①
①
①
①
①
①
①
①
①
①
①
①
①
①
③
②
⑥
⑥
⑥
⑥
④
④
⑤
⑤
⑤
⑤
⑦
⑦
⑧
⑧
NOTE
1. 本図は YSM20-2(KLW 2ビーム) DS コンベアの
空気圧回路図を示す。
2. 本図接続先のBASE部の空気圧回路図は
KLW-M8500-000 に示す。
DS conveyor