文档中心
/
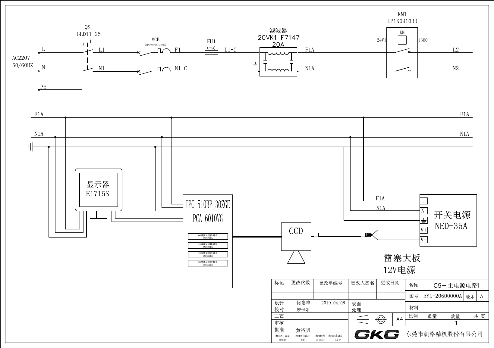
G9 《使用说明书》
G9 《使用说明书》 - 第105页
在线预览 G9 《使用说明书》 PDF 文档。
目录
100%
显示:宽度
宽度
1 / 119
回到旧版
旧版
?
该页面需要启用 JavaScript 才能进行交互式预览。