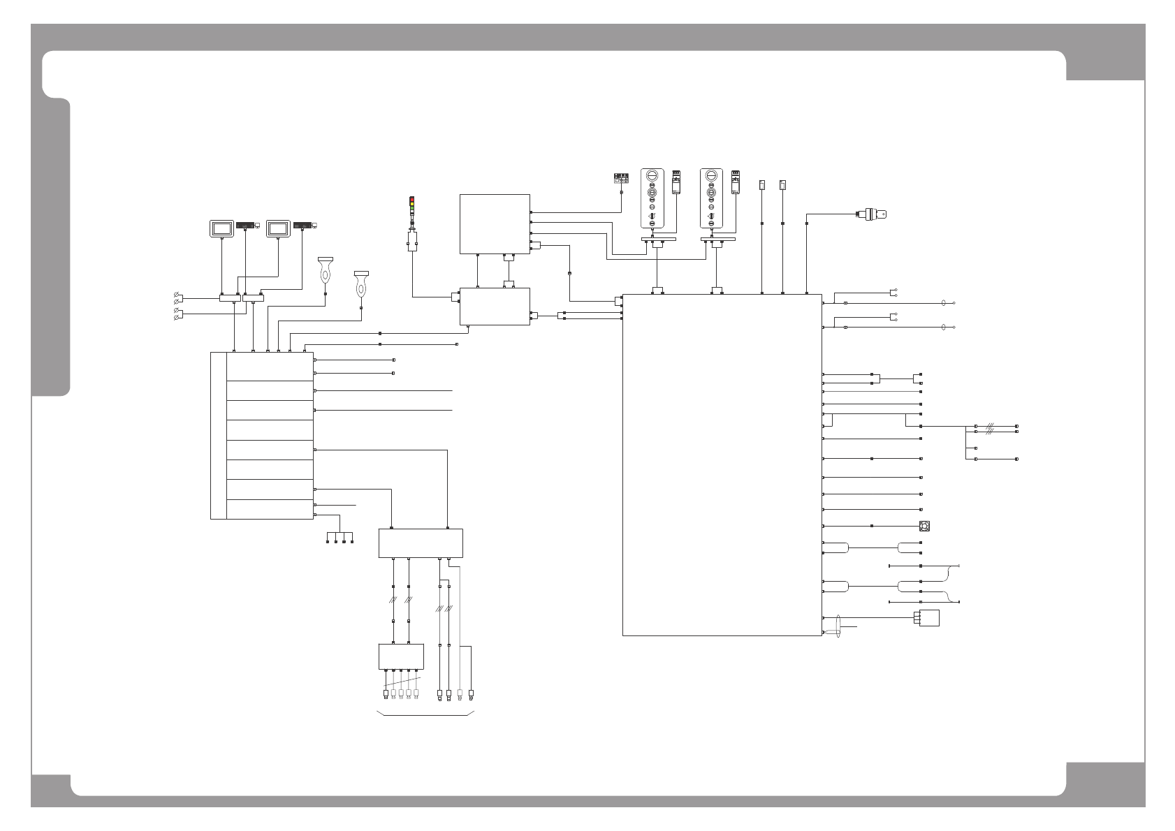
SM481_TechnicalReference(Eng_Ver1[1].1) - 第103页
Page SAMSUNG TECHWIN 93 SM481 SM481 Harness Wiring Diagram CN11 (1KW) Y2 (1KW) Y1 CN13 SM41_MD036 SM41_MD037 SM41_MD038 SM48_PW020 SM48_PW019 SM48_VM003 CN12 CN14 CN1 PCIE X1 PCIE ADAPTER #1 Panasonic AC servo SET MODE P…

Page
SAMSUNG TECHWIN
92
SM481
SM481 Harness Wiring Diagram
3C
8C
1D
9D
TOWER LAMP
FLY CAM1~5
SM471_VIS011
G
LOCK
R
S
T
M
E
E
CHANGE
F/FEEDER
RESET
0N
STOP
START
READY
E
O
P
C
N
Y
RESET
F/FEEDER
CHANGE
STOP
START
READY
P
O
T
S
Y
N
C
E
E
E
M
R
G
<FRONT-OP> <REAR-OP>
LOCK
0N
INDUSTRIAL PC
COM1USBMON LAN1
PC-232
SBC
<FRONT>
<REAR>
PCIE ADAPTER #1
PCIE X1
AXIO B/D #1-CN1
MON분배기
SM411_KV003-1
SM471_KV003-3
USB HUB
SM471-PC005
SM471-PC006
SAMC-ME #1
PC RACK 12V
SM471_PC003
SM471_KV003-2
SAFETY CONTROL B/D
CN30
CN3
F-OP
CN31
CN3
R-OP
[SC]
CN34
T-BOX
SM48-CV034
FRONT
CN36
T-BOX
REAR
SM33_CV023-5
SM48_FD101-1
P1 P2
COM1
COM2
COM3
COM4
COM5
CN9
PWR
SM48_VIS012
SM400 VISION IF B/D
CN1
FID.CAM
SM400 CAMERA IO B/D#1
[FID1]
CN6CN8
SM471_VIS007
CN10
SM471_VIS010
IT MASTER
12V
SM471_VIS000
SM471_VIS006
HEAD
CN11
CN1
CN2
입력
입력
CN10
CN11
CN20
CN21
CN22
CN23
CN27
CN25
CN26
CN7
SCANNER
CN5
CONV I/F B/D
[CV]
CN33
CN26
SM48_CV132
[SUB]
CONV.SUB I/F B/D
CN32
CN27
CN28
SM33_CV003
CN6
CN1
CN18
CN3
SM421_CV113
CN17
CN2
START,FFD,RFD
CN7
SM48_PW120
PS#1
PS#2
CN4
CN2
SM421_OP103
START,STOP,RESET,FFD
CN5
SM421_OP104
START,STOP,RESET,FFD
CN2
SM33_OP005
SM33_OP005
CN7
CN13
SM48_CV004
CN8
SM48_CV026
M
1
2
OUT
AIR SENSOR
SM48_SC001
CN3
CN1
CN4
CN1
CN6
CN13
EM,READY,DOOR,FSO
[VIS]
CN24
RY11-14/13
1234 5
RY1-6
RY1-4
SM48_PW032
(+24V)
(+24V)
RY2-6
RY2-4
SM48_PW033
(+24V)
(+24V)
CN18
MC1
+A1
-21
-A2
-22
CN19
SM33_CV026-1
J1R-3
J1R-4
SM33_CV023-4
SM471_OP001
SM471_OP001
SM471_PC003-1
SM48_PW120
T1L(3.4)
T1L(1.2)
SM471_PW067
PWR
PWR
CN35
SM48_SC201
J1R-2
SM48_CV035
SM48_SC002
SM471_SC105
SM471_SC105-1
SAFEGUARD OVERRIDE KEY
SM33_SC008
SM33_SC009
R DRIVER-PW
SM41_SC006
21/22
JUMPER
SM48_VM111 SM41_VM111-1
REAR PANEL LAN PORT
RFD-CN4
CV-CN4
SM48_PW044
FFD-CN4
AX-CN1
SM471_IT005
PWR
PS#2
SM471_IT004
CAN
CAN_CH1_L
CAN_CH2_R
CAN_CH3_L
CAN_CH4_R
FIX.CAM
BS1 DRV CN1
SM41_SC012
CN12
BS2 DRV CN1
COM5
COM6
TF1
TF2
CN14
SM421_VM101-2
CN15
AXIO#1-CN2
SM48_SC007
CN28
HD-PW-EXT
FL1-#12
HEAD IF CN1
FL2-#1
X_SEN.
FIX_ILL-CN1
SM48_SC008
CN29
J1R-1
R-SC-CN12/32
AM03-000084
CN6
SM471_PW020
SM471_PW022
STEP/HEAD DRIVER FAN
PCIE ADAPTER #2
PCIE X1
AXIO B/D #2-CN1
SM471_VIS009
#2F-FL13.14
#1F-FL-13.14
#1F-FL-15
SM471_VIS002-1
#2F-FL-15
12
SM471_VIS002-2
SM481_VIS001
1
SM48_VIS002
2
AXIO#2-CN2
SM481_SC009
CN6
SM48_SC201
SM48_FD101
SM41_AX001
SM41_IT003
SM41_SC011
SM48_CV101
SM481_AX006
#2F-1-1
SM48_VM101
SM48_VM102
SM471_PW068
AXIO#1-CN7
AX-CN2
SM481_AX005
SC-CN15-EXT [R]
SC-CN14-EXT [R]
TF-CH1
TF-CH2
PMC1-EXT
PMC2-EXT
COM5
COM6
SM48_VM101
SM48_VM102
SM421_VM101-1
SM421_VM102-1
Serial1 Serial2
<FRONT>
BARCODE READER
<REAR>
SM471_IT001
SM411_IT002

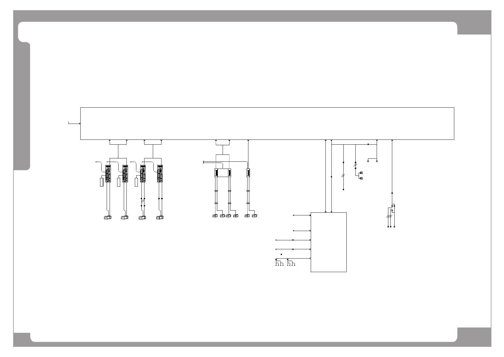
Page
SAMSUNG TECHWIN
93
SM481
SM481 Harness Wiring Diagram
CN11
(1KW)
Y2
(1KW)
Y1
CN13
SM41_MD036 SM41_MD037 SM41_MD038
SM48_PW020 SM48_PW019
SM48_VM003
CN12 CN14
CN1
PCIE X1
PCIE ADAPTER #1
Panasonic AC servo
SET
MODE
Panasonic AC servo
SET
MODE
Panasonic AC servo
SET
MODE
Panasonic AC servo
SET
MODE
SM48_MD008
SM48_MD005
SM48_MD010
SM48_MD006
SM48_MD009
SM48_MD007
SM481_VM004
(750W)
X
CN1
BOARD
SM421 AXIS SENSOR
CN10
AP5 AXIS IO BOARD #1
[AXIO#1]
CN6
SM481_AX005-1
[AX]
CN7
CN9
PWR
SM481_AX005
SM48_PW019
SM48_PW018
WD-ENWD-PW
SM48_MD023
SM48_MD022
WD
(100W)
#1F-1,2
SM481_AX006
CN2
SM421_AX103
CN3
SM421_AX104
CN4
SM41_AX006
Y1-HM,PL,ML
WD-HOME SENSOR
WD-HOME-EXT
SM421_AX104-1
PCB SENSOR
SM41_CV007
SM421_CV140
FSEN-T1
FSEN-R2
FSEN-T2
FSEN-R1
RSEN-T1
RSEN-R2
RSEN-T2
RSEN-R1
CN12
CN2
PWR
SACO-CN28
SM48_SC007
SACO-CN27
SC-CN23
CN15
WB1 WB2
CN17
CB3 CB4
CN16
CB12
BW12
CB34
CN3
CN2
CN3
CN2
CN3
CN2
SM41_MD015
CN1
SM421_MD109 SM421_MD109-1
SM481_VM008
SM481_VM009
SM41_SC012
CN1
SC-CN11
SC-CN12
CN4
CN4
CN4
SM421_MD209 SM421_MD209-1
SM41_MD016
SM421_MD108 SM421_MD108-1
SM421_MD208 SM421_MD208-1
CB1 CB2
SM41_MD013
SM41_MD014
SM421_MD110 SM421_MD110-1
SM421_MD210 SM421_MD210-1
SM41_MD017
SM41_MD018
CN5
SM481_AX008-1
#1F-FL-11
AXIO#2-CN5
SM471_VI006
#2F-FL-11
HD-CN5
HD-CN4
R-HD-SOL
R-HD-SOL
H7H10-VAC
H1H6-VAC
SM481_AX008
SM41_AX001
#2F-1-1
SM481_AX002
X HOME
X ML
HD-PW-EXT
SM471 HEAD IF BD
(HEAD MODULE)
#1F-FL12
SM421_CV043
SM421_CV044
SM481_AX006-1

Page
SAMSUNG TECHWIN
94
SM481
SM481 Harness Wiring Diagram
SM471 HEAD IF B/D
CAN
CN2
SENSORSENSORSENSOR
VAC.
VAC.VAC.
VAC.
H1 H2
H3 H4
SM411P VACUUM SENSOR B'D(H1~H10)
H5
VAC. VAC.
SENSOR
H1~10 VAC SOL
SM481_HD004
CN1
CN11 CN21
Z12 AMP
R DRIVER
Z1 Z2 Z3 Z4
(50W)
SW
AP5 AXIS IO BOARD #2
[AXIO#2]
CN12
SM481_VM009-1
CN5
CN6
CN3 CN1
CN10
CN4 CN2
CN13
CN14
CN5
CN6
CN3 CN1 CN4 CN2
Z5 Z6
CN15 CN16
CN5
CN6
CN3 CN1 CN4 CN2
Z7 Z8
CN17 CN18
CN5
CN6
CN3 CN1 CN4 CN2
Z9 Z10
CN19 CN20
CN5
CN6
CN3 CN1 CN4 CN2
R1
CN22 CN23
CN26
CN5
CN2
PWR
SACO-CN26
SM481_VM011
[RR]
SM481_VM106
SM481_SC009
SM481_VM009-2
CN10
SM481_VM009-3
CN10
SM481_VM009-4
CN10
SM481_VM009-5
CN10
SM471_PW031
SM471_PW031
[VAC]
SENSORSENSOR
VAC.
H6 H7
H9H8
VAC. VAC.
SENSOR SENSOR
H10
VAC.
SENSOR
CN16
CN1
SM481_CA104
FHD-CAN
SM411P FRONT MOTOR IF B/D
CN11
Z34 AMP Z56 AMP Z78 AMP Z910 AMP
CN12 CN13 CN14 CN15 CN23 CN21
CN24 CN25
R2 R3 R4 R5
CN22
R1 R2 R3 R4
R5
CN19 CN20CN18CN17CN16
CN7 CN9
CN1
CN6 CN2 CN7 CN3 CN8 CN4 CN9 CN5 CN10 CN24
SM481_MD019
SM481_MD020
SM481_MD021
SM481_MD022
SM481_MD023
SM481_MD024
SM481_MD024-1
SM481_MD024-2
SM481_MD024-3
SM481_MD024-4
SM481_MD038
SM481_MD039
SM481_MD040
SM481_MD040-1
SM481_MD040-2
SW-ENSW-PW
#2F-FL7.8
SM471_MD025
#1F-FL3.4 #1F-FL5.6 #1F-FL7.8
FRONT
SM481_HD005
CN15
H1~10 BLOW SOL
CN14
SM481_HD006
#2F-FL10
PCIE X1
CN5 CN4
CN12
SM481_HD003
Z1~5 HOME
CN11
SM481_HD003-1
Z6~10 HOME
CN9
SM471_HD008
SW HOME
CN13
SM471_HD009
OVER BLOW
CN10
SM481_HD007
R1~5 HOME
CN19CN18
Z1~Z8 HOME
Z9~Z10, R1~R5, SW HOME
CN8
SM481_HD010-1
조명
FIDUCIAL조명 #1
CN17
SM481_HD010-2
FIDUCIAL조명 #2
OUTER/INNER
조명
OUTER/INNER
CN6
CN7
CN20
CN1
PWR
PCIE ADAPTER #2
#1F-FL9.10
#1F-FL12
#2F-FL3.4 #2F-FL5.6 #2F-FL9
#2F-FL12
Z1~Z8 HOME
Z9~Z10, R1~R5, SW HOME
SM481_HD010-3
SIDE
조명
SM481_HD010-6
OUT
조명
COAX
조명
SM481_HD010-11
PWR
SM481_PW027
PS#2
SM471_VI006
AXIO#1-CN5
SM481_VM011-1
SM481_AX006
SACO-CN28
SM48_PW018
SM48_MD021
SM48_MD020
F_FEEDER_IF_BD
SM481_SC007
SM471_PW031
SM471_PW031
SM471_PW124-1
Panasonic AC servo
SET
MODE